Для студентов МГТУ им. Н.Э.Баумана по предмету Сопротивление материаловСтатически неопределимые задачи изгибаСтатически неопределимые задачи изгиба
5,00512
2023-03-152025-02-23СтудИзба
ДЗ 4: Статически неопределимые задачи изгиба вариант 11
-55%
Описание
Вариант 11 - ДЗ №1 - Статически неопределимые задачи изгиба - Задача 1+2
Зачтено на максимальный балл 💥 💥 💥
Спасибо за покупку 🥰🥰
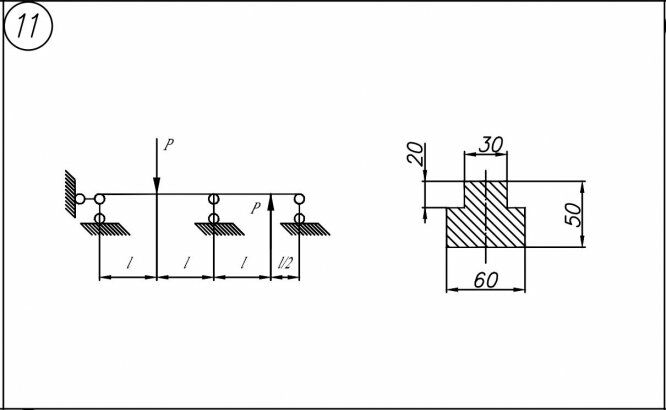
Задача 1:
Произвести расчет балки при упругих деформацияха) Раскрыть статическую неопределимость и построить эпюры Qy и Mx
б) Определить допускаемую нагрузку
в) Примерный вид упругой линии балки


Задача 2 ![]()

Характеристики домашнего задания
Предмет
Учебное заведение
Семестр
Номер задания
Вариант
Просмотров
301
Размер
9,03 Mb
Список файлов
Вариант 11 - ДЗ №1 - Статически неопределимые задачи изгиба - Задача 1+2.pdf

Друзья, спасибо за доверие! Если вам понравилась работа – поставьте 5⭐ и напишите отзыв. Это поможет другим студентам, а мне даст силы делать ещё больше качественных материалов для вас 🔥