Для студентов МАИ по предмету Силовая электроникаРасчет инвертора токаРасчет инвертора тока
4,64514
2026-01-132026-01-13СтудИзба
Курсовая работа: Расчет инвертора тока
Новинка
Описание
В данной работе приводится расчет инвертора тока и представлен его чертеж, выполненный по ГОСТ в CAD-программе.
Содержание работы следующее:
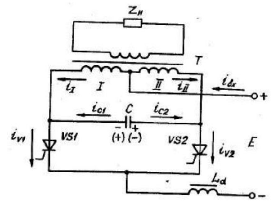
Электрическая схема инвертора тока:
Исходные данные для расчета:
Чертеж представлен как в формате PDF в составе общего отчета, так и в формате CDW для открытия в CAD-программе (Компас).
Содержание работы следующее:
Электрическая схема инвертора тока:
Исходные данные для расчета:
Чертеж представлен как в формате PDF в составе общего отчета, так и в формате CDW для открытия в CAD-программе (Компас).Характеристики курсовой работы
Предмет
Учебное заведение
Семестр
Просмотров
1
Размер
879,55 Kb
Список файлов
КР_Расчет инвертора тока.pdf
Инвертор тока _ Вариант 3.cdw
Комментарии
Нет комментариев
Стань первым, кто что-нибудь напишет!
МАИ
















