💯Силовая электроника.ти_ФРК
Описание
УЧЕБНЫЕ МАТЕРИАЛЫ
Тема 1. Силовые полупроводниковые диоды
Тема 2. Силовые биполярные транзисторы
Тема 3. Силовые полевые транзисторы
Тема 4. Силовые приборы на основе многослойных p-n-переходов
Тема 5. Силовые полупроводниковые комбинированные приборы
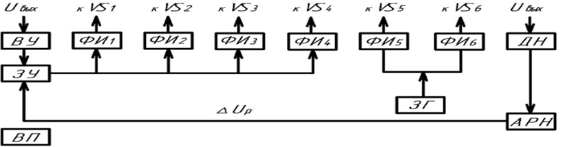
Тема 6. Системы управления силовыми электронными аппаратами
Тема 7. Формирователи импульсов управления
Тема 8. Управление силовыми электронными ключами
Тема 9. Методы и средства защиты силовых полупроводниковых ключей
Тема 10. Применение мощных полупроводниковых ключей в силовых схемах
Схему защиты тиристора при включении с применением насыщающегося дросселя применяют для…
снижения анодного напряжения до уровня насыщения при относительно малом токе коллектора (10…40 А)
избегания сброса или рассеяния энергии, накопленной в паразитных или специально введенных индуктивностях анодной цепи, при выключении тиристора
ускорения процесса спада анодного тока при условии минимизации паразитной индуктивности защитной цепи
разделения во времени процессов спада тока и нарастания напряжения, что существенно снижает мощность потерь при выключении, если учитывать большой остаточный ток ключа
Что изображено на рисунке?
Изменение температуры кристалла IGBT при разных частотах выходного напряжения
Переходный процесс включения и выключения IGBT на индуктивную нагрузку
Мгновенная и средняя мощность потерь в IGBT-ключе
Выходное напряжение и ток IGBT-ключа
Преобразование тока и напряжения какого электронного устройства изображено на рисунке?
Преобразователя частоты непосредственного типа
Зависимого инвертора
Импульсного преобразователя постоянного напряжения
Выпрямителя тока
Система управления каким устройством изображена на рисунке?
Регулятором-стабилизатором постоянного тока непрерывного действия
Регулятором-стабилизатором напряжения с тиристорным переключением отпаек
Регулятором-стабилизатором напряжения с компенсатором реактивной мощности
Регулятором постоянного тока
Что изображено на рисунке?
Диаграмма управления тиристором
Идеальная выходная статическая ВАХ тиристора
Переходный процесс включения тиристора
Реальная выходная статическая ВАХ тиристора
При работе на какую нагрузку представлены временные диаграммы электромагнитных процессов однофазного регулятора переменного напряжения?
На чисто активную
На активно-емкостную
На активно-индуктивную
На чисто емкостную
Индуктивность снаббера на силовой схеме – это индуктивность…
L1
L2
LL
L2 и LL
На каком из рисунков изображена ЦФТП на включение активно-индуктивной нагрузки на основе обратного диода?
На рисунке «а»
На рисунке «б»
На рисунке «в»
На рисунке «г»
ВАХ какого прибора изображена на рисунке?
Симистора
Фототиристора
Оптотиристора
Запираемого тиристора GTO
Тиристора с полевым управлением МСТ
Что изображено на рисунке?
Переходные процессы в плече мостовой схемы при резком выключении демпферного диода
Переходный процесс включения IGBT на индуктивную нагрузку с «мягким» режимом восстановления демпферного диода
Переходные процессы включения и выключения IGBT на индуктивную нагрузку
Переходные процессы включения и выключения IGBT на активно-индуктивную нагрузку
Эквивалентная схема какого прибора изображена на рисунке?
Интегрированного запираемого тиристора IGСT
Тиристора с полевым управлением МСТ
Запираемого тиристора GCT
Запираемого тиристора GTO
Максимально допустимый средний прямой ток, определяемый в однофазной однополупериодной схеме выпрямления при синусоидальном токе с частотой 50 Гц, угле проводимости 180º, допустимой температуре кристалла или корпуса и заданных условиях охлаждения – это...
допустимый ток
управления ударный ток
предельный ток
ток удержания
Преобразователи постоянного тока в переменный, в которых используются полностью управляемые ключи – это…
выпрямители тока
преобразователи частоты непосредственного типа
автономные инверторы (инверторы с самокоммутацией)
импульсные преобразователи постоянного напряжения
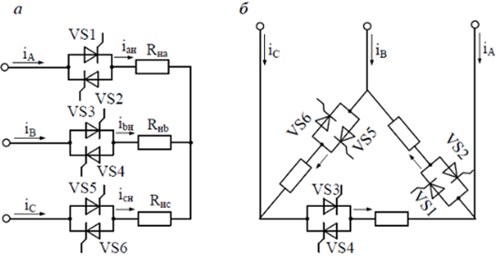
Какие режимы работы возможны у схем трёхфазных регуляторов переменного напряжения?
Режим с углами управления 0 ≤ α ≤ 60 эл. град. – в проводящем состоянии в определенные моменты времени будут находиться либо два, либо три тиристора
Режим с углом управления α = 60 эл. град. – в проводящем состоянии в определенные моменты времени будет находиться один тиристор
Режим с углами управления 60 ≤ α ≤ 90 эл. град. – постоянно проводят два тиристора Режим с углом управления α = 90 эл. град. – в проводящем состоянии в определенные моменты времени будут находиться два тиристора
Режим с углами управления 90 ≤ α ≤ 150 эл. град. – проводят либо два тиристора, либо все они закрыты
Какие бывают усилители мощности в зависимости от применяемого силового ключа вентильного преобразователя?
Тиристорные
Трансформаторные
Транзисторные
Оптоэлектронные
Каким образом проявляется влияние увеличения температуры структуры кристалла IGBT при выключении?
Замедляется скорость нарастания напряжения на запираемом ключе
Уменьшается амплитуда и длительность хвостовой части тока
Увеличивается амплитуда и длительность хвостовой части тока
Повышается скорость нарастания напряжения на запираемом ключе
Что не относится к параметрам цепи управления тиристором?
Динамические параметры тиристора
Параметры силовой цепи по напряжению
Параметры силовой цепи по току
Допустимый ток управления
Допустимое напряжение управления
Что относится к динамическим параметрам силового полевого транзистора?
Выходная емкость
Крутизна передаточной характеристики
Энергия потерь при выключении
Максимальная мощность рассеяния на стоке
Время спада тока стока
Какие способы управления различают по виду сигнала, поступающего на управляющий электрод тиристора?
Амплитудный
Цифровой
Фазовый
Горизонтальный
Асинхронный (дискретный)
Импульсный
Вертикальный
Какие способы управления различают по способу изменения фазы управляющего сигнала тиристора?
Амплитудный
Цифровой
Фазовый
Горизонтальный
Асинхронный (дискретный)
Импульсный
Вертикальный
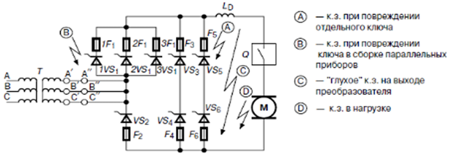
Определите на силовой схеме вариант к.з. при повреждении ключа в сборке параллельных приборов.
A
B
C
D
Максимальное напряжение, которое каждый период может прикладываться к тиристору – это…
повторяющееся импульсное напряжение в обратном и прямом направлении
рабочее напряжение
импульсное напряжение в открытом состоянии при протекании предельного тока
пороговое напряжение тиристора
На рисунке изображены…
выходные характеристики МОП-транзистора с встроенным каналом
входные характеристики МОП-транзистора с встроенным каналом
выходные характеристики МОП-транзистора с индуцированным каналом
входные характеристики МОП-транзистора с индуцированным каналом
На рисунке изображена структура…
МОП-транзистора с индуцированным каналом р-типа
МОП-транзистора с встроенным каналом n-типа
полевого транзистора с управляющим p–n-переходом и каналом n-типа
МОП-транзистора с индуцированным каналом n-типа
В тиристорах с неполной управляемостью…
включение и выключение осуществляется сигналом управления
включение осуществляется сигналом управления, а выключение – при спаде тока через прибор до нуля
включение осуществляется при спаде тока через прибор до нуля, а выключение – сигналом управления
включение и выключение не управляется
Какой способ уменьшения паразитной индуктивности применяется на токи нагрузки 200А?
Применение специальных проводников и конструкций монтажных соединений
Применение изолированного источника для каждого силового ключа
Силовой монтаж с применением многослойных проводящих шин на большие токи
Минимизация площадей соединительных контуров
Диффузионный ток через p-n переход полупроводникового диода вызван…
движением основных носителей заряда
внешним источником напряжения
движением неосновных носителей заряда
движением как основных, так и неосновных носителей заряда
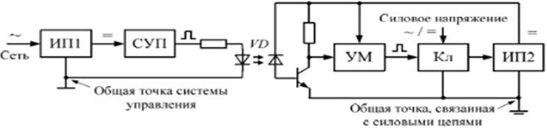
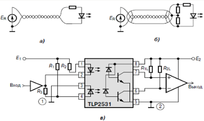
Гальваническая развязка в драйверах силовых ключей чаще всего выполняется с применением…
быстродействующих оптопар тиристорного типа с усилительными элементами на входе
быстродействующих оптопар тиристорного типа с усилительными элементами на выходе
быстродействующих оптопар диодного типа с усилительными элементами на выходе
быстродействующих оптопар диодного типа с усилительными элементами на входе
Какая система управления инвертором тока представлена на рисунке?
Система с независимым возбуждением
Система с комбинированным возбуждением
Система с зависимым возбуждением
Управляющая система (контроллер)
Что представлено на рисунке?
Применение изолированных источников питания драйверов для каждого ключа силовой схемы
Разделение цепи драйверов и силовой шины применением общего изолированного источника для ключей катодной группы
Силовая схема с гальванической связью между общей шиной и шиной драйверов
Силовой монтаж входного фильтра и полумостового преобразователя
Что изображено на рисунке?
Переходные процессы в транзисторных ключах при активно-индуктивной нагрузке
Статические параметры биполярного транзистора
Переходные процессы в транзисторных ключах при активно-индуктивной нагрузке, шунтированной диодом
На рисунке изображена…
реальная ВАХ диода
динамическая ВАХ диода
ВАХ тиристора
идеализированная ВАХ диода
Какая система изображена на рисунке?
Система по управлению
Система по отклонению
Система по регулированию
Система по возмущению
Управляемый выпрямитель на тиристорах, в котором в силовой части система управления поочерёдно подключает статорные обмотки к питающей сети – это…
импульсный преобразователь постоянного напряжения
преобразователь частоты непосредственного типа
регулятор переменного напряжения
регулятор постоянного тока
В биполярном транзисторе с изолированным затвором …
включение и выключение осуществляется сигналом управления
включение осуществляется сигналом управления, а выключение – при спаде тока через прибор до нуля
включение осуществляется при спаде тока через прибор до нуля, а выключение – сигналом управления
включение и отключение осуществляется подачей и снятием положительного напряжения между затвором и истоком
Какая зависимость представлена на рисунке?
Зависимость времени задержки по выключению от тока нагрузки для МСТ
Зависимость энергии потерь от напряжения нагрузки для МСТ
Зависимость энергии потерь при включении GTO от тока нагрузки
Зависимость времени включения от тока нагрузки для МСТ
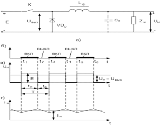
Что изображено на рисунке?
Обратноходовой однотактный преобразователь напряжения
Прямоходовой двухтактный преобразователь напряжения
Обратноходовой двухтактный преобразователь напряжения
Прямоходовой однотактный преобразователь напряжения
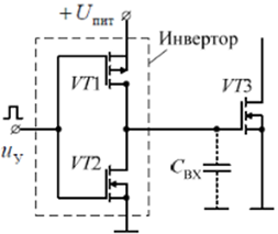
Схема формирователя импульсов управления какого полупроводникового прибора изображена на рисунке?
Биполярного транзистора
Полевого транзистора
МОП-транзистора
IGBT–транзистора
Устройство, функционально и конструктивно объединяющее элементы силовой и информационной электроники на основе высоких технологий их интеграции – это…
МИС
СИС
БИС
ИСИС
Вторичный пробой транзистора возникает…
вследствие лавинообразного нарастания температуры p-n-перехода
при высоком значении напряжения обратно смещенного перехода
обычно в области сравнительно высоких напряжений на коллекторе и связано с развитием так называемого «токового шнура»
при достижении током коллектора максимально допустимого значения
Укажите варианты ослабления емкостной связи.
(а) - экранирование канала передачи сигнала, (б) - применение витых проводников, (в) - дифференциальное усиление входного сигнала
(а) - дифференциальное усиление входного сигнала, (б) - экранирование канала передачи сигнала, (в) - применение витых проводников
(а) - экранирование канала передачи сигнала, (б) - дифференциальное усиление входного сигнала, (в) - применение витых проводников
(а) - применение витых проводников, (б) - экранирование канала передачи сигнала, (в) - дифференциальное усиление входного сигнала
На реальной вольтамперной характеристике силового диода значение URRM - это …
обратное напряжение внешнего источника
повторяющееся импульсное обратное напряжение
импульсное прямое напряжение
пороговое напряжение
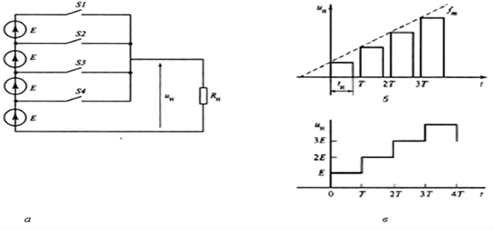
Что изображено на рисунке?
Система управления с релейной модуляцией
Система управления с АИМ
Система управления с ШИМ
Система управления с ЧИМ
На каком из рисунков изображена цепь формирования траектории переключения (ЦФТП) на включение активно-индуктивной нагрузки на основе стабилитрона?
На рисунке «а»
На рисунке «б»
На рисунке «в»
На рисунке «г»
Напряжение насыщения IGBT транзистора – это напряжение между выводами …
коллектор–эмиттер открытого транзистора
коллектор–эмиттер закрытого транзистора
затвор–эмиттер открытого транзистора
затвор-коллектор открытого транзистора
Что не относится к параметрам силовых диодов?
Повторяющееся импульсное обратное напряжение
Максимальный обратный ток
Время восстановления обратного сопротивления
Обратное сопротивление
Индуктивность силовых шин на силовой схеме – это индуктивность…
L1
L2
LL
L2 и LL
В оптоэлектронных УМ…
передача информационного сигнала заданной формы и мощности осуществляется за счет трансформатора
в качестве элемента гальванической развязки используется оптрон
должно быть минимальное значение индуктивности в цепи формирования импульсов управления
подключение к входной цепи рекомендуется осуществлять с применением витых пар и экранированных проводов
Регулировочная характеристика для однофазного регулятора напряжения - это зависимость…
выходного напряжения от угла сдвига фаз тиристора
входного напряжения от угла управления тиристором
выходного напряжения от угла управления тиристором
входного напряжения от угла сдвига фаз тиристора
При подключении к полупроводниковому диоду обратного напряжения напряженность потенциального барьера в ОПЗ…
уменьшается
не изменяется
увеличивается
вначале уменьшается, затем увеличивается
Что изображено на рисунке?
Изменение температуры кристалла IGBT при разных частотах выходного напряжения
Мгновенная и средняя мощность потерь в IGBT-ключе
Переходный процесс включения и выключения IGBT на индуктивную нагрузку
Выходное напряжение и ток IGBT-ключа
Передаточная вольтамперная характеристика СИТ-транзистора – это зависимость тока …
стока от напряжения затвор-исток
стока от напряжения стока
истока от напряжения затвор-исток
истока от напряжения стока
На рисунке показано схемное изображение…
биполярного транзистора
полевого транзистора
тиристора
диода
Семейство входных характеристик биполярного транзистора выражает зависимость…
выходного тока от выходного напряжения при постоянном входном токе
входного тока от входного напряжения при постоянном выходном напряжении
выходного тока от выходного напряжения при переменном входном токе
выходного тока от входного тока при постоянном выходном напряжении
Что изображено на рисунке?
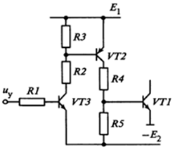
Функциональная схема усилителя мощности импульсов управления с оптоэлектронной развязкой
Структурная схема формирователя импульсов управления биполярного транзистора
Структурная схема формирователя импульсов управления IGBT–транзистора
Функциональная схема усилителя мощности импульсов управления с трансформаторной развязкой
Вывод, подсоединяемый к внешнему n-слою тиристора, называется…
анодом
катодом
базой
управляющим электродом
Какой участок на рисунке соответствует максимальному допустимому значению напряжения коллектор-эмиттер транзистора, превышение которого приводит к пробою структуры транзистора и выходу его из строя?
АВ
ВС
DЕ
СD
Тепловой пробой транзистора возникает…
вследствие лавинообразного нарастания температуры p-n-перехода
при высоком значении напряжения обратно смещенного перехода
обычно в области сравнительно высоких напряжений на коллекторе и связано с развитием так называемого «токового шнура»
при достижении током коллектора максимально допустимого значения
Что изображено на рисунке?
Переходный процесс выключения тиристора
Идеальная выходная статическая ВАХ тиристора
Реальная выходная статическая ВАХ тиристора
Диаграмма управления тиристором
Что изображено на рисунке?
Выходные характеристики биполярного транзистора
Входные характеристики биполярного транзистора
Статические характеристики биполярного транзистора
Динамические параметры биполярного транзистора
Семейство характеристик прямой передачи биполярного транзистора выражает зависимость… Т
выходного тока от выходного напряжения при постоянном входном токе
входного тока от входного напряжения при постоянном выходном напряжении
выходного тока от выходного напряжения при переменном входном токе
выходного тока от входного тока при постоянном выходном напряжении
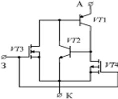
Из чего состоит КМОП-инвертор, представленный на рисунке?
Из n-канальных полевых транзисторов с управляющим p–n-переходом VT1 и VT2
Из полевых транзисторов VT1 с индуцированным p–каналом и VT2 с каналом n–типа
Из p-канальных полевых транзисторов с управляющим p–n-переходом VT1 и VT2
Из полевых транзисторов VT1 с встроенным n–каналом и VT2 с каналом p–типа
Вывод, подсоединяемый к внешнему n-слою тиристора, называется…
Анодом
катодом
базой управляющим
электродом
Какой способ уменьшения паразитной индуктивности применяется на токи нагрузки 150…300А?
Применение специальных проводников и конструкций монтажных соединений
Применение изолированного источника для каждого силового ключа
Силовой монтаж с применением многослойных проводящих шин на большие токи
Минимизация площадей соединительных контуров
IGBT-транзистор – это …
комбинация тиристора и биполярного транзистора
комбинация биполярного транзистора и диода
комбинация биполярного и полевого транзисторов
составной транзистор
Вывод, подсоединяемый к внешнему p-слою тиристора, называется…
анодом
катодом
базой управляющим
электродомПоказать/скрыть дополнительное описание
Силовая электроника УЧЕБНЫЕ МАТЕРИАЛЫ Тема 1. Силовые полупроводниковые диоды Тема 2. Силовые биполярные транзисторы Тема 3. Силовые полевые транзисторы Тема 4. Силовые приборы на основе многослойных p-n-переходов Тема 5. Силовые полупроводниковые комбинированные приборы Тема 6. Системы управления силовыми электронными аппаратами Тема 7. Формирователи импульсов управления Тема 8. Управление силовыми электронными ключами Тема 9. Методы и средства защиты силовых полупроводниковых ключей Тема 10. Применение мощных полупроводниковых ключей в силовых схемах Схему защиты тиристора при включении с применением насыщающегося дросселя применяют для… снижения анодного напряжения до уровня насыщения при относительно малом токе коллектора (10…40 А) избегания сброса или рассеяния энергии, накопленной в паразитных или специально введенных индуктивностях анодной цепи, при выключении тиристора ускорения процесса спада анодного тока при условии минимизации паразитной индуктивности защитной цепи разделения во времени процессов спада тока и нарастания напряжения, что существенно снижает мощность потерь при выключении, если учитывать большой остаточный ток ключа Что изображено на рисунке? Изменение температуры кристалла IGBT при разных частотах выходного напряжения Переходный процесс включения и выключения IGBT на индуктивную нагрузку Мгновенная и средняя мощность потерь в IGBT-ключе Выходное напряжение и ток IGBT-ключа Преобразование тока и напряжения какого электронного устройства изображено на рисунке? Преобразователя частоты непосредственного типа Зависимого инвертора Импульсного преобразователя постоянного напряжения Выпрямителя тока Система управления каким устройством изображена на рисунке? Регулятором-стабилизатором постоянного тока непрерывного действия Регулятором-стабилизатором напряжения с тиристорным переключением отпаек Регулятором-стабилизатором напряжения с компенсатором реактивной мощности Регулятором постоянного тока Что изображено на рисунке? Диаграмма управления тиристором Идеальная выходная статическая ВАХ тиристора Переходный процесс включения тиристора Реальная выходная статическая ВАХ тиристора При работе на какую нагрузку представлены временные диаграммы электромагнитных процессов однофазного регулятора переменного напряжения? На чисто активную На активно-емкостную На активно-индуктивную На чисто емкостную Индуктивность снаббера на силовой схеме – это индуктивность… L1 L2 LL L2 и LL На каком из рисунков изображена ЦФТП на включение активно-индуктивной нагрузки на основе обратного диода? На рисунке «а» На рисунке «б» На рисунке «в» На рисунке «г» ВАХ какого прибора изображена на рисунке? Симистора Фототиристора Оптотиристора Запираемого тиристора GTO Тиристора с полевым управлением МСТ Что изображено на рисунке? Переходные процессы в плече мостовой схемы при резком выключении демпферного диода Переходный процесс включения IGBT на индуктивную нагрузку с «мягким» режимом восстановления демпферного диода Переходные процессы включения и выключения IGBT на индуктивную нагрузку Переходные процессы включения и выключения IGBT на активно-индуктивную нагрузку Эквивалентная схема какого прибора изображена на рисунке? Интегрированного запираемого тиристора IGСT Тиристора с полевым управлением МСТ Запираемого тиристора GCT Запираемого тиристора GTO Максимально допустимый средний прямой ток, определяемый в однофазной однополупериодной схеме выпрямления при синусоидальном токе с частотой 50 Гц, угле проводимости 180º, допустимой температуре кристалла или корпуса и заданных условиях охлаждения – это...
допустимый ток управления ударный ток предельный ток ток удержания Преобразователи постоянного тока в переменный, в которых используются полностью управляемые ключи – это… выпрямители тока преобразователи частоты непосредственного типа автономные инверторы (инверторы с самокоммутацией) импульсные преобразователи постоянного напряжения Какие режимы работы возможны у схем трёхфазных регуляторов переменного напряжения? Режим с углами управления 0 ≤ α ≤ 60 эл. град. – в проводящем состоянии в определенные моменты времени будут находиться либо два, либо три тиристора Режим с углом управления α = 60 эл. град. – в проводящем состоянии в определенные моменты времени будет находиться один тиристор Режим с углами управления 60 ≤ α ≤ 90 эл.
град. – постоянно проводят два тиристора Режим с углом управления α = 90 эл. град. – в проводящем состоянии в определенные моменты времени будут находиться два тиристора Режим с углами управления 90 ≤ α ≤ 150 эл. град. – проводят либо два тиристора, либо все они закрыты Какие бывают усилители мощности в зависимости от применяемого силового ключа вентильного преобразователя? Тиристорные Трансформаторные Транзисторные Оптоэлектронные Каким образом проявляется влияние увеличения температуры структуры кристалла IGBT при выключении? Замедляется скорость нарастания напряжения на запираемом ключе Уменьшается амплитуда и длительность хвостовой части тока Увеличивается амплитуда и длительность хвостовой части тока Повышается скорость нарастания напряжения на запираемом ключе Что не относится к параметрам цепи управления тиристором? Динамические параметры тиристора Параметры силовой цепи по напряжению Параметры силовой цепи по току Допустимый ток управления Допустимое напряжение управления Что относится к динамическим параметрам силового полевого транзистора? Выходная емкость Крутизна передаточной характеристики Энергия потерь при выключении Максимальная мощность рассеяния на стоке Время спада тока стока Какие способы управления различают по виду сигнала, поступающего на управляющий электрод тиристора? Амплитудный Цифровой Фазовый Горизонтальный Асинхронный (дискретный) Импульсный Вертикальный Какие способы управления различают по способу изменения фазы управляющего сигнала тиристора? Амплитудный Цифровой Фазовый Горизонтальный Асинхронный (дискретный) Импульсный Вертикальный Определите на силовой схеме вариант к.з.
при повреждении ключа в сборке параллельных приборов. A B C D Максимальное напряжение, которое каждый период может прикладываться к тиристору – это… повторяющееся импульсное напряжение в обратном и прямом направлении рабочее напряжение импульсное напряжение в открытом состоянии при протекании предельного тока пороговое напряжение тиристора На рисунке изображены… выходные характеристики МОП-транзистора с встроенным каналом входные характеристики МОП-транзистора с встроенным каналом выходные характеристики МОП-транзистора с индуцированным каналом входные характеристики МОП-транзистора с индуцированным каналом На рисунке изображена структура… МОП-транзистора с индуцированным каналом р-типа МОП-транзистора с встроенным каналом n-типа полевого транзистора с управляющим p–n-переходом и каналом n-типа МОП-транзистора с индуцированным каналом n-типа В тиристорах с неполной управляемостью… включение и выключение осуществляется сигналом управления включение осуществляется сигналом управления, а выключение – при спаде тока через прибор до нуля включение осуществляется при спаде тока через прибор до нуля, а выключение – сигналом управления включение и выключение не управляется Какой способ уменьшения паразитной индуктивности применяется на токи нагрузки 200А? Применение специальных проводников и конструкций монтажных соединений Применение изолированного источника для каждого силового ключа Силовой монтаж с применением многослойных проводящих шин на большие токи Минимизация площадей соединительных контуров Диффузионный ток через p-n переход полупроводникового диода вызван… движением основных носителей заряда внешним источником напряжения движением неосновных носителей заряда движением как основных, так и неосновных носителей заряда Гальваническая развязка в драйверах силовых ключей чаще всего выполняется с применением… быстродействующих оптопар тиристорного типа с усилительными элементами на входе быстродействующих оптопар тиристорного типа с усилительными элементами на выходе быстродействующих оптопар диодного типа с усилительными элементами на выходе быстродействующих оптопар диодного типа с усилительными элементами на входе Какая система управления инвертором тока представлена на рисунке? Система с независимым возбуждением Система с комбинированным возбуждением Система с зависимым возбуждением Управляющая система (контроллер) Что представлено на рисунке? Применение изолированных источников питания драйверов для каждого ключа силовой схемы Разделение цепи драйверов и силовой шины применением общего изолированного источника для ключей катодной группы Силовая схема с гальванической связью между общей шиной и шиной драйверов Силовой монтаж входного фильтра и полумостового преобразователя Что изображено на рисунке? Переходные процессы в транзисторных ключах при активно-индуктивной нагрузке Статические параметры биполярного транзистора Переходные процессы в транзисторных ключах при активно-индуктивной нагрузке, шунтированной диодом На рисунке изображена… реальная ВАХ диода динамическая ВАХ диода ВАХ тиристора идеализированная ВАХ диода Какая система изображена на рисунке? Система по управлению Система по отклонению Система по регулированию Система по возмущению Управляемый выпрямитель на тиристорах, в котором в силовой части система управления поочерёдно подключает статорные обмотки к питающей сети – это… импульсный преобразователь постоянного напряжения преобразователь частоты непосредственного типа регулятор переменного напряжения регулятор постоянного тока В биполярном транзисторе с изолированным затвором … включение и выключение осуществляется сигналом управления включение осуществляется сигналом управления, а выключение – при спаде тока через прибор до нуля включение осуществляется при спаде тока через прибор до нуля, а выключение – сигналом управления включение и отключение осуществляется подачей и снятием положительного напряжения между затвором и истоком Какая зависимость представлена на рисунке? Зависимость времени задержки по выключению от ток....
Список вопросов

































Характеристики ответов (шпаргалок) к экзамену

МФПУ «Синергия»
Мediator


















