Для студентов МФПУ «Синергия» по предмету Силовая электроникаСиловая электроникаСиловая электроника
5,00510278
2025-11-032025-11-03СтудИзба
Ответы к экзамену: Силовая электроника
Новинка
-17%
Описание
Перед покупкой сверьте список вопросов и убедитесь, что вам нужны ответы именно на эти вопросы!
С вопросами и вы можете ознакомиться ДО покупки.
Для быстрого поиска вопроса используйте Ctrl+F.
С вопросами и вы можете ознакомиться ДО покупки.
Для быстрого поиска вопроса используйте Ctrl+F.
Список вопросов
IGBT-транзистор – это …
В биполярном транзисторе с изолированным затвором …
В каких системах управления частота генерации импульсов управления становится синхронной по отношению к частоте напряжения сети только в установившемся режиме при замкнутом контуре регулирования фазой импульса управления?
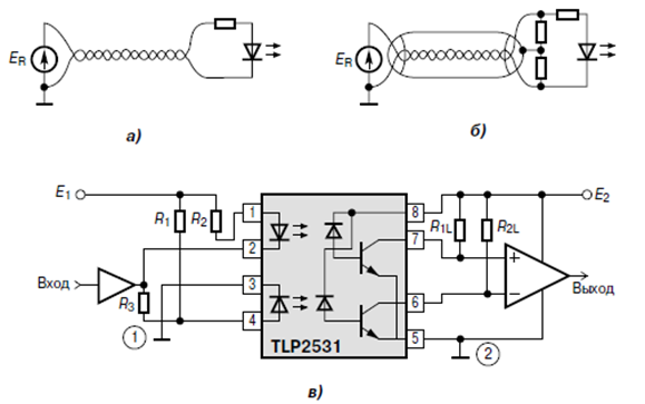
В оптоэлектронных УМ…
В полностью управляемых тиристорах …
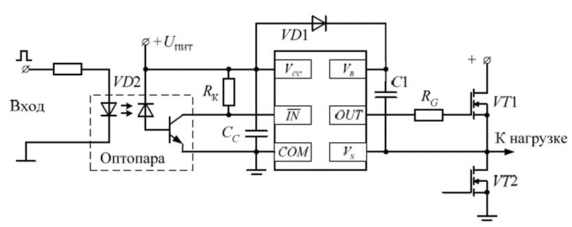
В типовой схеме включения драйвера конденсатор СС предназначен для…
В типовой схеме включения драйвера с оптоэлектронной потенциальной развязкой на входе резистор RК предназначен для…
В тиристорах с неполной управляемостью…
В УМ с трансформаторной развязкой…
ВАХ какого прибора изображена на рисунке?
Вторичный пробой транзистора возникает…
Вывод, подсоединяемый к внешнему n-слою тиристора, называется…
Вывод, подсоединяемый к внешнему p-слою тиристора, называется…
Выходной вольтамперной характеристикой полевого транзистора с управляющим p–n-переходом является зависимость…
Гальваническая развязка в драйверах силовых ключей чаще всего выполняется с применением…
Диффузионный ток через p-n переход полупроводникового диода вызван…
Зависимость напряжения насыщения от температуры p–n-переходов каких полупроводниковых приборов показана на рисунке?
Индуктивность снаббера на силовой схеме – это индуктивность…
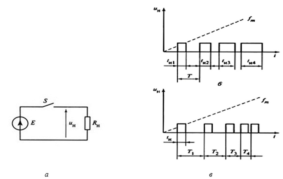
Какая зависимость представлена на рисунке?
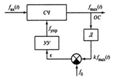
Какая система изображена на рисунке?
Какая система изображена на рисунке?
Какая система управления инвертором тока представлена на рисунке?
Какая характеристика изображена на рисунке?
Какие бывают усилители мощности в зависимости от применяемого силового ключа вентильного преобразователя?
Какие сигналы необходимо подать, чтобы включить тиристор?
Какие способы управления различают по виду сигнала, поступающего на управляющий электрод тиристора?
Какие способы управления различают по способу изменения фазы управляющего сигнала тиристора?
Какие существуют виды модуляции?
Каким образом проявляется влияние увеличения температуры структуры кристалла IGBT при выключении?
Какой вариант формирователя импульсов управления по типу потенциальной развязки изображен на рисунке?
Какой способ уменьшения паразитной индуктивности применяется на токи нагрузки 200А?
Какой способ уменьшения паразитной индуктивности применяется на токи нагрузки 150…300А?
Комплементарная пара или буферный усилитель - это …
Максимально допустимый средний прямой ток, определяемый в однофазной однополупериодной схеме выпрямления при синусоидальном токе с частотой 50 Гц, угле проводимости 180º, допустимой температуре кристалла или корпуса и заданных условиях охлаждения – это...
Максимальное напряжение, которое каждый период может прикладываться к тиристору – это…
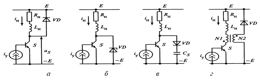
На каком из рисунков изображена цепь формирования траектории переключения (ЦФТП) на включение активно-индуктивной нагрузки на основе стабилитрона?
На каком из рисунков изображена ЦФТП на включение активно-индуктивной нагрузки на основе обратного диода?
На реальной вольтамперной характеристике силового диода значение URRM - это …
На рисунке изображена зависимость плотности…
На рисунке изображена структура…
На рисунке изображена…
На рисунке изображены…
На рисунке изображены…
На рисунке показано схемное изображение…
На схеме электронно-дырочного перехода под буквами «а», «б», «в» изображены соответственно…
Наименьший интервал времени от момента спада тока до нуля, до момента перехода анодного напряжения через нуль без включения тиристора – это время…
Напряжение насыщения IGBT транзистора – это напряжение между выводами …
Носитель положительного заряда полупроводника диода называется…
Перегрузочная характеристика силового ключа – это зависимость…
Передаточная вольтамперная характеристика СИТ-транзистора – это зависимость тока …
Полевой транзистор с управляющим переходом, который может работать как при обратном смещении затвора (режим полевого транзистора), так и при прямом смещении затвора (режим биполярного транзистора) – это…
Полностью управляемый полупроводниковый прибор, в основе которого трехслойная p–n-структура – это…
Полупроводниковый прибор, содержащий четыре слоя с разным типом проводимости, способный под действием управляющего сигнала переходить из закрытого в открытое состояние- это…
Полупроводниковым диодом называют полупроводниковый прибор с двумя выводами и одним …
Определите на силовой схеме вариант к.з. при повреждении ключа в сборке параллельных приборов.
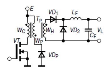
Преобразование тока и напряжения какого электронного устройства изображено на рисунке?
Преобразователи постоянного тока в переменный, в которых используются полностью управляемые ключи – это…
При подключении к полупроводниковому диоду обратного напряжения напряженность потенциального барьера в ОПЗ…
При работе на какую нагрузку представлены временные диаграммы электромагнитных процессов однофазного регулятора переменного напряжения?
Семейство входных характеристик биполярного транзистора выражает зависимость…
Семейство характеристик прямой передачи биполярного транзистора выражает зависимость…
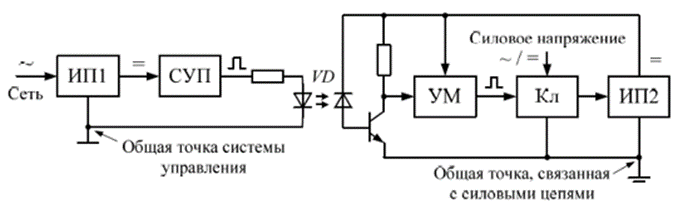
Система управления каким устройством изображена на рисунке?
СИТ-транзистор – это …
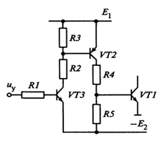
Структурная схема формирователя импульсов управления какого полупроводникового прибора изображена на рисунке?
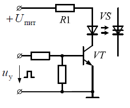
Схема включения управляющей цепи чего показана на рисунке?
Схему защиты тиристора при включении с применением насыщающегося дросселя применяют для…
Тепловой пробой транзистора возникает…
Укажите варианты ослабления емкостной связи.
Управляемый выпрямитель на тиристорах, в котором в силовой части система управления поочерёдно подключает статорные обмотки к питающей сети – это…
Усилительный и переключательный полупроводниковый прибор, ток в котором управляется электрическим полем и обусловлен дрейфовым движением основных носителей – это…
Устройство, функционально и конструктивно объединяющее элементы силовой и информационной электроники на основе высоких технологий их интеграции – это…
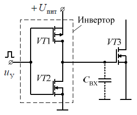
Что изображено на рисунке?
Что изображено на рисунке?
Что изображено на рисунке?
Что изображено на рисунке?
Что изображено на рисунке?
Характеристики ответов (шпаргалок) к экзамену
Тип
Коллекция: Ответы (шпаргалки) к экзамену
Предмет
Учебное заведение
Просмотров
0
Количество вопросов

❓ Как копировать вопросы во время теста в Синергии?























МФПУ «Синергия»
shalenysh

















