Для студентов МФПУ «Синергия» по предмету Электрические машиныЭлектрические машиныЭлектрические машины
5,0054
2025-06-082025-06-08СтудИзба
Ответы к экзамену: Электрические машины
Описание
Перед покупкой сверьте список вопросов и убедитесь, что вам нужны ответы именно на эти вопросы!
С вопросами вы можете ознакомиться ДО покупки.
Для быстрого поиска вопроса используйте Ctrl+F.
С вопросами вы можете ознакомиться ДО покупки.
Для быстрого поиска вопроса используйте Ctrl+F.
Список вопросов
Расположите в правильной последовательности обозначения векторов на диаграмме синхронного компенсатора в режиме генерации реактивной мощности, в порядке возрастания нумерации на рисунке.

Какое условное обозначение формы конструктивного исполнения электрической машины?

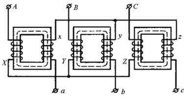
Тип соединения обмоток трехфазного трансформатора, согласно приведенному на рисунке шильдику – …

График, изображенный на рисунке, – …

Установите соответствие между векторными диаграммами и названиями.

A. 1
B. 2
C. 3
D. 4
E. векторная диаграмма магнитных потоков, токов и ЭДС синхронного генератора с явно выраженными полюсами при активно-индуктивной нагрузке
F. векторная диаграмма синхронного генератора с явнополюсным ротором при активно-индуктивной нагрузке
G. векторная диаграмма синхронного генератора с неявнополюсным ротором при активно-индуктивной нагрузке
H. векторная диаграмма магнитных потоков, токов и ЭДС синхронного генератора при активной нагрузке
Расположите в правильной последовательности названия элементов на схеме трансформатора с броневым магнитопроводом в порядке возрастания нумерации на рисунке.

Устройство, для которого обычно используют синхронные машины – …
Схема, приведенная на рисунке, – …

Расположите в правильной последовательности названия элементов статора асинхронного двигателя в порядке возрастания нумерации на рисунке.

Изображенная на рисунке схема – …

Расположите в правильной последовательности названия элементов на схеме включения трансформатора напряжения в порядке возрастания нумерации на рисунке.

Расположите в правильной последовательности названия внешних характеристик генераторов смешанного возбуждения в порядке возрастания нумерации на рисунке.

Определение фазового соотношения между различными электрическими сигналами или устройствами в электрической сети – …
МДС – …
Установите соответствие между названием схемы возбуждения генератора и рисунком.

A. 1
B. 2
C. 3
D. 4
E. независимое
F. параллельное
G. последовательное
H. смешанное
Схема, представленная на рисунке, – …

Расположите в правильной последовательности названия элементов неявнополюсного ротора синхронной машины в порядке возрастания нумерации на рисунке.

Расположите в правильной последовательности названия рабочих характеристик синхронного двигателя в порядке возрастания нумерации на рисунке.

Внешняя характеристика синхронного генератора, отмеченная на рисунке цифрой 3, – …

Формула ЭДС, которая индук¬тируется в проводящем контуре при вращении в стационарном магнитном поле – …

Формула для баланса мощностей в схеме, приведенной на рисунке, – …


Установите соответствие между векторными диаграммами и формулами.


A. 1
B. 2
C. 3
D. 4
E. в
F. г
G. а
H. б
Установите соответствие между степенью защиты обслуживающего персонала от соприкосновения с токоведущими и вращающимися частями электрических изделий и от попадания твердых тел внутрь корпуса и кодовым обозначением.
A. 0B. 1
C. 2
D. 3
E. 4, 5, 6
F. Нет защиты
G. Защищено от доступа к опасным частям тыльной стороной руки
H. Защищено от доступа к опасным частям пальцем
I. Защищено от доступа к опасным частям инструментом
J. Защищено от доступа к опасным частям проволокой
Естественная жесткая механическая характеристика двигателя с параллельным возбуждением – …

Схема, представленная на рисунке, – …

Расположите в правильной последовательности названия составных частей машины постоянного тока в порядке возрастания нумерации на рисунке.

Переменная, значения которой откладываются по оси абсцисс на приведенном ниже графике – …

Установите соответствие между степенью защиты обслуживающего персонала от соприкосновения с токоведущими и вращающимися частями электрических изделий и от попадания твердых тел внутрь корпуса и кодовым обозначением.
A. 0B. 1
C. 2
D. 3
E. 4
F. 5
G. 6
H. Нет защиты
I. Защищено от внешних твердых предметов диаметром больше или равным 50 мм
J. Защищено от внешних твердых предметов диаметром больше или равным 12,5 мм
K. Защищено от внешних твердых предметов диаметром больше или равным 2,5 мм
L. Защищено от внешних твердых предметов диаметром больше или равным 1,0 мм
M. Пылезащищено
N. Пыленепроницаемо
Тип соединения обмоток трехфазных трансформаторов, приведенный на рисунке, – …

Расположите в правильной последовательности пленочные электроизоляционные материалы в порядке возрастания нагревостойкости.
Расположите в правильной последовательности названия элементов на схеме трансформатора со стержневым магнитопроводом в порядке возрастания нумерации на рисунке.

U-образная характеристика – …
Установите соответствие между названием характеристики двигателя и рисунком.

B. 2
C. 3
D. 4
E. характеристика холостого хода генератора независимого возбуждения
F. внешняя характеристика генератора независимого возбуждения
G. регулировочная характеристика генератора независимого возбуждения
H. внешняя характеристика генератора с последовательным возбуждением
Установите соответствие между графиками и их названиями.

A. 1
B. 2
C. 3
D. 4
E. индукторная магнитная система с четырехполюсным цилиндрическим магнитом
F. ротор с когтеобразными полюсами, возбуждаемый постоянным магнитом
G. индукторная магнитная система со звездообразным магнитом без полюсных башмаков
H. индукторный разноименнополюсной генератор с магнитоэлектрическим возбуждением
Расположите в правильной последовательности мощности асинхронного двигателя в порядке уменьшения значений.
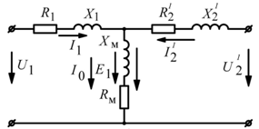
Как обозначен в схеме замещения приведенного трансформатора ток намагничивания?

График характеристики машины постоянного тока – …

Установите соответствие между графиками и их названиями.

A. 1
B. 2
C. 3
D. 4
E. угловая характеристика неявнополюсного синхронного генератора
F. характеристика короткого замыкания синхронного генератора
G. характеристика холостого хода синхронного генератора
H. U-образные характеристики синхронного генератора
Расположите в правильной последовательности названия видов потерь на энергетической диаграмме синхронного генератора в порядке возрастания нумерации на рисунке.

Элемент ротора синхронной машины, отмеченный цифрой 3 на рисунке, – …

Элемент на рисунке ротора с короткозамкнутой обмоткой отмеченный цифрой 1, – …

Установите соответствие между графиками и характеристиками асинхронной машины.

A. 1
B. 2
C. 3
D. 4
E. энергетическая диаграмма
F. рабочие характеристики
G. механическая характеристика
H. универсальная характеристика
Схема, представленная на рисунке, – …

Если в электрической машине устройство для нагнетания воздуха закрепляется на вал, что создает аэродинамический напор — ...
Воздействие магнитного потока якоря на магнитное поле машины постоянного тока – …
Характеристики, представленные на рисунке, – …

Устройство, представленное на рисунке – …

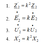
Установите соответствие между формулами и параметрами схемы замещения приведенного трансформатора.


A. 1
B. 2
C. 3
D. 4
E. комплексное сопротивление вторичной цепи, приведенное к первичной или приведенное сопротивление
F. комплексная ЭДС вторичной цепи, приведенная к первичной или приведенная ЭДС
G. комплексное напряжение вторичной цепи, приведенное к первичной или приведенное напряжение
H. индуктивное сопротивление вторичной обмотки, приведенное к первичной или приведенное индуктивное сопротивление обмотки
Установите соответствие между схемами соединения обмоток трансформатора и диаграммами векторов ЭДС.
A. 1B. 2
C. 3
D. 4
E. в
F. а
G. б
H. г
Установите соответствие между степенью защиты электротехнических изделий от проникновения воды.
A. 0B. 1
C. 2
D. 3
E. 4
F. 5
G. 6
H. 7
I. 8
J. 9
K. Нет защиты
L. Защищено от вертикально падающих капель воды
M. Защищено от вертикально падающих капель воды, когда оболочка отклонена на угол до 15°
N. Защищено от воды, падающей в виде дождя
O. Защищено от сплошного обрызгивания
P. Защищено от водяных струй
Q. Защищено от сильных водяных струй
R. Защищено от воздействия при временном (непродолжительном) погружении в воду
S. Защищено от воздействия при длительном погружении в воду
T. Защищено от горячих струй воды под высоким давлением
Трансформатор, имеющий две электрически связанные (последовательно соединенные) обмотки так, что одна из них становится частью второй – …
Схема, показанная на рисунке, – …

Расположите в правильной последовательности обозначения точек на механической характеристике асинхронного двигателя с короткозамкнутым ротором в порядке возрастания нумерации.

Воздействие магнитного потока якоря на магнитное поле синхронной машины – …
В нашей стране нормальные климатические условия — ...
Электротехническое устройство, предназначенное для преобразования электрической энергии переменного тока одного напряжения в электрическую энергию другого напряжения той же частоты – …
Электрические машины с частотой вращения 250 об/мин — ...
Электрические машины мощностью от 0,5 кВт до 10 кВт – …
Часть электромагнитного устройства, создающая рабочий магнитный поток - ...
Формула скольжения – …

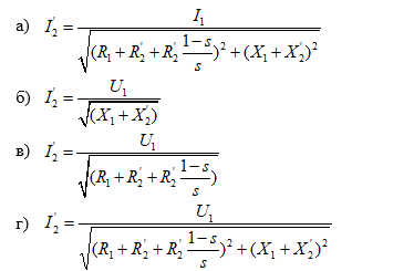
Формула для тока I2 в схеме замещения асинхронного двигателя – …


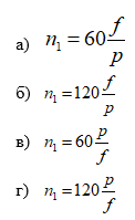
Формула для расчета частоты вращения магнитного поля статора n1 асинхронной машины – …

Физическая нейтраль – …
Установите соответствие.
A. УB. О
C. В
D. М
E. электрические машины, предназначенные для эксплуатации на суше, реках, озерах для районов с умеренным климатом
F. электрические машины, предназначенные для эксплуатации на суше, реках, озерах для всех макроклиматических районов на суше
G. электрические машины, предназначенные для всех макроклиматических районов на суше и на море
H. электрические машины, предназначенные для установки на морских судах для районов с умеренно холодным морским климатом
Установите соответствие между обозначением элементов трехфазного асинхронного двигателя с фазным ротором и их названиями.

A. 4
B. 5
C. 8
D. 11
E. сердечник статора с обмоткой
F. сердечник ротора
G. вал
H. контактные кольца
Установите соответствие между названием схемы и рисунком.

B. 2
C. 3
D. 4
E. схема двигателя постоянного тока с последовательным возбуждением
F. схема двигателя со смешанным возбуждением
G. схема двигателя постоянного тока с параллельным возбуждением
H. схема генератора постоянного тока с последовательным возбуждением
Условное обозначение климатического исполнения электрических машин, предназначенных для всех макроклиматических районов на суше - ...
Условие достижение максимального значения КПД трансформатора в зависимости от его загрузки – …
Торможение противовключением электродвигателя постоянного тока – …
Схема, приведенная на рисунке, – …

Схема включения синхронного генератора для снятия характеристики холостого хода – …

Степень отставания ротора асинхронной машины от вращающегося магнитного поля – …
Синхронный компенсатор – …
Расположите в правильной последовательности этапы образования вращающегося магнитного поля.

Расположите в правильной последовательности названия составных частей коллектора машины постоянного тока в порядке возрастания нумерации на рисунке.

Расположите в правильной последовательности названия рабочих характеристик двигателя с последовательным возбуждением в порядке возрастания нумерации на рисунке.

Расположите в правильной последовательности классы нагревостойкости электроизоляционных материалов в порядке возрастания температурного индекса.
Расположите в порядке возрастания названия элементов машины постоянного тока сконструированной З. Граммом и изготовленной фирмой «Альянс» в середине семидесятых годов ХIХ века.

1 коллектор
2 полюсный наконечник
3 электромагнит
4 якорь
5 станина
Приведенная на рисунке схема – …

Материал, обладающий ограниченными литейными свойствами и жидкотекучестью, который используется для заливки роторов асинхронных двигателей – …
Категория размещения электрических машин обозначается цифрой (от 1 до 5), следующей за буквенным обозначением климатического исполнения. Цифра, обозначающая машины, которые можно эксплуатировать на открытом воздухе — ...
Каплезащищенное исполнение машин – …
Какое условное обозначение формы конструктивного исполнения электрической машины?

Какая правильная векторная диаграмма для приведенной на рисунке схемы замещения?


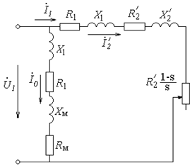
Как обозначен для представленной на рисунке схемы замещения приведенного трансформатора в режиме короткого замыкания уравнение для входного напряжения?

Единица измерения мощности трансформатора – …
Диапазон частот вращения гидрогенераторов – …
Геометрическая нейтраль – …
Вентильный двигатель – …
Векторная диаграмма, представленная на рисунке, – …

Асинхронная электрическая машина - ...
Характеристики ответов (шпаргалок) к экзамену
Тип
Коллекция: Ответы (шпаргалки) к экзамену
Предмет
Учебное заведение
Просмотров
59
Количество вопросов
