Ответ на вопрос по электрическим машинам №720721: Установите соответствие между названием схемы возбуждения генератора и рисунком. A. 1 B. 2 C. 3 D. 4 E. независимое F. параллельное G. последовательное H. смешанноеУстановите соответствие между названием - Ответ на вопрос по электрическим машинам №720721Установите соответствие между названием - Ответ на вопрос по электрическим машинам №720721
2025-06-082025-06-08СтудИзба
Установите соответствие между названием - Ответ на вопрос по электрическим машинам №720721
Вопрос
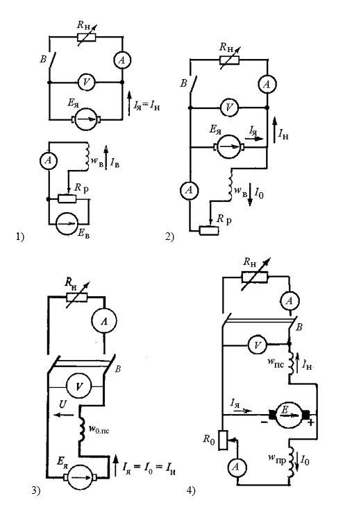
Установите соответствие между названием схемы возбуждения генератора и рисунком.

A. 1
B. 2
C. 3
D. 4
E. независимое
F. параллельное
G. последовательное
H. смешанное
Ответ
Этот вопрос в коллекциях
Коллекция: Электрические машины
350 руб.