Лабораторная: Проект РТК для дуговой сварки опоры
Лабораторная работа: Проект роботизированного комплекса для дуговой сварки опоры в CO2
Лабораторная работа№1
по дисциплине
Роботизированные комплексы и автоматические линии
Лабораторная работа №1
ИЗУЧЕНИЕ ПРОМЫЛЕННОГО СВАРОЧНОГО РОБОТА ПР601/60
Цель работы – изучить назначение и устройство промышленных сварочных роботов на примере ПР601/60.
1. Эскизирование общего вида робота ПР601/60 с указанием его состава.
2. Зарисовать и пронумеровать оси подвижности манипулятора робота.
3. Основные технические характеристики робота
4. Устройства системы уравновешивания манипулятора робота.
5. Система управления роботом ПР601/60
Практическая работа по дисциплине
Роботизированные комплексы и автоматические линии
Разработать техническое предложение по организации РТК с использованием операционного промышленного робота для дуговой сварки плавящимся электродом в среде углекислого газа.
Техническое предложение должно содержать:
Выбор варианта для выполнения практической работы назначается в соответствии с табл. 1, 2. Номер варианта соответствует первой букве фамилии и имени студента.
* - толщина S для всех элементов изделия одинакова;
** - диаметры технологических отверстий, предназначенных для сборки изделия под сварку
2.2. Наименование изделия: опора.
2.3. Материал изделия назначается в соответствии с табл. 2
2.4. Способ сварки: дуговая автоматическая сварка плавящимся электродом в среде углекислого газа в «лодочку» угловыми швами по внешним контурам «а-б-в-г» боковых стенок, а также по линиям «д-е» и «ж-з» торцов (рис. 2).
Рис. 2. Расположение сварных швов
Порядок выполнения практической работы №1
Выполненная и оформленная работа должна содержать: титульный лист формулировку задания, исходные данные, выполненный в масштабе чертеж опоры, сведения о выбранных марках материала изделия сварочной проволоки, защитного газа, рекомендуемый режим сварки, все необходимые вычисления, эскизы, рассуждения, обоснования принимаемых локальных решений, ссылки на литературные источники, список литературных источников.Показать/скрыть дополнительное описание
по дисциплине
Роботизированные комплексы и автоматические линии
Лабораторная работа №1
ИЗУЧЕНИЕ ПРОМЫЛЕННОГО СВАРОЧНОГО РОБОТА ПР601/60
Цель работы – изучить назначение и устройство промышленных сварочных роботов на примере ПР601/60.
1. Эскизирование общего вида робота ПР601/60 с указанием его состава.
2. Зарисовать и пронумеровать оси подвижности манипулятора робота.
3. Основные технические характеристики робота
4. Устройства системы уравновешивания манипулятора робота.
5. Система управления роботом ПР601/60
Практическая работа по дисциплине
Роботизированные комплексы и автоматические линии
Практическая работа №1
Формулировка задания
Разработать техническое предложение по организации РТК с использованием операционного промышленного робота для дуговой сварки плавящимся электродом в среде углекислого газа.
Техническое предложение должно содержать:
- описание сварного изделия (наименование изделия, чертеж в двух проекциях, материал, масса);
- марку материала изделия, сварочной проволоки, газа, режим сварки;
- определение минимального значения годовой партии, при котором применение операционного робота можно было бы считать эффективным;
- обоснование требуемой кинематики промышленного робота и вспомогательного оборудования;
- предложение по планировке РТК (один или два варианта);
- требования по технике безопасности к РТК.
Выбор варианта для выполнения практической работы назначается в соответствии с табл. 1, 2. Номер варианта соответствует первой букве фамилии и имени студента.
2. Исходные данные
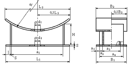
2.1. Эскиз изделия (рис. 1) и его размеры по вариантам (табл. 1).
Размеры изделия по вариантам, мм
| Первая буква фамилии | № вари-анта | S* | L1; L2 | l | Н | а1 | R | B1; B2 | а2; а5 | а3 | а4 | d1**, d2 |
| И,Ф | 9 | 4,0 | 800 | 40 | 250 | 712 | 1480 | 290 | 20 | 210 | 250 | 30 |
** - диаметры технологических отверстий, предназначенных для сборки изделия под сварку
2.2. Наименование изделия: опора.
2.3. Материал изделия назначается в соответствии с табл. 2
Таблица 2
Материал изделия (марка) для выполнения задания
| Первая буква имени | № варианта | Материал изделия |
| Ж,З,И | 3 | 10ХСНД |
2.4. Способ сварки: дуговая автоматическая сварка плавящимся электродом в среде углекислого газа в «лодочку» угловыми швами по внешним контурам «а-б-в-г» боковых стенок, а также по линиям «д-е» и «ж-з» торцов (рис. 2).
Рис. 2. Расположение сварных швов
Порядок выполнения практической работы №1
Выполненная и оформленная работа должна содержать: титульный лист формулировку задания, исходные данные, выполненный в масштабе чертеж опоры, сведения о выбранных марках материала изделия сварочной проволоки, защитного газа, рекомендуемый режим сварки, все необходимые вычисления, эскизы, рассуждения, обоснования принимаемых локальных решений, ссылки на литературные источники, список литературных источников.Показать/скрыть дополнительное описание
Лабораторная работа по организации РТК для дуговой сварки опоры покрывает чертёжные задания, подбор материалов (10ХСНД, AS SG3, CO2+30%O2), детализированные расчёты суммарной длины швов (4858 мм), массы (28,38 кг) и технологического времени. Подходит студентам технических направлений и инженерам-технологам для практического применения и адаптации под производственные условия..
Характеристики лабораторной работы
Предмет
Учебное заведение
Семестр
Просмотров
1
Размер
2,09 Mb
Список файлов
Роботизированные_комплексы_и_автоматические_линии_Лабораторная_6iNepMQ.docx
Роботизированные_комплексы_и_автоматические_линии_Практическое_n5nYVPd.docx
🎓 Никольский - Помощь студентам 📚 Любые виды работ: тесты, сессии под ключ, практики, курсовые и дипломные с гарантией результата ✅ Все услуги под ключ ✅ Знаем все тонкости именно вашего ВУЗа ✅ Сдадим или вернем деньги
Комментарии
Нет комментариев
Стань первым, кто что-нибудь напишет!
ПГУТИ
nikolskypomosh

















