Для студентов МГТУ им. Н.Э.Баумана по предмету Основы теории управления (ОТУ)Система управления положением антенны - Вариант 5Система управления положением антенны - Вариант 5
4,90550452
2021-05-29СтудИзба

НИР: Система управления положением антенны - Вариант 5 вариант 5

Описание

Цели работы 
Изучить варианты математического описания динамической системы  Исследовать устойчивость динамической системы, используя различные формы представления и критерии  Научиться оценивать качество динамической системы Описание системы Рассматривается система управления положением антенны большого диаметра (порядка 20 м). Область применения такой большой антенны, например, часть наземного сегмента системы спутниковой навигации. Кроме управляющего сигнала на такую антенну действует значительный возмущающий момент, обусловленный порывами ветра и геометрией. Структурная схема следящей системы управления антенной представлена на рисунке 2.
Задание к расчету
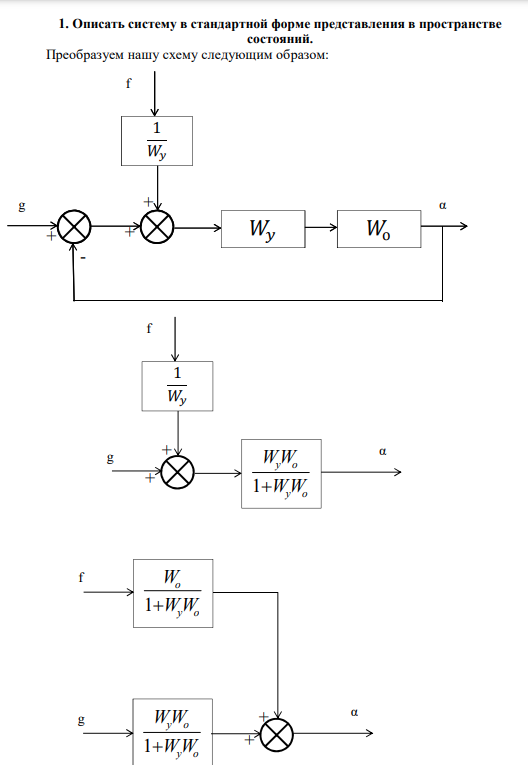
1. Описать систему в стандартной форме представления в пространстве состояний. 2. Оценить управляемость и наблюдаемость системы. 3. Найти переходные функции разомкнутой и замкнутой системы по управляющему и возмущающему сигналам. 4. Найти импульсные характеристики разомкнутой и замкнутой системы по управляющему и возмущающему сигналам. 5. Определить устойчивость замкнутой системы при заданных параметрах. 6. Определить предельно допустимое значение коэффициента передачи усилителя Ky , исходя из соображений устойчивости 7. Построить АФЧХ и ЛАФЧХ для разомкнутой и замкнутой систем. 8. Исследование точности:  На систему действует возмущение f t   10 1( ) . Найти, если это возможно, значение коэффициента передачи усилителя Ky , при котором установившаяся ошибка от возмущающего воздействия не будет превышать 0,1 рад. Полагаем, что g  0 , а f меняется скачком из-за сильных порывов ветра.  При тех же входных воздействиях определить установившуюся ошибку для разомкнутой системы.  Какой будет установившаяся ошибка при совместном воздействии управляющего и возмущающих воздействий при различных значения Ky . 9. Исследовать возможность обеспечить для замкнутой системы время переходного процесса t  1,5с и перерегулирование   30 % (изменением коэффициента передачи усилителя Ky ). Если заданные характеристики обеспечить невозможно, выбрать Ky , обеспечивающий близкие к требуемым характеристики переходного процесса. 10. Для замкнутой системы при коэффициенте передачи усилителя Ky , полученном в предыдущем пункте оценить:  установившуюся ошибку;  качество переходного процесса по расположению нулей и полюсов передаточной функции;  запасы устойчивости.

Характеристики НИР

Список файлов

Система управления положением антенны (Вариант 5).pdf
Обратите внимание, что данная работа уже сдавалась в МГТУ им. Н.Э.Баумана, а также её могли покупать другие студенты, поэтому её уникальность может быть нулевой. Для получения уникальной работы воспользуйтесь услугами.
Картинка-подпись
Друзья, спасибо за доверие! Если вам понравилась работа – поставьте 5⭐ и напишите отзыв. Это поможет другим студентам, а мне даст силы делать ещё больше качественных материалов для вас 🔥

Комментарии

Нет комментариев
Стань первым, кто что-нибудь напишет!
Поделитесь ссылкой:
Цена: 590 руб.
Расширенная гарантия +3 недели гарантии, +10% цены
Рейтинг автора
4,9 из 5
Поделитесь ссылкой:
Сопутствующие материалы

Подобрали для Вас услуги

-20%
Вы можете использовать НИР для примера, а также можете ссылаться на неё в своей работе. Авторство принадлежит автору работы, поэтому запрещено копировать текст из этой работы для любой публикации, в том числе в свою научно-исследовательскую работу в учебном заведении, без правильно оформленной ссылки. Читайте как правильно публиковать ссылки в своей работе.
Свежие статьи
Популярно сейчас
Почему делать на заказ в разы дороже, чем купить готовую учебную работу на СтудИзбе? Наши учебные работы продаются каждый год, тогда как большинство заказов выполняются с нуля. Найдите подходящий учебный материал на СтудИзбе!
Ответы на популярные вопросы
Да! Наши авторы собирают и выкладывают те работы, которые сдаются в Вашем учебном заведении ежегодно и уже проверены преподавателями.
Да! У нас любой человек может выложить любую учебную работу и зарабатывать на её продажах! Но каждый учебный материал публикуется только после тщательной проверки администрацией.
Вернём деньги! А если быть более точными, то автору даётся немного времени на исправление, а если не исправит или выйдет время, то вернём деньги в полном объёме!
Да! На равне с готовыми студенческими работами у нас продаются услуги. Цены на услуги видны сразу, то есть Вам нужно только указать параметры и сразу можно оплачивать.
Отзывы студентов
Ставлю 10/10
Все нравится, очень удобный сайт, помогает в учебе. Кроме этого, можно заработать самому, выставляя готовые учебные материалы на продажу здесь. Рейтинги и отзывы на преподавателей очень помогают сориентироваться в начале нового семестра. Спасибо за такую функцию. Ставлю максимальную оценку.
Лучшая платформа для успешной сдачи сессии
Познакомился со СтудИзбой благодаря своему другу, очень нравится интерфейс, количество доступных файлов, цена, в общем, все прекрасно. Даже сам продаю какие-то свои работы.
Студизба ван лав ❤
Очень офигенный сайт для студентов. Много полезных учебных материалов. Пользуюсь студизбой с октября 2021 года. Серьёзных нареканий нет. Хотелось бы, что бы ввели подписочную модель и сделали материалы дешевле 300 рублей в рамках подписки бесплатными.
Отличный сайт
Лично меня всё устраивает - и покупка, и продажа; и цены, и возможность предпросмотра куска файла, и обилие бесплатных файлов (в подборках по авторам, читай, ВУЗам и факультетам). Есть определённые баги, но всё решаемо, да и администраторы реагируют в течение суток.
Маленький отзыв о большом помощнике!
Студизба спасает в те моменты, когда сроки горят, а работ накопилось достаточно. Довольно удобный сайт с простой навигацией и огромным количеством материалов.
Студ. Изба как крупнейший сборник работ для студентов
Тут дофига бывает всего полезного. Печально, что бывают предметы по которым даже одного бесплатного решения нет, но это скорее вопрос к студентам. В остальном всё здорово.
Спасательный островок
Если уже не успеваешь разобраться или застрял на каком-то задание поможет тебе быстро и недорого решить твою проблему.
Всё и так отлично
Всё очень удобно. Особенно круто, что есть система бонусов и можно выводить остатки денег. Очень много качественных бесплатных файлов.
Отзыв о системе "Студизба"
Отличная платформа для распространения работ, востребованных студентами. Хорошо налаженная и качественная работа сайта, огромная база заданий и аудитория.
Отличный помощник
Отличный сайт с кучей полезных файлов, позволяющий найти много методичек / учебников / отзывов о вузах и преподователях.
Отлично помогает студентам в любой момент для решения трудных и незамедлительных задач
Хотелось бы больше конкретной информации о преподавателях. А так в принципе хороший сайт, всегда им пользуюсь и ни разу не было желания прекратить. Хороший сайт для помощи студентам, удобный и приятный интерфейс. Из недостатков можно выделить только отсутствия небольшого количества файлов.
Спасибо за шикарный сайт
Великолепный сайт на котором студент за не большие деньги может найти помощь с дз, проектами курсовыми, лабораторными, а также узнать отзывы на преподавателей и бесплатно скачать пособия.
Популярные преподаватели
Добавляйте материалы
и зарабатывайте!
Продажи идут автоматически
7006
Авторов
на СтудИзбе
261
Средний доход
с одного платного файла
Обучение Подробнее
{user_main_secret_data}