Для студентов НГТУ по предмету Основы теории цепей (ОТЦ)Отчет по ЛР №11 - Исследование линейного пассивного четырехполюсникаОтчет по ЛР №11 - Исследование линейного пассивного четырехполюсника
2021-08-232021-08-23СтудИзба
Лабораторная работа: Отчет по ЛР №11 - Исследование линейного пассивного четырехполюсника
Описание
Отчет по лабораторной работе № 11
Исследование линейного пассивного четырехполюсника
Цель работы: Познакомиться с методикой экспериментального определения первичных параметров ( в данном случае Z-параметров) линейного пассивного четырехполюсника.Задание:
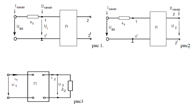
- Провести опыт холостого хода при прямой передаче сигнала, для чего собрать цепь по схеме рис. 1. установить напряжение генератора Uвх в пределах 2..3 В при частоте 1кГц.
- по осциллограммам определить амплитуды и фазы напряжений Uвх и U1 . обратить особое внимание на знак угла сдвига фаз между напряжениями Uвх и U1.
- По результатам эксперимента построить векторную диаграмму тока и напряжений.
- Переключить 2 канал осциллографа на выходные зажимы четырехполюсника рис 2. С помощью осциллограмм определить сдвиг по фазе напряжений Uвх и U2. Достроить предыдущую векторную диаграмму вектором U2.
- Вычислить передаточное комплексное сопротивление где
- Провести опыт холостого хода при обратной передаче сигнала. Выполнить необходимые измерения ( по аналогии с пунктами 1…5 ) и вычислить значения Z22 и Z12.
- Определить экспериментально входное сопротивление нагруженного четырехполюсника Z1, для чего, используя магазин сопротивлений, нагрузить четырехполюсник на Z2=Rн , указанное на пенале (рис 3), и повторить пп. 2,3.
- Рассмотреть реально выполненную внутри пенала цепь и вычертить в отчете ее схему, указав значения параметров ее элементов.
- Рассчитать параметры Z11, Z21, Z12, Z22 по известной схеме четырехполюсника.
- Вычислить входное сопротивление нагруженного четырехполюсника.

Характеристики лабораторной работы
Предмет
Учебное заведение
Семестр
Просмотров
30
Качество
Идеальное компьютерное
Размер
548,68 Kb
Список файлов
Отчет по ЛР №11 - Исследование линейного пассивного четырехполюсника
1
Маткад.mcd
2
Маткад.mcd
3
Маткад - 1.mcd
Маткад - 2.mcd

Вам все понравилось? Получите кэшбэк - 40 рублей на Ваш счёт при покупке. Поставьте оценку и напишите положительный комментарий к купленному файлу. После Вы получите деньги на ваш счет.