Отчет по ЛР №11 - Исследование линейного пассивного четырехполюсника (1267059)
Текст из файла
Министерство образования и науки Российской Федерации
Новосибирский Государственный Технический Университет
Отчет к лабораторной работе № 11
по ОТЦ
«Исследование линейного пассивного четырехполюсника»
Выполнил: Проверил:
Факультет: РЭФ
Группа: РКС10-32
Студенты: Тищенко С. А.
Малахов Д. А.
Коллегов А. А.
Преподаватель: Давыденко О. Б.
Дата: << 28 >> февраль 2005г.
Новосибирск 2005
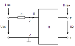
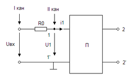
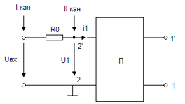
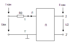
Цель работы: Познакомится с методикой экспериментального определения первичных параметров (в данном случае Z-параметров) линейного пассивного четырёхполюсника.
Рабочие формулы:
1)Провести опыт холостого хода при прямой передачи сигнала.
Векторная диаграмма
В первом опыте мы наблюдаем резонанс тока и напряжения
U01=0,45 V
U
02=1,52 V
2)Провести опыт холостого при обратной передачи сигнала.
U1=2.8 V U2=2.8 V
Векторная диаграмма
Из диаграммы видно что U1 отстает от Uвх и U2 опережает Uвх (Это видно из схемы)
U01=2.43 V
U02=2.05 V
3)Определить экспериментально входное сопротивление
Uвх=3.6 V
U1=0.015 V
Векторная диаграмма
Z12=293.14-183.18j
4)Рассчитать Z-параметры по известной схеме четырёхполюстника.
R
1=844 Om
R2=1.6 kOm
C1=C2=C3=0.22 mkF
Z11=631.25-15.21j Z12=376.34-152.19j
Z21=620.18+77.4j Z22=634.79-64.64j
Вывод: Входе данной работы мы определили Z-параметры пассивного четырёхполюстника
расчетным и практическим путём. Мы видим, что Z-параметры немного различны так как
снимались значения на приборах отличные от теоретических .
Выбор марки радиочастотного кабеля.
При выборе марки радиочастотного кабеля необходимо соблюсти два условия:
1) Волновое сопротивление кабеля Rс должно быть согласовано с
внутренним сопротивлением генератора Rг:
2) Выбранный кабель на частоте fг = 1450 МГц должен пропускать заданное
значение мощности генератора:
Вт
Найдем значение коэффициента отражения по напряжению:
Модуль коэффициента отражения
, аргумент
рад
Коэффициент стоячей волны напряжения (КВСн):
Рк0 – предельно допустимая мощность в согласованном режиме
Рк – величина предельно допустимой передаваемой мощности в несогласованной нагрузке должна удовлетворять следующему неравенству:
Для данных параметров подходит кабель радиочастотный марки
РК 50 – 3 – 11 ГОСТ 11326.2 – 79
Характеристики
Тип файла документ
Документы такого типа открываются такими программами, как Microsoft Office Word на компьютерах Windows, Apple Pages на компьютерах Mac, Open Office - бесплатная альтернатива на различных платформах, в том числе Linux. Наиболее простым и современным решением будут Google документы, так как открываются онлайн без скачивания прямо в браузере на любой платформе. Существуют российские качественные аналоги, например от Яндекса.
Будьте внимательны на мобильных устройствах, так как там используются упрощённый функционал даже в официальном приложении от Microsoft, поэтому для просмотра скачивайте PDF-версию. А если нужно редактировать файл, то используйте оригинальный файл.
Файлы такого типа обычно разбиты на страницы, а текст может быть форматированным (жирный, курсив, выбор шрифта, таблицы и т.п.), а также в него можно добавлять изображения. Формат идеально подходит для рефератов, докладов и РПЗ курсовых проектов, которые необходимо распечатать. Кстати перед печатью также сохраняйте файл в PDF, так как принтер может начудить со шрифтами.
















