Отчет по ЛР №11 - Исследование линейного пассивного четырехполюсника (1267058)
Текст из файла
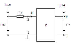
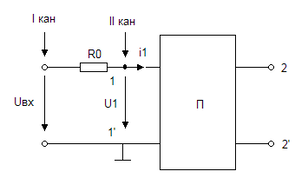
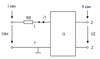
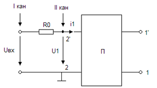
Цель работы: Познакомится с методикой экспериментального определения первичных параметров (в данном случае Z-параметров) линейного пассивного четырёхполюсника.
Рабочие формулы:
1)
2)
3)
4)
5)
Векторная диаграмма:
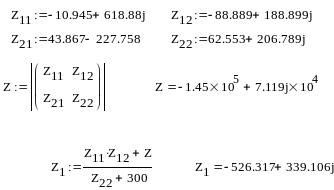
Полученные практическим путем Z – параметры:
Рассчитать Z-параметры по известной схеме четырехполюсника.
Z11=-10 + j610 Z12= -85 + j175
Z21=50 – j230 Z22=60 + j195
Вывод: В ходе данной работы мы определили Z-параметры пассивного четырехполюсника
расчетным и практическим путём. Отклонение полученных на практике значений от теоретических в пределах нормы и объясняется погрешностью измерений.
Характеристики
Тип файла документ
Документы такого типа открываются такими программами, как Microsoft Office Word на компьютерах Windows, Apple Pages на компьютерах Mac, Open Office - бесплатная альтернатива на различных платформах, в том числе Linux. Наиболее простым и современным решением будут Google документы, так как открываются онлайн без скачивания прямо в браузере на любой платформе. Существуют российские качественные аналоги, например от Яндекса.
Будьте внимательны на мобильных устройствах, так как там используются упрощённый функционал даже в официальном приложении от Microsoft, поэтому для просмотра скачивайте PDF-версию. А если нужно редактировать файл, то используйте оригинальный файл.
Файлы такого типа обычно разбиты на страницы, а текст может быть форматированным (жирный, курсив, выбор шрифта, таблицы и т.п.), а также в него можно добавлять изображения. Формат идеально подходит для рефератов, докладов и РПЗ курсовых проектов, которые необходимо распечатать. Кстати перед печатью также сохраняйте файл в PDF, так как принтер может начудить со шрифтами.
















