Отчет по ЛР №11 - Исследование линейного пассивного четырехполюсника (1267057)
Текст из файла
Министерство Образования и науки Российской Федерации
Новосибирский Государственный Технический Университет
Кафедра Общей электротехники
Лаборатория №534
Отчет по лабораторной работе № 11
По ОТЦ
Исследование линейного пассивного четырехполюсника
Факультет: РЭФ
Группа: РТ5-32
Студенты: Лебедев А. В. , Авилов Е.В. , Суровцев А.В.
Преподаватель: Афанасьев В.В.
Оценка о защите:
Новосибирск 2005г.
Цель работы: Познакомиться с методикой экспериментального определения первичных параметров ( в данном случае Z-параметров) линейного пассивного четырехполюсника.
Задание:
-
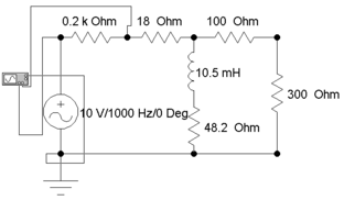
Провести опыт холостого хода при прямой передаче сигнала, для чего собрать цепь по схеме рис. 1. установить напряжение генератора Uвх в пределах 2..3 В при частоте 1кГц.
-
по осциллограммам определить амплитуды и фазы напряжений Uвх и U1 . обратить особое внимание на знак угла сдвига фаз
между напряжениями Uвх и U1. -
По результатам эксперимента построить векторную диаграмму тока и напряжений.
-
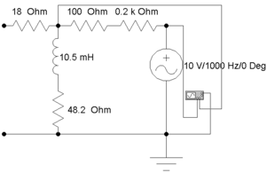
Переключить 2 канал осциллографа на выходные зажимы четырехполюсника рис 2. С помощью осциллограмм определить сдвиг по фазе напряжений Uвх и U2. Достроить предыдущую векторную диаграмму вектором U2.
-
Провести опыт холостого хода при обратной передаче сигнала. Выполнить необходимые измерения ( по аналогии с пунктами 1…5 ) и вычислить значения Z22 и Z12.
-
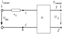
Определить экспериментально входное сопротивление нагруженного четырехполюсника Z1, для чего, используя магазин сопротивлений, нагрузить четырехполюсник на Z2=Rн , указанное на пенале (рис 3), и повторить пп. 2,3.
-
Рассмотреть реально выполненную внутри пенала цепь и вычертить в отчете ее схему, указав значения параметров ее элементов.
-
Рассчитать параметры Z11, Z21, Z12, Z22 по известной схеме четырехполюсника.
-
Вычислить входное сопротивление нагруженного четырехполюсника.
Контрольные вопросы:
-
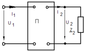
Четырехполюсник – это часть цепи, которая характеризуется обобщенными параметрами, необходимыми и достаточными для составления уравнений связи между токами и потенциалами на ее зажимах.
-
Y- форма:
Z-форма:
H-форма:
F- форма:
B-форма:
-
1. Составление уравнений по законам Кирхгофа
2. по значениям напряжения и тока в режимах ХХ и КЗ
3. Разбивкой сложного четырёхполюсника на более простые полки, параметры которых известны.
4. Эквивалентными преобразованиями .
4)
При разомкнутых вторичных зажимах:
При коротком замыкании вторичных зажимах:
5)Значение первичных параметров четырехполюсников определяются разжимным сочетанием трёх постоянных величин:
и
7) П – образная схема замещения рис.1 Т- образная схема замещения рис.2
Характеристики
Тип файла документ
Документы такого типа открываются такими программами, как Microsoft Office Word на компьютерах Windows, Apple Pages на компьютерах Mac, Open Office - бесплатная альтернатива на различных платформах, в том числе Linux. Наиболее простым и современным решением будут Google документы, так как открываются онлайн без скачивания прямо в браузере на любой платформе. Существуют российские качественные аналоги, например от Яндекса.
Будьте внимательны на мобильных устройствах, так как там используются упрощённый функционал даже в официальном приложении от Microsoft, поэтому для просмотра скачивайте PDF-версию. А если нужно редактировать файл, то используйте оригинальный файл.
Файлы такого типа обычно разбиты на страницы, а текст может быть форматированным (жирный, курсив, выбор шрифта, таблицы и т.п.), а также в него можно добавлять изображения. Формат идеально подходит для рефератов, докладов и РПЗ курсовых проектов, которые необходимо распечатать. Кстати перед печатью также сохраняйте файл в PDF, так как принтер может начудить со шрифтами.
















