Курсовая работа: Разработка регулируемого электропривода постоянного тока и нерегулируемого электропривода переменного тока
Описание
ЗАДАНИЕ НА КУРСОВУЮ РАБОТУ
Вариант №17.
Задание включает разработку регулируемого электропривода постоянного тока и нерегулируемого электропривода переменного тока.
В соответствии с вариантом задания разработать электропривод постоянного тока для производственного механизма с двигателем постоянного тока, регулируе- мым изменением магнитного потока. Требуется:
- Привести механические характеристики (момент инерции J, момент сопротивления Мс.м.) к валу двигателя.
- Выбрать двигатель по мощности.
- Для выбранного двигателя построить электромеханические характеристики:
- a) естественную
- b) искусственные при реостатном пуске на скорость, соответствующую
ωп.м.min, и рассчитать сопротивления ступеней пускового резистора.
- Рассчитать переходные процессы:
- при реостатном пуске на скорость ωп.м.min
- при регулировании скорости до ωп.м.max ослаблением магнитного потока;
- при регулировании скорости до ωп.м.min увеличением магнитного потока;
- d) при динамическом торможении.
- Построить нагрузочную диаграмму и проверить двигатель по потерям на нагрев согласно заданному циклу работы.
- Составить принципиальную электрическую схему управления двигателем. В соответствии с вариантом задания разработать нерегулируемый электро- привод с асинхронным короткозамкнутым двигателем; построить нагрузочную диаграмму производственного механизма; произвести предварительный выбор двигателя по мощности (при необходимости выбрать маховик); построить нагрузочные диаграммы электропривода; проверить выбранный электродвигатель по перегрузочной способности и потерям на нагрев в роторе; составить
принципиальную электрическую схему управления двигателем.
ОГЛАВЛЕНИЕ
Список использованных источников................................................................................... 26ВВЕДЕНИЕ
В работе будет разработан электропривод постоянного тока для производственного механизма с двигателем постоянного тока, регулируемым изменением магнитного потока.
Также в данной работе будет разработан нерегулируемый электропривод с асинхронным короткозамкнутым двигателем для холодильного поршневого компрессора. В ходе выполнения работы необходимо будет построить нагрузочную диаграмму производственного механизма, произвести предварительный выбор двигателя по мощности (при необходимости выбрать маховик), построить нагрузочные диаграммы электропривода, проверить выбранный электродвигатель по перегрузочной способности и потерям на нагрев в роторе.
Основным и наиболее ответственным компонентом любой холодильной установки, от бытового холодильника до промышленной машины, является компрессор. Он служит для создания разности давлений и обеспечения основных процессов в системе. Холодильный компрессор всасывает хладагент в виде пара с низким давлением и температурой, сжимает его и нагнетает с высоким давлением и температурой в конденсатор.
Наибольшее распространение в холодильной технике получили поршнeвые компрессоры. Принцип их работы основан на возвратно-поступательном движении поршня в цилиндре.
РЕГУЛИРУЕМЫЙ ЭЛЕКТРОПРИВОД ПОСТОЯННОГО ТОКА
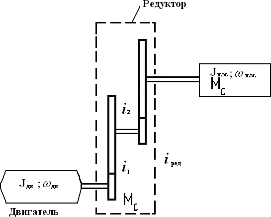
Необходимо в соответствии с вариантом задания (таблица 1.1) разработать электропривод постоянного тока для производственного механизма с двигателем постоянного тока, регулируемым изменением магнитного потока.
Таблица 1.1 – Исходные данные
Вариант | ωп.м.min с-1 | ωп.м.max с-1 | Мс.м, Н∙м | iред | Jп.м. кг∙м2 |
17 | 12,35 | 39,30 | 376 | 5,6 | 56 |
Цикл работы производственного механизма включает: пуск на минимальную угловую скорость ωп.м.min, работу на этой скорости в течение 3 мин., регулирование скорости от ωп.м.min до ωп.м.max, работу механизма на скорости ωп.м.max в течение 5 мин., регулирование скорости до ωп.м.min, работу на этой скорости в течение 3 мин., торможение, паузу (1 мин). Затем цикл повторяется.
Кинематическая схема механизма приведена на рисунке 1.1.

Рисунок 1.1 - Кинематическая схема механизма
САФУ им. Ломоносова
all_at_700















