Для студентов ОмГТУ по предмету Электротехника (ЭлТех)Расчет линейных электрических цепей с синусоидальным источником ЭДС с использованием символического методаРасчет линейных электрических цепей с синусоидальным источником ЭДС с использованием символического метода
5,0053238
2023-12-142023-12-14СтудИзба
ДЗ: Расчет линейных электрических цепей с синусоидальным источником ЭДС с использованием символического метода вариант 1
Описание
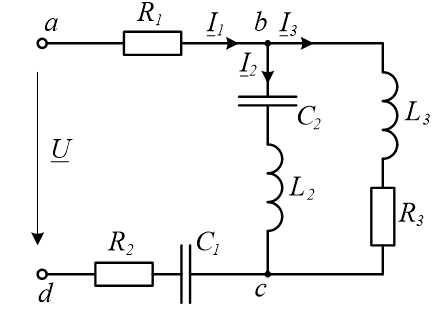
В электрической цепи (рис. 1), содержащей один источник электрической энергии напряжением , выполнить следующие действия:
![]()
- Определить комплексное входное сопротивление цепи.
- Найти действующие и мгновенные значения токов во всех ветвях схемы.
- Рассчитать действующие значения падений напряжений на всех элементах цепи.
- Составить баланс мощностей.
- Провести проверку расчетов по I и II законам Кирхгофа.
- Построить топографическую векторную диаграмму токов и напряжений.


Характеристики домашнего задания
Предмет
Учебное заведение
Вариант
Просмотров
1
Качество
Идеальное компьютерное
Размер
614 Kb
Список файлов
Simvol_metod_rasch_DZ.doc

Если нужен другой вариант работы или отдельная задача из любой работы, пишите в комментарии