Для студентов МГТУ им. Н.Э.Баумана по предмету Дипломы и ВКРКомпрессорная станция для подачи попутного нефтяного газа в установку газлифтаКомпрессорная станция для подачи попутного нефтяного газа в установку газлифта
4,905465522
2021-03-182024-09-08СтудИзба
ВКР: Компрессорная станция для подачи попутного нефтяного газа в установку газлифта
-67%
Описание
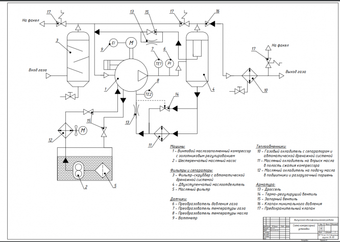
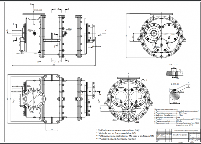
Выполнена выпускная квалификационная работа бакалавра в рамках которой спроектирован винтовой маслозаполненный компрессор с золотниковым регулированием для сжатия ПНГ.
![]()



Характеристики ВКР
Предмет
Учебное заведение
Просмотров
41
Размер
1,04 Mb
Список файлов
Компрессорная станция для подачи попутного нефтяного газа в установку газлифта
Capture.PNG
Лист 1.PNG
Лист 1.pdf
Лист 2.PNG
Лист 2.pdf
Лист 3.pdf
Лист 4.pdf
Лист 5.pdf
Лист 6.pdf

Друзья, спасибо за доверие! Если вам понравилась работа – поставьте 5⭐ и напишите отзыв. Это поможет другим студентам, а мне даст силы делать ещё больше качественных материалов для вас 🔥
Комментарии

Здравствуйте! Здесь только чертежи

Здравствуйте, а рпз к данной работе нет? Здесь только чертежи?