Для студентов МГТУ им. Н.Э.Баумана по предмету Детали машин (ДМ)ДМ 547 - Привод ленточного транспортёра и Мотор-редуктор волновойДМ 547 - Привод ленточного транспортёра и Мотор-редуктор волновой
5,0052
2021-03-222024-09-03СтудИзба
Курсовая работа ДМ: ДМ 547 - Привод ленточного транспортёра и Мотор-редуктор волновой вариант 547
-64%
Описание
Введение.
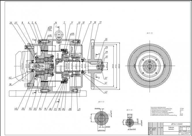
Основное применение имеют зубчатые волновые передачи с механическими генераторами волн и цилиндрическими колесами. В волновой механической передаче преобразование вращательного движения происходит вследствие упругого волнового деформирования одного из звеньев механизма
Передача состоит из трех кинематических звеньев (рис. 10.1, а-в): гибкого колеса g, жесткого колеса b и генератора волн h. Гибкое колесо g выполняют в виде тонкостенного цилиндра, на кольцевом утолщении которого нарезаны наружные зубья. Гибкий тонкостенный цилиндр выполняет роль упругой связи между деформируемым кольцевым утолщением и жестким недеформируемым элементом передачи, которым может быть выходной вал (рис. 10.1, а) или корпус (рис. 10.1, б, в). Жесткое колесо b обычное зубчатое колесо с внутренними зубьями. Генератор h волн деформации представляет собой водило (например, с двумя роликами), вставленное в гибкое колесо. При этом гибкое колесо, деформируясь в форме эллипса, образует по большой оси две зоны зацепления (рис. 10.1, б). Генератор в большинстве случаев является ведущим элементом передачи, соединенным с входным валом. Вращение генератора с угловой скоростьюℎ, вызывает вращение гибкого колеса с угловой скоростью3 (рис. 10.1,a) или жесткого колеса с (рис. 10.1, б, в). Передаточное отношение u волновой передачи при:
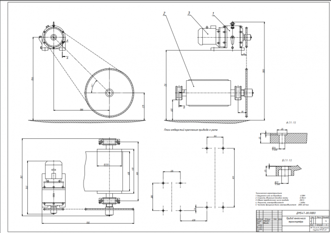
Составные части привода:
1. Мотор-редуктор волновой
2. Цепная передача
3. Приводной вал с барабаном
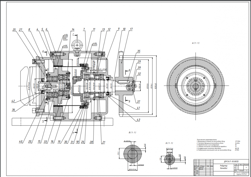
Основное применение имеют зубчатые волновые передачи с механическими генераторами волн и цилиндрическими колесами. В волновой механической передаче преобразование вращательного движения происходит вследствие упругого волнового деформирования одного из звеньев механизма
Передача состоит из трех кинематических звеньев (рис. 10.1, а-в): гибкого колеса g, жесткого колеса b и генератора волн h. Гибкое колесо g выполняют в виде тонкостенного цилиндра, на кольцевом утолщении которого нарезаны наружные зубья. Гибкий тонкостенный цилиндр выполняет роль упругой связи между деформируемым кольцевым утолщением и жестким недеформируемым элементом передачи, которым может быть выходной вал (рис. 10.1, а) или корпус (рис. 10.1, б, в). Жесткое колесо b обычное зубчатое колесо с внутренними зубьями. Генератор h волн деформации представляет собой водило (например, с двумя роликами), вставленное в гибкое колесо. При этом гибкое колесо, деформируясь в форме эллипса, образует по большой оси две зоны зацепления (рис. 10.1, б). Генератор в большинстве случаев является ведущим элементом передачи, соединенным с входным валом. Вращение генератора с угловой скоростьюℎ, вызывает вращение гибкого колеса с угловой скоростью3 (рис. 10.1,a) или жесткого колеса с (рис. 10.1, б, в). Передаточное отношение u волновой передачи при:
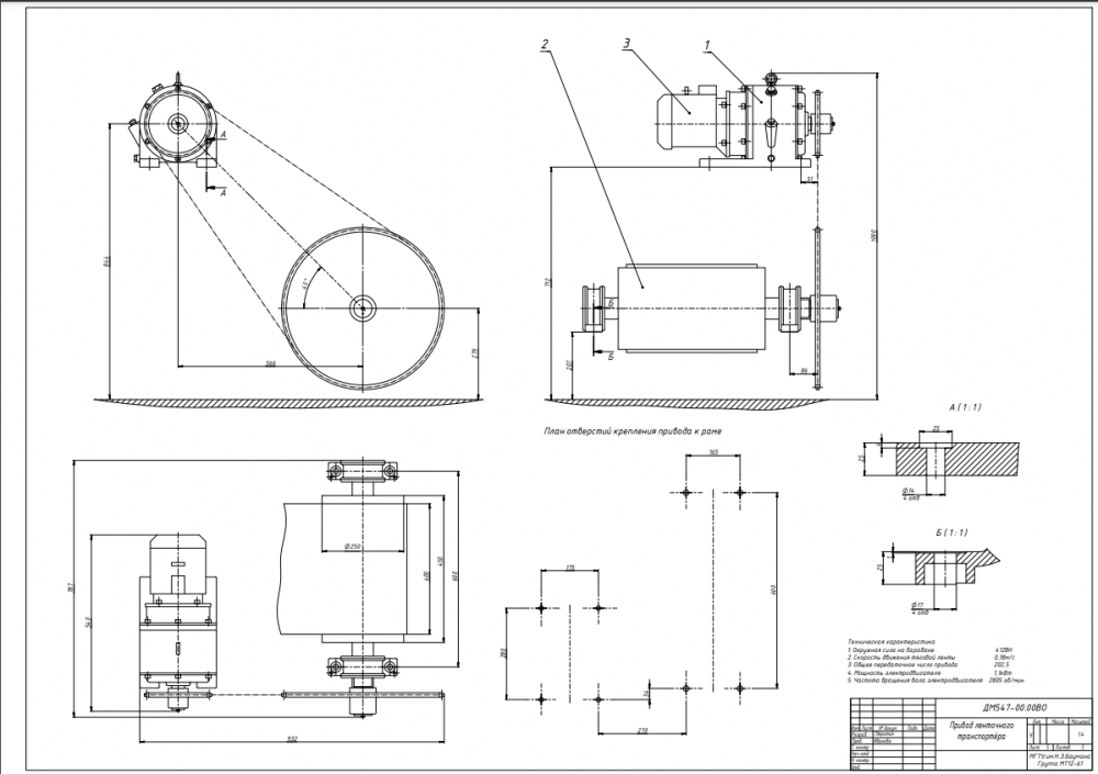
Составные части привода:
1. Мотор-редуктор волновой
2. Цепная передача
3. Приводной вал с барабаном






Характеристики курсовой работы
Предмет
Учебное заведение
Семестр
Номер задания
Вариант
Просмотров
198
Размер
1,88 Mb
Список файлов
ДМ547
Capture.PNG
Записка.pdf
Лист 1.dwg
Лист 1.pdf
Лист 2.dwg
Лист 2.pdf
Лист 3.dwg
Лист 3.pdf
Лист 4.dwg
Лист 4.pdf
Лист 5.dwg
Лист 5.pdf

Друзья, спасибо за доверие! Если вам понравилась работа – поставьте 5⭐ и напишите отзыв. Это поможет другим студентам, а мне даст силы делать ещё больше качественных материалов для вас 🔥