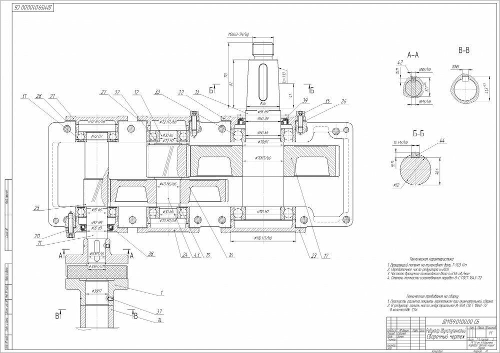
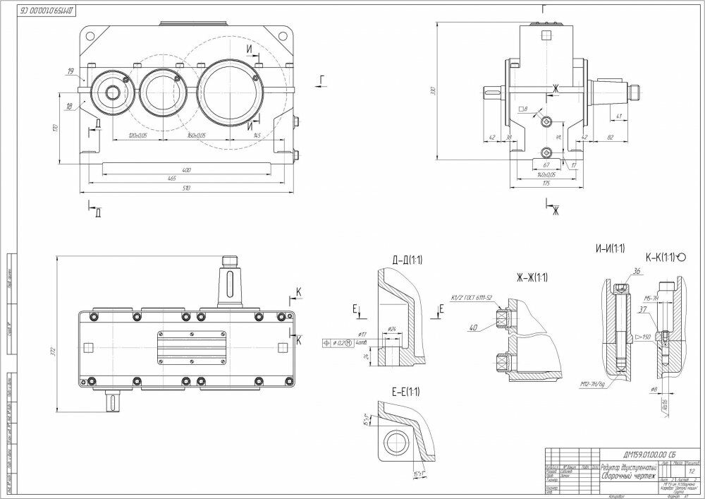
Для студентов МГТУ им. Н.Э.Баумана по предмету Детали машин (ДМ)ДМ №159 - Привод цепного конвейера, состаящего из двухступенчатого косозубого редуктора с внешним зацеплениемДМ №159 - Привод цепного конвейера, состаящего из двухступенчатого косозубого редуктора с внешним зацеплением
2021-03-092021-03-09СтудИзба
Курсовая работа ДМ: ДМ №159 - Привод цепного конвейера, состаящего из двухступенчатого косозубого редуктора с внешним зацеплением
Описание
Характеристики курсовой работы
Предмет
Учебное заведение
Семестр
Номер задания
Вариант
Просмотров
359
Размер
2,46 Mb
Список файлов

Друзья, спасибо за доверие! Если вам понравилась работа – поставьте 5⭐ и напишите отзыв. Это поможет другим студентам, а мне даст силы делать ещё больше качественных материалов для вас 🔥