Привод ленточного транспортера с цепной передачей и одноступенчатым цилиндрическим редуктором с косозубой передачей ВНУТРЕННЕГО зацепления (3D модели, чертежи, спецификации, РПЗ)
Описание
Введение
В рамках данного курсового проекта, необходимо спроектировать привод ленточного транспортера с цепной передачей и одноступенчатым цилиндрическим редуктором с косозубой передачей внутреннего зацепления.
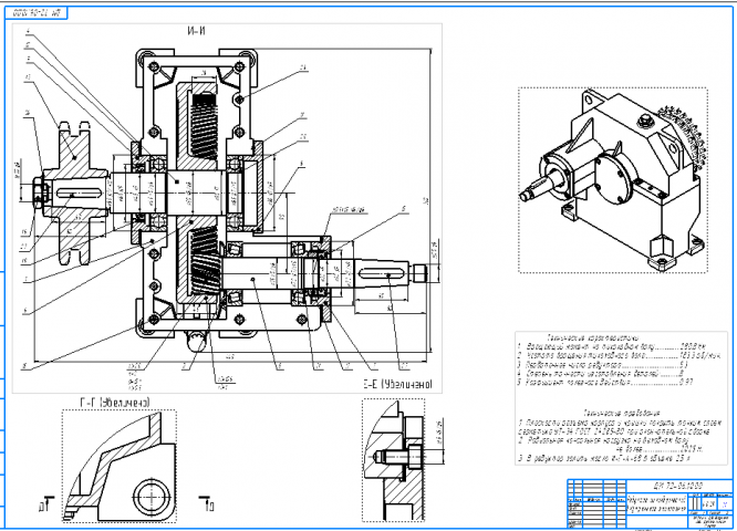
Привод ленточного транспортера состоит из электродвигателя, комбинированной муфты, одноступенчатого цилиндрического редуктора с косозубой передачей внутреннего зацепления и приводного вала с барабаном, соединенного с редуктором цепной передачей.
Суть работы привода ленточного транспортера состоит в том, что асинхронный двигатель передает вращающий момент через комбинированную муфту на вал-шестерню цилиндрического редуктора внутреннего зацепления, затем на тихоходный вал, с которого момент с помощью цепной передачи передается на приводной вал с барабаном.
Исходя из технического задания, требуется выполнить необходимые расчеты и разработать:
- Чертеж общего вида привода
- Сборочный чертеж редуктора
- Чертежи деталей редуктора
- Муфту
- Приводной вал с барабаном
- Спецификации
- Расчетно-пояснительную записку
Исходные данные:
- Ft=2,1 кН - окружная сила;
- v=1,8 м/с - скорость цепи;
- Типовой режим нагружения: Ⅱ;
- Lh=10000 ч - Расчетный ресурс
- Объем выпуска 1000 шт./год (среднесерийный);
- D=375 мм - диаметр барабана;
- В=350 мм - длинна барабана;
- Н=400 мм - высота расположение оси барабана;



и т. д.
Выполнено в Компас 3D
Характеристики курсовой работы
Список файлов
