Курсовая работа: Разработка технологического процесса механической обработки детали Полумуфта 500
Описание
Содержание
Анализ конструкции детали и ее технологичности. 6
Служебное назначение и техническая характеристика детали. 7
Качественный анализ на технологичность. 11
Количественный анализ на технологичность. 11
Общая последовательность обработки детали и выбор оборудования. 13
Выбор заготовки и определение припусков. 20
Исходные данные для расчёта. 21
Назначение штамповочных уклонов и радиусов. 22
Допуски на штампованные поковки. 23
Разработка технологического процесса для единичного и мелкосерийного производства. 25
Технологический процесс для единичного производства. 25
Технологический процесс для мелкосерийного производства. 30
Выбор металлорежущих инструментов и оснастки и разработка схем базирования 33
Выбор металлорежущих инструментов. 35
Выбор и описание технологической оснастки. 42
Режимы резания: выбор и расчет. 44
Расчёт и назначение режимов резания. 44
Расчет технических норм времени для единичного производства. 49
Расчет технических норм времени для серийного производства. 53
Разработка управляющей программы.. 63
Разработка программного кода для полученной траектории на основе кода ISO-7bit 67
Список использованной литературы.. 71
Введение
В настоящее время механическая обработка является одним из основных способов производства деталей с высокой точностью и качеством поверхности. Одной из таких деталей в рамках настоящего проекта является полумуфта 500, которая имеет широкое применение в различных отраслях промышленности.
Целью данного проекта является разработка технологического процесса механической обработки полумуфты 500 с использованием современных технологий и оборудования. В ходе проекта будет рассмотрено расчетно-конструкторская доработка уже спроектированной детали, выбор оптимального оборудования, разработка технологических операций для производства вышеупомянутой детали как для единичного производства, так и для мелкосерийного.
Результатом проекта будет создание технологической документации, которая позволит производить полумуфты 500 с высокой точностью и качеством поверхности. Также, данный проект может быть использован в качестве примера при разработке технологических процессов для других деталей.
Анализ конструкции детали и ее технологичности
Анализ конструкции детали и ее технологичности являются важными этапами производственного процесса, так как позволяют определить не только особенности самой детали, но и возможные нюансы при ее изготовлении.
Анализ конструкции детали позволяет выявить те или иные особенности, которые могут повысить трудоемкость изготовления детали, к примеру, нестандартность формы или наличие резких перепадов толщины. Это в свою очередь может повлиять на технологию производства и требовать более сложных или специализированных технологических операций.
Анализ технологичности детали по таким параметрам, как технические характеристики, материал и размеры, позволяет разработать оптимальный технологический процесс с максимально возможной производительностью и качеством изготовления детали. Он также помогает избежать необходимости повторного проектирования при обнаружении технологических проблем или необходимости изменения производственного процесса.
Анализ исходных данных
В качестве исходных данных служат:
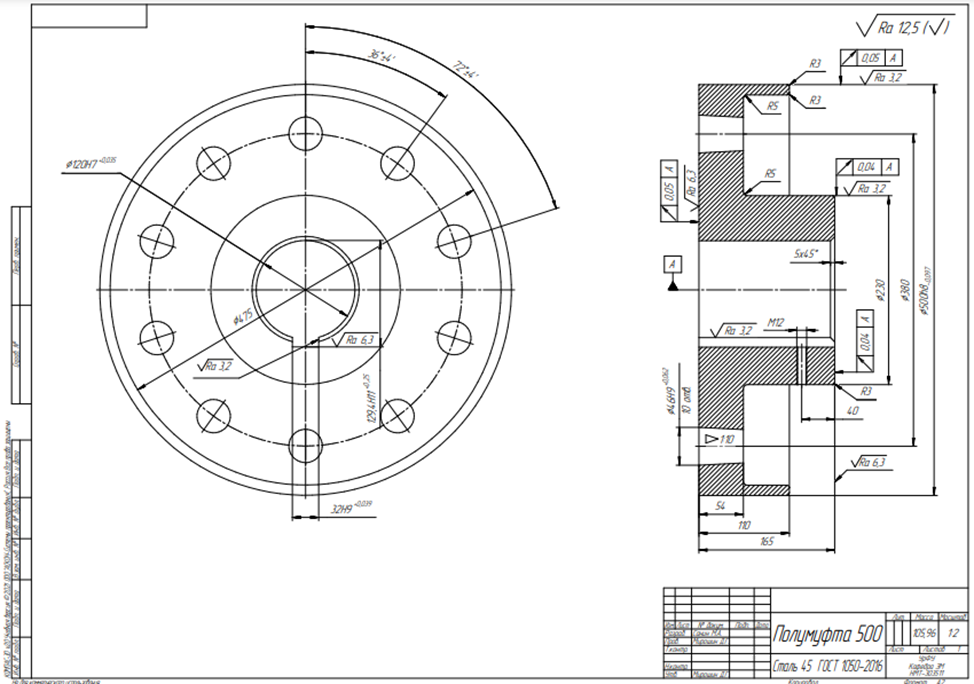
- Чертёж детали (рис. 1);
- Объём выпуска: 300 шт. в год с увеличением до 700 шт. в год.
Рисунок 1 – Чертеж детали «Полумуфта 500»
Рисунок 1 – Чертеж детали «Полумуфта 500»
УрФУ им. Ельцина
all_at_700
















