lab2_наш_отчет (991934)
Текст из файла
Московский Энергетический Институт
(технический университет)
Кафедра ЭИ
Лабораторная работа № 2
Исследование преобразователей проходного типа.
Выполнили студенты
группы А-15-0:
.
Проверил преподаватель:
Чернов Л. А.
Цель работы.
Исследование основных характеристик проходных преобразователей.
-
Домашнее задание.
-
Для цилиндрического латунного образца диаметром D=25 мм с электрической проводимостью =14 МСм/м рассчитать рабочие частоты, соответствующие значениям обобщенного параметра контроля х=2,5 и 3,5.
R=0.5D, где D – диаметр ОК
-
Для образца, указанного в п.1, определить вносимое относительное напряжение
при х=2,5 (диаметр измерительной катушки преобразователя Dи=30 мм).
-
Определить приращение
при увеличении диаметра на 10%, а затем при увеличении удельной электрической проводимости на 20%, используя диаграммы чувствительности
и
.
-
Рассчитать рабочую частоту, соответствующую значению обобщенного параметра х=3,5 для латунной трубы с наружным диаметром D2=25 мм.
-
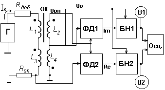
Описание лабораторной установки.
Функциональная схема лабораторной установки дана на рис. 1. При выполнение работы используется КП, фазометр типа Ф2−1, вольтметр типа В3−14, измерительный субблок, проходные преобразователи, набор образцов 201÷216 и устройство перемещения преобразователя.
Рис. 1.
-
Рабочее задание.
Пункт 1. Установить значение рабочей частоты, соответствующей значению обобщённого параметра х=2,5 для латунного цилиндра с D=25 мм и σ=14 MCм/м. Провести измерения с пятью цилиндрическими образцами диаметра 25 мм, с разными проводимостями (1,3; 5; 14; 33; 54 МСм/м) и получить на комплексной плоскости Uвн* точки, соответствующие различным значениям σ. По полученным точкам построить годограф Uвн*=f(σ).
f = 361 Гц (х = 2,5), D = 25 мм, σ = var
| Образец | σ, МСм/м | Re(Uвн) | Im(Uвн) |
| Сталь Х18Н10Г | 1,3 | 0,0498 | -0,0053 |
| Нерж. сталь | 5 | 0,1691 | -0,0601 |
| Латунь | 14 | 0,25396 | -0,2654 |
| Алюминий | 33 | 0,21371 | -0,4324 |
| Медь | 54 | 0,17052 | -0,4825 |
Пункт 2. Используя латунные образцы (σ =14 MCм/м) с разными диаметрами получить годографы Uвн*=f(D) для двух значений обобщённого параметра (х=2,5 и х=3,5).
| 1) х=2,5, f=360 Гц | 2) х=3,5, f=710 Гц | |||||
| D, мм | Re(Uвн) | Im(Uвн) | D, мм | Re(Uвн) | Im(Uвн) | |
| 25 | 0,25603 | -0,2721 | 25 | 0,22904 | -0,4123 | |
| 22,5 | 0,2074 | -0,1658 | 22,5 | 0,1949 | -0,2945 | |
| 20 | 0,15255 | -0,1012 | 20 | 0,16032 | -0,201 | |
| 17,5 | 0,10145 | -0,0505 | 17,5 | 0,12699 | -0,1219 | |
| 15 | 0,06010 | -0,0238 | 15 | 0,09023 | -0,0673 | |
| 12,5 | 0,03104 | -0,0077 | 12,5 | 0,05288 | -0,0258 | |
| 10 | 0,013 | -0,0022 | 10 | 0,02512 | -0,0082 | |
| 8 | 0,00555 | -0,0006 | 8 | 0,01055 | -0,0023 | |
Годографы к пункту 1 и пункту 2:
x=2,5
x=3,5
Пункт 3. Для двух образцов – медного (D=25 мм, σ =54 MCм/м) и алюминиевого (D=22 мм,
σ=33 MCм/м) провести измерения при различном расстоянии края образца от измерительной катушки. По полученным точкам построить годографы влияния края.
1) Медь, D=25 мм
| L, мм | Re(Uвн) | Im(Uвн) |
|
| -25 | 0,0248 | -0,0552 | |
| -15 | 0,05213 | -0,1362 | |
| -5 | 0,0658 | -0,2016 | |
| 0 | 0,096 | -0,265 | |
| 5 | 0,12033 | -0,315 | |
| 10 | 0,126 | -0,416 | |
| 15 | 0,13616 | -0,4505 | |
| 20 | 0,14726 | -0,441 | |
| 30 | 0,15833 | -0,4321 | |
| 40 | 0,16166 | -0,505 | |
2) Алюминий, D=22 мм
| L, мм | Re(Uвн) | Im(Uвн) |
|
| -25 | 0,01837 | -0,0187 | |
| -15 | 0,03816 | -0,0462 | |
| -5 | 0,046 | -0,0712 | |
| 0 | 0,08084 | -0,1192 | |
| 5 | 0,10176 | -0,163 | |
| 10 | 0,12862 | -0,2 | |
| 15 | 0,14628 | -0,2363 | |
| 20 | 0,15943 | -0,275 | |
| 30 | 0,16448 | -0,2928 | |
| 40 | 0,16254 | -0,2662 | |
Пункт 4. Для образца (D=20 мм, σ=14 MCм/м) определить коэффициенты, необходимые, для расчёта диаметра и удельной электрической проводимости цилиндрического образца методом стабилизации обобщённого параметра, приняв х=2,5. Проводя измерения для шести образцов с неизвестными параметрами, определить их радиус и удельную электрическую проводимость, поддерживая неизменным обобщённый параметр х=2,5.
Расчет коэффициентов:
C1 = X2 = 6,25
Расчетные формулы:
| Образец | Re(Uвн) | Im(Uвн) | |Uвн| | φº | f, Гц | D, мм | , МСм/м |
| 1 | 0,26472 | -0,2648 | 0,374 | -45,009 | 4000 | 25 | 1,256 |
| 2 | 0,1626 | -0,1717 | 0,236 | -46,559 | 1600 | 20 | 4,971 |
| 3 | 0,19377 | -0,1968 | 0,276 | -45,444 | 445 | 22 | 15,3 |
| 4 | 0,16901 | -0,1703 | 0,24 | -45,218 | 237 | 20 | 33,08 |
| 5 | 0,20613 | -0,2034 | 0,29 | -44,618 | 120 | 22 | 54,12 |
| 6 | 0,26006 | -0,2657 | 0,372 | -45,615 | 160 | 25 | 31,62 |
Выводы:
-
Из полученного годографа Uвн*=f(σ) для образцов с одинаковым значениями D на частоте f=360 Гц относительное вносимое напряжение изменяется с увеличением
. -
Из полученного годографа Uвн*=f(D) для образцов с одинаковыми значениями
на частотах f=360 Гц и f=710 Гц видно, что относительное вносимое напряжение изменяется с уменьшением D. Кроме того, годограф относительного вносимого напряжения, изменяется с изменением рабочей частоты. -
Получен годограф изменения относительного вносимого напряжения от влияния края образца (для медного и алюминиевого образцов одинакового диаметра) на одинаковой частоте. Из этого годографа видно, что фаза вносимого напряжения с изменением расстояния между краем цилиндра и измерительной катушкой не меняется, а меняется только амплитуда сигнала.
-
Изучен метод стабилизации обобщённого параметра. С помощью этого метода были определены параметры (D и σ) неизвестного объекта контроля. Для поддержания постоянной фазы относительного вносимого напряжения, равной 45º, варьировалась частота тока возбуждения. После этого были рассчитаны искомые параметры неизвестного объекта контроля (c помощью коэффициентов С1, С2 и измеренных значений).
5
Характеристики
Тип файла документ
Документы такого типа открываются такими программами, как Microsoft Office Word на компьютерах Windows, Apple Pages на компьютерах Mac, Open Office - бесплатная альтернатива на различных платформах, в том числе Linux. Наиболее простым и современным решением будут Google документы, так как открываются онлайн без скачивания прямо в браузере на любой платформе. Существуют российские качественные аналоги, например от Яндекса.
Будьте внимательны на мобильных устройствах, так как там используются упрощённый функционал даже в официальном приложении от Microsoft, поэтому для просмотра скачивайте PDF-версию. А если нужно редактировать файл, то используйте оригинальный файл.
Файлы такого типа обычно разбиты на страницы, а текст может быть форматированным (жирный, курсив, выбор шрифта, таблицы и т.п.), а также в него можно добавлять изображения. Формат идеально подходит для рефератов, докладов и РПЗ курсовых проектов, которые необходимо распечатать. Кстати перед печатью также сохраняйте файл в PDF, так как принтер может начудить со шрифтами.
















