Лаба 3 (987596)
Текст из файла
Московский Энергетический Институт.
(Технический Университет).
Кафедра ЭИ.
Лабораторная работа № 3
Триггеры на логических элементах
Выполнил студент
группы А-15-:
.
Проверил преподаватель:
Поляхов М.Ю.
-
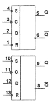
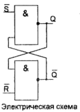
Собрать схему асинхронного RS-триггера и составить его таблицу состояний.
-
Собрать схему синхронного RS-триггера, составить его таблицу состояний и построить временные диаграммы.
С = 1
временные диаграммы:
-
Составить таблицу состояний и построить временные диаграммы работы D-триггера.
временные диаграммы:
-
Пользуясь результатами предыдущего пункта построить схему и собрать делитель частоты на 2. Испытать его.
Чтобы получить Т-триггер, нужно соединить выводы D и
2
Характеристики
Тип файла документ
Документы такого типа открываются такими программами, как Microsoft Office Word на компьютерах Windows, Apple Pages на компьютерах Mac, Open Office - бесплатная альтернатива на различных платформах, в том числе Linux. Наиболее простым и современным решением будут Google документы, так как открываются онлайн без скачивания прямо в браузере на любой платформе. Существуют российские качественные аналоги, например от Яндекса.
Будьте внимательны на мобильных устройствах, так как там используются упрощённый функционал даже в официальном приложении от Microsoft, поэтому для просмотра скачивайте PDF-версию. А если нужно редактировать файл, то используйте оригинальный файл.
Файлы такого типа обычно разбиты на страницы, а текст может быть форматированным (жирный, курсив, выбор шрифта, таблицы и т.п.), а также в него можно добавлять изображения. Формат идеально подходит для рефератов, докладов и РПЗ курсовых проектов, которые необходимо распечатать. Кстати перед печатью также сохраняйте файл в PDF, так как принтер может начудить со шрифтами.















