04 (970777)
Текст из файла
Билет №4
10. Возникновение собственных напряжений при сварке и их влияние на св-ва сварного соединения.
Сварочные напряжения – взаимноуравновешенные напряжения, т. е. напряжений, которые существуют в сварных соединениях даже при отсутствии действия на них внешних сил.
Образуются из-за:
-
неравномерного нагрева основного металла
-
литейная усадка расплавленного металла
-
с
труктурные изменения, протекающие в процессе остывания металла.
В рез-те силового взаимод-ия возникают деформации и собственные напряжения
Шов стремится сократиться напряжения
Уменьшение деформаций:
а
) технологические приёмы – начинать шов с центра
б) Конструктивные приёмы –
менять разделку кромок
(наплавление меньшего количества металла нагрев деформации)
способ закрепления заготовок перед сваркой
нежелательно пересечение поверхностей
Из за внутренних напряжений появляются дефекты – горячие трещины, холодные трещины и поры.
11. Сущность, схемы, технологические возможности автоматической дуговой сварки в углекислом газе плавящимся электродом.
Сварка плавящимся электродом ведётся сварочной проволокой диаметром 1-6 мм;
дуга горит между основным металлом и металлическим стержнем, подаваемым в зону сварки по мере плавления.
-
режим сварки (ток, напряжение и др.) более стабилен однородность качества шва по длине.
-
Самый распространённый способ сварки.
-
Низкая стоимость, высокая производительность
Т
ок: повышенная плотность тока, постоянный, обратная полярность.
Но требуется большая точность в подготовке и сборке деталей под сварку.
1 – сварочная проволока
2 – сопло горелки
3 – мундштук
4 – горелка (корпус)
5 – сварной шов
6 – основный сварив. металл
7 – защитная газовая атмосфера
8 – электрическая дуга
9 – жидкая сварочная волна расплавл. металла
Для низколегированных и низкоуглеродистых сталей – CO2.
CO2 CO + O (в сварив. ванну FeO).
FeO + Mn MnO (как шлак) + Fe
Сварочная проволока: повышено содерж. Mn и Si, применяют порошковые проволоки
Применение: робототехнические комплексы для изделий мелко- и среднесерийных.
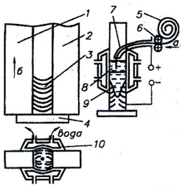
12. Выберите способ сварки заготовок толщиной 400 мм из низкоуглеродистой стали 3. Нарисуйте схему выбранного способа.
При электрошлаковой сварке толщины деталей – 50-2000 мм. Выберем данный способ для толщины 400 мм. Используется три и более проволоки.
1, 2 – сварив. заготовки
3 – сварочный шов
4 – водная планка
5 – кассета с электродной проволоки
6 – механизм подачи проволоки
7 – мундштук
8 – шлаковая ванна
9 – сварочная ванна
10 – кристаллизатор (формирует сварной шов)
(дуга зажигается осциллятором)
I = 1000 – 2000 A
U=38 – 50 В
Характеристики
Тип файла документ
Документы такого типа открываются такими программами, как Microsoft Office Word на компьютерах Windows, Apple Pages на компьютерах Mac, Open Office - бесплатная альтернатива на различных платформах, в том числе Linux. Наиболее простым и современным решением будут Google документы, так как открываются онлайн без скачивания прямо в браузере на любой платформе. Существуют российские качественные аналоги, например от Яндекса.
Будьте внимательны на мобильных устройствах, так как там используются упрощённый функционал даже в официальном приложении от Microsoft, поэтому для просмотра скачивайте PDF-версию. А если нужно редактировать файл, то используйте оригинальный файл.
Файлы такого типа обычно разбиты на страницы, а текст может быть форматированным (жирный, курсив, выбор шрифта, таблицы и т.п.), а также в него можно добавлять изображения. Формат идеально подходит для рефератов, докладов и РПЗ курсовых проектов, которые необходимо распечатать. Кстати перед печатью также сохраняйте файл в PDF, так как принтер может начудить со шрифтами.
















