06 (970575)
Текст из файла
Билет 6
16. Нагрев заготовке перед обработкой металлов давлением.
Пережог - интенсивное окисление металла на границе зерен (в результате чего он становится хрупким и при ударе разрушается, неустранимый брак).
Пережог образует 2-3мм окалины - оксида металла на поверхности заготовки (детали).
Fe2O3, Fe3O4, FeO.
Окалина имеет высокую твердость и приводит к быстрому изнашиванию инструмента.
Перегрев - резкий рост размеров зерен, вследствие чего ухудшаются механические свойства. Снимается при помощи отжига, или нормализации.
Обезуглераживание – поверхностный слой теряет углерод.(по толщине меньше чем окалина, удаляется вместе с ней)
|
| ((Перед горячей обработкой давлением металлы и стали нагревают до определенной температуры для повышения их пластичности и уменьшения сопротивления деформации. Однако в процессе обработки температура металла понижается. Минимальная температура, при которой можно производить обработку, называется температурой окончания обработки давлением. Область температуры между началом и окончанием, в которой металл или сплав обладает наилучшей пластичностью, наименьшей склонностью к росту зерна и минимальным сопротивлением деформированию, называют температурным интервалом горячей обработки давлением.)) – с сайта |
17. Ковка. Сущность, операции ковки, получаемые продукты.
Опр: технологический процесс обработки давлением, при котором течение в сторону, перпендикулярную приложению нагрузки не ограничено.
Операции ковки:
1) осадка – операция уменьшения высоты заготовки при увеличении площади поперечного сечения (осадка проводится между бойками, или подкладными плитами).
2 – нижний боёк
3- поковка
5 – заготовка d, ho.
6 – поковка S < Sзаг, h < hзаг.
Недостаток: между бойком и заготовкой действуют
силы трения, поковка принимает бочкообразную
форму, возникают трещины, следовательно, выше
припуск на мех. обработку.
Решение: сверху и снизу поковки наносится смазка.
- В случае h/D > 2.5 – искривление поковки.
2
) протяжка – операция удлинения заготовки засчет уменьшения площади поперечного сечения (заготовка подается вдоль оси протяжки и периодически поворачивается вокруг нее на 90 град. чем медленнее подача, тем интенсивнее удлиннение).
Осуществляется:
а) Плоскими бойками (рис а)
б) Вырезными бойками (рис б,в)
Деформация при протяжке:
Разновидности протяжки:
Разгонка – операция увенличения ширины части заготовки засчет
уменьшения ее толщины (рис.г)
Протяжка с оправкой - увеличение длины пустотелой заготовки за счет
уменьшения толщины е стенок. (рис.е)
Раскатка на оправке – операция одновременного увеличения наружного и внутреннего диаметров кольцевой заготовки за счет уменьшения толщины ее стенок. (после каждого нажатия, заготовку поворачивают относительно оправки)
рисунки *д,е* (см. ниже):
1- коническая оправка.
2-верхний вырезной боёк
3-нижний -//-//-
4- боёк
5- заготовка
6- циллиндрич. оправка
7- подставки.
прошивка – операция получения полостей в заготовке за счет
вытеснения металла. (рис д)
4 –инструмент (прошивень) 7 – выдра 3 –поковка
- Для отверстий с диаметром > 500мм прошивень делается
пустотелым.
гибка – изменение кривизны
заготовки (придание
криволинейнойформы)
R = r + S
*для изгиба под прямым углом
в заготовке предусматривается выступ.
Ковка позволяет получить детали массой более 1000 кг. (единичное производство)
Продукты, которые невозможно получить ковкой:
- Наклонные поверхности
- Пересекающиеся поверхности
- Поверхности сложной формы
18. На приведенном эскизе поковок изобразите схемы и опишите технологию их изготовления. [надо обязательно смотреть на толщины – где-то там есть 20 мм, где-то 1.5 => это листовая штамповка, вытяжка, выдавливание]
Листовая штамповка.
Технологический процесс обработки металла давлением при постоянном получении плоской или пространственной детали, заготовкой которой является листовая полоса, лента или труба.
Бывают:
-тонколистовая <=4мм
-толстолистовая >4мм
-в горячем состоянии металла >7мм
-в холодном состоянии металла <7мм
Разделительные и формообразующие операции:
-вырубка-части заготовки по замкнутому контуру отделяют часть детали
-пробивка- части заготовки по замкнутому контуру отделяют часть отходов
-
отрезка-отделение части по незамкнутому контуру:
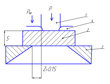
-Пуансон
2-заготовка
3-матрица(острые края)
4-прижим.
Вытяжка по листовой штамповке:
Вытяжка без утонения стенки (а) превращает плоскую заготовку в полое пространственное изделие при уменьшении периметра вытягиваемой заготовки. Исходную вырубленную заготовку укладывают на плоскость матрицы. Пуансон надавливает на центральную часть (фланец) заготовки, и последняя, смещаясь в матрицу, образует стенки вытянутого изделия.
(см. ниже)
Гидростатическое выдавливание.
1-пуансон
2- уплотнение
3- спец.жидкость
4- заготовка
5-матрица
- Диаметр заготовки до 6 м.
- Толщина заготовки 15..30мм
Заготовка закрепляется между матрицей
и прижимом. Заряд с детонатором
подвешивают над заготовкой. Ударная волна
разгняет заготовку.
Получают такие же заготовки, как при вытяжке
и формовке.
Характеристики
Тип файла документ
Документы такого типа открываются такими программами, как Microsoft Office Word на компьютерах Windows, Apple Pages на компьютерах Mac, Open Office - бесплатная альтернатива на различных платформах, в том числе Linux. Наиболее простым и современным решением будут Google документы, так как открываются онлайн без скачивания прямо в браузере на любой платформе. Существуют российские качественные аналоги, например от Яндекса.
Будьте внимательны на мобильных устройствах, так как там используются упрощённый функционал даже в официальном приложении от Microsoft, поэтому для просмотра скачивайте PDF-версию. А если нужно редактировать файл, то используйте оригинальный файл.
Файлы такого типа обычно разбиты на страницы, а текст может быть форматированным (жирный, курсив, выбор шрифта, таблицы и т.п.), а также в него можно добавлять изображения. Формат идеально подходит для рефератов, докладов и РПЗ курсовых проектов, которые необходимо распечатать. Кстати перед печатью также сохраняйте файл в PDF, так как принтер может начудить со шрифтами.
















