07_вар2 (970578)
Текст из файла
Билет 7
19. Влияние холодной обработки металлов давлением на структуру и свойства металла. [холодная деформация, строчечная структура, волокнистая структура и т.д.]
Холодная деформация характеризуется вытягиванием формы зёрен в направлении наиболее интенсивного течения металла.
М
ежкристаллическая деформация:
Обраб. Давл-ем
Литой Me строчечная структура (с волокнистостями)
-
внутренние напряжения
Прочность, хим. Акт., эл. сопр-е увеличиваются
Пластичность, магн. проницаемость падают (упрочнение, наклёп)
Вдоль и поперёк строчечности различные свойства.
T=(0.25-0.35)Tпл => возврат (снятие напряжений после холодной деформации)-структора остаётся без изменений. При возврате также значительно повышается электрическая проводимость, сопротивление коррозии.
T>0.45Tпл => рекристаллизация – зарождение новых зёрен (исчезает строчечная структура, волокнистость остаётся)
20. Измерительные (?-скорее всего разделительные) операции листовой штамповки. Схемы, условия, качество выполнения операций.
Листовая штамповка- технический процесс обработки металла давлением, при котором получаются плоские и пространственные детали
(?заготовкой?)которой является лист, полоса листа, или труба.
Тонколистовая:δ<=4мм, Толстолистовая δ>4мм, В горяч. сост. Ме δ>7мм, В холод. сост. Ме δ<=7 мм.
Разделительные операции:
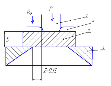
а)Отрезка- отделение части заготовки по незамкнутому контуру на специальных машинах- ножницах и в штампах. Отрезку чаще применяют как заготовительную операцию для разделения листа на полосы заданной ширины.
1-Пуансон
2-заготовка
3-матрица(острые края)
4-прижим.
б) Вырубка- отделение части заготовки по замкнутому контуру (отдел. часть- деталь). Ей оформляют наружный контур детали.
в)Пробивка- отделение части заготовки по замкнутому контуру (отдел. часть- отход). Ей оформляют внутренний наружный контур детали (изготовление отверстий).
21. Приведите технологическую схему с эскизами операций изготовлений поковки кольца в открытом штампе.
Характеристики
Тип файла документ
Документы такого типа открываются такими программами, как Microsoft Office Word на компьютерах Windows, Apple Pages на компьютерах Mac, Open Office - бесплатная альтернатива на различных платформах, в том числе Linux. Наиболее простым и современным решением будут Google документы, так как открываются онлайн без скачивания прямо в браузере на любой платформе. Существуют российские качественные аналоги, например от Яндекса.
Будьте внимательны на мобильных устройствах, так как там используются упрощённый функционал даже в официальном приложении от Microsoft, поэтому для просмотра скачивайте PDF-версию. А если нужно редактировать файл, то используйте оригинальный файл.
Файлы такого типа обычно разбиты на страницы, а текст может быть форматированным (жирный, курсив, выбор шрифта, таблицы и т.п.), а также в него можно добавлять изображения. Формат идеально подходит для рефератов, докладов и РПЗ курсовых проектов, которые необходимо распечатать. Кстати перед печатью также сохраняйте файл в PDF, так как принтер может начудить со шрифтами.
















