Выпрямители теория (968385)
Текст из файла
11
Основы теории построения неуправляемых выпрямителей
Выпрямительные устройства - это устройства, предназначенные для преобразования переменного тока в постоянный. В общем случае они состоят из трех основных узлов: силового трансформатора, вентильного узла (выпрямителя) и сглаживающего фильтра. В качестве вентилей могут использоваться диоды, тиристоры и мощные транзисторы. Выпрямительные устройства характеризуются: выходными параметрами, параметрами, характеризующими режим работы вентилей, и параметрами трансформатора. Наиболее распространенный вентиль в маломощных устройствах - полупроводниковый диод. Если в качестве вентилей используются тиристоры или транзисторы, то возможна реализация, т.н. управляемого режима выпрямления (на диодах строятся только неуправляемые выпрямители).
К выходным параметрам выпрямителя относятся: номинальное среднее выпрямленное напряжение (Uн cp); номинальный средний выпрямленный ток (Iн ср); коэффициент пульсаций выпрямленного напряжения (Kп); частота пульсаций выпрямленного напряжения; внутреннее сопротивление выпрямителя.
Коэффициентом пульсаций (Kп) называется отношение амплитуды первой гармоники колебаний выпрямленного напряжения к среднему значению выпрямленного напряжения. Внешняя характеристика выпрямителя - это графически выраженная зависимость среднего значения выходного напряжения от среднего значения выходного тока (тока нагрузки). Для неуправляемых выпрямителей характерно плавное понижение выходного напряжения при повышении тока нагрузки.
Для классификации выпрямителей используются различные признаки и особенности их конструкции: количество выпрямленных полуволн (полупериодов) напряжения, число фаз силовой сети, тип сглаживающего фильтра, наличие трансформатора и т.п. По количеству выпрямленных полуволн различают однополупериодные и двухполупериодные выпрямители. По числу фаз питающего напряжения различают однофазные, двухфазные, трехфазные и шестифазные выпрямители. При этом под числом фаз питающего напряжения понимают число питающих напряжений с отличными друг от друга начальными фазами. Так, например, если для работы выпрямителя требуется два питающих напряжения, сдвинутых друг относительно друга на какой-либо угол (чаще всего на 180°), то такой выпрямитель называют двухфазным. Аналогично, если для работы выпрямителя требуется три питающих напряжения, сдвинутые друг относительно друга на угол, равный 120°. то такой выпрямитель называют трехфазным. Шестифазные выпрямители состоят из двух групп трехфазных выпрямителей, питаемых противофазными напряжениями трехфазной сети.
Однофазный однополупериодный выпрямитель
Простейшим выпрямителем является схема однофазного однополупериодного выпрямителя (Рис. 1).
Рис. 1
Г
рафики, поясняющие его работу при синусоидальном входном напряжении Uвх =Uвх mах sin(t) , представлены на Рис. 2.
Рис. 2
На интервале времени [0;T/2] полупроводниковый диод выпрямителя смещен в прямом направлении и напряжение, а следовательно, и ток в нагрузочном резисторе повторяют форму входного сигнала. На интервале [T/2;T] диод смещен в обратном направлении и напряжение (ток) на нагрузке равно нулю.
Таким образом, среднее значение напряжения на нагрузочном резисторе будет равно:
где Uвх д - действующее значение переменного напряжения на входе выпрямителя.
Аналогично, для среднего тока нагрузки:
где Imax - амплитуда выпрямленного тока. Действующее значение тока нагрузки Iн д (через диод протекает такой же ток):
Отношение среднего значения выпрямленного напряжения Uн cp к действующему значению входного переменного напряжения Uвх д называется коэффициентом выпрямления Kвып. Для рассматриваемой схемы Kвып = 0,45.
Максимальное обратное напряжение на диоде Uобр max = Uвх mах = Uн cp, т.е. более чем в три раза превышает среднее выпрямленное напряжение (это следует учитывать при выборе диода для выпрямителя).
Спектральный состав выпрямленного напряжения имеет вид (разложение в ряд Фурье):
Коэффициент пульсаций, равный отношению амплитуды низшей (основной) гармоники пульсаций к среднему значению выпрямленного напряжения, для описываемой схемы однополупериодного выпрямителя равен:
Kп = U пульс max 01/ Uн cp = /2 = 1,57
Как видно, однополупериодное выпрямление имеет низкую эффективность из-за высокой пульсации выпрямленного напряжения.
Еще один отрицательный аспект однополупериодного выпрямления связан с неэффективным использованием силового трансформатора, с которого берется переменное напряжение. Это обусловлено тем, что в токе вторичной обмотки трансформатора существует постоянная составляющая, равная среднему значению выпрямленного тока. Такая составляющая не трансформируется.
В сердечнике трансформатора за счет постоянной составляющей тока вторичной обмотки создается постоянный магнитный поток Фо. Это явление принято называть вынужденным намагничиванием сердечника трансформатора. Оно может вызвать насыщение магнитной системы трансформатора и увеличение тока холостого хода.
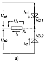
Однофазный двухполупериодный выпрямитель со средней точкой
Очевидно, что параметры выпрямителя можно улучшить, если обеспечить протекание тока нагрузки в оба полупериода действия входного напряжения. Этого можно добиться, используя две схемы однополупериодного выпрямления, работающие синхронно и противофазно на единую нагрузку. Такое включение, однако, потребует наличия двух источников первичного напряжения, имеющих общую точку: Uвх1=Uвхmахsin(t), Uвх2=Uвхmах sin(t+). Описанная схема называется однофазной двухполупе-
риодной схемой выпрямления со средней точкой, диаграммы ее работы, представлены на Рис. 3.
Рис. 3
На интервале времени [0;T/2] под действием напряжения Uвх1 диод VD1 смещен в прямом направлении (диод VD2 при этом смещен в обратном направлении) и поэтому ток в нагрузочном резисторе определяется только напряжением Uвх1. На интервале [T/2;T] диод VD1 смещен в обратном направлении, а ток нагрузки протекает через прямосмещенный диод VD2 и определяется напряжением Uвх2. Таким образом, средние значения тока и напряжения на нагрузочном резисторе в случае двухполупериодного выпрямления будут в два раза превышать аналогичные показатели для однополупеоиодной схемы:
где Uвх mах и Iвх mах - амплитудные значения входного напряжения и тока выпрямителя, Uвх д и Iвх д - их действующие значения.
Отрицательным свойством двухполупериодной схемы выпрямления со средней точкой является то, что во время прохождения тока через один из диодов обратное напряжение на другом (закрытом) диоде в пике достигает удвоенного максимального входного напряжения Uобр max = 2 Uвх mах. Этого нельзя забывать при выборе диодов для выпрямителя.
Основная частота пульсаций выпрямленного напряжения в данной схеме будет равна удвоенной частоте входного напряжения. Коэффициент пульсаций, рассчитанный по методике, аналогичной описанной для схемы однофазного однополупериодного выпрямителя (разложение в ряд Фурье и выделение первой составляющей пульсаций) будет равен: Kп = 0,67.
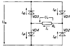
Однофазный мостовой двухполупериодный выпрямитель
Существенным недостатком схемы двухполупериодного выпрямления со средней точкой является потребность в двух источниках входного напряжения. Проблема решена в схеме однофазного мостового выпрямителя, рис. 4, которая является, вероятно, самой распространенной из всех схем выпрямления, предназначенных для работы с однофазными источниками переменных напряжений.
Рис. 4
Также как и в двухполупериодной схеме выпрямления со средней точкой, в мостовой схеме напряжение прикладывается к нагрузке в течение всего периода изменения напряжения Uвх. При этом его значение при Uвх = Uвх 1 + Uвх 2 в два раза превышает выходное напряжение схемы Рис. 3. Поэтому при одном и том же напряжении нагрузки в мостовой схеме к обратносмещенным диодам прикладывается напряжение в два раза меньшее, чем в схеме Рис. 3.
С
редние значения тока и напряжения на нагрузке для однофазного мостового двухполупериодного выпрямителя будут такими же, как и в двухполупериодной схеме со средней точкой:
Основная частота пульсаций выпрямленного напряжения в двухполупериодной мостовой схеме будет равна удвоенной частоте входного напряжения. Коэффициент пульсаций такой же, как и в двухполупериодной схеме со средней точкой: Kп = 0,67.
Особенностью мостовой схемы является то, что в ней последовательно с нагрузкой все время включено два диода, в то время как в описанных выше однофазной однополупериодной и однофазной двухполупериодной схемах такой диод один. Поэтому при низких входных напряжениях (4...5 В) использование мостовой схемы может оказаться неэффективным (падение напряжения на диодах по величине будет сравнимо с выходным напряжением выпрямителя) - для повышения КПД обычно применяют двухполупериодную схему со средней точкой (возможен также переход к использованию диодов Шоттки с малым падением напряжения при прямом смещении). С повышением напряжения разница в КПД схем уменьшается и определяющим фактором становится величина обратного напряжения, прикладываемого к запертым диодам в процессе работы выпрямителя. Поэтому при больших уровнях выходного напряжения обычно используют выпрямитель, выполненный по мостовой схеме.
Трехфазный однополупериодный выпрямитель
Характеристики
Тип файла документ
Документы такого типа открываются такими программами, как Microsoft Office Word на компьютерах Windows, Apple Pages на компьютерах Mac, Open Office - бесплатная альтернатива на различных платформах, в том числе Linux. Наиболее простым и современным решением будут Google документы, так как открываются онлайн без скачивания прямо в браузере на любой платформе. Существуют российские качественные аналоги, например от Яндекса.
Будьте внимательны на мобильных устройствах, так как там используются упрощённый функционал даже в официальном приложении от Microsoft, поэтому для просмотра скачивайте PDF-версию. А если нужно редактировать файл, то используйте оригинальный файл.
Файлы такого типа обычно разбиты на страницы, а текст может быть форматированным (жирный, курсив, выбор шрифта, таблицы и т.п.), а также в него можно добавлять изображения. Формат идеально подходит для рефератов, докладов и РПЗ курсовых проектов, которые необходимо распечатать. Кстати перед печатью также сохраняйте файл в PDF, так как принтер может начудить со шрифтами.
















