Выпрямители теория (968385), страница 2
Текст из файла (страница 2)
Схемы выпрямителей, работающих от трехфазной сети переменного тока, строятся по тем же принципам, что и однофазные выпрямители. Для получения схемы трехфазного однополупериодного выпрямления необходимо использовать три однополупериодных выпрямителя, питающих единую нагрузку, но запитываемых от трех фаз источника входного напряжения со средней точкой (Рис. 5).
Рис. 5
Три диода выпрямителя открываются по очереди в течение одной трети периода колебаний входного напряжения каждый.
П
ри рассмотрении схемы однофазного двухполупериодного выпрямителя для расчета среднего напряжения нагрузки использовалась формула:
Не трудно показать, что если в общем случае за период колебания входного напряжения Т будут последовательно (но не одновременно) проводить ток n диодов, то:
При этом первой из присутствующих на выходе гармоник переменного напряжения будет гармоника с номером n, т.е. основная частота пульсаций на выходе выпрямителя будет в n раз выше частоты колебаний входного напряжения.
Используя приведенную формулу и проведя разложение выходного напряжения выпрямителя в ряд Фурье, можно получить обобщенные выражения для среднего значения выходного напряжения Uн cp, амплитуды первой из присутствующих гармоник U max 01и коэффициента пульсаций выпрямителя Kп.
(1)
В случае трехфазного однополупериодного выпрямителя n = 3 и согласно (1):
Здесь Uвх ф max - амплитуда фазного напряжения на входе выпрямителя. Основная частота пульсаций выходного напряжения равна утроенной частоте входного сигнала.
Максимальное обратное напряжение на каждом диоде равно амплитуде линейного напряжения на входе выпрямителя, т.е.
К недостаткам данной схемы следует отнести плохое использование трансформатора, который работает с подмагничиванием постоянным током (это явление описывалось при рассмотрении однофазного однополупериодного выпрямителя), и повышенное обратное напряжение на диодах.
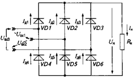
Трехфазный двухполупериодный выпрямитель
Схема трехфазного двухполупериодного выпрямителя (т.н. схема Ларионова) и диаграммы, поясняющие его работу, представлены на рис. 6. Эта схема требует для своего построения шесть полупроводниковых диодов. Она инвариантна к способу соединения первичных и вторичных обмоток силового трансформатора ("звезда" или "треугольник").
Рис. 6
Поскольку в представленной схеме используется обе полуволны питающего трехфазного напряжения, выпрямленное напряжение отличается более высоким качеством. Очевидно, что и здесь применимы соотношения (1), в соответствии с которыми (учитывая, что в данном случае n = 6):
где Uвх ф max - амплитуда фазного напряжения на входе выпрямителя. Основная частота пульсаций выходного напряжения в шесть раз превышает частоту входного сигнала.
М
аксимальное обратное напряжение на каждом диоде равно амплитуде линейного напряжения на входе выпрямителя, т.е.
Таким образом, при наличии шести последовательно коммутируемых диодов амплитуда первой из присутствующих на выходе выпрямителя гармоник составляет около 5,7% от среднего значения выходного напряжения (это говорит о высокой эффективности схемы Ларионова). Очевидно, что при увеличении числа фаз входного напряжения (например, до шести) аналогичная схема с большим числом диодов (12 для шестифазного двухполупериодного выпрямителя) будет еще более эффективной.
Выбор принципиальной схемы и расчет выпрямителя
Процесс проектирования выпрямительных устройств в общем случае можно разделить на несколько этапов, которые выполняются последовательно:
• анализ исходных данных, выбор принципиальной схемы выпрямителя и типов
применяемых компонентов;
• расчет параметров сглаживающего фильтра;
• расчет параметров вентильного узла и трансформатора, проверка соответствия
применяемых компонентов режиму их работы в выпрямителе.
В качестве исходных данных при расчете выпрямителя как правило выступают: номинальные выпрямленное напряжение на нагрузке Uн; ток нагрузки Iн и его возможные отклонения в сторону понижения Imin, сопротивление нагрузки Rн = Uн/Iн или выходная мощность Pвых = Uн.Iн; номинальное напряжение, подаваемое на первичную обмотку трансформатора U1, его возможное отклонение в сторону повышения Umах = U1max ─ U1 и понижения Umin = U1min ─ U1, а также его частота f и количество фаз; допустимый коэффициент пульсаций выходного напряжения Kп.
Выбор типа выпрямителя
Выбор схемы выпрямителя производят в первую очередь опираясь на значения требуемой выходной мощности, выходного напряжения и коэффициента пульсаций. Обобщая все приведенные в описаниях конкретных видов выпрямителей их достоинства и недостатки, можно предложить следующие основные критерии.
Однополупериодные выпрямители применяются в основном с емкостным фильтром при токах нагрузки до десятков миллиампер. Преимуществом таких выпрямителей являются простота и возможность работать без трансформатора. К их недостаткам относятся: низкая частота пульсаций, высокое обратное напряжение на вентильных диодах, плохое использование трансформатора, подмагничивание сердечника трансформатора постоянным током.
Двухполупериодные выпрямители со средней точкой применяется при напряжениях нагрузки до нескольких десятков вольт и выходной мощности до 50 Вт. На выходе выпрямителя обычно устанавливаются Г или П-образные LC и RC фильтры. Основные преимущества этих выпрямителей: повышенная частота пульсаций, малое число вентилей, возможность применения общего радиатора без изоляции вентилей, малое падение напряжения на вентилях. Недостатками являются: большая требуемая габаритная мощность трансформатора по сравнению с мостовыми выпрямителями, повышенное обратное напряжение на вентильных диодах.
Выпрямители, выполненные по мостовой схеме, обладают наилучшими показателями и применяются наиболее часто. Их можно использовать при любом характере нагрузки (емкостная, индуктивная) при выходной мощности до 500 Вт. Такие выпрямители применяются в основном с емкостным, Г или П-образными LC и RC фильтрами. Достоинствами мостовых выпрямителей являются: повышенная частота пульсаций, небольшое обратное напряжение на вентильных диодах, эффективное использование трансформатора, возможность питания симметричных нагрузок при наличии вывода средней точки во вторичной обмотке трансформатора. К недостаткам относят: повышенное падение напряжения на вентилях, невозможность установки однотипных диодных вентилей на одном радиаторе без изолирующих прокладок.
Основные виды сглаживающих фильтров и особенности их применения
Режим работы выпрямителя в значительной степени определяется типом фильтра, включенного на его выходе. В маломощных выпрямителях, питающихся от однофазной сети переменного тока, применяются простейшие емкостные фильтры, в выпрямителях средней и большой мощности - Г-образные LC, RC и П-образные CLC и CRC фильтры.
Основным параметром сглаживающих фильтров является коэффициент сглаживания q, который определяется как отношение коэффициента пульсаций на входе фильтра к коэффициенту пульсаций на его выходе (на нагрузке).
Емкостный фильтр является наиболее простым из всех видов сглаживающих фильтров. Он состоит из конденсатора, включаемого параллельно нагрузке. Коэффициент пульсаций напряжения на выходе выпрямителя с емкостным фильтром может быть найден по формуле:
Kп. ≈ 1 /( 2mf RнC )
где m зависит от схемы выпрямителя (m = 1 для однофазного однополупериодного выпрямителя, m = 2 для однофазного двухполупериодного и мостового выпрямителей),f - частота входного переменного напряжения.
Из приведенной формулы видно, что коэффициент пульсации на выходе выпрямителя с емкостным фильтром обратно пропорционален емкости применяемого конденсатора и величине сопротивления нагрузки. Поэтому применение такого фильтра рационально только при достаточно больших значениях этих величин. По мере совершенствования технологии изготовления конденсаторов большой емкости, рассматриваемый тип фильтра вследствие своей простоты и эффективности находит все большее применение.
Индуктивно-емкостные фильтры (Г-образные LC и П-образные CLC широко применяются при повышенных токах нагрузки, поскольку падение напряжения на них можно сделать сравнительно небольшим. Коэффициент полезного действия у таких фильтров достаточно высокий. К недостаткам индуктивно-емкостных фильтров относятся: большие габаритные размеры и масса, повышенный уровень электромагнитного излучения от элементов фильтра, сравнительно высокая стоимость и трудоемкость изготовления.
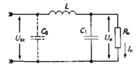
Наиболее широко используется Г-образный индуктивно-емкостный фильтр (Рис. 7).
Рис. 7
Д
ля эффективного сглаживания пульсаций таким фильтром необходимо выполнение следующих условий: Хс = 1/С « Rн, ХL = L » Хс. При их выполнении, пренебрегая потерями в дросселе, для коэффициента сглаживания можно записать:
где m зависит от схемы выпрямителя (m = 1 для однофазного однополупериодного выпрямителя, m = 2 для однофазного двухполупериодного и мостового выпрямителей).
Во избежание резонансных явлений в фильтре необходимо выбирать q > 3. Кроме этого, одним из основных условий является обеспечение явно выраженной индуктивной реакции фильтра на выпрямитель, необходимой для большей стабильности внешней характеристики выпрямителя. При индуктивной реакции фильтра меньше действующие значения токов в вентилях и обмотках трансформатора (а следовательно, меньше и требуемая габаритная мощность трансформатора). Для обеспечения индуктивной реакции необходимо, чтобы:
П-образный CLC фильтр отличается от описанного Г-образного LC фильтра наличием еще одной емкости, включаемой на входе фильтра (на Рис. 7 конденсатор Со показан пунктиром). Расчет таких фильтров производят в два этапа, сначала рассчитывают емкость конденсатора Со исходя из допустимой величины пульсации напряжения на нем, затем по приведенным выше формулам рассчитывают Г-образное звено. Наибольший коэффициент сглаживания в П-образном фильтре достигается при Со = С1.
При выборе конденсаторов фильтра необходимо следить за тем, чтобы они были рассчитаны на напряжение на 15...20% превышающее напряжение холостого хода выпрямителя при максимальном напряжении сети (чтобы учесть перенапряжения, возникающие при включении выпрямителя). Необходимо также, чтобы амплитуда переменной составляющей напряжения на них не превышала предельно допустимого значения.
Резистивно-емкостные фильтры целесообразно применять при малых токах нагрузки (менее 10... 15 мА) и небольших требуемых коэффициентах сглаживания. Достоинства этих фильтров — малые габариты и масса, низкая стоимость. Недостаток — сравнительно большое падение напряжения на фильтре (что снижает КПД устройства выпрямления в целом).
















