Выпрямители теория (968385), страница 3
Текст из файла (страница 3)
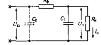
Простейший Г-образный-RC фильтр (Рис. 8) состоит из балластного резистора Rф и конденсатора С1.
Рис. 8
Коэффициент сглаживания такого фильтра вычисляется по формуле:
, где m зависит от схемы выпрямителя (m= 1 для однофазного однополупериодного выпрямителя, m = 2 для однофазного двухполупериодного и мостового выпрямителей).
Сопротивление фильтра Rф выбирают из условия допустимого падения напряжения на фильтре или исходя из заданного КПД. Расчет П-образного резистивно-емкостного фильтра (его схема включает дополнительный конденсатор Со, показанный на рис. 8 пунктиром) производится, как и в случае П-образного CLC фильтра, в два этапа после разделения этого фильтра на емкостной (Со) и Г-образный LC1 фильтр.
Комбинированные фильтры применяются при необходимости получения больших коэффициентов сглаживания на выходе выпрямителя. Они представляют собой последовательное включение нескольких фильтров. Высокий коэффициент сглаживания и хороший КПД могут также обеспечить разнообразные фильтры на транзисторах.
Особенности выбора выпрямительных диодов
При выборе диодов выпрямителя необходимо учитывать целый набор факторов, определяемых, принципиальной схемой выпрямителя, частотой и величиной входного переменного напряжения, величинами напряжения и тока нагрузки, условиями эксплуатации (температура, влажность, устойчивость входного напряжения и т.п.), характером нагрузки (емкостная, индуктивная), наличием коммутационных перегрузок в цепи нагрузки, параметрами применяемого трансформатора и т.д.
В первую очередь необходимо рассчитать значение максимального обратного напряжения, прикладываемого к силовым диодам при работе выпрямителя выбранного типа, а также оценить среднее значение протекающего через них прямого тока (это можно сделать по приближенным формулам, приводимым в табл. 1). Полученные таким образом значения необходимо откорректировать в зависимости от характера нагрузки.
Таблица 1
При наличии активно-емкостной нагрузки (а это чаще всего именно так) амплитудное и действующее значения тока силовых диодов могут существенно превышать его расчетное среднее значение. Так, например, при допустимом уровне пульсаций на выходе порядка 0,1% в однофазном мостовом выпрямителе с емкостным фильтром амплитудное значение тока выпрямительных диодов может достигать 15. Iпр ср max. В целях исключения перегрузки диодов по величине действующего и амплитудного значений токов и их перегрева, необходимо ужесточить требования к максимальному прямому среднему току (Iпр ср max) применяемых диодов. Практически, для однополупериодного выпрямителя используется коэффициент 2,2, а для двухполупериодного 1,1 (т.е. используемые диоды должны иметь значение Iпр ср max как минимум в 1,1 раза большее, чем это следует из значений, полученных по формулам из табл. 1).
Величина максимально допустимого повторяющегося обратного напряжения (Uобр max) используемых диодов также подвержена влиянию нагрузки (характер этого влияния может быть вычислен по формулам, приводимым далее). Во избежание ее превышения в начальный момент времени после включения выпрямителя и во время его работы (в том числе и на холостом ходу), силовые диоды должны выбираться с некоторым запасом и по этому параметру.
Опираясь на найденные значения Iпр ср max и Uобр max (не забывая также о предполагаемой частоте входного переменного напряжения), по таблицам справочных данных производят предварительный выбор силовых диодов. Немаловажное значение для характеристик выпрямителя имеет тип выбранных выпрямительных диодов.
Напомним, что в качестве выпрямительных могут использоваться кремниевые, германиевые или арсенид-галлиевые диоды с p – n переходом (в т.ч. лавинные диоды), а также кремниевые или арсенид-галлиевые диоды с переходом Шоттки.
Германиевые выпрямительные диоды довольно широко использовались 10..20 лет назад. В настоящее время они практически полностью вытеснены более совершенными кремниевыми и арсенид-галиевыми приборами. И только в некоторых довольно редких случаях немногие положительные свойства германиевых диодов могут обусловить их применение в выпрямителях. Основными свойствами германиевых диодов с p – n переходом являются:
• низкое прямое падение напряжения (на германиевом диоде при максимально
допустимом прямом токе падение напряжения приблизительно в два раза
меньше, чем на аналогичном кремниевом диоде), что является существенным,
но, к сожалению, единственным преимуществом перед кремниевыми выпря-
мительными диодами;
• существование явно выраженного тока насыщения при обратном включении
диода;
• значительно большая величина обратного тока по сравнению с аналогичными
кремниевыми диодами;
• пробивное напряжение уменьшается с ростом температуры (большие обратные
токи германиевых диодов являются причиной теплового характера их пробоя),
а значение этого напряжения меньше пробивных напряжений кремниевых
диодов.
• верхний предел диапазона рабочих температур германиевых диодов составляет
приблизительно 75 °С, что значительно ниже по сравнению с тем же парамет-
ром кремниевых диодов.
Существенным недостатком германиевых диодов является то, что они плохо выдерживают даже кратковременные импульсные перегрузки по обратному напряжению. Определяется это механизмом пробоя германиевых диодов — тепловым пробоем, происходящим с выделением большой удельной мощности в месте пробоя.
Кремниевые выпрямительные диоды с p – n переходом — это наиболее распространенный в настоящее время вид диодов, применяемых во всех классах выпрямителей (однако они постепенно вытесняются более эффективными диодами с переходом Шоттки). Их основные свойства:
• максимально допустимые прямые токи кремниевых диодов различных типов
составляют 0,1... 1600 А, падение напряжения на диодах при этих токах не
превышает обычно 1,5 В;
• с увеличением температуры прямое падение напряжения уменьшается;
• обратная ветвь ВАХ кремниевых диодов не имеет ярко выраженного участка
насыщения;
• пробой кремниевых диодов имеет лавинный характер, поэтому пробивное
напряжение с увеличением температуры увеличивается (для некоторых типов
кремниевых диодов при комнатной температуре пробивное напряжение может
составлять 1500...2000 В);
• диапазон рабочих температур для кремниевых выпрямительных диодов
ограничен значениями-60...+125 °С.
Лавинный характер пробоя кремниевых диодов позволил создать такие приборы, которые безболезненно переносят многократные перегрузки по обратному напряжению — лавинные диоды. Если условия эксплуатации разрабатываемого выпрямителя очень тяжелы с точки зрения стабильности питающего напряжения или тока нагрузки (что возможно при коммутации различных емкостей и индуктивностей в цепях нагрузки), то применение лавинных диодов становится практически неизбежным. Они обеспечивают гашение кратковременных импульсов высокого напряжения, проникающих в выпрямитель из внешних цепей. Альтернативой использованию лавинных диодов может быть добавление в выпрямитель стабилитрона или ограничителя напряжения.
Выпрямительные диоды, изготовленные из материала с большой шириной запрещенной зоны, обладают существенными преимуществами в свойствах и параметрах. С этой точки зрения, относительно недавно появившиеся выпрямительные диоды с p – n переходом из арсенида галлия являются очень перспективными приборами. Параметры выпускаемых арсенид- галлиевых выпрямительных диодов пока еще далеки от теоретически возможных (например, для диодов типа АД 112 максимально допустимый прямой ток равен всего 300 мА, а максимально допустимое обратное напряжение — 50 В), поэтому очевидно, что новые приборы такого типа будут значительно превосходить своих предшественников.
К основным свойствам арсенид-галлиевых приборов следует отнести:
• значительный диапазон рабочих температур (до 250 °С);
• лучшие частотные свойства (арсенид-галлиевые диоды могут работать в
качестве выпрямителей малой мощности до частоты 1 МГц и выше);
• повышенное (более 3 В) падение напряжения при прямом смещении.
Выпрямительные диоды с барьером Шоттки — наиболее перспективный вид полу-
проводниковых выпрямительных диодов. Они могут изготавливаться из кремния или арсенида
галлия. Очевидно, что по мере совершенствования и удешевления технологии изготовления
диоды с барьером Шоттки будут все более вытеснять выпрямительные диоды с p – n переходом. Основными свойствами диодов Шоттки являются:
• малое падение напряжения при прямом смещении (около 0,6 В);
• большая максимально допустимая плотность тока, что связано как с меньшим
падением напряжения на диоде, так и с особенностями его конструкции,
обеспечивающими хороший отвод тепла от выпрямляющего перехода;
• способность выдерживать значительные перегрузки по току по сравнению с
аналогичными диодами с p – n переходом;
• кремниевые и особенно арсенид-галлиевые диоды Шоттки имеют пока
относительно маленькие значения пробивных напряжений (20...70 В), но по
мере совершенствования технологии их изготовления этот недостаток посте-
пенно устраняется.
















