глава3-n_123 (967715), страница 2
Текст из файла (страница 2)
где IA*, IB*,IC * - сопряженные комплексы выражений линейных токов.
Все элементы R, XL и XС рассматриваемой схемы являются потребителями либо активной, либо реактивной мощности:
где I - действующее значение токов.
Баланс заключается в равенстве
,
. Расчет баланса мощности указан в примере 3.6.1.
При симметричной нагрузке применяются более простые выражения мощности в действительных числах.
Независимо от соединения треугольником или звездой суммарная мощность для трёх фаз потребителя равна:
В данное равенство вводятся линейные напряжение и ток.
Если фазы потребителя соединены тругольником, то:
Если фазы потребителя соединены звездой, то:
В обоих случаях оказывается:
Учитывая
под Р в уравнении (3.6.3.) имеется в виду мощность потребляемая из сети, т.е. мощность источника. Полная и реактивная мощности соответственно будут выражены:
3.7 Расчёты в трёхфазных цепях
Пример 3.2.1
Д
ано: Uсети=380/220 В
Требуется: Выразить линейные и фазные напряжения сети комплексными числами.
Решение:
Изобразим систему линейных и фазных напряжений сети ( рис. 3.7.1 ) так, чтобы все шесть векторов исходили из одной точки. Масштаб векторов не указываем. Взаимная связь векторов по уравнениям (3.2.1.) и (3.2.2.) сохраняется. Поворачиваем оси комплексной плоскости так, чтобы вектор фазного напряжения UA располагался по действительной оси. Координаты
Рис 3.7.1 расположения каждого из векторов в комплексной плоскости являются их выражениями комплексными числами:
Пример 3.4.1
Дано: Схема электрических цепей, подключенных к трехфазной сети 380/220 В. R=12 Ом, XC=5 Ом.
Требуется: Рассчитать токи, построить векторную диаграмму напряжений сети и токов.
Решение:
В схеме фазы потребителя подключены к линейным напряжениям сети. Это соединение треугольником. Нагрузка симметричная. Назначаем положительные направления токов, как указано на схеме. Расчет выполняется по уравнениям (3.4.1), (3.4.2), (3.4.3).
При построении векторной диаграммы указываем векторы линейных напряжений сети и токи согласно уравнениям расчета.
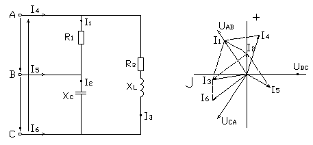
Пример 3.4.2
Дано: Схема электрических цепей, подключенных к трехфазной сети 380/220 В, R1=20 Ом, XC=40 Ом, R3=10 Ом, XL=10 Ом.
Требуется: Рассчитать токи, построить векторную диаграмму напряжений сети и токов.
Р
ешение:
Фазы потребителя соединены треугольником, нагрузка несимметричная. Назначаем положительные направления токов. Для расчета токов применяем символический метод.
Уравнения:
Пример 3.5.1
Дано: Четыре резистивных потребителя - нагревательные приборы, имеющие номинальные данные Uном=220 В, Pном,=600 Вт, подключены к трехфазной сети 380/220 В как указано на схеме.
Т
ребуется: Определить токи, построить векторную диаграмму.
Решение:
Резисторы R1, R2 и параллельно соединенные R3 и R4 образуют соединение звездой. Нагрузка несимметричная.
Назначаем положительные направления токов, как указано на схеме.
Вычисляем величины сопротивлений:
На основе уравнений (3.5.1) вычисляем токи:
Наносим векторы токов на векторной диаграмме напряжений.
На основе уравнения (3.5.2) из векторных построений находим I4=2.73А.
Пример 3.5.2
Дано: Схема электрических цепей, подключенных к трехфазной сети 380/220 В. R=XL=XC=20 Ом.
Требуется: Определить напряжения UKM и UKS
Решение:
Д
ля определения UKM выбираем вариант расчета с помощью графических построений векторов.
Векторы линейных и фазовых напряжений сети строим так, чтобы на диаграмме оказались точки с потенциалами точек схемы A, B, C, N. Взаимная связь векторов по уравнениям (3.2.1) и (3.2.2) сохраняется. Назначаем положительные направления токов как указано на схеме. Определяем токи I1 и I3 согласно уравнениям (3.4.1) и (3.5.1).
Изображаем на векторной диаграмме напряжений найденные токи как векторы.
Вычисляем напряжения: UAK=I1R1=268.8 В, UKB=I1XC1=268.8 В, UAM=I3XL3=155.6 В, UMN=I3R3=155.6 В. Изображаем на векторной диаграмме соответствующие векторы. В треугольнике KAM угол A 300. По теореме косинусов вычисляем UKM:
Для вычисления UKS выбираем символический метод.
Уравнения:
Пример 3.6.1
Дано: Схема электрических цепей, подключённых к трёхфазной сети 380/220 В.
R1=10 Ом, R2=20 Ом, XL1=40 Ом, XС2=30 Ом, XС3=5 Ом.
Требуется: Рассчитать баланс активной и реактивной мощности.
Р
ешение:
Фазы потребителя соединены звездой. Нагрузка несимметрич- ная. Назначаем положительные направления токов, как указано на схеме. Рассчитываем токи по уравнениям (3.5.1) символическим методом.
Расчёт токов:
Расчёт мощности источников по уравнению (3.6.1):
Расчёт мощности потребителей по уравнениям (3.6.2):
Баланс мощности сходится.
11
















