Глава 8 Элементы конструкции и механические расчеты (967520), страница 12
Текст из файла (страница 12)
Напряжение от центробежных сил по (8.108)
По (8.107)
Расчет клиньев. Клинья изготовляют из гетинакса, текстолита, стеклотекстолита и дерева (бука, клена, ясеня). Клин рассчитывают на изгиб как балку с сосредоточенной нагрузкой посредине. Эта нагрузка равна центробежной силе пазовой части обмотки. Расчет производится на 1 м. Исходя из этого определяется предварительная высота клина
, (рис. 8.51), м:
Центробежная сила пазовой части обмотки на 1 м, Н/м,
где
— по (8.101);
— средняя ширина клина, м (рис. 8.52),
Допустимое напряжение на изгиб
для гетинакса равно 20 МПа, для текстолита — 35 МПа, для дерева при расположении волокон поперек паза — 8 и вдоль паза — 4 МПа.
По найденной высоте
из табл. 8.9 подбирают нормализованные размеры клина. Приведенные в таблице размеры даны в соответствии с рис. 8.52. По производственным соображениям высота клина должна составлять не менее 0,256
.
После выбора клина проводят поверочный расчет. Напряжение на изгиб, Па,
Напряжение на срез, Па,
где
— в метрах по рис. 8.52 и табл. 8.9.
Рис. 8.52. К расчету пазового клина
Таблица 8.9. Размеры клина
Допустимое напряжение на срез для гетинакса равно 10 МПа, для текстолита — 15 МПа, для дерева при расположении волокон поперек паза — 4 и вдоль паза — 2 МПа.
Пример. Тот же двигатель, что и в предыдущем примере (
кВт). Размеры паза
м. Остальные данные те же.
Из (8.101)
Центробежная сила пазовой части обмотки
Материал клина — текстолит с
МПа. Выбираем
=14·10-3 м.
Из (8.109)
По табл. 8.9 выбираем клин с
= 4·10-3 м;
= 12 + 1,2 = 13,2 мм;
= 3,5 мм.
Проводим проверку:
По (8.110)
по (8.111)
Выбранный клин имеет достаточную механическую прочность.
8.8. КОЛЛЕКТОРЫ
Коллектор является ответственной и сложной частью постоянного тока. Он состоит из коллекторных пластин, изготовляют из твердотянутой меди трапецеидального сечения толщиной 3...15 мм. Иногда для повышения механической прочности применяют пластины из меди с присадкой кадмия. Для медных пластин друг от друга между ними укладывают прокладки из специального коллекторного миканита толщиной 0,8...1,5 Набор коллекторных пластин с изоляцией между ними должен прочно закреплен и иметь строго цилиндрическую форму при режимах работы машины. Существующие конструкции коллекторов различают по способу крепления пластин и имеют большое многообразие. Здесь рассматриваются наиболее употребляемые в современных машинах способы крепления: нажимными конусными фланцами и конструкционной пластмассой.
При креплении нажимными конусными фланцами коллекторные пластины выполняют в виде ласточкина хвоста. Изоляционные прокладки между пластинами — такой же формы. Коллекторы с креплением нажимными конусными фланцами делят на арочные и клиновидные. В первом случае нажим на пластины осуществляется только на ласточкин хвост (рис. 8,53, а), во втором — на ласточкин хвост и концы пластин (рис. 53, б).
Рис. 8.53. Способы крепления коллекторных пластин
Наибольшее распространение получили арочные коллекторы, как более технологичные. На рис. 8.54 и 8.55 показаны конструкции таких коллекторов.
Ни рис. 8.54 нажимные фланцы 1, надетые на втулку 2, стягиваются кольцевой гайкой 3. Для изоляции всех коллекторных пластин от корпуса на нажимные фланцы надевают прессованные из миканита манжеты 4, а на втулку — миканитовый цилиндр 5. Со стороны якоря у коллекторной пластины имеется выступ 6, называемый петушком, в котором выфрезеровывается шлиц. В этот шлиц закладывают, а затем припаивают проводники обмотки якоря.
Рис. 8.54. Коллектор малых машин
Рассмотренную конструкцию применяют при диаметрах коллекторов до 200...250 мм и малой длине. В коллекторах с общей длиной более 200 мм не рекомендуется применять затяжку фланцев кольцевой гайкой, так как в этом случае при нагреве пластин из-за температурной деформации происходит бочкообразный выгиб пластин.
Пример конструкции коллекторов с большими диаметрами показан на рис. 8.55. Здесь нажимные фланцы 1 стягивают стальными шпильками 2. На фланцы надевают миканитовые манжеты 3. При большой разнице в диаметрах якоря и коллектора в шлиц пластины впаивают медные полоски 4 — петушки, к которым присоединяют проводники якоря.
Рис. 8.55. Коллектор на пластмассе
В коллекторах относительно небольших размеров (с внешним диаметром до 40...50 см) в настоящее время находит широкое применение крепление пластин пластмассами (рис. 8.56). По сравнению с креплением нажимными фланцами такие коллекторы более надежны в эксплуатации в отношении сохранения правильной цилиндрической формы, имеют меньшую трудоемкость изготовления и себестоимость за счет отсутствия механической обработки пластин на станке. Для посадки коллектора на вал внутри его предусматривают стальную втулку 1, в которой для лучшего сцепления с пластмассой проточены кольцевые канавки. Пластмассу 2 впрессовывают в пространство между втулкой и коллекторными пластинами. Для этого применяют пластмассу марки К6 или АГ-4. В целях повышения механической прочности в углубления коллекторных пластин 3 вкладывают армировочные кольца 4, выполненные из стальной проволоки или полосы. Размеры колец и число их витков зависят от диаметра коллектора. Показанная на рис. 8.5 конструкция коллектора применяется при их диаметрах до 25 см.
Внешний диаметр коллектора
, его общую длину
и ширину коллекторного деления
определяют из электромагнитного расчета. Ниже даны некоторые соотношения, позволяющие выбрать размеры коллекторных пластин (рис. 8.57).
Высоту коллекторной пластины принимают равной:
Рис. 8.56. Коллектор на пластмассе
Рис. 8.57. Коллекторная пластина
Высота ласточкина хвоста
Дня равномерного распределения центробежных сил ласточкины хвосты стараются располагать несимметрично:
. При выборе длины
можно исходить из соотношения
Ширину выточки
, нужной для выхода шлифовального круга и фрезы при продорожке изоляции между пластинами, берут равной 6…8 мм.
Размер
выбирается для якорей с многовитковыми секциями равной 12...15 мм, а для якорей с одновитковыми секциями 15…20 мм.
Толщина миканитовых манжет равна 1…1,5 мм, а миканитового цилиндра 0,75…1 мм.
Профиль ласточкина хвоста задается углами
и
, которые обычно применяются равными соответственно 30 и 3°. При диаметре коллектора менее 15 см эти углы принимаются равными 45 и 3°. Число шпилек для стягивания нажимных фланцев зависит от диаметра коллектора. При
менее 50 см число шпилек выбирается в пределах от 6 до 12. Диаметр шпилек не рекомендуется брать менее 16 мм.
8.8.1. Механический расчет коллектора
с нажимными конусными фланцами
Ниже дается упрощенная методика, позволяющая получить удовлетворительные результаты для большинства практических случаев.
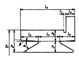
В предлагаемой методике механического расчета коллектора проводится проверка напряжений в наиболее опасных сечениях пластины, стяжных болтах и миканитовой манжете. Опасными сечениями коллекторных пластин являются сечения I—I II—II, III—III (рис. 8.58).
При расчете напряжений в сечениях I—I и II—II консольную часть пластины рассматривают как балку с заделанным концом, на которую действует распределенная нагрузка. Распределенная нагрузка создается двумя силами: центробежной силой части пластины
и радиальной составляющей силы арочного распора
, которая возникает в результате сжатия пластин нажимными фланцами.
Рис. 8.58. К расчету коллектора
Консольные части пластины рассчитывают для изношенного коллектора. Радиальный износ
можно принять до 20…40%
(см. рис. 8.58).
Исходя из сказанного, напряжение изгиба в сечении I—I, Па, находится по формуле
где
— средняя толщина консольной части пластины, м:
















