Задачи (950014)
Текст из файла
Решение задач
По первому этапу курсовой работы
по курсу МЖГ
ВАРИАНТ 5-3-3
ТЕМА
Гидравлический расчет гидросистемы
деривационной гидроэлектростанции
Выполнил студент группы Э5-51
Подпись, дата сдачи на проверку
Д
опустил к защите Кузнецов В.С.
Подпись, дата допуска к защите
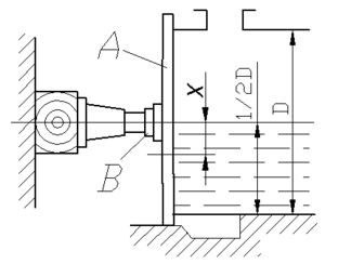
Задача 2.13.
Заглушка А прижата к торцу горизонтального цилиндрического резервуара диаметром D= 1,2 м при помощи домкрата В, установленного в её центре. Резервуар наполовину заполнен водой.
-
Определить наименьшую силу
нажатия домкрата, необходимую для удержания заглушки. -
Найти положение домкрата
, при котором необходимая сила нажатия будет минимальной, а также значение этой силы
. -
При каком вакууме
над водой в резервуаре заглушка могла удержаться без домкрата?
Решение.
Определим силу действующую на стенку со стороны жидкости:
, для полукруга
, а
, следовательно
.
Найдем положение центра давления:
.
, подставляя значения, получаем
.
Запишем уравнение моментов относительно высшей точки заглушки:
, от сюда получаем
.
Чтобы сила нажатия домкрата была наименьшей, необходимо чтобы центр давления со стороны жидкости совпадал с центром давления домкрата, т.е.
. И наименьшая сила будет равна
.
Чтобы заглушка могла удерживаться без домкрата, необходимо чтоб давление в центре тяжести смоченной поверхности (полукруга) было равно нулю:
Задача 3.3.
Показание манометра, присоединенного к днищу бака,
Найти давление
воздуха, находящегося над водой, если
Определить растягивающее
и срезающее
усилия болтов, крепящихся к вертикальной стенке бака коническую крышку с размерами
и
; массой крышки пренебречь.
Найти зависимость этих сил от давления
Решение.
Давления воздуха, находящегося над поверхностью воды, определяем из соотношения
(газ разряжен).
Найдем на каком расстоянии от поверхности жидкости находится пьезометрическая поверхность:
.
Растягивающая составляющая сил давления равна
(крышка прижимается к сосуду).
Срезающая составляющая сил давления равна весу жидкости в конусе
.
Срезающая составляющая не зависит от давления на манометре
, зависит только растягивающая:
.
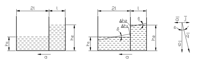
Задача 4.2.
Призматический сосуд длиной
и шириной
, перемещающийся горизонтально с постоянным ускорением
, разделен плоской перегородкой на два отсека, заполняемых водой до высот
и
.
Решение.
Рассмотрим изменение высоты жидкости у перегородки. Под действием ускорения в широкой части жидкость у стенки поднимется (
), а в узкой опустится (
).
А теперь по формуле
определим силы, действующие на стенку:
Чтобы сила стала равна 0 необходимо, чтобы
или если сократить, то
,
откуда
.
Задача 4.23.
Определить силу давления на коническую боковую поверхность
и плоское дно
сосуда, целиком заполненное водой и вращающегося с угловой скоростью
, если известно, что в верхней точке
сосуда вакуумметрическая высота равна
.
Решение.
Рис. 1 Рис. 2
Найдем закон распределения избыточного давления в жидкости:
. Воспользуемся граничным условием, которое при выборе координат в центре крышки имеет вид:
, если
. Подставив эти условия в уравнение, получаем:
откуда
. Закон распределения избыточного давления примет вид:
.
Найдем силу давления на крышку АС. Разбивая поверхность крышки на элементарные кольцевые площадки и используя формулу для избыточного давления на крышке (
), получаем :
Силу давления на боковую коническую поверхность ABC найдем, вычисляя вес тела давления (объем тела
давления заштрихован на рис. 2).
,
Найдем недостающие компоненты (
).
Параболойд задается уравнением
, а проекция конической стенки
. Решив уравнение
, находим, что
,
, а
.
Подставляем значения в формулы для объемов:
;
8
Характеристики
Тип файла документ
Документы такого типа открываются такими программами, как Microsoft Office Word на компьютерах Windows, Apple Pages на компьютерах Mac, Open Office - бесплатная альтернатива на различных платформах, в том числе Linux. Наиболее простым и современным решением будут Google документы, так как открываются онлайн без скачивания прямо в браузере на любой платформе. Существуют российские качественные аналоги, например от Яндекса.
Будьте внимательны на мобильных устройствах, так как там используются упрощённый функционал даже в официальном приложении от Microsoft, поэтому для просмотра скачивайте PDF-версию. А если нужно редактировать файл, то используйте оригинальный файл.
Файлы такого типа обычно разбиты на страницы, а текст может быть форматированным (жирный, курсив, выбор шрифта, таблицы и т.п.), а также в него можно добавлять изображения. Формат идеально подходит для рефератов, докладов и РПЗ курсовых проектов, которые необходимо распечатать. Кстати перед печатью также сохраняйте файл в PDF, так как принтер может начудить со шрифтами.
















