Лекция_4_Березовская (945790)
Текст из файла
Лекция 4
Фильтры
Применяют тканевые, волокнистые и другие фильтры, имеющие следующую конструкцию (на рисунке 1: 1-корпус, 2-фильтрующий элемент, 3-слой осажденной пыли):
Рисунок 1
Процессы осаждения
Эффект касания- возникает при непосредственном прикосновении пылинки с элементом фильтра при прохождении ее на расстоянии не более радиуса частицы.
1.
Рисунок 2
В этом случае пыль задерживается в начале фильтра (на рисунке 2: 1-пылинка, 2-тело осаждения).
2. Осаждение за счет диффузии (броуновского движения) соударения с телом осаждения (на рисунке3: 1-пылинка, 2-тело осаждения).
Рисунок 3
Процесс инерционного осаждения
Рисунок 4
На рисунке 4: 1-пылинка, 2-тело осаждения.
Газовый поток огибает тело осаждения, а пылинка продолжает двигаться прямолинейно и сталкивается с телом осаждения.
Осуществляется при размере частицы d‹1 мкм, скорости потока V‹1 м/с.
Процесс гравитационного осаждения
Осуществляется при размере частицы d›1 мкм, скорости потока V‹0,05 м/с.
Общая эффективность осаждения рассчитывается по формуле:
η=1-(1-ηк)*(1-ηд)*(1-ηи)*(1-ηг)
где к-касание, д-диффузия, и-инерция, г-гравитация.
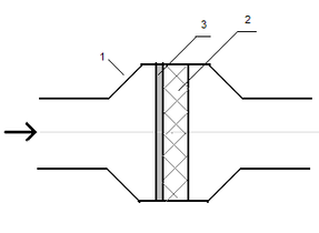
Скруббер Вентури
Рисунок 5
На рисунке5: 1-конфузор, 2-диффузор, 3-сопло, 4-форсунка, 5-шламосборник.
Способ основан на столкновении частиц пыли с каплями воды. Через форсунку 4 в конфузор 1 подается вода и туда же поступает загрязненный газ со скоростью V=15-20 м/с.
По мере сужения конфузорной части в самом узком месте скорость достигает V=30-200 м/с.
Процесс осаждения зависит от массы пыли, равномерности распределения капель воды по сечению скруббера и скорости потока.
Далее в диффузоре 2 скорость снижается до V=15-20 м/с. Вода, содержащая пылинки, поступает в цилиндрическую часть (шламосборник 5).
Скрубберы эффективны при борьбе с мелкой пылью, а также аэрозолями вредных газов (частицы d=1 мкм).
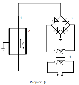
Электрофильтры
На рисунке 6: 1-осевой (коронирующий) электрод, выполненный из металлической струны или стержня, 2-циллиндрическая оболочка, 3-выпрямитель, 4-трансформатор.
Между электродами 1 и 2 прикладывают напряжение порядка 10-15 кВ, что позволяет получить неоднородное электрическое поле. Наибольшее напряжение электрического поля достигается вблизи стержневого электрода. В этих условиях происходит ионизация газа, соединение частиц пыли с ионами и их движение к осадительному элементу. После осаждения на электроде 2 пыль удаляется водой, за счет вибрации или при смене полярности.
«Зарядка пыли»
U
Область 1: в газе всегда имеются ионы в небольшом количестве за счет действия ионизирующего излучения, температуры и трения о стенки воздуховодов. С ростом напряжения все большее число ионов доходит до электродов.
Область 2: все имеющиеся ионы доходят до электрода под действием электрического поля насыщения.
Область 3: ионы приобретают энергию для ударной ионизации.
Uкр=Екр*R1*ln(R2/R1)
R1 и R2- радиусы коронирующего и осадительного элементов соответственно.
Ионы имеют различную подвижность. Поэтому коронирующий электрод выполняют отрицательным, то есть подают отрицательный потенциал.
| D частицы, мкм | 0,4 | 2,0 | 30 |
| Vэ м/с, Е=15*10^4 В/м | 0, 012 | 0,015 | 0,1 |
| Vэ м/с, Е=30*10^4 В/м | 0,025 | 0,036 | 0,6 |
На эффективность удержания пыли на осадительных электродах влияет удельное сопротивление материала пылинки.
Характеристики
Тип файла документ
Документы такого типа открываются такими программами, как Microsoft Office Word на компьютерах Windows, Apple Pages на компьютерах Mac, Open Office - бесплатная альтернатива на различных платформах, в том числе Linux. Наиболее простым и современным решением будут Google документы, так как открываются онлайн без скачивания прямо в браузере на любой платформе. Существуют российские качественные аналоги, например от Яндекса.
Будьте внимательны на мобильных устройствах, так как там используются упрощённый функционал даже в официальном приложении от Microsoft, поэтому для просмотра скачивайте PDF-версию. А если нужно редактировать файл, то используйте оригинальный файл.
Файлы такого типа обычно разбиты на страницы, а текст может быть форматированным (жирный, курсив, выбор шрифта, таблицы и т.п.), а также в него можно добавлять изображения. Формат идеально подходит для рефератов, докладов и РПЗ курсовых проектов, которые необходимо распечатать. Кстати перед печатью также сохраняйте файл в PDF, так как принтер может начудить со шрифтами.
















