Лекция_4_Баженов (945788)
Текст из файла
Фильтры
Применяют тканевые, волокнистые и другие фильтры, имеющие следующую конструкцию
-
Эффект касания
Возникает при непосредственном соприкосновении пылинки с элементами фильтра при прохождении ее на расстоянии, не большем радиуса частицы.
1-пылинка
2-место осаждения
В этом случае пыль задерживается в начале фильтра.
-
Осаждение пыли за счет диффузии (Броуновское движение).
Осаждение происходит при dr<0.1 мкм и скорости движения воздушной среды v<1 м/с.
-
Инерционное осаждение.
Газовый поток огибает тело осаждения, а пылинки продолжают двигаться прямолинейно и сталкиваются с местом осаждения.
Инерционный эффект отсутствует, при движении частиц менее 1мкм со скоростью менее 1м/c.
-
Гравитационное осаждение.
Осаждение под действием сил гравитации.
Общая эффективность осаждения для 4х механизмов рассчитывается по формуле:
Скруббер Вентури
Способ основан на столкновении частиц пыли с каплями воды.
Эффективен при d/r=1-2 микрона.
Через форсунку в конфузор подается вода и туда же поступает загрязненный газ, в конфузорной области газ разгоняется до скорости v=15-20 м/c. По мере сужения конфузорной части, в самом узком месте скорость достигает v=20-30 м/c. Процесс осаждения зависит от массы пыли, от равномерности распределения капель воды по сечению скруббера и скорости потока. Далее в диффузорной части скорость снижается до 15-20 м/с и вода, содержащая пылинки поступает в цилиндрическую часть сборника. Скрубберы эффективны при борьбе с мелкой пылью, а также с аэрозолями и вредными газами.
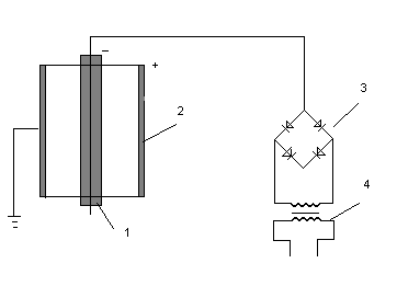
Электрофильтры.
Происходит зарядка частиц и осадка их на электроде за счет силы F=q*E.
Однокамерный:
1 – электрод (струна, стержень)
2 – цилиндрический осадительный электрод
3 – выпрямитель
4 – трансформатор
Между электродами 1 и 2 прикладывается напряжение порядка 10-15 кв, что позволяет получить неоднородное электрическое поле. Наибольшая напряженность электрического поля достигается вблизи стержневого электрода.
В этих условиях происходит ионизация газа, соединение частиц пыли с ионами и их движение к осадительному электроду. После осаждения на электроде-2, пыль удаляется:
-
Водой.
-
Вибрацией.
-
Смена полярности.
Область I
В газе всегда содержатся ионы в небольшом количестве (за счет действия ионизирующего излучения, температуры, трения о стенки).
С повышением напряжения все большее число ионов доходит до электродов.
Область II
Все имеющиеся ионы доходят до электродов под действием поля.
Облать III
Ионы приобретают энергию, достаточную для ударной ионизации.
Критическое напряжение, при котором возникает кранирующий разряд:
Vг=0.5-2 м/c.
Vэ зависит от массы, заряда и Е.
| dr, мкм | 0.4 | 20 | 30 |
| Vг, м/с E=15*10^4 В/м | 0.012 | 0.015 | 0.1 |
| Vэ, м/с E=30*10^4 В/м | 0.025 | 0.036 | 0.6 |
На эффективность удержания пыли на осаждающих электродах влияет удельное сопротивление материала пылинок.
Характеристики
Тип файла документ
Документы такого типа открываются такими программами, как Microsoft Office Word на компьютерах Windows, Apple Pages на компьютерах Mac, Open Office - бесплатная альтернатива на различных платформах, в том числе Linux. Наиболее простым и современным решением будут Google документы, так как открываются онлайн без скачивания прямо в браузере на любой платформе. Существуют российские качественные аналоги, например от Яндекса.
Будьте внимательны на мобильных устройствах, так как там используются упрощённый функционал даже в официальном приложении от Microsoft, поэтому для просмотра скачивайте PDF-версию. А если нужно редактировать файл, то используйте оригинальный файл.
Файлы такого типа обычно разбиты на страницы, а текст может быть форматированным (жирный, курсив, выбор шрифта, таблицы и т.п.), а также в него можно добавлять изображения. Формат идеально подходит для рефератов, докладов и РПЗ курсовых проектов, которые необходимо распечатать. Кстати перед печатью также сохраняйте файл в PDF, так как принтер может начудить со шрифтами.
















