lektsii (857993), страница 6
Текст из файла (страница 6)
Технические характеристики станка
Обоснование УЧПУ – почему выбираете микропроцессорную УЧПУ, структурные построения УЧПУ (однопроцессорная или мультипроцессорная), если однопроцессорная – то по такой то схеме, а мультипроцессорная – по такой-то схеме.
Далее блок-схема УЧПУ, характеристики, терминальная задача и диагностическая задача.
Структурные схемы построения микропроцессорных УЧПУ
Перечислим основные принципы организации микропроцессорной УЧПУ:
-
Программно-аппаратная реализация функции управления. В соответствии с этим принципом обработка информации осуществляется программными средствами вычислителя. Основные функции аппаратных средств контроллера внешних устройств является функции преобразования информации вычислителя в сигналы управления объектом и наоборот преобразование сигналов объекта в машинную форму.
-
Магистрально-модульный принцип построения аппаратных средств заключается в том, чтобы аппаратные средства микропроцессорных систем выполняются в виде унифицированных по конструкции модулей и имеют унифицированные средства сопряжения с системными магистралями
-
Принцип встроенной диагностики, в соответствии с которым каждый блок, входящий в вычислитель или контроллер внешнего устройства имеет свои аппаратные диагностические средства.
Состав задач и сложности функций выполнения оказывает влияние на архитектуру построения УЧПУ. Существует два крайних архитектурных решения построения микропроцессорной УЧПУ – разделяемый вычислитель (все задачи будут решаться параллельно с помощью одного вычислителя) и выделяемый вычислитель (каждой задаче соответствует собственный вычислитель и параллельные вычисления должны быть скоординированы между собой
Рисунок 1
Архитектурному решению разделяемый вычисляемый соответствует однопроцессорное УЧПУ, которое может иметь структуру построении я с помощью единой общей магистралью или двумя магистралями.
Рисунок 12.9
Структура построения с общей магистралью контроллеры внешних устройств КВУ1…КВУN сопрягаются с вычислителем общей магистралью. В этой структуре нагрузочная способность системной магистрали ограничивает возможности расширения функций УЧПУ в следствии ухудшения помехоустойчивости.
Лекция 11
Для улучшения нагрузочной способности используют вариант однопроцессорной структуры с двумя магистралями, сопряженния между которыми осуществляется через адаптер связи. В этой структуре контроллеры внешних устройств дисплея и клавиатуры оператора обычно сопрягаются с системной магистралью вычислителя. А контроллеры электроприводом, устройства работы электроавтоматики сопрягаются с системной магистралью устройства ЧПУ. Использование такой структуры более эффективно, потому что контроллеры внешних устройств станка для связи с несколькими однотипными внешними устройствами обычно выполняют на одной плате, что является по отношению к системной магистрали одной единицей нагрузки.
Количественные и качественные расширения функциональных возможностей управления с использованием однопроцессорных УЧПУ ограниченно рядом причин:
-
Вычислительная мощность процессора. Недостаточная вычислительная мощность однопроцессорных УЧПУ сдерживает развитие МП УЧПУ. Если используется однопроцессорная УЧПУ, то накладывается ограничение на число управляемых координат станка, минимальную дискретность перемещения, максимальную скорость интерполированной подачи, уровень сервиса для оператора и как правило возникают проблемы разделения процессорного времени, поэтому для того, чтобы повысить вычислительную мощность в однопроцессорной УЧПУ идут на повышение разрядности микропроцессора.
-
Возможность привязки микропроцессорной УЧПУ к станку, связано с управлением цикловой автоматики станка, то есть если схема управления цикловой автоматики проста, то дискретными сигналами входа/входа этих устройств управляет вычислитель. Однако, у станков со сложной автоматикой как правило ее устройство управляется так называемым программируемым контроллером, который разгружает вычислитель от операций ввода/вывода информации или берут на себя выполнение отдельных функций задач.
-
Наличие конечной нагрузочной способности системной магистрали. Повышение вычислительной мощности микропроцессора целесообразно, если можно расширить число модулей, подключаемых к системной магистрали без снижения надежности обмена данными.
Из этих недостатков очевидно целесообразность использование архитектурного решения – выделяемые вычислители. Это соответствует мультипроцессорной структуре построения УЧПУ. Число вычислителей не обязательно соответствует числу задач УЧПУ. Возможно распределение одной задачи между несколькими вычислителями или использование специальных вычислителей, которые будут выполнять служебные функции (доступ к большим объемам памяти, координации работы между вычислителями)
Мультипроцессорная УЧПУ может иметь сосредоточенную и распределенную структуру построения.
Сосредоточенная структура построения
Рисунок 1
Распределенная структура построения
Рисунок 2
Основные различия:
-
При распределенной структуре каждый вычислитель имеет свою операционную систему, в том время как у сосредоточенной системы операционная система может быть общей.
-
Обмен информацией между вычислителями при распределенной структуре менее интенсивен чем при сосредоточенной.
-
Каждый вычислитель при распределенной структуре имеет свой контроллер (переферийных устройств), объекта управления, ЭВМ верхнего уровня.
-
Вычислители при распределенной структуре не могут иметь общей памяти для ее коллективного использования.
-
При распределенной структуре допустимо большое пространственное разделение вычислителей, которые могут быть приближены к своим объектам управления.
-
Функции, выполняемые различными вычислителями, будут определяться программным обеспечением, занесенным в запоминающее устройство вычислителя. Мультипроцессорные УЧПУ могут быть представлены одним блоком, либо представлены в виде ряда конструктивных блоков.
-
Если мультипроцессорное УЧПУ представлено одним блоком, то объединение нескольких вычислителей осуществляется через двухпортовые блоки общей памяти. (БОП – рисунок а) и устройство имеет сосредоточенную структуру построению.
-
Такая связь обеспечивает повышение производительности устройства. Учитывая интенсивность обмена между центральным вычислителем В и локальным вычислителем Вn блоки общей памяти могут быть совмещены с ОЗУ локальных вычислителей. Мультипроцесоорные УЧПУ, представленные рядом конструктивных блоков имеют распределенную структуру построения (рисунок б). Обмен данными осуществляется через адапторы связи (АС), подключенные к системным магистралям локальных вычислителей.
Рисунок 3
Лекция 12
АС – адапторы связи
В – вычислители
КВУ – контроллер внешнего устройства (с пультом оператора)
Сопряжение станка с микропроцессорным устройством ЧПУ
Оборудование, относящееся к металлорежущему станку и которое является управляемым устройством ЧПУ подразделяют по назначению и функционирования на три группы:
-
Приводы для перемещения механизмов
-
Исполнительные устройства дискретного действия, которые работают по принципы включить/выключить
-
Информационные устройства (ИП аналоговых и дискретных сигналов).
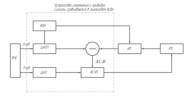
Для сопряжения микропроцессорного УЧПУ со станком в общем случае необходимо организовать обмен следующими сигналами: аналоговые в виде постоянного напряжения 10 В при силе тока 10 миллиампер, дискретными импульсными сигналами, дискретными в виде постоянного тока 0,2 А при напряжении 24 В, либо 2 А при напряжении 110 В. Для реализации такого обмена устройства сопряжения с УЧПУ должны иметь цифро-аналоговый и аналогово-цифровые преобразователи, различные коммутаторы и средства гальванической развязки для повышения помехоустойчивости. Сопряжения регулируемых следящих приводов и стабилизирующих электроприводов с устройством ЧПУ реализуются с помощью устройств сопряжения с приводом УСП. В этом устройстве решаются следующие задачи: получение и преобразование информации о задаваемом от вычислителя положении. Например, xзад и скорости привода Fзад, а информация о его текущем положении (например,
) и формирование управляющих сигналов на регулируемый привод. В состав УСП входят цифро-аналоговые преобразователи положения (ЦАПП) и скорости (ЦАП). Дальше входит источник опорного напряжения ИОН, устройство сравнения и формирователь сигналов управления приводом.
Состав и структура устройства сопряжения с приводом зависит от способа замыкания обратной связи типа ИП положения и режима его работы. Широко распространен вариант с замыканием обратной связи в устройстве сопряжения посредствам сравнения аналоговых сигналов.
Рисунок 1
Фактическое положение регулируемого привода РП определяется с помощью ИП положения с аналоговым выходным сигналом. Это индукционные ИП, работающие в фазовом или разностном режиме (вращающийся трансформатор, линейный индукторсин). Питание ИП осуществляется от источника опорного напряжения ИОН, вырабаываемый вычислителем код задания положения Хзад и преобразовываться в аналоговый сигнал. Результат сравнения Хзад и Хфакт используется с формирователе сигнала управления (ФСУП). Кроме Хзад . (по скорости это ЦАП и доп сигнал на ФСУП). На выходе ФСУП как правило мы имеем аналоговый сигнал в виде постоянного напряжения.
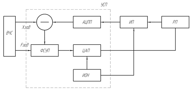
Структура следящего привода с замыканием обратной связи по средствам сравнения сигнала в цифровом виде показана на рисунке 2.
Рисунок 2
// количество блоков / сопряжений = количество управляемых координат
Доп вопрос – нарисовать цепочку привода с ИП. Схема преобразования информации при технологической задачи.
Фактическое положение регулируемого привода РП в данном случае определяется с помощью ИП положения с цифровым выходным сигналом. Это кодовой и импульсно-кодовый ИП. Сигнал Хзад от вычислителя ВЧАС сравнивается с сигналом обратной связи от аналогово-цифрового преобразователя АЦПП, связанного с измерительным преобразователем. Сигнал Fзад поступает ФСОП и в данной схеме является устройством преобразования цифровой информации. Основная задача – суммирование и вычитание кодов в цифровом виде.
Нерегулируемые приводы
Нерегулируемые приводы у станков с ЧПУ строятся на основе привода – например, привод системы охлаждения зоны резания. В станках также широкое применение нашли гидро и пневмоприводы. Нерегулируемый привод по отношению к микропроцессорному УЧПУ является исполнительным устройством дискретного действия. Поэтому для связи с приводом используются схемы приема и выдачи дискретных сигналов.
Сопряжение гидропривода с УЧПУ чаще всего реализуется с помощью электромагнита управляющего золотником. Возможно и прямое электрогидравлическое преобразование.
Гидропривод для устройства ЧПУ является исполнительным устройством с аналоговым входом в виде напряжения постоянного тока.
















