lektsii (857993), страница 8
Текст из файла (страница 8)
Рисунок 1
В первом варианте временная диаграмма выборка БИС ЗУ в модули и работа самого модуля формируются в центральном блоке управления (или так называемом диспетчере памяти)
Во втором варианте в каждом модули памяти помимо БИС ЗУ имеется дешифратор, обеспечивающий выборку нужной БИС путем дешифрации кодов адресов.
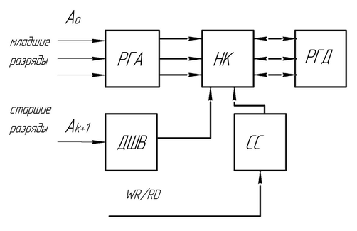
Общая структура модули памяти с децентрализованной дешифрацией адреса
Рисунок 2
Модуль памяти состоит из регистра адресов РГА, дешифратора ДШВ, схемы согласования СС, накопителя НК (набор БИС ЗУ) и регистра данных РГД. Младшие разряды адреса поступают в РГА, запоминаются там и определяют адрес ячейки памяти внутри модуля ЗУ. Старшие разряды адреса поступают на дешифратор и определяют конкретный модуль памяти ЗУ. Сигнал WR/RD – чтение/запись поступает на схему согласования и определяет вид операций с записью (чтение/запись). При чтении РГД хранит данные, считанные из модуля памяти. При записи информации РГД пропускает данные в накопители.
Память обычно разделяется на слова. Слово обычно имеет длину, достаточную для помещения в нем команды. Слово имеет адрес. Поэтому адресное пространство микропроцессорной системы – это множество адресов памяти, допустимых для программ, выполняемых микропроцессором. Адресом слова: адрес левого (старшего) или правого (младшего байта). Слово стоит из двух смежных байтов.
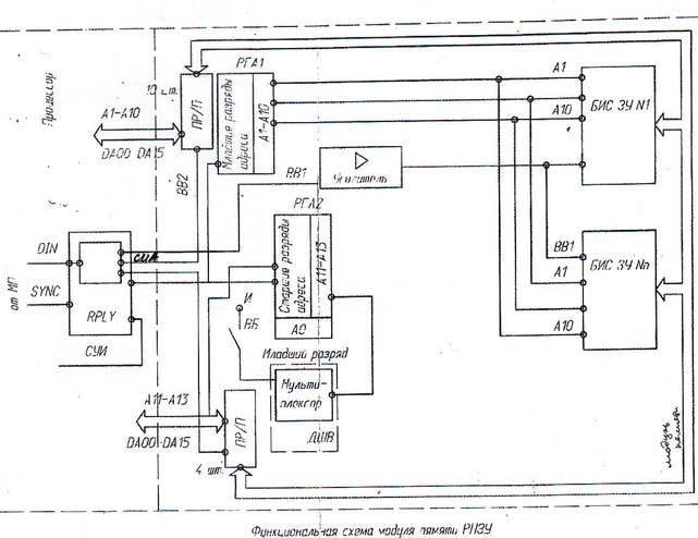
Функциональная схема модуля памяти РПЗУ
Рассмотрим модуль памяти РПЗУ, использующий 8 БИС ЗУ. Модуль памяти работает как пассивное устройство, обеспечивающий асинхронный обмен данными.
Выбор модуля памяти
Схема управления интерфейсом принимает от микропроцессора сигнал DIN, SIGN по управляющей шины СМП и формирует сигналы SEAK и RPL. Микропроцессор выставляет адреса с А1 по А13 на регистры адресов РГА1 и РГА2 через шину адреса данных ДА00…ДА15 через приемо-передатчики ПРП. Сигналом СИА производится фиксация младших и старших разрядов адреса в регистрах РГА. Три старших разряда (А11, А13) поступает на мультиплексор (Мультиплексор это то же самое, что и ДШВ) и сравниваются с номером модуля банков памяти ВБ. Если адреса с номером модуля запоминающего устройства совпали, то можно осуществляться операции считывания или записи в запоминающее устройство. Это значит, что должно быть получено разрешение на прием сигнала DIN с управляющей системной магистрали. Помимо сигналы SEAK схема управления интерфейсом схема управления SUE из сигнала DIN формируется сигнал ВВ1 и ВВ2. (ВВ1 – чтение, ВВ2 – запись). ВВ2 используется для переключения приемопередатчиков (РГД - регистры данных) из режима прием адреса в режим передачи данных.
Арифметические расширители
Микропроцессор обращается к расширителю арифметических функций к внешнему устройству, так как внешний адрес находится в адресном пространстве внешних устройств. Работа СУИ аналогична работе СУИ предыдущей схемы. Только сигналом СИА фиксируется только младшие адреса РА в селекторе адреса СА. Этим определяется к какому из трех адресуемых регистров на схеме РГА1, РГА2, РГА3 идет обращение. В регистр РГА1, РГА2, РГА3 можно записывать информацию и считывать. Это достигается также путем изменения режимов работы приемо-передатчиков ПП. При записи информации на РГ1, РГ2 работает приемопередатчик ПРП1 (направление БЦ). При чтении информации с РГ3, РГ2 работают оба приемопередатчика (ПРП1, ПРП2). В РГ1 записывается множимое число. В РГ2 множитель, в РГ3 результат промежуточных вычислений. В сумматоре производится операция сложения (с целью получения результатов умножения). Регистратор вычислений хранится в двух регистрах РГ2 и РГ3. И в последующем используется микропроцессором для конкретных типов задач в процессе проводимых промежуточных вычислений.
Режим прерываний – конечный выключатель
Режим прямого доступа – НГМД
Функциональная схема интерфейса между вычислителем и пультом оператора
В составе ЧПУ блок клавиатуры и блок индикации.
Обмен данными микропроцессора с пультом оператора происходит в программном режиме. Пульт УЧПУ имеет 4 доступных регистра. Регистры состояния и данных клавиатуры. РСКЛ (регистр состояния клавиатуры) и РДКЛ (регистр данных клавиатуры). РСИ (Регистр состояний индикации) и РДИ (регистр данных индикации) Регисторы состояний опрашивают вычислитель через системную магистраль и подтверждают готовность приема данных. РДИ получает данные от вычилителя через системную магистраль приемопередатчики ПРП, регистр передачи данных РПД1, передатчик ПД1 и приемник ПР2. Регистр приемника РПР2 осуществляет преобразование последовательного входа в параллельный и передачу данных в РДИ. Управление обменом осуществляет схема управления интерфейсом (СУИ – добавить если нету).
Таким образом передается сначала код знака места на экране индикатора, а затем код символа, который нужно отобразить.
Индикация – монитор. Передача данных от РДКЛ осуществляется в обратной последовательности. Сигнал готовности РСКЛ формируется при нажатии одной из кнопок блока клавиатуры БК, имеющего n столбцов и m строк. Пусть нажата кнопка клавиатуры ПК, соответствующая 10ому столбцу и 3ей строке блока. Опрос осуществляется импульсами на выходе дешифратора столбцов ДШС, на вход которого подаются разряды счетчика СЧ. При появлении разрешающего сигнала на выходе 10 ДШС (что соответствует 10ому столбцу) и на 3 строке появится разрешающий сигнал, соответсвующий нажатой кнопке. Код млаших разрядов счетика заносится в регистр РГ. На выходе мультиплексора М разрешающий сигнал появится только при совпадении кода разрядов счетчика и номера строки. От нажатой кнопки считывается с выхода ПЗУ, записывается в РДКЛ, а затем передается в вычислитель.
Лекция 15
Функциональная схема типового интерфейса связи микропроцессорной УЧПУ с внешним устройством
Однотипные внешние устройства управляемой УЧПУ могут размещаться на одном ТЭС (типовом элементе схемы), имеющим свою схему интерфейса. Этот способ связи называется групповым способом организации системной магистрали.
На схеме показано одновременное расположение двух внешних устройств ВУ1 и ВУ2 на одном ТЭС. Входящие в состав ВУ1 блоки У1-1 и У1-2 соответственно передают и принимают информацию от микропроцессора. Каждое из устройств также имеет буферные регистры БР1 и БР2, обеспечивающие асинхронный обмен данными между микропроцессором и внешним устройством. Обмен данными между буферными регистрами КВУ и системной магистралью осуществляется типовым интерфейсом связи, в состав которого входит СУИ, селектор адреса СА, триггер выбора устройства ТВУ, регистр под адреса РПА (запоминает два младших разряда адреса внешнего устройства), дешифратор ДША (разрешающий чтение или запись данных буферных регистров, который будет соответствовать определенной комбинации младших разрядов адреса и сигналов ВВ (ввод или вывод на входе СУИ).
Функциональная схема адаптора
В состав адаптора входит приемопередатчики ПП, схема управления интерфейсом СУИ, формирующая сигнал синхронизации СИА, регистр адреса адаптора РГА, дешифратор выбора банка ДВБ, дешифратор адаптора ДША. Сигналом СИА фиксируется адрес в регистре адреса РГА адаптора. Сигнал ВВ1/вывод разрешает дешифрацию старших разрядов адреса, сигнал ВВ2 осуществляет изменение направления передачи данных при появлении сигнала DIN в машине управления СНГ. Дешифратор выбора ДВБ разрешает выбор одного из восьми банков тремя старшими разрядами адреса. Данные от системной магистрали 2 для записи в микропроцессор поступает по линии КПР0-КПР15. А данные от микропроцессора в системную магистраль 2 по линии ОПР0-ОПР15.
Структурная схема микроконтроллера
Рисунок 1
Связь с другими ВЧС через адаптор, общие шины. Программируемый контроллер состоит из вычислителя, интерфейса связи с другими вычислителями из модулей ввода/вывода и пульта программирования или программирующих систем. Если в виде пульта управления, то как правило выносной.
Вычислитель осуществляет последовательный опрос входных сигналов, поступающих от оборудования к модулям ввода/вывода, обрабатывают их по заложенной в памяти программе, хранит промежуточные результаты обработки, реализует функции счета и времени и непрерывно контролирует всю микропроцессорную систему на отсутствие возможных ошибок. Кроме этого вычислитель должен обеспечить ввод и обработку программы, записанной в системе программирования ПК, а также должен обеспечить связь с другими вычислителями.
Запоминающее устройство ПК предназначено для хранения управляющих программ и допускает возможность перепрограммирования. В ПК могут использоваться запоминающие устройства различных типов. Модули ввода/вывод предназначены для сопряжения ПК с внешним оборудованием. Они непосредственно воспринимают сигналы от электрооборудования (кнопок, контактных выключателей, ИП) и осуществляют непосредственное управление исполнительными органами (магнитными пускателями, клапанами, распределителями, сигнальными лампами).
Модули ввода/вывода преобразуют дискретные и аналоговые сигналы.
Системы программирования ПК имеют системное прикладное программное обеспечение, обеспечивающее реализацию функций системы управления электроавтоматикой и ее диагностику.
Существует три основные группы языков составления управляющей программы для ПК. 1 – язык релейно-контактных символов, язык логических выражений, язык символического (мневмонического) кодирования. Например, для программирования по релейно-контактной схеме используется специальная программная панель с клавиатурой, каждая из клавиш которой соответствует символу релейной схемы.
Все катушки и контакты релейно-контактной схемы нумеруются: им присваивается либо номер соответсвующих входов/выходов контроллера, к которым они подключены, либо номера цепей внутренних аппаратов контроллера (счетчиков и т.п.). Для каждого контакта или катушки оператор набирает на программной панели номер входа/выхода или внутренний номер цепи контроллера и нажимает клавишу на программной панели с нужным символом. Программная панель имеет также клавиши выбора типа функции цепи (например, функция логическая, временная, счетная) и имеет клавиши для набора контактов (типа и места контакта в цепи). После набора программы она заносится в память ПК и ПК будет выполнять определенные функции.
В отличие от обычной микропроцессорной системы ПК имеет следующие особенности:
-
Производит побитовую обработку входных данных в режиме непрерывного сканирования входов/выходов
-
Снабжены дополнительными аппаратными средствами типа счетчиков, преобразователей, устройствами сопряжения с объектом управления с усилением управляющих сигналов.
-
Как правило проводят логические, но можно встретить, что выполняют и некоторые арифметические
Однопроцессорная ЧПУ
Мультипроцессорная ЧПУ
Структуры построения какие бывают, привести примеры
Взять из раздаточного материала характеристики ЧПУ
2С42, 2Р35, Вектор 90, микро 8.
















