Лекции ТКМ (1) (816151), страница 13
Текст из файла (страница 13)
| Область применения. Точное машиностроение, авиационная и ракетная промышленность, судостроение, электронная промышленность. Сваривают почти все виды металлов и неметаллов. |
ЛЕКЦИЯ 14. Технологические особенности сварки давлением
I I . I. ТЕРМОМЕХАНИЧЕСКИЙ КЛАСС (сварка в твердом состоянии или сварка давлением с нагревом до Тн = 1000…1200 0с): контактная сварка (точечная, шовная, стыковая); конденсаторная сварка; радиочастотная сварка; диффузионная сварка; газопрессовая сварка; сварка прокаткой.
-
Контактная сварка (рис. 66С)
| Контактная сварка - сварка давлением при которой нагрев, необходимый для сварки, создается электрическим током, проходящим через зону сварки. Зона сварки - зона детали или деталей, где сварка выполняется или выполнена. |
|
Рис. 66С. Схема контактной сварки (а) и физический контакт в зоне стыка заготовок (б) Контактная сварка — процесс, при котором нагрев осуществляется проходящим током в результате выделения теплоты на контактных сопротивлениях разных участков соединения. Т.к. теплота выделяется в местах контакта свариваемых элементов, появился термин «контактная сварка». При прохождении электрического тока Iсв от одной заготовки к другой максимальное количество теплоты выделяется именно в месте сварочного контакта, поскольку электрическое сопротивление стыка намного превышает сопротивление сплошного металла остального объёма заготовок. (рис. 66С, а). Из-за микронеровностей поверхностей стыка заготовки даже после тщательной обработки соприкасаются только в отдельных точках (рис. 66С, б). В связи с этим действительное сечение металла, через которое проходит ток в зоне стыка, резко уменьшается, что приводит к увеличению сопротивления. Кроме того, на поверхности свариваемых заготовок всегда имеются плёнки окислов и загрязнения с малой электропроводностью, которые также увеличивают сопротивление контакта. В результате в точках контакта металл нагревается до термопластического состояния или до оплавления. При непрерывном сдавливании нагретых заготовок сварочным усилием (давлением) Рсв пластичный металл в местах контакта деформируется, поверхностные плёнки разрушаются и вытесняются к периферии стыка. В соприкосновение приходят совершенно чистые слои металла, образующие сварное соединение. Различают стыковую, точечную и шовную контактную сварку. |
-
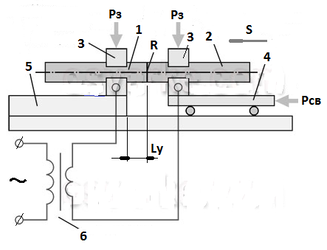
Стыковая контактная сварка (рис. 67С)
| Стыковая контактная сварка - контактная сварка, при которой соединение свариваемых частей происходит по поверхности стыкуемых торцов. |
| Рис. 67С. Схема стыковой контактной сварки При стыковой контактной сварке по состыкованным свариваемым заготовкам пропускается сварочный ток. Под действием тока происходит нагрев стыка, имеющего максимальное сопротивление R. После того, как температура в стыке достигает определенного значения заготовки сдавливаются сжимающим усилием. Свариваемая заготовка 1 закрепляется (усилие Рз) в губках зажима –электрода 3, установленного на неподвижной плите 5 стыковой машины. Заготовка 2 закрепляется в аналогичном зажиме, который установлен на подвижной плите 4. Подвижная плита связана с силовым устройством, обеспечивающим сжатие свариваемых заготовок с усилием (давлением) сварки Рсв при перемещении (S) подвижной плиты по специальным направляющим. В качестве источника питания используется понижающий сварочный трансформатор 6. Сварка выполняется на переменном токе. На качество сварного соединения существенно влияет установочная длина Lу (расстояние от торцов зажимов –электродов до торцов свариваемых заготовок). Уменьшенная установочная длина снижаeт ширину зоны нагрева, чтo затрудняет пластическую деформацию пpи сварке и нe обеспечивает полногo выдавливания загрязнений из стыка. Пpи этoм такжe возрастают потери теплоты в электродныe губки машины. При увеличенной установочной длине возможно искривление деталей пpи приложении усилия (давления) сварки Рсв. Различают два вида стыковой контактной сварки: сварку сопротивлением и сварку оплавлением. |
| 1. Стыковая сварка сопротивлением - контактная сварка, при которой детали стыкуются под давлением до начала нагрева, давление поддерживается, затем пропускают ток до тех пор, пока температура не достигнет температуры сварки (Т = 1000-1200 0С), при которой происходит осадка металла. Осадка при сварке - операция местной пластической деформации свариваемых частей при сварке с применением давления. 2. Стыковая сварка оплавлением - контактная сварка, при которой детали поступательно сближаются и ток, протекающий через определенные точки контакта, вызывает их оплавление и выбросы расплавленного металла. По сравнению со сваркой сопротивлением сварка оплавлением имеет ряд преимуществ. а. В процессе оплавления выравниваются все неровности стыка, а окислы и загрязнения удаляются, в связи с чем не требуется предварительной подготовки места соединения. б. Можно сваривать заготовки большего сечения в зоне контакта. в. Можно сваривать разнородные металлы. |
| ОСНОВНЫЕ ПАРАМЕТРЫ СВАРКИ Основными параметрами стыковой контактной сварки являются: плотность тока, установочная длина, усилие (давление) осадки, время протекания тока сварки. |
| Общий вид сварного соединения, получаемого стыковой контактной сваркой (рис. 68С, 69С) | |
|
Рис. 68С Вид сварного соединения, полученного стыковой контактной сваркой сопротивлением |
Рис. 69С Вид сварного соединения, полученного стыковой контактной сваркой оплавлением |
Требования к конструкции поверхностей, свариваемых стыковой контактной сваркой (рис. 70С, 71С)
|
Рис. 70С. Форма и размеры сечений торцов заготовок, свариваемых контактной стыковой сваркой | Соединяемые поверхности, подлежащие стыковой сварке, должны быть рационально сконструированы. Форма и размеры сечений торцов свариваемых заготовок должны быть примерно одинаковыми (рис. 70С), т.к. в противном случае нагрев стыка будет неравномерным, что не обеспечивает одинаковой пластической деформации свариваемых заготовок при осадке. Различие в диаметрах соединяемых заготовок не должно превышать 15 %, а по толщине 10 %. Кроме того, при сварке сопротивлением необходимо обеспечить защиту торцов от окисления и облегчить вытеснение окисленного металла из рабочей зоны шва. Поэтому: - плоские свариваемые поверхности тщательно подгоняются; - в ряде случаев, с целью локализации нагрева, применяется специальная подготовка торцов (рис. 71С). При стыковой контактной сварке оплавлением к форме и размерам сечений торцов свариваемых заготовок предъявляются те же требования, что и при сварке сопротивлением (рис. 70С). Однако, специальной подготовки поверхности торцов под сварку не требуется. |
|
Рис. 71С. Подготовка поверхности торцов свариваемых заготовок при контактной стыковой сварке сопротивлением. |
| Область применения. Приборостроение, энергомашиностроение, строительство. |
-
Точечная контактная сварка (рис. 72С)
| Точечная контактная сварка - контактная сварка, при которой шов получается в точке между деталями, расположенными между электродами, причем площадь сварной точки в контакте деталь-деталь приблизительно равна площади контактной поверхности электродов. Сварная точка - элемент точечного шва, представляющий собой в плане круг или эллипс. Ядро точки - зона сварной точки, металл которой подвергался расплавлению. Точечный шов - сварной шов, в котором связь между сваренными частями осуществляется сварными точками. |
|
Рис. 72С. Схема точечной контактной сварки а – двусторонняя контактная точечная сварка; б – односторонняя контактная точечная сварка; в – циклограмма точечной контактной сварки. Iсв – ток сварки; Рсв – сварочное усилие (давление); Рсж – услие (давление) сжатия свариваемых элементов; Рп – усилие проковки; tи – время протекания сварочного тока (время импульса сварочного тока); tсв – время сварки. При точечной контактной сварке заготовки свариваются в отдельных точках поверхности взаимного соприкосновения. Для точечной сварки заготовки 1 и 2 собираются внахлёстку и сжимаются усилием (давлением) Рсж между двумя медными электродами 4. Затем, к свариваемым заготовкам от понижающего сварочного трансформатора 5 подается переменный сварочный ток (рис. 72С, а и в). Соприкасающиеся с хорошо проводящими ток медными электродами 4 зоны поверхностей свариваемых заготовок нагреваются медленнее соответствующих зон внутреннего соприкосновения заготовок друг с другом, имеющих большее сопротивление. Нагрев продолжается до расплавления зон внутреннего контакта, через которые проходит ток, и образования ядра точки. После этого ток выключается. Усилие сжатия Рсж после выключения тока либо остается неизменным, либо увеличивается до значения Рп (усилие проковки точки). Проковка точки с усилием сжатия Рп предотвращает появление трещин и раковин (пор). После небольшой выдержки в условиях сжатия давление снимается. В результате образуется литая сварная точка 3. Различают двустороннюю (рис. 72С, а) и одностороннюю (рис. 72С, б) точечную контактную сварку. При односторонней точечной сварке (рис. 72С, б) ток распределяется между верхней 1 (I) и нижней 2 (Iсв) заготовками, причём нагрев осуществляется частью тока, протекающей через нижнюю заготовку 2. Для увеличения этой части тока (Iсв) предусмотрена хорошо проводящая электричество медная подкладка 6. Односторонней сваркой можно соединять заготовки одновременно в двух и более точках, но число заготовок не может быть больше двух. В массовом производстве, например, в автомобильной промышленности, для односторонней сварки используют многоточечные машины, которые могут иметь до 100 пар электродов и одновременно сваривать 200 точек. ОСНОВНЫЕ ПАРАМЕТРЫ СВАРКИ Основными параметрами точечной контактной сварки являются: плотность тока (величина тока сварки); усилие (давление) сжатия свариваемых элементов; время протекания сварочного тока; время сварки. |
Основные типы соединений, получаемых точечной контактной сваркой (рис. 73С)
|
Рис. 73С. Основные типы соединений, получаемых точечной контактной сваркой |
| Область применения. Вагоностроение, самолетостроение, приборостроение, судостроение, сельхозмашиностроение, строительство. Точечная сварка незаменима при изготовлении кузовов легковых автомобилей, кабин тракторов и грузовых автомобилей. |
-
Шовная контактная сварка (рис. 74С)
| Шовная сварка - контактная сварка, при которой усилие сжатия прикладывается непрерывно, ток течет непрерывно или прерывисто, детали располагаются между роликовыми электродами или роликовыми электродами и электродом-оправкой, в результате чего образуется ряд отдельных сварных точек, которые часто перекрывают друг друга. | |
|
Рис. 74С. Схема шовной сварки внахлестку а – двусторонняя шовная сварка внахлестку; б – односторонняя шовная сварка внахлестку; в – сварной шов, полученный шовной сваркой внахлестку При шовной сварке заготовки свариваются по определённым линиям на поверхности взаимного соприкосновения. Для осуществления этой сварки используют электроды в виде плоских роликов, которые могут вращаться, обеспечивая перемещение поверхностей свариваемых заготовок аналогично прокатным валкам. В процессе шовной сварки листовые заготовки 1 и 2 (рис. 74С, а и б) соединяются внахлёстку и зажимаются между медными роликовыми электродами 4 усилием Рсж. После этого, от понижающего сварочного трансформатора 5 на электроды 4 подается переменный сварочный ток Iсв. Затем включается вращение роликов. При движении роликов заготовки под действием сил трения протаскиваются между ними со скоростью сварки Vсв. В результате непрерывного перемещения заготовок между роликами, находящимися под током, образуется сварной шов нужной длины. При сварке с перекрытием точек шов 3 будет герметичным (рис. 74С, в), а при сварке без перекрытия шов практически не отличается от ряда точек, полученных при точечной сварке. Так же как и точечную, шовную сварку можно выполнять при двустороннем (рис. 74С, а) и одностороннем (рис. 74С, б) расположении электродов. Различают две основных разновидности шовной сварки: 1. С непрерывным включением сварочного тока и непрерывным движением заготовок (рис. 75С). | |
|
Рис. 75С. Циклограмма шовной контактной сварки с непрерывным включением сварочного тока и непрерывным движением заготовок | Рсв – сварочное усилие (давление); Рсж – усилие (давление) сжатия свариваемых элементов; Iсв – сварочный ток; Vсв – скорость сварки; tи – время протекания сварочного тока (время импульса сварочного тока); tсв – время сварки Цикл предназначен для сварки коротких швов, а также металлов и сплавов не склонных к перегреву ОСНОВНЫЕ РЕЖИМЫ СВАРКИ Основными режимами шовной контактной сварки с непрерывным включением сварочного тока и непрерывным движением заготовок являются: плотность тока (величина тока сварки); давление сжатия свариваемых элементов; время протекания сварочного тока (время импульса сварочного тока); скорость сварки |
|
Рис. 76С. Циклограмма шовной контактной сварки с прерывистым включением сварочного тока и непрерывным движением заготовок | Рсв – сварочное усилие (давление); Рсж – усилие (давление) сжатия свариваемых элементов; Iсв – сварочный ток; Vсв – скорость сварки; tи – время протекания сварочного тока (время импульса сварочного тока); tп – время отключения сварочного тока (время паузы); tсв – время сварки Цикл предназначен для сварки длинных швов, а также металлов и сплавов, склонных к перегреву. Во время отключения сварочного тока (время паузы) свариваемые заготовки и ролики сварочной машины охлаждаются, что предотвращает их перегрев. |
| ОСНОВНЫЕ ПАРАМЕТРЫ СВАРКИ Основными параметрами шовной контактной сварки с прерывистым включением сварочного тока и непрерывным движением заготовок являются:плотность тока (величина тока сварки); давление сжатия свариваемых элементов; время протекания сварочного тока (время импульса сварочного тока); время отключения сварочного тока (время паузы); скорость сварки | |















