Лекции ТКМ (1) (816151), страница 15
Текст из файла (страница 15)
При ультразвуковой сварке используются сжимающая сила (давление) Рсв, создаваемая моментом М, приложенном в узле колебаний, и вибрации при взаимном трении свариваемых поверхностей. Силы трения возникают в результате действия на заготовки механических колебаний с ультразвуковой частотой 15-30 кГц. Для получения механических колебаний высокой частоты используется магнитострикционный эффект, заключающийся в изменении размеров некоторых металлов и сплавов (например: феррит, никель) под действием переменного магнитного поля.
Процесс ультразвуковой сварки осуществляется следующим образом.
Свариваемые заготовки 5 размещаются на опоре 6. Наконечник 4, рабочий инструмент 3 и трансформатор продольных колебаний 2 образуют волновод. Волновод присоединен к магнитострикционному преобразователю 1 с катушкой 7. Переменный ток от высокочастотного генератора, проходя по обмотке катушки, возбуждает в ней переменное магнитное поле, под действием которого преобразователь 1 изменяет свои размеры. Эти колебания (расширение и сжатие) передаются волноводу, который увеличивает их амплитуду с 1-3 мкм (А) до десятков мкм (А1) на наконечнике 4.
В результате ультразвуковых колебаний в тонких слоях контактирующих поверхностей разрушаются поверхностные пленки, слои металла нагреваются и пластически деформируются. При сближении свариваемых поверхностей под действием силы Рсв на расстояние действия межатомных сил между ними возникает прочная связь.
ОСНОВНЫЕ ПАРАМЕТРЫ СВАРКИ
Основными параметрами ультразвуковой сварки являются: усилие (давление) сварки, частота ультразвуковых колебаний, амплитуда колебаний.
Область применения.
Ультразвуковая сварка применяется для получения нахлесточных соединений. Можно сваривать фольгу, тонкие листы, проволоку малого диаметра, а также приварить тонкие листы и фольгу к заготовке неограниченной толщины. Особенно предпочтителен этот процесс для соединения разнородных материалов. Области использования - микроэлектроника , производство полупроводниковых приборов, нагревателей бытовых холодильников, приборов тонкой механики и оптики, сращивание концов рулонов различных тонколистовых материалов (медь , алюминий , никель и их сплавы).
2.Сварка трением (рис. 87С)
| Сварка трением – сварка давлением с нагревом соединяемых поверхностей в результате их трения друг о друга. |
| 1 3 4
Рсв Рсв
а б 2
Рсв Рсв
Рсв Рсв 6
в г Рис. 87С. Сварка трением а – с вращением одной заготовки; б – с вращением обеих заготовок; в – с вращением вставки; г – с возвратно-поступательным движением одной заготовки Трение поверхностей осуществляется вращением или возвратно-поступательным движением. Например, на рис. 89С, а свариваемые заготовки 1 и 2 устанавливаются соосно в зажимах машины, один из которых 3 неподвижен, а второй 4 может совершать вращательное и поступательное (вдоль оси заготовок) движения. Заготовки сжимаются силой Рсв, после чего включается механизм вращения. На соединяемых поверхностях возникают силы трения, работа которых превращается в теплоту, нагревающую поверхности трения до температуры порядка 1000–1300С. При достижении требуемой температуры вращение прекращают, а силу Рсв увеличивают, производя совместную пластическую деформацию свариваемых поверхностей. В результате происходит образование прочных металлических связей, поскольку окисные плёнки на соединяемых поверхностях разрушаются за счёт трения и удаляются при пластической деформации в радиальном направлении за пределы зоны контакта. В зависимости от массы и конфигурации свариваемых заготовок применяются следующие способы выполнения сварки трением: а- вращение одной заготовки 2 при неподвижной более массивной заготовке 1; б – вращение двух заготовок примерно одинаковой массы; в – вращение вставки 5 при значительной массе обеих свариваемых заготовок; г – возвратно-поступательное перемещение заготовки 6 в случае, когда вращение свариваемых заготовок затруднено или невозможно (например: свариваемые заготовки не являются телами вращения). ОСНОВНЫЕ ПАРАМЕТРЫ СВАРКИ Основными параметрами сварки трением являются: усилие (давление) сварки; время сварки; скорость вращения заготовок. |
Типы соединений, получаемых сваркой трением (рис. 88С)
| ||||||
| Область применения. Сварка трением широкo применяется в машиностроении, инструментальном производстве, ядерной энергетике, электротехнической промышленности, тракторостроении, автомобилестроении, в авиакосмической технике, нефтяном и химическом машиностроении. | ||||||
ЛЕКЦИЯ 15. Термические напряжения и деформации при сварке
| II. ТЕРМОДЕФОРМАЦИОННЫЕ ПРОЦЕССЫ при сварке характеризуются возникновением сварочных деформаций и напряжений, которые являются причиной образования трещин, а также изменения формы и размеров сварного изделия |
| СВАРОЧНЫЕ ДЕФОРМАЦИИ И НАПРЯЖЕНИЯ. Собственные напряжения и деформации, возникающие в результате сварки, называются сварочными напряжениями и деформациями. | ||
| ОБРАЗОВАНИЕ СВАРОЧНЫХ НАПРЯЖЕНИЙ ПРИ СВАРКЕ | ||
| Основными причинами возникновения собственных напряжений в сварных соединениях являются: 1 - неравномерное распределение температур в металле при сварке; 2 – литейная усадка сварного шва; 3 - фазовые превращения в металле при сварке на стадии нагрева и охлаждения. | ||
| 1. Образование собственных напряжений в результате неравномерного нагрева металла при сварке | ||
| Все металлы при нагревании расширяются, а при охлаждении сжимаются. Процессы сварки плавлением характеризуются образованием в сварном соединении неравномерного объемного температурного поля. В результате этого степень расширения на стадии нагрева и укорочения на стадии охлаждения неравномерно нагретых слоев металла будет различной. Наличие неразрывной связи между нагретыми и холодными участками металла приводит к тому, что расширяющиеся при нагреве и укорачивающиеся при охлаждении слои металла, нагретые до высоких температур, встречают препятствие со стороны холодных слоев. В сварном соединении возникают собственные (внутренние) напряжения, направленные на преодоление этого препятствия. | ||
| 2. Образование собственных напряжений в результате литейной усадки сварного шва | ||
| В результате остывания и затвердевания жидкого металла сварного шва происходит его усадка. Явление усадки объясняется тем, что при затвердевании металл становится более плотным, в результате чего объем его уменьшается. Ввиду того, что металл шва жёстко связан с более холодным основным металлом, остающимся в неизменном объёме и противодействующим этой усадке, в сварном шве возникают собственные напряжения. При этом, чем меньше количество расплавленного металла, тем меньше значения возникающих напряжений. | ||
| Механизм образования собственных напряжений (рис. 35С) | ||
| Рис. 35С. Образования собственных напряжений в результате неравномерного нагрева металла при сварке и литейной усадки сварного шва а - сварное соединение; б – заготовки и сварной шов, условно представленные раздельно; в – укорочение l1 шва при свободном сокращении; г – совместное сокращение l2 сварного соединения (заготовок и жестко связанного с ними сварного шва); В – ширина сварного шва. 1 – свариваемые заготовки; 2 – сварной шов.
Условно представим показанные в плане заготовку 1 (рис. 35С, б) и накладываемый на неё по всей длине продольный сварной шов 2 в виде двух раздельных объектов. Заготовка 1 в исходном состоянии не нагрета, т.е. имеет комнатную температуру. В отличие от неё сварной шов 2 в процессе получения был расплавлен, т.е. в начальный момент своего образования имеет очень высокую температуру. Из сопротивления материалов известно, что приращение длины l любого тела, обусловленное температурным воздействием, определяется формулой Поскольку температура шва в результате остывания начнёт уменьшаться, то приращение температуры t и, соответственно, приращение длины l будут отрицательными, т.е. шов начнёт укорачиваться. Поскольку условно принято, что шов является отдельным объектом, температурному сокращению которого ничто не препятствует, то при полном охлаждении до комнатной температуры он сократится на величину l1 (рис. 35С, в) и при этом никаких напряжений внутри шва не возникнет, поскольку отсутствуют силы противодействия. Однако в реальных условиях, шов в момент окончания своего образования неразрывно связан с заготовкой (рис. 35С, г). В этом случае не нагретая заготовка будет препятствовать сокращения шва, в результате чего после полного остывания он сможет уменьшиться не на величину свободного сокращения l1, а на значительно меньшую величину l2 (рис. 35С, г). В сварном соединении возникнут собственные напряжения. Величина l2 окажется тем меньше, чем больше сопротивления окажет сокращению шва заготовка, т.е. чем она будет жёстче. Соответственно, чем жёстче будет заготовка, тем большую величину будут иметь собственные сварочные напряжения. 2. Укорочение сварного соединения вдоль оси Y происходит аналогично усадке вдоль оси Х. 3. Укорочение сварного соединения вдоль оси Z происходит аналогично усадке вдоль осей Х и У. | ||
| 3. Образование собственных напряжений в результате фазовых превращений в металле при сварке | ||
| Фазовые превращения происходят при нагреве металла выше определенных температур. Фазовые превращения при сварке вызывают растягивающие и сжимающие собственные напряжения в связи с тем, что эти превращения в некоторых случаях сопровождаются изменением объема свариваемого металла как на стадии нагрева, так и на стадии охлаждения. Например, на стадии нагрева углеродистых сталей происходит образование аустенита из феррита — этот процесс сопровождается уменьшением объема. На стадии охлаждения сварного соединения из высокоуглеродистых сталей при больших скоростях охлаждения аустенит образует мартенситную структуру, обладающую большим объемом, чем аустенит (мартенсит обладает меньшей плотностью, чем аустенит, и следовательно характеризуется большим объемом). При сварке низкоуглеродистой стали напряжения, возникающие от фазовых превращений, небольшие и практического значения не имеют. Закаливающиеся стали дают значительные объемные изменения, связанные с фазовыми превращениями. Вследствие этого, возникающие собственные напряжения могут иметь значительную величину. | ||
| 4. Образование остаточных напряжений при сварке | ||
| Напряжения от неравномерного нагрева, литейной усадки сварного шва и напряжения от фазовых превращений суммируясь, образуют собственные сварочные напряжения. Эти напряжения, как правило, превышают предел текучести металла. Поэтому, в сварном соединении образуются остаточные напряжения. | ||
| КЛАССИФИКАЦИЯ СВАРОЧНЫХ НАПРЯЖЕНИЙ | ||
| 1. Продолжительность существования сварочных напряжений | ||
| В зависимости от продолжительности существования сварочные напряжения разделяются на временные и остаточные. Временные напряжения образуются в период выполнения сварки в условиях неравномерного температурного поля источника теплоты. После выравнивания температур различных участков сварного соединения временные напряжения исчезают, если они не превышают предела текучести металла, или же переходят в остаточные, в случае достижения или превышения предела текучести. При сварке, как правило, временные напряжения превышают предел текучести металла, и в сварном соединении образуются сварочные остаточные напряжения, сохраняющиеся после сварки. При этом остаточные напряжения в любом сечении, полностью пересекающем тело, всегда уравновешены. | ||
| 2. Объем распределения сварочных напряжений | ||
| В зависимости от объемов распределения сварочных напряжений различают: - напряжения первого рода, действующие в макрообъемах, соизмеримых с размерами изделия или отдельных его частей; - напряжения второго рода, действующие в пределах одного или нескольких кристаллов (зерен) металла; - напряжения третьего рода, действующие в пределах кристаллической решетки. Напряжения второго и третьего рода не имеют определенной ориентировки относительно координатных осей | ||
| 3. Пространственное расположение сварочных напряжений первого рода (рис. 36С) | ||
|
Рис. 36С. Схемы напряженного состояния а – линейное (одноосное) напряженное состояние; б – плоское (двуосное) напряженное состояние; в - объемное (трехосное) напряженное состояние. В зависимости от пространственного расположения сварочных напряжений первого рода в изделии напряженное состояние может быть: линейным (одноосным), плоским (двуосным) или объемным (трехосным). При этом делении предполагается, что компоненты напряжений, направленные соответственно по двум или трем осям, соизмеримы между собой. Однако, во многих случаях составляющие собственных объемных напряжений, действующих по одной или двум осям, малы по величине и ими пренебрегают. В этих случаях условно считают собственные напряжения соответственно плоскостными (сварка тонких листов) или одноосными (сварка стержней). | ||
| 4. Направление действия сварочных напряжений относительно координатных осей (рис. 37С) | ||
|
Рис. 37С. Классификация сварочных напряжений (усилий) по направлению действия относительно координатных осей | Продольные сварочные напряжения (усилия) 1 – сварочные напряжения, действующие вдоль продольной оси сварного шва (вдоль оси Х), Обозначаются σх, Поперечные сварочные напряжения (усилия) 2 – напряжения, действующие перпендикулярно продольной оси шва в плоскости свариваемых элементов (вдоль оси У). Обозначаются σу. Сварочные напряжения (усилия), действующие вдоль оси Z (3) называются напряжениями по толщине и обозначаются σz. | |
| 5. Причины, вызвавшие появление сварочных напряжений | ||
| Сварочные напряжения в зависимости от причин их возникновения разделяются на две группы: тепловые и структурные. Тепловые напряжения возникают вследствие расширения при нагреве и укорочения при охлаждении волокон металла. Структурные напряжения возникают на участках сварного соединения, металл которых претерпевает полиморфные превращения на стадиях нагрева и охлаждения в процессе сварки. | ||
| ОБРАЗОВАНИЕ ДЕФОРМАЦИЙ ПРИ СВАРКЕ | ||
| Причины образования деформаций при сварке Основной причиной образования сварочных деформаций является литейная усадка сварного шва. Если образующиеся при этом напряжения превышают предел текучести металла, в сварном соединении возникают остаточные деформации, устойчиво сохраняющиеся после сварки. | ||
| 1. Образование деформаций в плоскости сварного соединения 1.1. Продольная и поперечная деформации сварного соединения (рис. 38С) | ||
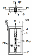
| Рис. 38С. Продольная и поперечная деформации сварного соединения. 1 – размеры изделия до сварки; 2 – размеры изделия после сварки; 3и 4 – свариваемые элементы; 5 - сварной шов; ЦТ – центр тяжести сварного шва и сварного соединения; ∆пр – продольная деформация; ∆п – поперечная деформация; Рп –поперечная усадка сварного шва; Рпр – продольная усадка сварного шва. | Продольные и поперечные деформации в плоскости сварного соединения возникают тогда, когда центр тяжести (ЦТ) сварного шва и сварного соединения совпадают. Это характерно для сварных швов, имеющих постоянную ширину по толщине сварного соединения (по оси Z). В результате продольных и поперечных деформаций происходит сокращение сварного изделия по длине и ширине. | |
| 2. Образование деформаций вне плоскости сварного соединения | ||
| 2.1. Угловые деформации Угловые деформации возникают под действием поперечной усадки сварного шва (рис. 39С). | ||
| Рис. 39С. Схема образования угловой деформации стыкового сварного соединения. α – угловая деформация сварного соединения; е – эксцентриситет (расстояние между центрами тяжести сварного шва и сварного соединения); Рп – поперечная усадка сварного шва; Миз – изгибающий момент. Угловые деформации происходят в тех случаях, когда центр тяжести (ЦТ) сварного шва и сварного соединения не совпадают. Если шов имеет переменную ширину по высоте стыка (по оси Z), то центр тяжести сварного шва и сварного соединения могут не совпадать. В результате образуется эксцентриситет е. Поперечная усадка Рп, действуя на плече е создает изгибающий момент Миз. Под действием изгибающего момента возникает угловая деформация α сварного соединения. Угловые деформации α могут достигать 3°—7° в зависимости от толщины свариваемого металла. | ||
| 2.2. Деформации изгиба Деформации изгиба происходят под действием продольной усадки сварного шва (рис. 40С). | ||
| Рис. 40С. Схема образования деформации изгиба при сварке торцевого соединения. 1 – торцевой шов; f –стрела прогиба; е – эксцентриситет (расстояние между центрами тяжести сварного шва и сварного соединения); Рпр – продольная усадка сварного шва; Миз – изгибающий момент. Деформации изгиба происходят в тех случаях, когда центр тяжести сварного шва и сварного соединения не совпадают. Продольная усадка Рпр торцевого шва 1, действуя на плече е, создает изгибающий момент Миз. Под действием Миз происходит изгиб сварного соединения, характеризуемый стрелой прогиба f. Величина прогиба может достигать 5 мм и более. | ||
СПОСОБЫ УМЕНЬШЕНИЯ СВАРОЧНЫХ ДЕФОРМАЦИЙ И НАПРЯЖЕНИЙ
5
















