А3_Сборочный (780302)
Текст из файла
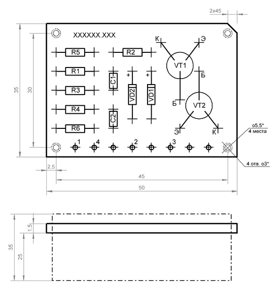
1. * Размер для справок
2. Технологические требования к Электрическому монтажу по Н0.010.001
3. Установку элементов производить по ОСТ4.010.030-81:
C1, C2 – вар. 1а;
R1…R6 – вар. 1а;
VD1, VD2 – вар. 1а
VT1, VT2 – вар. Vа
Транзисторы VT1, VT2 приклеить к плате поз. 1 клеем ВК-9 по ОСТ4.ГО.029.204
4. Шаг координатной сетки 2,5 мм
5. Паять ПОС61 ГОСТ21930-76
6. Обозначение элементов показаны условно и соответствуют схеме электрической принципиальной АБВГ.ХХХХХХ Э3
7. Плату после сборки покрыть лаком УР-231, кроме мест обозначенных
штрих-пунктирными линиями.
8. Децимальный номер нанести краской МКЭ белой по
ОСТ4.ГО.054.92. Шрифт 2,5-ПР3 ГОСТ26020-80
9.Остальные технические требования ОСТ4.ГО.070.015
Характеристики
Тип файла документ
Документы такого типа открываются такими программами, как Microsoft Office Word на компьютерах Windows, Apple Pages на компьютерах Mac, Open Office - бесплатная альтернатива на различных платформах, в том числе Linux. Наиболее простым и современным решением будут Google документы, так как открываются онлайн без скачивания прямо в браузере на любой платформе. Существуют российские качественные аналоги, например от Яндекса.
Будьте внимательны на мобильных устройствах, так как там используются упрощённый функционал даже в официальном приложении от Microsoft, поэтому для просмотра скачивайте PDF-версию. А если нужно редактировать файл, то используйте оригинальный файл.
Файлы такого типа обычно разбиты на страницы, а текст может быть форматированным (жирный, курсив, выбор шрифта, таблицы и т.п.), а также в него можно добавлять изображения. Формат идеально подходит для рефератов, докладов и РПЗ курсовых проектов, которые необходимо распечатать. Кстати перед печатью также сохраняйте файл в PDF, так как принтер может начудить со шрифтами.
















