Laba (780300)
Текст из файла
МОСКОВСКИЙ ГОСУДАРСТВЕННЫЙ ТЕХНИЧЕСКИЙ УНИВЕРСИТЕТ РАДИОТЕХНИКИ, ЭЛЕКТРОНИКИ И АВТОМАТИКИ
Лабораторная работа по дисциплине
“Основы проектирования электронных устройств”
Лабораторная работа №1
Работу выполнил:
________________
Группа _________
Проверил:
Колобков С.В.
Москва 2011
Индивидуальное техническое задание на разработку конструкции Мультивибратор
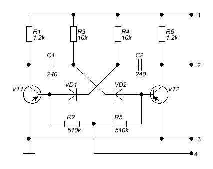
1. Схема электрическая принципиальная МИРЭА.ХХХ.ХХХ.ХХХ Э3
2. Условия эксплуатации по ГОСТу 15150-69
ГОСТу 16019-2001
ГОСТу 16962-71
3. Вариант построения несущей печатной платы
4. Особые требования к конструкции:
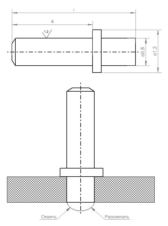
Тип выводного контакта: цилиндрический контакт, механически закрепляемый развальцовкой
Метод изготовления печатной платы: химическим методом
Расчет компоновочных характеристик
Вывод:
В данной лабораторной работе рассмотрели и проанализировали работу принципиальной электрической схемы с целью выявления требований к конструкции печатной платы и расположению на ней электрорадиоэлементов и печатных проводников для обеспечения электрических характеристик изделия, заданных в ТЗ.
Было выполнено проектирование платы мультивибратора по 1-му классу точности исходя из справочных данных на каждый электрорадиоэлемент. Также были выполнены: чертеж печатной платы и сборочный чертеж мультивибратора в масштабе 2:1. Составлена спецификация и перечень элементов данного устройства.
| № вых | U, В |
| 1 | -6,3 В |
| 2 | Выход |
| 3 | Общий |
| 4 | +1,2 В |
Характеристики
Тип файла документ
Документы такого типа открываются такими программами, как Microsoft Office Word на компьютерах Windows, Apple Pages на компьютерах Mac, Open Office - бесплатная альтернатива на различных платформах, в том числе Linux. Наиболее простым и современным решением будут Google документы, так как открываются онлайн без скачивания прямо в браузере на любой платформе. Существуют российские качественные аналоги, например от Яндекса.
Будьте внимательны на мобильных устройствах, так как там используются упрощённый функционал даже в официальном приложении от Microsoft, поэтому для просмотра скачивайте PDF-версию. А если нужно редактировать файл, то используйте оригинальный файл.
Файлы такого типа обычно разбиты на страницы, а текст может быть форматированным (жирный, курсив, выбор шрифта, таблицы и т.п.), а также в него можно добавлять изображения. Формат идеально подходит для рефератов, докладов и РПЗ курсовых проектов, которые необходимо распечатать. Кстати перед печатью также сохраняйте файл в PDF, так как принтер может начудить со шрифтами.
















