ОперационныйСинтез (775245), страница 5
Текст из файла (страница 5)
Для организации свертки по функции сложения по mod2 можно использовать восьмивходовую микросхему К155ИП2, условное обозначение которой представлено на рис. 3,ж. Эта схема формирует S1=1 при четном количестве единиц во входном коде
и S2=1 при нечетном
. "Четность" и "нечетность" меняются местами при изменении вспомогательных сигналов на
.
При одинаковом значении входных сигналов
работа схемы не определена. Если количество разрядов свертки больше восьми, необходимо использовать несколько схем К155ИП2, соединяя их либо пирамидально, либо цепочечно.
3.4. Схемы Формирования признаков логического отношения
Схемы формирования признаков логического отношения описываются выражением
Y = A{1:n} ω B{1:n} (3.14)
и представляют собой двухступенчатую схему, в которой на первой ступени отношение w проверяется поразрядно, а во второй - конъюнктивно формируется суммарный признак y:
В качестве признака w чаще всего выступает функция равнозначности и ее отрицание (функция сложения по mod2). Схема формирования признака равнозначности
y = A{1:n} ∞ B{1:n} (3.15)
генерирует единичный выходной сигнал при совпадении кодов входных слов А и B по всем разрядам; схема формирования признака неравнозначности
y = A{1:n} mod 2В{1:n} (3.16)
принимает единичное значение, когда коды слов А и B взаимно инверсны. Обозначение схем формирования признаков логического отношения приведено на рис. 4,а,б.
Микросхемы серий К155 не содержат в своем наборе схем формирования признаков; эти схемы компонуются последовательным соединением схем поразрядного преобразования со схемой свертки по "И". Полезно знать, что функция "отрицания равнозначности" в базисе функции "Штрих Шеффера" может быть реализована следующим образом:
A mod 2 B = [A/(A/B)] / [B/(A/B)] (3.17)
Действительно, представляя функцию "Штрих Шеффера" как отрицание конъюнкции и используя теорему де Моргана [I] , получаем
что и требовалось доказать.
Рис. 4. Схемы формирования признаков логического отношения: а - равнозначность; б - отрицание равнозначности; в - логическая схема на "И-НЕ".
На рис. 4,в изображена схема формирования признака неравнозначности восьмиразрядных слов. Схема строится на элементах только двух типов - двух- и восъмивходовых. схемах "И-НЕ" К155ЛА2 и К155ЛАЗ. Если один из кодов представлен константой, то в выражении (3.14) вместо его имени записывается число в десятичной, двоичной(Д), восьмеричной (В) или шеотнадцатиричной (Ш) форме [I ] . Следующие записи являются эквивалентными:
Y = A{1:7} ∞ 100;
Y = A{1:7} ∞ 1100100Д;
Y = A{1:7} ∞ 144В;
Y = A{1:7} ∞ 64Ш.
В случае сравнения с константой формирование признака равнозначности значительно упрощается и сводится к реализации функции конъюнкции, куда А(i) входит непосредственно, если соответствующий разряд константы равен I, или под знаком отрицание, если этот разряд равен 0. Для нашего случая признак равнозначности может быть записан в виде
И реализован на семивходовой схеме "И"
3.5. Схемы Формирования признаков арифметического отношения
При формировании признаков арифметического отношения слов А и В рассматриваются как числа, записанные в двоичной позиционной системе счисления, в прямом, обратном или дополнительном кодё, в обычной или экспоненциальной форме. В предложении операционного описания y = A{1:n} B{1:n} функция отношения может означать "равно арифметически" (=ар), "больше" (), "меньше"(), "больше или равно", "меньше или равно". Арифметическое равенство не означает тождественности кодов. Напомним, что в прямом и обратном коде допускаются две формы записи нуля, а в экспоненциальной форме записи два ненормализованных числа считаются равными, если мантиссы их нормализованных форм совпадают по старшим разрядам.
В сложных цифровых вычислителях формирование признаков арифметического отношения происходит в арифметическом устройстве в процессе сложения и вычитания исходных кодов, причем признаки рассматриваются как побочный продукт арифметических операций.
В простых устройствах схемы формирования признаков арифметического отношения строятся как самостоятельные операционные элементы. Синтез схем этого класса рассмотрим на примере построения схемы "больше": БОЛ = A{1:n} > B{1:n}.
Условимся считать, что числа А и В представляют собой целые без знака со старшими разрядами в А1 и В1. Поставленная задача может быть в принципе решена методами комбинационного синтеза, однако большая разрядность А и В делает этот синтез чрезвычайно трудоемким. Будем рассматривать схему "больше" как регулярную структуру, состоящую из однотипных разрядных схем. Сформируем разрядные признаки "больше":
Признак БОЛ должен быть сформирован по разрядным признакам z1,z2…zn таким образом, чтобы при zi=1 игнорировались бы все значения z с большими индексами, поскольку разряды, младшие по отношению к i , не влияют на формирование суммарного признака "больше". Отсюда
что означает, что признак "больше" всегда определяется единицей разрядного признака самого старшего разряда. Выражение (3.18) преобразуем в цепочечную функцию вида
Тогда логическая схема промежуточного разряда схемы "больше" может быть описана системой логических выражений
Условное обозначение схемы формирования признака "больше" и ее логическая схема на элементах . "И-НЕ" представлены на рис. 5, а,б. Выходной сигнал снимается со старшего разряда БОЛ=v1 ; вход v(n+1) младшего разряда обнуляется. Поскольку "меньше или равно" и "больше" образуют полную группу событий и следовательно, являются по отношению друг к другу инверсными, признак "меньше или равно" формируется по признаку "больше" как его отрицание.
Нетрудно видеть, что изменение знака "больше" на знак "меньше" требует подачи кодаA на вход B, и наоборот, кода В на вход А .
Рис.. 5. Схема формирования признака арифметического отношения ''БОЛЬШЕ": а - условное изображение; б - логическая схема.
3.6. Сумматоры
Сумматор представляет собой комбинационную схему, выполняющую операцию арифметического сложения двух кодов. Если слагаемые записаны в дополнительном коде, то сумматор строится по линейной схеме, если в обратном - то по циклической.
Работа сумматора описывается следующими предложениями операционного описания:
СМ{1:} = A{1:} + B{1:} (3.19)
при работе в дополнительном коде и
при работе в обратном коде; здесь символ "+" рассматривается как знак арифметического сложения двоичных кодов; символ
указывает, на наличие циклического переноса из старшего (знакового) разряда сумматора в его младший разряд.
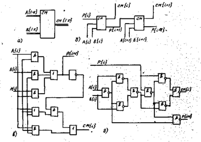
Рис. 6. Комбинационный сумматор: а - условное изображение; б -регулярная структура; в - : построение на элементах "И", "ИЛИ" ; г - построение на элементах "И-НЕ"
Условное обозначение сумматора представлено на рис. 6,а. Комбинационные сумматоры чаще всего строятся как регулярные структу-ры состоящие из однотипных разрядных схем, соединенных последовательно (рис. 6,6). Каждый разряд сумматора имеет три входа (разряд кода A(i), разряд кода B(i), перенос из предыдущего разряда P(i)) и два выхода (разряд суммы CM(i), перенос в следующий разряд Р(i+1 )) и может быть описан системой логических выражений
Таблица 1.
| A{i} | B{i} | P{i} | СМ{i} | P{i+1} |
| 0 | 0 | 0 | 0 | 0 |
| 0 | 0 | 1 | 1 | 0 |
| 0 | 1 | 0 | 1 | 0 |
| 0 | 1 | 1 | 0 | 1 |
| 1 | 0 | 0 | 1 | 0 |
| 1 | 0 | 1 | 0 | 1 |
| 1 | 1 | 0 | 0 | 1 |
| 1 | 1 | 1 | 1 | 1 |
Формирование CM(i) и Р(i+1 ) осуществляется согласно правилам сложения двоичных чисел [4] - разряд суммы равен единице, если количество единиц в A(i), B(i) и P(i) четно (один или три); перенос равен единице, если количество единиц в A(i), B(i) и P(i) равно или больше двух, - происходит "двоичное переполнение" разряда.
Нормальные формы выражений (3.21) могут быть получены по истинностной таблице (табл. 1).
Минимизация выражений CM(i) и Р(i+1) дает:
Для упрощения схемы сумматора выражения (3.22) реализуют как систему
Эквивалентность (3.22) и (3.23) можно доказать путем подстановки в CM(i) значения Р(i+1) и выполнения необходимых логических преобразований. Логическая схема разряда сумматора на элементах "И", "ИЛИ" и "НЕ" изображена на рис. 6,в. Если разряд сумматора строится на элементах "И-НЕ", то выражения (3.22) преобразуются к виду
где функция сложения по mod2 реализуется согласно выражению (3.17). Логическая схема разряда сумматора на двухвходовых схемах "И-НЕ" изображена на рис. 6,г.
Рассмотренный нами комбинационный сумматор называется сумматором с последовательным переносом, поскольку процесс формирования разрядов суммы происходит последовательно - от младших разрядов к старшим. Такой сумматор обладает сравнительно .низким быстродействием – максимальное переходного процесса равно времени прохождёния переноса через весь сумматор. Значительно большее быстродействие имеет сумматор с параллельным переносом, у которого разряды суммы формируются параллельно как функции всех разрядов слагаемых, однако такие сумматоры достаточно сложны и их рассмотрение выходит за рамки настоящего пособия.
Для построения сумматоров с последовательным переносом можно использовать микросхемы К155ИМ2 (двухразрядный полный сумматор) - и К155ИШ (четырехразрядный полный сумматор). Эти микросхемы построены по выражениям (3.23) и реализованы на элементах "И-ИЛИ-НЕ”.















