Орлов (775143)
Текст из файла
Задание
На устройство по шине А{32:1} последовательно поступают два параллельных 32-х разрядных слова. Определить слово, содержащее более длинную последовательность «нулей» и длину этой последовательности. Входные и выходные слова передаются по одной шине – А{32:1}.
Уточнение задания
 
 
Рис. 1
Временные диаграммы
 
 
Рис. 2
Реализация устройства
Алгоритм
 
 
 
 
Функциональная схема операционного автомата
В качестве входных сигналов для операционного автомата выступают:
-  
«Строб» - сигнал опорной частоты, используемый также для преобразования параллельного входного слова в последовательное.
 -  
«Упр» - сигнал, отмечающий начало нового слова, поступающего по параллельной шине, и очередной такт обработки.
 -  
«вход» - параллельное 32-х разрядное слово.
 
Операционный автомат, в соответствии с заданием формирует следующие выходные сигналы:
-  
«Сч0 А» - сигнал, содержащий двоичный код с длиной наибольшей последовательности 0 в слове А.
 -  
«Сч0 В» - сигнал, содержащий двоичный код с длиной наибольшей последовательности 0 в слове В.
 -  
«Призн.сл.» - сигнал, содержащий признак слова, в котором присутствует наибольшая последовательность 0 (1 соответствует слову «А», 0 соответствует слову «В»).
 
Функциональная схема операционного автомата приведена на рис. 3.
Операцию сравнения осуществляется для двух четырехразрядных двоичных чисел можно реализовать по следующему принципу:
A > B = “1”
Операцию сравнения для одноразрядного двоичного числа можно пояснить таблицей истинности:
|   A  |    B  |    >  |  
|   0  |    0  |    0  |  
|   0  |    1  |    0  |  
|   1  |    0  |    1  |  
|   1  |    1  |    0  |  
|   A  |    B  |    =  |  
|   0  |    0  |    1  |  
|   0  |    1  |    0  |  
|   1  |    0  |    0  |  
|   1  |    1  |    1  |  
Тогда операцию сравнения можно описать логическим выражением:
где Q=”1” соответствует A > B.
Функциональная схема, реализующая операцию сравнения, показана на рис. 4.
Принципиальная схема устройства
В соответствии с полученной функциональной схемой составлена принципиальная схема устройства, которая приведена на рис. 5. Для реализации использованы следующие микросхемы:
КР1554ИР24 – 8-разрядный универсальный сдвиговый регистр.
 С
 
 инхронная параллельная загрузка осуществляется путем установки напряжения высокого уровня на управляющие входы S0, S1.На объединенные входы-выходы, находящиеся в состоянии высокого импеданса, подается восьмиразрядное слово, которое по положительному фронту на С записывается в триггеры. Сдвиг вправо осуществляется синхронно с приходом положительного фронта тактового импульса на С при установке на S0 высокого, а на S1 низкого уровней. В этом режиме данные последовательно считываются с выхода SR.
К155ЛЕ4 – три логических элемента 3ИЛИ-НЕ.
 
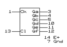
176ИЕ1 – 6-разрядный двоичный счетчик.
Ск – счетный вход, С1 – вход установки 0.
КР1554ИР22 – 8-разрядный буферный регистр с защелкой и тремя состояниями.
 При подаче отрицательного уровня напряжения на вход С включается обратная связь и регистр запоминает поданную на вход D информацию и переходит в режим хранения.
 
 
Схема устройства для реализации операции сравнения в соответствии с функциональной схемой, приведенной на рис. 4, показана на рис. 6. На рис. 5 схема сравнения обозначена
>
 
 Для реализации устройства сравнения использованы следующие микросхемы:
К155ЛЕ4 – три логических элемента 3ИЛИ-НЕ.
 
К155ЛИ1 – 4 логических элемента 2И.
К155ЛП5 – четыре двухвходовых логических элемента ИСКЛЮЧАЮЩЕЕ ИЛИ.
К155ЛН1 – 6 инверторов.
К155ЛЛ1 – четыре логических элемента 2ИЛИ
Принципиальная схема устройства, преобразующего 32 разрядное параллельное входное слово в последовательный код, приведено на рис. 7. Для его реализации использованы следующие микросхемы:
К155ИЕ5 – двоичный четырехразрядный счетчик.
 
 
 
 
Когда входные счетные импульсы поступают на вход С2 выходы осуществляют операцию деления на два, четыре, восемь и шестнадцать.
КР1554ИР24 – 8-разрядный универсальный сдвиговый регистр.
К1554ИР51 – четырехразрядный последовательно-параллельный регистр.
 
 
 
 
При параллельной записи на вход P/S подается напряжение высокого уровня и по переднему фронту тактового импульса на входе С сигналы с входов D1-D4 записываются в разряды регистра. По переднему фронту тактового импульса на входе С с выхода 1 последовательно выдается записанная последовательность. При подаче на вход сброса R напряжения высокого уровня все входы устанавливаются в низкое состояние.
Программа для микропроцессора
A = round(rand(1,32)):
count = 0;
max = 0;
for i=1:size(A,2)
if A(i) == 0
count = count + 1;
else
if count > max
max = count;
end
count = 0;
end
end
0A = max;
B = round(rand(1,32)):
count = 0;
max = 0;
for i=1:size(B,2)
if B(i) == 0
count = count + 1;
else
if count > max
max = count;
end
count = 0;
end
end
0B = max;
if 0A > 0B
A
0A
else
B
0B
end
Примечание: программа написана на языке Matlab 6.5.
Московский Авиационный Институт
(Государственный Технический Университет)
Кафедра 403
Курсовая работа
Вычислительные устройства и микропроцессорная техника
Выполнил
Студент гр. 04-519
Никитин Д. В.
Москва 2006
 
 
Рис. 3
 
 
Рис. 4
 
 
Рис. 5
 
 
Рис. 6
 
 
Рис. 7
Характеристики
Тип файла документ
Документы такого типа открываются такими программами, как Microsoft Office Word на компьютерах Windows, Apple Pages на компьютерах Mac, Open Office - бесплатная альтернатива на различных платформах, в том числе Linux. Наиболее простым и современным решением будут Google документы, так как открываются онлайн без скачивания прямо в браузере на любой платформе. Существуют российские качественные аналоги, например от Яндекса.
Будьте внимательны на мобильных устройствах, так как там используются упрощённый функционал даже в официальном приложении от Microsoft, поэтому для просмотра скачивайте PDF-версию. А если нужно редактировать файл, то используйте оригинальный файл.
Файлы такого типа обычно разбиты на страницы, а текст может быть форматированным (жирный, курсив, выбор шрифта, таблицы и т.п.), а также в него можно добавлять изображения. Формат идеально подходит для рефератов, докладов и РПЗ курсовых проектов, которые необходимо распечатать. Кстати перед печатью также сохраняйте файл в PDF, так как принтер может начудить со шрифтами.















