122826 (766149), страница 4
Текст из файла (страница 4)
З цих причин установка не знайшла практичного використання в умовах агровиробництва.В Україні серійно виготовляється установка типу „ВНП" [2]. Установка виконана у виді фільтрів „ВНП" з напірними пластинчастими фільтруючими елементами, а також гідростанція, технологічні ємкості, контрольно-вимірювальна апаратура (манометр, термометр) з'єднувальна арматура [2]. Основні її технічні характеристики, наприклад „ВНП-6": площа фільтрування 5,9м2; габаритні розміри 650*2250 мм, вага 560кг. Ціна установки „ВНП" від 7000-50000 у.о.
Недоліки установки типу „ВНП" :
складна конструкція;
низька ремонтопридатність;
велика працемісткість технічного обслуговування.
Головним недоліком очищення олії на цій установці є невідповідність вимогам ГОСТ-1129-93 „Олія соняшникова. Технічні умови" по тонкій очистці і освітленню продукції . Тому установка „ВНП" не прийнятна для використання в умовах міні-цехів агровиробництва.
МЕТОДИКА ДОСЛІДЖЕНЬ
Мета роботи - обґрунтувати та розробити малогабаритну установку для тонкої очистки рослинного олії. Розроблена малогабаритна установка для двохступеневої очистки рослинної олії [3].
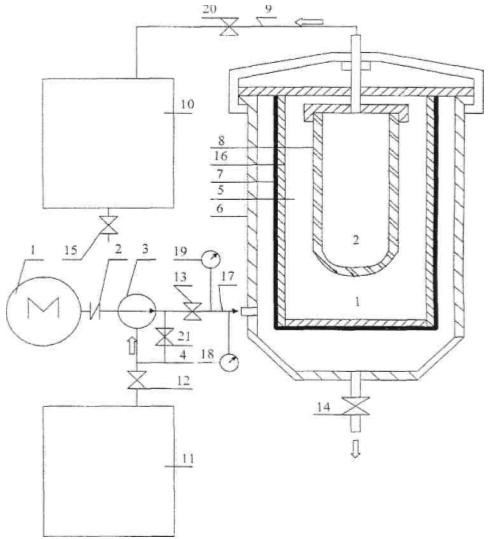
На рис. 1. представлена принципова схема установки. Установка має приводний електродвигун (1), муфта (2), яка з'єднує насос (3), бай-пас(4), з'єднувальну арматуру з кранами (12), (13), (14), (15), (20), (21), які призначені для регулювання процесу очистки олії, контрольно-вимірювальну апаратуру ( манометр (18), термометр (19)), ємкість (11) для сировини (неочищеної олії ) і ємкість (10) для готової продукції ( очищеної олії).В основу установки покладено фільтр (5), для двохступеневої очистки рослинної олії (рис.1.). Фільтр (5) складається з корпуса (6) циліндричної форми. В середині в порожнині корпуса (6) встановлюється каркас жорсткості (16), обгорнутий фільтруючим елементом (7) ( бельтинг-тканина , міткаль, тканина із синтетичного волокна-лавсан, капрон або дрібна сітка). По центру вертикальної осі вмонтований керамічний фільтр (8), в середині каркаса жорсткості (16) для тонкої очистки. Вхід фільтра(5) олієпроводом (17) через бай-пас (4) з'єднаний з виходом насоса (3), а вихід фільтра (8) під'єднанний до ємкості (10) готової продукції (очищеної олії).
Очистка олії від механічних домішок, фосфатидів і інших небажаних речовин здійснюється у два етапи, а саме :
- попередня очистка олії бельтинг-тканиною;
- тонка очистка мікрофільтрація олії керамічним фільтром.
Комплексна очистка олії реалізується в одному фільтрі (5), розділеному на два рівні 1 і 2 ( рис.1.).
Установка працює таким чином : в робочому режимі при вмиканні електродвигуна (1) через муфту (2) починає працювати насос (3) і всмоктує олій із ємкості (11) по магістралі, з'єднуючи ємкість (11) з насосом (3), при цьому крани (12), (13) повинні бути відкритими, а краном (21) бай-пас регулюється попередній робочий тиск в системі, який контролюється манометром (19). Температура олії фіксується термометром (18). При відкритому крані (13) під тиском олій проходить по магістралі у фільтр (5), де на 1-ому етапі попередньо очищається, проникаючи через фільтруючий елемент (7). Потім попередньо очищений олій проходить через керамічний фільтр (8) у порожнину - 2 друга ступінь (мікрофільтрація). При відкритому крані (20) очищений олій по олієпроводу (9) потрапляє в ємкість (10) як готовий продукт.
При засмічені фільтруючих елементів (7),(8) фільтра (5) очищається стисненим повітрям у зворотному напрямку. Злив забруднення здійснюється відкриттям крану (14).
Рис. 1.Установки для двохступеневої очистки рослинної олії
РЕЗУЛЬТАТИ ДОСЛІДЖЕНЬ
Запропонована установка виготовлена та апробована в умовах агровиробництва, отримані результати наведені в таблиці 1.
Таблиця1. Показники якості соняшникової олії після двохступеневої очистки
| № | Назва показників | Показники |
| 1 | Сорт | Вищий |
| 2 | Масова частина нежирних речовин, % | Відсутні |
| 3 | Масова частка летучих речовин, % | 0,10 |
| 4 | Ступінь прозорості, Фем | 25 |
| 5 | Кислотне число, кон/г | 0,35-0,40 |
| 6 | Перекисне число, моль/кг | 5,00-10,0 |
| 7 | Кольорове число, мг/йоду | 10 |
Із таблиці 1 можна побачити, що очищена на запропонованій установці олія, відповідає вимогам ГОСТ 1129-93 „Олії соняшникови. Технічні умови".
Розроблена установка має ряд переваг:
простота в обслуговуванні;
не накопичується осад (кислотне і перекисне число);
освітлення рослинної олії;
відсутні втрати олії в технологічному процесі;
витрата електроенергії зменшується на 20 - 30 % у порівнянні з існуючими фільтрами;
висока надійність в експлуатації.
ВИСНОВКИ
В результаті експерименту доказано, що установка забезпечує комплексну очистку олії від фосфатидів, механічних і інших домішок. Якість очищеної олії відповідає вимогам державного стандарту. Установка за своїми техніко-економічними характеристиками може бути використана в міні-цехах агровиробництва.
ЛІТЕРАТУРА
1.Топілін Г.Є., Кедь І.А. Установка для двохступеневої очистки рослинної олії. - Патент України на винахід (корисну модель)№ 2008 04888, 15.04.2008.
УСТАНОВКА ДЛЯ КОМПЛЕКСНОЇ ОЧИСТКИ РОСЛИННОЇ ОЛІЇ
Винахід відноситься до обладнання олійно-жирової промисловості та може бути використано для комплексної очистки рослинних олій (соняшникове, рапсове, соєве, оливкове, горіхове) від механічних домішків, води та легко киплячих фракцій, коагуляції та видалення фосфатидів, восків та концерогенних речовин.
Проблема отримання високоякісної соняшникової олії особливо актуальна для України, як виробника стратегічного продукту.
В теперішній час у міні-цехах агровиробництва та фермерських господарствах широко розповсюджена спрощена технологія отримання соняшникової олії, яка базується на простому та примітивному обладнанні. Однак ця технологія не включає в себе комплексну очистку олії, яка відповідала би вимогам діючого стандарту ГОСТ 1129-23 «Масло соняшникове. Технічні умови» по вмісту механічних домі шків, вологи та концерогенних речовин.
Для отримання високоякісних поживних масел їх необхідно максимально очистити від супутніх неблагоприємних речовин (механічних домі шків, фосфатидів, восків, гідрофобних фракцій та інш.), з одноразовим висвітленням продукту.
Цей процес можна реалізувати на основі фізичних методів та технічних засобів центробіжних апаратів, керамічних фільтрів, не прибігаючи до використання різноманітного роду адсорбентів, відбілюючих глин та інших хімічних реагентів, небезпечних для здоров’я споживача.
Відомі фільтр-преси з вертикальним розташуванням перегородок [1].
Фільтр-прес складається: з вертикально розташованих чергуючих рифлених плит та пустотілих рам, таким чином, що кожна пара суміжних плит та рама утворюють самостійну фільтруючу чарунку. Кожна рама огортається фільтровальною тканиною або металевою сіткою.
Ці фільтри-преси мають ряд недоліків: низька виробничість та надійність праці, використання ручної праці при зачищенні робочих елементів фільтрування, велика займаєма площа, високий питомий розхід електроенергії та інш. Крім того, перші порції очищеної олії достатньо мутні, потребується повторна фільтрація. З цих причин такі фільтр-преси не знайшли практичного використання в умовах міні-цехів агровиробництва та фермерських господарствах.
Ближнім аналогом вибраний патент № 2055867, RU, 1996.03.10, «Роспатент» [2]. Сутність очищення заключається в обробці масла мілко дисперсним адсорбентом з подальшим фільтруванням. В якості адсорбенту використовується порошок з природних опок та трепелів, які попередньо активуються прокаліванням при температурі 250-3500С на протязі 0,5-1,0 г; кількість адсорбенту по відношенню до маси очищаючої олії складає 0,5-4,0%.
Технологічний процес очистки реалізується на спеціальній установці [2]. Головним недоліком роботи такої установки є – порушення екології навколишньої середи, використаний адсорбент сам потребує регенерації (відновлення первинних властивостей) або утилізації. Одноразова якість отриманого продукту не відповідає вимогам ГОСТ 1129-23 «Масло соняшникове. Технічні умови.»
Мета винаходу – обґрунтувати та розробити установку для комплексного очищення рослинної олії в умовах міні-цехів агровиробництва та фермерських господарств.
Для комплексної очистки рослинної олії розроблена блочно-модульна установка.
Гідравлічна схема установки представлена на фіг. 1.
Вона включає в себе насосну станцію 1, колектор – розподілювач 2, електронагрівач 3, центрифугу 4, технологічний бак 5 та ємність 21, дегазатор 7, блок –фільтрів 9, вакуумметр 6, гідродинамічний випромінювач 8, блок запірних кранів 10, 11, 12, 13, 14, 15, 17, 22, 18, 19 та датчик температури 16.
Гідродинамічни випромінювач 7 працює при малих тисках (1,5-2,0 кгс/см2) в режимі коагуляції фосфатидів, механічних домі шків та баків.
Схема гідродинамічного випромінювача представлена на фіг 2.
Випромінювач складається з вхідного сопла 2 з визначеними прохідними січеннями. Випромінювач збирається у вигляді гідродинамічної труби, секції затискаються фланцами 4, стяжними болтами 5. між секціями встановлюються маслостійкі ущільнені кільця 6. На виході з кавітатору встановлюється вентиль 7 для підпору і регулювання тиску.
Робота випромінювача заснована на генеруванні обурень у рідинній середі (в даному випадку – олії) у вигляді деякого поля швидкостей при періодичному перериванні струї. Ці обурення оказують обратну дію на основі струї у сопла, сприяє встановленню автоматичного режиму. Механізм випромінювання звуку обуреннями може бути різним у залежності від конструкції випромінювача.
Гідродинамічний випромінювач встановлюється вертикально, виходом до гори. Діаметр виходної секції Д2 більше ніж вхідного Д1, тобто Д2 > Д1. співвідношення тиску олії Р1 на вході випромінювача та тиску Р2 на виході, регулюється вентилем 3.
Маслоочищуюча установка (Фіг 2,1) працює наступним чином.
Масло (вихідна сировина) з зовнішньої ємності 21 передається до відкритого крану 15 та потрапляє у всасуючу магістраль насосу 1, нагнітаюча магістраль якого з’єднана з колектором 2. Колектор 2 містить запірно-регулюючий клапан, через кран 10 олія потрапляє до випромінювача 8, кран 11 зєднаний з дегазатором 7, кран 12 підключає блок фільтрів 9, кран 13 подає олію до нагнітателя 3, а кран 14 зєднаний з центрифугою 4.
Злив олії з вищезгаданих пристроїв здійснюється у технологічний бак 5, який з’єднується з насосною станцією 1 при допомозі крану 16, крім того технологічний бак 5 обладнаний вакуумною станцією 6 та запірним вакуумним краном 17.
Тиск у системі контролюється манометрами 18 та 19, рівень вакуума вакуумметром 20, температура олії вимірюється датчиком температури 16.
Маслоочищуюча установка працює в наступних режимах:
видалення води та легкокиплячих фракцій;
коагуляція восків та механічних домі шків
очистка олії від механічнх домішок та інших неблагоприємних речовин;
тонка очистка та висвітлення олії.
Видалення вологи та летючих речовин з олії здійснюється таким чином:
відкриваються крани 15 та 13;
інші крани перекриваються;
включається насосна станція 1.
При цьому олія із зовнішнього джерела подається до баку 5 за допомогою насосу 1, подавання здійснюється до заданого рівня.
Після заповнення олією бака 5 крани 13 та 15 перекриваються, а кран 16 відкривається, при цьому олія з баку 5 подається до насосу 1 та далі через електронагнітатель 3, його підключають до електричної сітки за допомогою пускового пристрою. Олія нагрівається до температури плавлення восків. Контроль за температурою нагріву олії проводиться за допомогою показуючого термодатчика 15. після нагріву олії до потрібної температури електродвигун 3 вимикають від електричної сітки. Відкривають кран 11 для включення дегазатора 7, при цьому поступово відкривається кран 13, до отримання тиску олії на манометрі 18 величини 16 кг/см2.
















