148209 (730656)
Текст из файла
Тема
Технічне обслуговування допоміжного обладнання КамАЗ
Зміст
1. Загальні відомості про автомобілі КамАЗ
2. Додаткове обладнання автомобілів КамАЗ
Перелік використаної літератури
1. Загальні відомості про автомобілі КамАЗ
ВАТ «КАМАЗ» (англ. KAMAZ) (Камський автомобільний завод) - найбільший у Росії та СНД комплекс підприємств з виробництва великовантажних автомобілів, тракторів, дизельних двигунів і комплектуючих, розташований в Набережних Челнах (Татарстан, Росія).
Входить до числа 10 провідних світових компаній з виробництва важких вантажівок, займає 8-е місце у світі за обсягами випуску дизельних двигунів.
У 1960-х роках економіка СРСР потребувала збільшення парку вантажних автомобілів, особливо сучасного типу з вантажопідйомністю від 8 до 20 тонн з більш економічним дизельним двигуном. Існуючі автомобільні заводи цю потребу заповнити не могли.
У серпні 1969 року ЦК КПРС і Рада Міністрів СРСР прийняли ряд документів, у тому числі Постанова № 674 від 14 серпня 1969 «Про будівництво комплексу автомобільних заводів в Набережних Челнах Татарської АРСР». Заводи мали спеціалізуватися на виробництві тільки великовантажних автомобілів. Будівництву заводів в даному місці сприяло розташування міста - в центрі країни, наявність судноплавних річок Ками та Волги, близькість залізниці - дозволяли забезпечити майбутній автогігант будівельними матеріалами, сировиною, обладнанням і комплектуючими. За початковим проектом він повинен був робити 150 тис. великовантажних автомобілів і 250 тис. двигунів на рік.
Вже 13 грудня 1969 екскаваторник Михайло Носков вийняв перший ківш землі на промисловому майданчику майбутнього автогіганта на Камі. Будівельно-монтажні роботи розпочато з лютого 1970 року і вже до кінця року були укладені перші кубометри бетону у фундамент первістка КАМАЗу Ремонтно-інструментального заводу, а також корпуси сірого та ковкого чавуну Ливарного заводу.
Темпи будівництва комплексу заводів зростали. На початку 70-х КамАЗ був оголошений ударним комсомольським будівництвом. За 1970 1981 роки було освоєно капітальних вкладень на суму 4,2 млрд руб. (у тому числі на будівельно-монтажні роботи - 1,8 млрд руб) і введено основних виробничих фондів на суму 3,9 млрд руб. (що дорівнює їх вартості на ЗИЛі, ГАЗі, ВАЗі, разом узятих).
Загальна розгорнута площа будівель і споруд комплексу склала 3343 тис. м ² (на 1 січня 1991 добудовано до 3826 тис. м ² або 81% від проекту).
На заводах комплексу було встановлено понад 30 тис. одиниць самого сучасного технологічного устаткування, у тому числі виробничих 20 тис. одиниць вартістю понад 2 млрд руб., З них половина була поставлена з імпорту. Понад 81% склало обладнання, що працює з автоматичного і напівавтоматичного циклу, у тому числі близько 700 автоматичних, поточно-механізованих і комплексно-механізованих ліній. У оснащенні КамАЗу взяли участь більше 700 іноземних фірм з 19 країн Європи (РЕВ та Західної Європи), США, Канади, та Японії, 2000 заводів з 500 міст Радянського Союзу.
Технічний проект КамАЗу був розроблений інститутом «Гіпроавтопром» і проектним управлінням КамАЗу спільно з провідними підприємствами та організаціями СРСР: інститутом «Промбудпроект» Держбуду СРСР і «Гіпродвігателем» (Ярославль).
Також, до проектування окремих виробництв були залучені іноземні фірми: «Свінделл - Дресслер» (Пітсбург, США) - технологічні та спеціальні частини ливарного заводу, «Рено» (Франція) - проект заводу двигунів, «Лібхерр» (Штутгарт, ФРН) - виробництво коробок передач.
Конструкція першого покоління автомобілів і двигунів розроблена Московським автомобільним заводом ім. І. А. Лихачова і Ярославським моторним заводом.
У 1974 році в експериментальному цеху був зібраний перший двигун. Через рік з тимчасової технології почали збірку силових агрегатів.
Перший автомобіль КамАЗ зійшов з головного складального конвеєра 16 лютого 1976. А в кінці року 29 грудня міністр автомобільної промисловості СРСР В. Н. Поляков затвердив акт про введення в експлуатацію першої черги Камського комплексу заводів з виробництва великовантажам, раніше підписаний державною комісією.
Затверджений план на рік (15 000 автомобілів) було виконано достроково - у жовтні 1977 року (до 60-річчя Великої Жовтневої революції), і перевиконано за рік майже на третину (22 000).
Уже в червні 1979 року з головного конвеєра сходить 100000-а вантажівка. Зростання виробництва на КамАЗі б'є світові рекорди і безпрецедентний для СРСР.
У лютому 1981 року були здані в експлуатацію потужності другої черги КамАЗа.
На десятому році виробництва (у 1987 році) була створена лінія з виробництва малолітражних автомобілів «Ока». Перший автомобіль ( «Ока ВАЗ-1111») було випущено вже в 21 грудня (в 1994 році буде запущений цілий Завод з виробництва малолітражних автомобілів «Ока»).
У 1988 році було проведено фінансово-економічне дослідження діяльності підприємства. За підрахунками фахівців, з початку випуску автомобілів «КамАЗ» Радянський Союз отримав тільки від їх експлуатації близько 8 млрд руб. транспортного прибутку. Тобто, за перші десять років роботи КамАЗ повністю виправдав всі капіталовкладення, пов'язані з його будівництвом. Складаюча третина вантажного автопарку країни КамАЗи перевозили до двох третин всіх вантажів, що перевозяться автотранспортом.
У 1990 році на базі заводів КамАЗу створюється одне з перших акціонерних товариств РРФСР і Радянського Союзу - ВАТ «КАМАЗ».
14 квітня 1993 почалася пожежа на Заводі двигунів КАМАЗа. Вона охопила все підприємство, знищивши основний виробничий корпус і складне технологічне обладнання. Завод двигунів був повністю зруйнований.
Збиток автомобільного виробництва Росії був величезний, за підтримки уряду Татарстану і Російської Федерації підприємству вдалося поступово відновити потужності з випуску 100 тис. двигунів, а також ввести в експлуатацію новітнє технологічне устаткування для виробництва силових агрегатів. У грудні 1993 року завод двигунів знову почав випускати продукцію.
У 1990-х роках у зв'язку із загальним спадом виробництва в Росії і фінансовими труднощами, на заводах КАМАЗу склалася несприятлива економічна обстановка. Величезні потужності фактично простоювали, від чого, в першу чергу, страждало населення міста, так як КАМАЗ завжди був містоутворюючим підприємством.
До кінця 1990-х зусиллями керівництва підприємства, за підтримки урядів Росії та Татарстану, вдалося конвертувати борг об'єднання в розмірі 1 мільярд доларів США в акції підприємства, відновити виробництво після пожежі на заводі двигунів, освоїти випуск нових моделей вантажівок і вийти на режим беззбитковості.
30 серпня 1999 з конвеєра зійшов КАМАЗ 1600000-й великовантажем. Завод двигунів справив на той час 2 мільйони дизельних двигунів.
У 2001 році КАМАЗ вперше за сім років отримав прибуток в 57 мільйонів рублів.
У 2005 році контрольний пакет акцій ВАТ «ЗМА» (завод малолітражних автомобілів, що робив легкові автомобілі «Ока») був проданий групі «Северсталь-Авто».
У 2006 році команда «КАМАЗ-майстер» перемогла у ралі «Дакар» в сьомий раз (в п'ятий раз поспіль). За підвищення якості виробництва «КАМАЗ» (нові двигуни відповідають міжнародним екологічним стандартам «Євро-3») - єдиний з представників машинобудівної галузі, отримав у 2006 році Премію уряду РФ в області якості.
За 2007 рік КАМАЗ випустив 52650 вантажівок, 63200 двигунів і силових агрегатів - це стало рекордом. З конвеєра зійшов 1,8-мільйонний автмобіля (з початку виробництва 30 років тому). Незважаючи на недостатню кількість, але з огляду на ускладнення технології виробництва і перехід на нові стандарти було заявлено про досягнення рівня завантаження виробництва автомобілів в радянську епоху.
У цьому ж році на зовнішніх ринках було реалізовано рекордна за всю історію експорту кількість техніки КАМАЗ - 13444 одиниці. Указом Президента Росії генеральний директор ВАТ «КАМАЗ» С. А. Когогін був нагороджений орденом Дружби.
У 2008 році створено Машинобудівний освітній кластер КАМАЗ-КДТУ (КАІ) - спільний проект ВАТ «КАМАЗ» і КДТУ ім. А. Н. Туполева, спрямований на підготовку технічних кадрів для КАМАЗа.
ВАТ «КАМАЗ», починаючи з 1973 року, володіє товарними знаками КАМАЗ та KAMAZ, а з 1987 року - комбінованим товарним знаком КАМАZ із зображенням дикго степового коня (Аргамак). Дані товарні знаки визнані загальновідомими на території Російської федерації, рішеннями Палати по патентних спорах Федеральної Служби з інтелектуальної власності, патентів і товарних знаків, починаючи з 31 грудня 1999 року.
Раніше використовувалася найменування «КамАЗ» більше не вживається. Наприклад, в даний час як фірмове найменування, так і марки автомобілів на продукції пишуться у верхньому регістрі, наприклад: «бортовий тягач КАМАЗ-43114».
КАМАЗ випускає наступний ряд вантажних машин:
• Бортові тягачі
o КАМАЗ 43253 (4х2)
o КАМАЗ 43118 (6х6)
o КАМАЗ 43114 (6x6)
o КАМАЗ 65117 (6x4)
o КАМАЗ 5320 (6х4) - знятий з виробництва
o КАМАЗ 53212 (6x4) - знятий з виробництва
o КАМАЗ 4326 (4x4)
o КАМАЗ 4355 (6x6)
• сідельні тягачі
o КАМАЗ 5410 (6x4) - знятий з виробництва
o КАМАЗ 54115 (6x4)
o КАМАЗ 5460-046-22 (4х2)
o КАМАЗ 65116 (6х4)
o КАМАЗ 6460 (6х4)
o КАМАЗ 44108 (6x6)
o КАМАЗ 65225 (6x6)
o КАМАЗ 65226 (6x6)
• Самоскиди
o КАМАЗ 6520 (6х4) - базова модель сімейства підвищеної вантажопідйомності
o КАМАЗ 6540 (8х4)
o КАМАЗ 6522 (6x6)
o КАМАЗ 55111 (6х4)
o КАМАЗ 65115 (6х4)
o КАМАЗ 65111 (6х6)
o КАМАЗ 53605 (4х2)
o КАМАЗ 43255 (4х2)
• Спортивна вантажівка
o КАМАЗ 4911 (4х4)
• середньотоннажні автомобілі
o КАМАЗ 4308 (4х2)
• Шасі
o КАМАЗ 43118 (6x6)
o КАМАЗ 65115 (6х4)
o КАМАЗ 6522 (6x6)
o КАМАЗ 6540 (8х4)
o КАМАЗ 6520 (6х4)
o КАМАЗ 43253 (4х2)
o КАМАЗ 65117 (6х4)
o КАМАЗ 4326 (4х4)
o КАМАЗ 43114 (6x6)
o КАМАЗ 53215 (6х4)
2. Додаткове обладнання автомобілів КамАЗ
1. Інструкція з монтажу для встановлюваних гідронасосів на коробки відбору потужності ЦФ конструкції «c»
Підключення гідронасосу має відповідати стандарту ISO 7653 Тип D.
a) Додаткова інструкція:
(Для коробки відбору потужності всіх типів)
Ущільнення між насосом і валом відбору потужності
Ущільнення між насосом і коробкою відбору потужності повинне проводитися двома ущільнювальними кільцями (D1 + D2) і випуском повітря (E1) між кільцями ущільнювачів.
Випуском повітря забезпечується, що трансмісійне масло не буде відсмоктувати та гідравлічне масло не потрапить в КП.
Ущільнювальні кільця повинні бути термостійкими до 120 ° C.
Ущільнююче кільце з боку коробки відбору потужності (D1) повинно ущільнювати КП маслом виробника транспортного засобу ЦФ.
Ущільнююче кільце з боку насоса має ущільнювати насос маслом для гідравлічних систем.
Завжди повинно бути забезпечено функціонування отвори випуску повітря (не покривати лаком, не закривати, не забруднювати).
При витоку масла в (E1) повинна бути проведена термінова перевірка всієї системи.
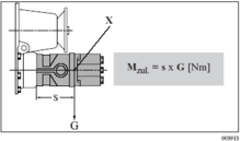
b) Навантаження: момент маси "M"
При конструкції "c" коробки відбору потужності NH / 1 і NL / 1 можуть створювати статичне навантаження на поверхні пріфланцовиванія через насоса (момент маси "M") 50 Нм.
М = момента маси
G = вага насоса (включаючи оснащення)
s = відстань від центра ваги насоса до сполучної поверхні
X = центр ваги насоса
Інструкції з монтажу
2. Момент на вихідному валу
Обумовлений типом конструкції і способом експлуатації може дорівнювати піковий момент. Припустимо одноразовий імпульс перевищує номінальний момент в 2 рази. При перевищенні необхідний перевантажувальний запобіжник. Чергування ударних моментів або вібраційних режимів> 1,5 xT (активний момент) неприпустимо. Зазначені значення справедливі при частоті обертання вихідного валу від 1500 хв-1.
3. Установка
Максимальний допустимий кут вигину β карданного вала не може перевищувати 7
Зверніть увагу також на "Рекомендації ЦФ з монтажу механічних КП" (1203 765 010).
4. Введення в експлуатацію коробки відбору потужності
Характеристики
Тип файла документ
Документы такого типа открываются такими программами, как Microsoft Office Word на компьютерах Windows, Apple Pages на компьютерах Mac, Open Office - бесплатная альтернатива на различных платформах, в том числе Linux. Наиболее простым и современным решением будут Google документы, так как открываются онлайн без скачивания прямо в браузере на любой платформе. Существуют российские качественные аналоги, например от Яндекса.
Будьте внимательны на мобильных устройствах, так как там используются упрощённый функционал даже в официальном приложении от Microsoft, поэтому для просмотра скачивайте PDF-версию. А если нужно редактировать файл, то используйте оригинальный файл.
Файлы такого типа обычно разбиты на страницы, а текст может быть форматированным (жирный, курсив, выбор шрифта, таблицы и т.п.), а также в него можно добавлять изображения. Формат идеально подходит для рефератов, докладов и РПЗ курсовых проектов, которые необходимо распечатать. Кстати перед печатью также сохраняйте файл в PDF, так как принтер может начудить со шрифтами.
















