135865 (722703), страница 5
Текст из файла (страница 5)
Расчёт коэффицентов фильтра выполняется по формуле обратного ДПФ
(3.1)
Затем необходимо расчитать реализованные частотные характеристики по формулам, которые следуют из выражения для передаточной функции фильтра.
, или
. (3.2)
Остаётся сравнить требуемые и реализованные характеристики и принять решение о необходимости повторного расчёта.
Расчёты по учёту эффектов конечной разности кодовых слов остаются
прежними.
3.3. Схемы и характеристики фильтров с линейной фазой
Нерекурсивный фильтр позволяет получить четную или нечетную импульсную характеристику и, как результат, линейную ФЧХ или произвольной АЧХ, что следует из теоремы о спектре четных и нечетных сигналов: спектр фаз четных и нечетных сигналов является линейным.
Фильтры с четными импульсными характеристиками называются симметричными, с нечетными - антисимметричными. Каждый из отмеченных типов фильтров имеет свои особенности в зависимости от четности числа отводов N, что удобно рассмотреть на конкретных примерах.
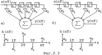
Симметричные фильтры с нечетным N.
На рис. 3.3, а приведена схема и импульсная характеристика симметричного фильтра для случая N=5. Передаточная функция такой цепи:
H(Z) = a2 + a1Z-1 + a0Z-2 + a1Z-3 + a2Z-4 = Z-2 [a0 + a1 (Z + Z-1) + a2 (Z2 + Z-2)]
Отсюда, после подстановки Z = e jwT и с учетом формулы Эйлера
H (jw) = e -j2wT (a0 + 2a1 cos wT + 2a2cos 2wT)
следовательно, формулы АЧХ и ФЧХ
H(w) = a0 + 2a1 cos wT + 2a2cos 2wT, j(w) = -2wT
График АЧХ и графики поясняющие характер АЧХ - cos wT, cos 2wT - приведены на рис. 3.4, а.
Симметричные фильтры с четным N.
На рис. 3.3, б приведены схема и импульсная характеристика симметричного фильтра для случая N=4. Передаточная функция фильтра
H(Z) = a2 + a1Z-1 + a1Z-2 + a2Z-3 = Z-1,5 [a1 (Z0,5 + Z-0,5) + a2 (Z1,5 + Z-1,5)]
Отсюда H (jw) = e -j1,5wT (2a1 cos 0,5 wT + 2a2cos 1,5wT)
Соответствующие формулы АЧХ и ФЧХ
H(w) = 2a1 cos 0,5 wT + 2a2cos 1,5wT, j(w) = -1,5wT
Характер АЧХ и поясняющие графики - на рис. 3.4, б.
Антисимметричные фильтры с нечетным N.
На рис. 3.5, а приведены схема и импульсная характеристика антисимметричного фильтра для случая N=5.
Передаточная функция фильтра
H(Z) = a2 + a1Z-1 + 0Z-2 - a1Z-3 - a2Z-4 = Z-2 [a1 (Z - Z-1) + a2 (Z2 - Z-2)]
отсюда H (jw) = e -j2wT j(2a1 sin wT + 2a2 sin2wT)
Поэтому формулы АЧХ и ФЧХ
H(w) = 2a1 sin wT + 2a2 sin 2wT, j(w) =
-2wT
Характер АЧХ и поясняющие графики - на рис. 3.6, f.
Антисимметричные фильтры с четным N.
Схема и импульсная характеристика для случая N=4 приведены на рис. 3.5, б. Передаточная функция
H(Z) = a2 + a1Z-1 - a1Z-2 - a2Z-3 = Z-1,5 [a1 (Z0,5 - Z-0,5) + a2 (Z1,5 - Z-1,5)]
Отсюда
H (jw) = e -j1,5wT j(2a1 sin 0,5 wT + 2a2sin 1,5wT)
Формулы АЧХ и ФЧХ
H(w) = 2a1 sin 0,5 wT + 2a2 sin 1,5wT, j(w) =
-1,5wT
Характер АЧХ и поясняющие графики - на рис. 3.6, б.
3.4 Общие свойства фильтров с линейной фазой
Анализ рассмотренных вариантов фильтров с линейной фазой позволяет сделать выводы общего характера.
1. Симметричные фильтры.
H(0) № 0, j(w) = -
wT (3.3)
а. Если N - нечетное, то АЧХ - четная функция
H(w) = а0 + 2
аm cos mwT (3.4)
Применяется при условии H(0,5wд) № 0
б. Если N - четное, то АЧХ - нечетная функция
H(w) = 2
аm cos [(m - 0,5) wT] (3.5)
Применяется при условии H(0,5wд) = 0
2. Антисимметричные фильтры
H(0) = 0, j(w) =
-
wT (3.6)
а. Если N - нечетное, то АЧХ - нечетная функция
H(w) = 2
аm sin m wT (3.7)
Применяется при условии H(0,5wд) = 0
б. Если N - четное, то АЧХ - четная функция
H(w) = 2
аm sin [(m - 0,5) wT] (3.8)
Применяется при условии H(0,5wд) № 0
На рис. 3.7, а, б приведены графики, поясняющие отмеченные выше свойства.
Если требуемая передаточная функция имеет в качестве множителя мнимую единицу, то применяются исключительно антисимметричные фильтры. Например, передаточная функция дифференциатора или интегратора
H(jw) = jw, H(jw) = 1 / jw
В этом случае условия
Н(0) = 0, или H(0,5wд) = 0, или H(0,5wд) № 0
при необходимости следует воспроизвести искусственно.
3.5. Расчет ЦФ с линейной фазой. Метод взвешивания.
Расчет фильтров с линейной фазой начинается с выбора типа фильтра (симметричный, антисимметричный) и четности N в соответствии с общими свойствами фильтров с линейной фазой и требуемой АЧХ.
а. Если Н(0) № 0, то фильтр симметричный. Отсюда:
N - нечетное, если H(0,5wд) № 0
N - четное, если H(0,5wд) = 0
б. Если Н(0) = 0, то фильтр антисимметричный. Отсюда:
N - нечетное, если H(0,5wд) = 0
N - четное, если H(0,5wд) № 0
После выбора типа фильтра и четности N необходимо продолжить требуемую АЧХ на диапазон [0,5wд; wд] в соответствие с графиками на Рис. 3.7, а, б. Выбор расчетной формулы для ФЧХ, т.е. (3.3) или (3.6), определяется типом фильтра.
После выполненных процедур расчет фильтра осуществляется по общим правилам расчета не рекурсивных ЦФ.
Пример. Рассчитать ФНЧ с линейной фазой по следующим исходным данным:
ПП ® [0; 200] Гц, переходная область ® [200; 300] Гц.
Решение
Выбираем fд = 800 Гц. Отсюда после нормирования частот W =
ПП ® [0; 0,25], ПН ® [0,375; 0,5].
Здесь Н(0) № 0, поэтому фильтр симметричный.
H(0,5wд) = 0, поэтому N - четное.
Следовательно, требуемую АЧХ необходимо продолжить на диапазон [0,5wд; wд] нечетным образом (Рис. 3.8, а).
Расчет начинается с выбора величины N.
Пусть N = 8. Отсюда интервал между выборками W1 =
= 0,125.
Формула для ФЧХ (3.3): j(w) = -
wT . Отсюда
j (W) = -7pW, или для частот выборки j (kW1) = -7pW1,
Отсчеты АЧХ - по требуемой АЧХ на графике Рис. 3.8, а.
Следовательно, комплексные частотные отсчеты:
Н(jkW1) = {1e j0; 1e -j0,875p ; 1e -j1,75p ; 0; 0; 0; -1e -j5,25p ; -1e -j6,125p }
Отсюда расчет импульсной характеристики по формуле обр. ДПФ
h (nT) =
H (jkW1) e j (2p/N) kn =
={0,065; -0,165; 0,025; 0,53; 0,53; 0,025; -0,165; 0,065}
что соответствует схеме фильтра на Рис. 3.8, б
Расчетная формула АЧХ такого типа фильтра - (3.5).
Поэтому Н(W) = 1,06 cos pW + 0,05 cos 3pW - 0,33 cos 5pW + 0,13 cos 7pW
Результаты расчета реализованной АЧХ приведены на графике Рис. 3.8, а (штриховая линия).
В окрестности точек разрыва требуемой АЧХ (в данном примере это частоты 0,25 и 0,75) отклонение от нормы реализованных характеристик получается значительным вследствие влияния эффекта Гиббса. Ослабить влияние эффекта Гиббса удается введением весовой функции (метод взвешивания) к импульсной характеристике.
Новая импульсная характеристика формируется по правилу:
h' (nT) = W (nt) * h (nT)
Где W (nT) - весовая функция или "сглаживающее окно".
Находят применение различные типы окон, например "окно" Хэмминга:
W(nT) = 0,54 + 0,46 cos [2p
], (3.9)
где n = 0, 1, 2, ... (N - 1)
Для рассматриваемого примера
W (nT) = {0,08; 0,244; 0,64; 0,96; 0,96; 0,64; 0,244; 0,08}
h' (nT) = {0,005; -0,04; 0,016; 0,51; 0,51; 0,016; -0,04; 0,005}
Отсюда новые коэффициенты фильтра и новая передаточная функция
H'(Z) = 0,005 - 0,04Z-1 + 0,016Z-2 + 0,51Z-3 + 0,51Z-4 + 0,016Z-5 - 0,04Z-6 +
+ 0,005Z-7
График АЧХ с учетом сглаживающего окна приведен на Рис. 3.9. Расчетная функция получена из формулы для Н'(Z) после подстановки
Z = ejwT = ej2pW.
Сравнивая реализованные АЧХ на Рис. 3.8, а и Рис. 3.9, можно убедиться в улучшении качества аппроксимации требуемой АЧХ при введении "окна".
С ростом N положительный эффект от применения "сглаживающего окна" возрастает.
В рассмотренном примере нормы на отклонение реализованной АЧХ от требуемой не заданы. Если эти нормы не выполняются, то.... (строчка ксерокопии не влезла)
3.6. Метод частотной выборки
Коэффициенты не рекурсивного ЦФ (Рис. 3.2, а) соответствуют отсчетам импульсной характеристики. Схему не рекурсивного ЦФ можно преобразовать таким образом, чтобы коэффициенты фильтра соответствовали отсчетам другой системной характеристики - передаточной функции. Новая схема ЦФ является основой конструирования фильтров по методу частотной выборки.
3.6.1 Схема фильтра.
Схема фильтра формируется по результатам эквивалентных преобразований передаточной функции не рекурсивного ЦФ
H(Z) =
an Z-n
где в соответствии с формулой обратного ДПФ
an = h (nT) =
H (jkw1) ej(2p/N)kn
следовательно
Н(Z) =
H (jkw1) ej(2p/N)kn Z-n =
(ej(2p/N)kn Z-1)n
Применяя здесь формулу суммы N первых членов геометрической прогрессии
получаем
















