135865 (722703), страница 8
Текст из файла (страница 8)
Чувствительность частотных характеристик достаточно оценить на частоте полюса максимальной добротности wк, которая определяется, согласно (4.6), значением угла полюса
Qк = wкТ
На частоте wк чувствительность принимает максимальное значение:
Оценку максимума чувствительности по коэффициенту ai можно применить, в частности, к расчету разрядности коэффициентов по допускам на отклонение АЧХ. Расчет начинается с определения среднеквадратичной чувствительности по всем коэффициентам ai.
(4.11)
Необходимость среднеквадратичного критерия объясняется разным сочетанием знаков чувствительностей в зависимости от частоты, поэтому суммарная чувствительность может оказаться равной нулю даже на частоте wк.
В режиме малых приращений коэффициентов реакция системы проявляется по линейному закону, поэтому можно воспользоваться пропорцией
1% -
dS - dН
и определить среднеквадратичное значение погрешности коэффициентов dS по допуску на отклонение АЧХ dН.
Сравнивая требуемое значение dS и реализованное значение среднеквадратичной погрешности коэффициентов d'S
d'S =
(4.12)
можно определить разрядность коэффициентов методом проб.
В качестве примера анализа цепи по функции чувствительности можно сделать ссылку на анализ чувствительности полосового ЦФ к изменению тактовой частоты. Оказалось, что смещение полосы пропускания увеличением тактовой частоты, при неизменной ширине полосы пропускания, потребует увеличения разрядности коэффициентов.
4.6. Масштабирование сигнала в цепи.
Уровень шума квантования на выходе источника шума не зависит от уровня сигнала: уровень шума определяется величиной шага квантования. Поэтому соотношение сигнал/шум тем выше, чем выше уровень сигнала в цепи. Но высокие уровни сигнала могут привести к переполнению сумматоров цепи, т.е. к выходу числа за пределы разрядной сетки слева в регистре сумматора, на котором вырабатывается сумма. В системе чисел с фиксированной запятой таким пределом называется единица.
Переполнение сумматора равносильно ограничению сигнала сверху пороговым нелинейным элементом в аналоговой цепи.
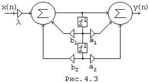
Поэтому возникает необходимость в масштабировании сигнала с таким расчетом, чтобы получить высокие уровни сигнала в цепи с минимальным риском перегрузки сумматоров. Масштабирование осуществляется специальным умножителем, который устанавливается на входе цепи. На рис. 4.3. приведен пример цепи с масштабным умножителем.
Расчет множителя l выполняется по каждому сумматору отдельно. Из множества расчетных значений l необходимо выбрать наименьшее, т.е. l того сумматора, который наиболее подвержен опасности переполнения.
Расчетные значения l рекомендуется округлить в меньшую сторону до ближайшего числа кратного степени 2: операцию умножения на число кратное степени 2 можно выполнить простым сдвигом числа в числовом регистре, что практически не требует затрат времени и оборудования на умножение поступающих кодовых слов.
Рассмотрим методы расчета масштабного множителя.
4.6.1. Расчет по условию ограничения максимума сигнала.
Сигнал на входе i-ого сумматора определяется по формуле свертки
где x(n) - сигнал на входе цепи
lhi(n) - импульсная характеристика участка цепи от входа до выхода i-ого сумматора.
Максимум модуля сигнала yi(n) имеет место при соблюдении условия:
x(n-k)={+1, если hi(k)>0
-1, если hi(k)<0}
поэтому
Если ограничить максимум модуля сигнала единицей, т.е.
,
то требование отсутствия переполнения сумматора выполняется при условии:
(4.13)
Расчет масштабного множителя по (4.13), т.е. по условию ограничения максимума сигнала, приводит к режиму работы цепи, при котором перегрузка сумматоров исключена, но уровни сигнала в цепи - низкие. Поэтому чаще применяется вариант расчета по условию ограничения энергии сигнала, который приводит к более высоким уровням сигнала.
4.6.2. Расчет по условию ограничения энергии сигнала.
Энергия сигнала на выходе i-го сумматора определяется согласно (2.25) по формуле
Формула справедлива для случайных сигналов с равномерным энергетическим спектром, что примерно соответствует реальным сигналам.
Сигнал на входе цепи не превышает единицы по абсолютной величине, поэтому сигнал на выходе i-го сумматора не превысит, наиболее вероятно, модуля единицы, если потребовать выполнение условия:
1.
2. Корреляционные связи сигнала и системы - отсутствуют.
В результате исходная формула принимает вид
Отсюда
(4.14)
Масштабный умножитель с коэффициентом (4.14) обеспечивает относительно высокие уровни сигнала в цепи, но возникает опасность перегрузок сумматоров. Перегрузки маловероятны и кратковременны, поэтому для многих систем обработки сигналов вполне допустимы, тем более, что отрицательный эффект от перегрузок можно ослабить, если подставлять единицу на выход сумматора по признаку переполнения.
4.6.3. Расчет по условию ограничения максимума усиления цепи.
Усиление участка цепи от входа цепи до выхода i-го сумматора в значительной мере определяет условия перегрузки i-го сумматора. Поэтому, ограничивая максимум усиления единицей
приходим к режиму работы цепи, при котором опасность перегрузки i-го сумматора становится минимальной, поскольку сигнал на входе цепи не превышает по модулю единицы. Отсюда расчетная формула для масштабного множителя
(4.15)
Частоту максимального усиления wк можно определить по известному углу высокодобротного полюса Qк = wкТ (4.6) передаточной функции Hi(Z).
Расчет масштабного множителя по (4.15) применяется чаще при каскадной реализации, когда масштабирование можно выполнить внутри каждого звена.
4.7. Динамический диапазон ЦФ.
Динамический диапазон цепи определяется границами уровня выходного сигнала. Для цифровой цепи, функционирующей в системе чисел с фиксированной запятой, динамический диапазон равен
[D; 1,0],
где D - значение младшего разряда кодовых слов.
Эффективность использования динамического диапазона оценивается с одной стороны - вероятностью перегрузки сумматоров, с другой - величиной помехозащищенности сигнала на выходе цепи относительно уровня шумов квантования на выходе цепи
(4.16)
где Rш - помехозащищенность сигнала,
- дисперсия шума
- усредненная энергия сигнала,
Рс, Рш - мощности сигнала и шума.
Масштабирование сигнала позволяет добиться высокой эффективности использования динамического диапазона цепи.
4.8. Предельные циклы.
Предельными циклами называется ложный сигнал, который возникает на выходе рекурсивного ЦФ, если на вход цепи поступает сигнал в виде константы. Причиной появления предельных циклов является процедура квантования сигнала в умножителях, охваченных обратной связью.
Пример. Определить форму предельных циклов заданной цепи (рис. 4.4), если сигнал на выходе умножителя округляется на уровне десятых долей, а сигнал на входе в момент t=0 прерывается, т.е. наступает пауза. Состояние цепи к моменту t=0 характеризуется условием: y(-1) = 0,5.
Решение.
Разностное уравнение цепи: y(n) = x(n) + 0,8y(n-1)
Решение разностного уравнения.
n=0 : y(0) = 0 + 0,8 * 0,5 = 0,4
n=1 : y(1) = 0 + 0,8 * 0,4 = 0,32 » 0,3
n=2 : y(2) = 0 + 0,8 * 0,3 = 0,24 » 0,2
n=3 : y(3) = 0 + 0,8 * 0,2 = 0,16 » 0,2
n=4 : y(4) = 0 + 0,8 * 0,2 = 0,16 » 0,2
............................................................
Следовательно y(n) = {0,4; 0,3; 0,2; 0,2; 0,2; ... }, т.е. сигнал "зависает" на уровне 0,2. Если знак коэффициента 0,8 заменить на противоположный, то форма предельных циклов принимает вид знакопеременной последовательности y(n) = {-0,4; 0,3; -0,2; 0,2; -0,2; ... }.
В цепях высокого порядка предельные циклы имеют сложную форму и определяются, при необходимости, моделированием фильтра на ЭВМ.
Ложные сигналы в системах передачи информации не допустимы, поэтому применяются различные способы борьбы с предельными циклами. Можно, например, подмешивать к сигналу на входе цепи псевдослучайную последовательность нулей и единиц на уровне младшего разряда кодовых слов. Но в этом случае необходимо увеличить на единицу разрядность кодовых слов, чтобы помехозащищенность сигнала оставить на прежнем уровне.
5. Восстановление непрерывного сигнала.
Последовательность кодовых слов на выходе цифрового фильтра необходимо преобразовать в аналоговый сигнал. Преобразование осуществляется с помощью двух устройств: ЦАП и ФНЧ. В ЦАП происходит преобразование каждого кодового слова в узкий импульс, амплитуда которого соответствует значению кодового слова. В ФНЧ происходит выделение той части спектра, которая соответствует спектру аналогового сигнала.
5.1. Характеристики ЦАП.
Цап преобразует отсчеты сигнала в виде кодовых слов в отсчеты сигнала в виде импульсов. Преобразование происходит с постоянным коэффициентом преобразования, не зависящим от величины отсчета. Следовательно ЦАП является линейной системой, импульсная характеристика которой совпадает с формой импульсов на выходе ЦАП. Поэтому сигнал на выходе ЦАП можно определить по формуле свертки аналоговых сигналов
yцап(t) = y(t) Е hцап(t) (5.1)
где y(t)=y(nT) - дискретный сигнал на входе ЦАП,
hцап(t) - импульсная характеристика ЦАП.
На рис. 5.1, а,в показана форма сигналов на входе и выходе ЦАП на примере импульсной характеристики в форме прямоугольного импульса длительностью t (Рис. 5.1, б)
В частотной области свертке (5.1) соответствует произведение спектров
Yцап (jw) = Y (jw) * Hцап (jw) (5.2)
где, согласно (1.3),
Y (jw) =
Yа(jw) - спектр аналогового сигнала, подлежащего восстановлению,
Hцап(jw) - передаточная функция ЦАП.
Множитель Т-1 в формуле Y (jw) принято относить к передаточной функции ЦАП, поэтому передаточная функция ЦАП для случая, соответствующего импульсу на Рис. 5.1, б, запишется так
Hцап(jw) =
(5.3)
Отсюда, если t << Т, получаем
Hцап(jw) » t / Т (5.4)
что подтверждается известным фактом спектральной теории: спектр короткого импульса равен его площади и не зависит от формы импульса.
5.2. Погрешности восстановления.
Аналоговый сигнал ya(t) обращается на выходе ФНЧ, который выделяет спектр частот [0; 0,5wд], соответствующий спектру Yа(jw).
Yа(jw) = Y (jw) * Hцап (jw) * Hфнч (jw) (5.5)
Неравномерность реальных частотных характеристик ЦАП и ФНЧ приводит к искажениям восстанавливаемого непрерывного сигнала. На рис. 5.2 показаны характерные особенности реальных АЧХ восстанавливающих устройств.
Искажения ЦАП обусловлены наклоном АЧХ. На Рис. 5.2 АЧХ соответствует импульсной характеристике в форме прямоугольного импульса длительностью t. Но с уменьшением t, согласно (5.3) и (5.4), падает усиление ЦАП, что приводит к малым уровням сигнала и, соответственно, к низкой помехозащищенности сигнала по отношению к собственным помехам системы.
Искажения ФНЧ увеличиваются по мере приближения к частоте среза ФНЧ wс = 0,5wд. Поэтому рабочую полосу частот сигнала Y (jw) целесообразно размещать на неискаженном участке полосы пропускания ФНЧ, что можно сделать увеличением тактовой частоты wд цифрового фильтра. Таким образом, если имеется возможность увеличить тактовую частоту, то в качестве ФНЧ можно использовать простую цепочку RC. В противном случае качественные показатели восстанавливающего устройства приходится улучшать усложнением схемы ФНЧ. Наконец, погрешности восстановления можно скомпенсировать, если создавать соответствующие предыскажения в ЦФ. В этом случае нормы на проектируемый ЦФ необходимо поправить в расчете на реальные характеристики ЦАП и ФНЧ.
Литература.
1. Гольденберг Л.М. и др. Цифровая обработка сигналов. - Учебное пособие для вузов. - М.: Радио и Связь, 1990 г.
2. Гоноровский И.С. Радиотехнические цепи и сигналы. - М.: Радио и связь, 1986 г.
3. Гольденберг Л.М. и др. Цифровая обработка сигналов. - Задачи и упражнения. Учебное пособие для вузов. - М.: Радио и Связь, 1992 г.
4. Карташев В.Г. Основы теории дискретных сигналов и цифровых фильтров. - М.: Высшая школа, 1982 г.
5. Гольденберг Л.М. и др. Цифровая обработка сигналов. - Справочник - М.: Радио и Связь, 1985 г.
6. Лэм Г. Аналоговые и цифровые фильтры. Расчет и реализация. - М.: Радио и связь, 1982.
7. Антонью А. Цифровые фильтры: анализ и проектирование. - М.: Радио и связь, 1983г.
8. Крук Б.И. и др. 25 вопросов по цифровым фильтрам. Издание НЭИС, 1990 г.
9. Зеневич А.Ф. Дискретные сигналы и цепи. Учебное пособие. Издание НЭИС, 1992 г.
0>















