135808 (722649), страница 9
Текст из файла (страница 9)
0,4 0,8 1,2 1,6 Uвх,В
В данной схеме устройства управления триггер Шмидта – в виде микросхемы 1533ТЛ2 (DD2).
-
Прежде чем последовательность коротких импульсов подавать на вход SID микропроцессора, необходимо обеспечить хорошую стабильность длительности данных импульсов, т.к. на входе элемента Шмидта все они будут иметь разную длительность. В составе серий ТТЛ имеется несколько аналого-импульсных схем – ждущих мультивибраторов. Они позволяют расширить длительность коротких импульсов, сформировать импульсы нужной длительности с хорошей стабильностью по длительности. Свой выбор я остановил на микросхеме 1533АГ3 – два ждущих мультивибратора с возможностью перезапуска. Каждый мультивибратор имеет выходы Q и
, вход сброс, 2 входа разрешения запуска: В-прямой,
-инверсный. Длительность выходного импульса определяется времязадающими элементами С
и R
;
вых=0,45 R
С
.
Таблица истинности:
Сброс | Вход | Выход | ||
|
| В | Q |
|
Н Х Х В В
| Х В Х Н
Н | Х Х Н
В В | Н Н Н | В В В |
Если согласно этим условиям мультивибратор запущен, выходной импульс можно продолжить, подав на вход напряжение низкого уровня (или на вход В-высокого). С момента этой дополнительной операции до окончания импульса пройдет время
вых.
Схема включения:
G1 Q
В
R


9
12
10
16 5B
6 R
C
11 7
8
1.3. Расчеты параметров и элементов принципиальной схемы.
1.3.1. Расчет адресной шины и шины данных
микропроцессора 1821ВМ85.
При проектировании адресной шины и шины данных необходимо оценить величину токовой нагрузки, т.к. они связаны со множеством устройств, подключенных параллельно. Если для адресной шины и шины данных характерен ток, по величине превосходящий допустимое значение на выходе МП, то такую линию необходимо буферировать.
-
Расчет адресной шины:
Для микропроцессора максимально допустимая нагрузка на адресной линии составляет:
Uвых L=0,45 В Iвых L=2 мА
Uвых H=2,4 В Iвых H=400 мкА
для регистра 1533 UP22:
Iвх Н=20 мкА Iвх H =8
20=160 мкА
400 мкА
Iвх L=0,1 мА IвхL =8
0,1=0,8 мА
2 мА
Таким образом входной ток микросхемы 1533ИР22 не является большим для МП 1821ВМ85.
Теперь проверим, обеспечивается ли нагрузочная способность для элементов схемы, которые являются адресной информации.
А11 А15
МП





DC



А0
А7
А8
А10 А8
А12,А15
1533ИР22 А0
А1
ОЗУ
ПЗУ
Устройство В/В
Iвх L=Iвх Н=20 мкА – для ОЗУ
Iвх L=Iвх Н=10 мкА – для ПЗУ
Iвх L=Iвх Н=14 мкА – для устройства в/в.
Iвх L =Iвх Н
=8
20+8
10+2
14=268 мкА
2,6 мА
Iвх L=24 мА для 1533ИР22
Iвх Н=2,6 мА
Адресные линии А8 А15 буферировать не надо, т.к.
Iвх Н =3
20+6
10+5
20=220 мкА
400 мкА
Iвх L =3
20+6
10+5
0,1 мА=620 мкА
2 мА
-
Расчет шины данных.
Для микропроцессора максимально допустимая нагрузка на шине данных составляет:
IвыхL=2 мА Uвых L=0,45 В
Iвых H=400 мкА UвыхH=2,4 В
для DНШУ 1533 АП6:
Iвх L=0,1 мА Iвх L =8
0,1=0,8 мА
Iвх Н=20 мкА Iвх Н =8
20=160 мкА
Выходной ток МП является большим, чем входной ток микросхемы 1533АП6, а значит обеспечивается нагрузочная способность по току
Проверим, обеспечивается ли микросхемой 1533АП6 нагрузочная информация для элементов схемы, которые являются «потребителями» информации о данных.
При записи информации в качестве нагрузки выступают следующие элементы схемы: РЗУ, 3 регистра 1533ИР23, Устройство В/В КР580ВВ55.
Iвх L =20 мкА
8+0,2 мА
24+14мкА
8=5,072 мА
Iвх Н =20 мкА
8+20мкА
24+14 мкА
=752 мкА
Для микросхемы 1533 АП6
IвыхL=24 мА 5,072 мА
Iвых H=3 мА 752 мкА
Общий нагрузочный ток не является большим для ДНШУ 1533АП6.
При считывании информации из ОЗУ, ПЗУ или поступления информации от микросхемы 1533 АП6 (DD16) возникать проблем с перегрузкой не должно, т.к.:
IвыхL=2,1 мА для ПЗУ 573РФ4
Iвых H=0,1 мА
IвыхL=4 мА для ОЗУ 537РУ10
Iвых H=2 мА
IвыхL=24 мА для 1533 АП6
Iвых H=3 мА
Информация поступает в МП через ДНШУ 1533АП6 (DD5), для которого:
Iвх L=0,1 мА Iвх L =0,8 мА
Iвх Н=20 мкА Iвх Н =160 мкА
-
Расчет шины AD0
AD7 таймера 512ВИ1
Iвх L= Iвх Н=1 мкА Iвх =8
1 мкА=8 мкА
Очевидно, что информация в таймер (как адресная, так и информация о данных ) может поступать непосредственно с выходов AD0 AD7 микропроцессора, т.к. для него:
IвыхL=2 мА Uвых L=0,45 В
Iвых H=400 мкА UвыхH=2,4 В
1.3.2. Расчет ЦАП.
На выходе ОУ Uвых ~коду на входе 572ПА1. Т.к. разрядность ЦАП N=10, значит возможно 2N=1024 различных значений Uвых.
Шкала изменений выходного напряжения 0
Uon
Uon=-9 В для каналов видео и звука.
Uon=-6 В для канала поляризации.
Следовательно дискрет напряжения на входе составляет:
-
Для видео:
U=
=8,8 мВ
Пример: код Uвых,В
0000000000 0
0000000010 17,6 мВ
1111111111 9
-
Для звука:
U=
=70,86 мВ
Пример: код Uвых,В
0000000000 0
0000001000 70,86 мВ
0000010000 141,72 мВ
1111111000 9
-
Для поляризации:
U=
=23,53 мВ
Пример: код Uвых,В
0000000000 0
0000000100 23,53 мВ
1011111100 4,41
Вывод:
-
Для канала видео напряжение на выходе меняется от 0 до 9 В с шагом 8,8 мВ.
-
Для канала звука напряжение на выходе меняется от 0 до 9 В с шагом 70,86 мВ.
-
Для канала поляризации напряжение на выходе меняется от 0 до 4,41 В с шагом 23,53 мВ.
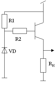
1.3.3. Расчет параметров КТ 3102 Б.
+5B
Н
VT
еобходимо обеспечить подачу U
В качестве стабилитрона будем использовать КС139А на Uст=3,9 В
при Iст=1,8 мА
I0<ст
R1=

Е2=IэRн+UКЭ
Iэ=0 Е2=Uкэ
Iэ, мА
Uкэ=0 Iэ=
5 Iб=0,1 мА
4
3
2
1
5 10 15 20 Uкэ, В
Из графика следует, что Iэ 3,1 мА
Iб=0,1 мА
Iб,мА
0
,3 Uкэ=5 В
0 ,2 Uбэ=0,6 В
0
,1
0,1 0,2 0,3 0,4 0,5 0,6 0,7 Uбэ, В
Uбэ=0,6 В Uбэ+URN=3,1+0,6=3,7 В
Т.к. Uст=3,9 В, значит необходимо в базу транзистора включить R2
Uст=UR2+Uбэ+URN
UR2=0,2 В
R2= =
=2 кОм.
1.3.4. Цепь резонатора микросхемы 512 ВИ1.
Данные на резонансную цепь приводятся как справочный материал (радиоежегодник 1989 г.).
Если используется резонатор на 32768 Гц, то
R16=470 кОм
R7=22 мОм
С24=10 пФ
С25=20 пФ
С26=100 пФ.
1.3.5. Расчет RC-цепи микросхемы 1533АГ3.
Из справочного материала известно, что для микросхемы 1533АГ3
вых=0,45 R
C
Нам необходимо обеспечить вых порядка 45 мкс
Пусть R =10 кОм, тогда С
=10 нФ.
1.3.6. Расчет элементов цепи опорного напряжения.
а)
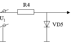
VD5 – КС191Ж
Uст=9,1 В
Iст min=0,5 мА
Icn max=14 мА
U1=-12 В
Пусть R4=390 Ом;
I= =7,4 мА
Вывод: при данном сопротивлении полученное расчетное значение тока стабилизации равное 7,4 мА попадает в диапазон допустимых значений тока стабилизации для данного стабилитрона.
В
R5

Uст=6,2 В, U2=-12 В
U2
Iст min=3 мА
VD3
Iст max=22 мАПусть R5=1,2 кОм;
I= =4,8 мА
Вывод: при данном сопротивлении полученное расчетное значение тока стабилизации равное 4,8 мА попадает в диапазон допустимых значений тока стабилизации для данного стабилитрона.
1.4. Справочные данные.
1821ВМ85
Допустимые предельные значения:
-
Температура окружающей среды - -10
С.
-
Направление на всех выводах по отношению к корпусу –
-0,5 7 В.
-
Мощность рассеивания – 1,5 Вт.
Статические параметры в диапазоне температур -10
С.
Параметр | Значение | Условия | ||
Uвх L, В Uвх H, В Uвых L, В Uвых Н, В Iпит, мА Iутеч вх, мкА Iутеч вых, мкА UL на вх RESET,В UH на вх RESET, В | min | max | Iвых L=2 мА Iвых H=- 400 мкА Uвх=Un 0,45Un | |
- 0,5 2,0 - 2,4 - 0,5 2,4 | 0,8 Un+0,5 0,45 170
0,8 Un+0,5 |
576 РФ4
Статические параметры в диапазоне температур - 10
С.
Параметр | Норма | |
Uвх L, В Uвх H, В Uвых L, В Uвых Н, В Iвых L, мА Iвых Н, мА Iпотр, мА Iпотр по вх. UPR,, мА | min | Max |
0 2,4 - 2,4 - - - - | 0,4 5,25 0,45 - 2,1 0,1 70 10 |
Эксплуатационные параметры:
-
Время хранения информации: при наличии питания – не менее 25000 ч; при отсутствии – не менее 105 часов.
-
Un – 5 В
UPR – 5 В (считывание)
21,5 В (программирование)
-
Pпотр – не более 420 мВт.
-
tвыб.адр. – не более 300
450 мс.
tвыб.разр. – не более 120 150 мс.
-
Число циклов перепрограммирования – не менее 25.
-
Выход – 3 состояния.
-
Совместимость по вх. и вых. С ТТЛ схемами.
-
Ёмкость – 65536.
-
Организация – 8к х 8.
537 РУ10.
Статистические параметры в диапазоне температур -10
С.
Параметр | Норма | |
Uвх L, В Uвх H, В Uвых L, В Uвых Н, В Iвых L, мА Iвых Н, мА Iпотр, Un=5 В Обращение, мА Хранение, мА Un=2 В Хранение, мА | min | max |
- 2,4 - 2,4 - - - - - | 0,4 - 0,4 - 4 2 70 0,3 0,1 |
Эксплуатационные параметры:
-
tвыб – не более 220 мс.
-
Рпотр: хранение Un=5B – 5,25 мВт
Un=2B – 0,6 мВт
обращение - 370 мВт
-
Выход – 3 состояния.
-
Совместимость по входу и выходу – с ТТЛ схемами.
-
Ёмкость – 16384.
-
Организация – 2к х 8.
1533 АГ3.
Предельные значения параметров
Un=7 В
Uвх=7 В
Диапазон температур -10 С.
Рекомендуемое значение Un=4,5 5,5 В.
Статистические параметры в диапазоне температур -10
С.
Параметр | Норма | Условие | ||
Uвх Н, В Uвх L, В Uвых H, В Uвых L, В Iвх H, мА Iвх L, мА Iвых, мА Iвх пр, мА Iпотр, мА | Не менее | Не более | Порог. напр. Н уровня Порог. напр. L уровня Un=4,5; Uвх Н=2,0 Uвх L=0,8; IвыхH=-0,4 Un=4,5; Uвх H=2,0 Uвх L=0,8; IвыхL=4 Un=5,5; Uвх Н=2,7 Un=5,5; Uвх L=0,4 Un=5,5; Uвых =2,25 Un=5,5; Uвх =7 Un=5,5; Uвх Н=4,5 Uвх L=0 | |
2,0 2,5 -30 | 0,8 0,4 20 -0,1 -112 0,1 18 |
Динамические параметры:
Время задержки распространения
не более 39 мс
не более 48 мс
не более 23 мс
512 ВИ1
-
Un=5 В
10%.
-
Iпотр, мА.
статический режим 0,1
динамический режим при
fmax тактовых импульсов 4
fmin 0,1
-
Выходной ток высокого (низкого) уровня при Uвых Н=4,1 В, (UвыхL=0,4 В), мА – 1,0
1,6.
-
Входной ток, мкА 1.
1533ИР23.
Предельные значения параметров
Un=7 В
Uвх=7 В
Диапазон температур -
Рекомендуемое значение Un=4,5 5,5 В
Статистические параметры в диапазоне температур -
.
Параметр | Норма | Условия | |
Uвх Н, В Uвх L, В Uвых Н, В Uвых L, В Iвх Н, мкА Iвх L, мА Iвх пр, мА Iвых, мА Iвых Н, мкА выкл Iвых L, мкА выкл. | не менее | не более | Порог. напр. Н-уровня Порог напр. L-уровня Un=5,5 Iвых Н=-0,5 Un=4,5 Iвых L=12 Un=5,5 Uвх Н =2,7 Uвх L=0,4 Un=5,5 Uвх Н =4,5 Un=5,5 Uвых =2,25 Un=4,5 Un=4,5 Uвых L=0,4 |
2,0 2 -30 | 0,8 0,4 20 -0,2 0,1 -112 20 -20 |
1533 ИР22
Предельные значения параметров
Un=7 В Uвх=7 В
Диапазон температур -
Рекомендуемое значение Un=4,5 5,5 В
Динамические параметры:
Время задержки распространения
1. при вкл.
По D не более 16 мс
По С не более 23 мс
2. при выкл.
По D не более 23 мс
По C не более 22 мс.
Статистические параметры в диапазоне температур -
.
Параметр | Норма | Условия | |
Uвх Н, В Uвх L, В Uвых Н, В Uвых L, В Iвх Н, мкА Iвх L, мА Iвх пр, мА Iвых, мА Iпотр, мА Uвых Н Uвых L выкл Iвых Н, мкА выкл Iвых L, мкА выкл. | не менее | не более | Пороговый Н-уровень Пороговый. L-уровень Un=4,5 В; Iвых Н=-0,4 Un=4,5 В; Iвых L=12 Un=5,5 Uвх Н=2,7 Un=5,5; Uвх L=0 Un=5,5; Uвх Н=4,5 Un=5,5 Uвых =2,5 Un=5,5 Uвх L=0 Uвх Н =4,5 Un=5,5 UвхН =2,0 Uвых Н=2,7 Un=5,5 Uвх L=0,8 Uвых L=0,4 |
2,0 2,4 -30 | 0,8 0,4 20 -0,1 0,1 -112 16 25 27 20 -20 |
1533 АП6
Предельные значения параметров
Un=7 В Uвх=7 В
Диапазон температур -
Рекомендуемое значение Un=4,5 5,5 В
Статистические параметры в диапазоне температур -
.
Параметр | Норма | Условия | |
Uвх Н, В Uвх L, В Uвых Н, В Uвых L, В Iвх Н, мкА Iвх L, мА Iвх пр, мА Iвых, мА Iпотр, мА Uвых Н Uвых L выкл Iвых Н, мкА выкл Iвых L, мкА выкл. | не менее | не более | Порог. напр. Н-уровня Порог. напр. L-уровня Un=4,5 Un=4,5 Un=5,5 Uвх Н=2,7 Un=5,5; Uвх L=0 Un=5,5; Uвх Н=5,5 Un=5,5 Uвых =2,5 Un=5,5 Uвх L=0 Uвх Н =4,5 Un=5,5 UвхН =2 Un=5,5 Uвх L=0 Uвых L=0,4 |
2,0 2,4 -30 | 0,8 0,4 20 -0,1 0,1 -112 45 55 58 20 0,2 |
Динамические параметры:
Время задержки распространения сигнала не более 10 мс.
1533 ИД7
Предельные значения параметров
Un=7 В Uвх=7 В
Диапазон температур -
Рекомендуемое значение Un=4,5 5,5 В
Статистические параметры в диапазоне температур -
.
Параметр | Норма | Условия | |
Uвх Н, В Uвх L, В Uвых Н, В Uвых L, В Iвх Н, мкА Iвх L, мА Iвх пр, мА Iвых, мА Iпотр, мА Uвых Н Uвых L | не менее | не более | Порог. напр. Н-уровня Порог. напр. L-уровня Un=4,5;IвхН=7,5 Iвых L=0,4 Un=4,5; Uвх L=0,8 Uвх Н=2 Iвых L=4 Un=5,5; Uвх Н=2,7 Un=5,5; Uвх L=0,4 Un=5,5 UвхН =7 Un=5,5 Uвых=2,25 Un=5,5 UвхН =4,5 Un=5,5 Uвх L=0 |
2,0 2,5 -10 | 0,8 0,4 20 -0,1 0,1 -112 10 10 |
Динамические параметры:
Время задержки распространения сигнала 17 22 мс.
1533ЛН1; 6 инверторов
Предельные значения параметров
Un=7 В Uвх=7 В
Диапазон температур -
Рекомендуемое значение Un=4,5 5,5 В
Динамические параметры:
Время задержки распространения сигнала 8 11 мс.
Статистические параметры в диапазоне температур -
.
Параметр | Норма | Условия | |
Uвх Н, В Uвх L, В Uвых Н, В Uвых L, В Iвх Н, мкА Iвх L, мА Iвх пр, мА Iвых, мА Iпотр, мА Uвых Н Uвых L | не менее | не более | Порог. напр. Н-уровня Порог. напр. L-уровня Un=4,5; Iвых Н=-0,4 Uвх Н=4,5 Iвых L=4 Un=5,5; Uвх Н=2,7 Un=5,5; Uвх L=0,4 Un=5,5 UвхН =7 Uвых=2,25 Un=5,5 UвхL =0 Un=5,5 Uвх H=4,5 |
2,0 2,5 -15 | 0,8 0,4 20 -0,1 0,1 -70 1,1 4,2 |
1533ЛЛ1; элемент 4 или (два входа)
Предельные значения параметров
Un=7 В Uвх=7 В
Диапазон температур -
Рекомендуемое значение Un=4,5 5,5 В
Статистические параметры в диапазоне температур -
.
Параметр | Норма | Условия | |
Uвх Н, В Uвх L, В Uвых Н, В Uвых L, В Iвх Н, мкА Iвх L, мА Iвх пр, мА Iвых, мА Iпотр, мА Uвых Н Uвых L | не менее | не более | Порог. напр. Н-уровня Порог. напр. L-уровня Un=4,5; Uвх L=0,8 Uвх Н=2,0 Iвых L=-0,4 Un=4,5; Uвх L=0,8 UвхН=2,0; Iвых L=4 Un=5,5 UвхН =2,7 Un=5,5 UвхL =0,4 Un=5,5 UвхН =7 Un=5,5 Uвых =2,25 Un=5,5 UвхН =4,5 Un=5,5 Uвх L=0 |
2,0 2,5 -10 | 0,8 0,4 20 -0,1 0,1 -112 4 4,9 |
Динамические параметры:
Время задержки распространения сигнала 12 14 мс.
1533ТЛ2; 6 триггеров Шмидта -инверторов
Предельные значения параметров
Un=7 В Uвх=7 В
Диапазон температур -
Рекомендуемое значение Un=4,5 5,5 В
Статистические параметры в диапазоне температур -
.
Параметр | Норма | Условия | |
Uвх Н, В Uвх L, В Uвых Н, В Uвых L, В Iвх Н, мкА Iвх L, мА Iвх пр, мА Iвых, мА Iпотр, мА Uвых Н Uвых L | не менее | не более | Порог. напр. Н-уровня Порог. напр. L-уровня Un=4,5; Uвх L=0,5 Uвх Н=2,0 Iвых L=-0,4 Un=4,5; Uвх Н=2 UвхL=0,5; Iвых L=4 Un=5,5 UвхН =2,7 Un=5,5 UвхL =0,4 Un=5,5 UвхН =7 Uвых =2,25 Un=5,5 UвхН =4,5 Un=5,5 Uвх L=0 |
2,0 2,5 -30 | 0,8 0,4 20 -0,2 0,1 -112 13 17 |
Динамические параметры:
Время задержки распространения сигнала не более 22 мс.
572ПА1.
Разрядность | tустан., мкс |
| Рпотр, Вт |
10 | 5 | 0,1 | 0,1 |
К140УД8
Кц | Uст, мВ |
| Iвх, мА |
|
50 103 | 20 | 50 | 0,2 | 0,15 |
Uвх, В | Iвых, мА | Iпотр, мА | Un, В | fmax, мГц |
10 | 20 | 5 |
| 1 |
580 ВВ55.
Статистические параметры в диапазоне температур -
.
Параметр | Значение | |
Uвх Н, В Uвх L, В Uвых Н, В Uвых L, В Iвых Н, мкА Iвых L, мА Iвых, мА Iпотр, мА | min | max |
2,0 - 2,4 - - - - - | - 0,8 - 0,45 0,1 1,6 14 120 |
КОНСТРУКТОРСКО-
ТЕХНОЛОГИЧЕСКИЙ
РАЗДЕЛ
2.1. Патентный поиск.
В настоящее время широкое применение получили микропроцессорные средства, применяемые в устройствах управления бытовой аппаратурой. Патентов на данный вид схем мной обнаружено не было. Поэтому в качестве базовой модели возьмем устройство управления, применяемое в тюнере спутникового ТВ «Садко» 3В.025.006 ТУ, выпущенного ПО «Квант».
Характеристика тюнера в ТВ «Садко».
Технические параметры:
-
Uпит=220 В (187
242 В) 50 Гц.
-
Диапазон рабочих частот: 0,95
1,75 ГГц.
-
Рпот=50 Вт.
-
Избирательность по соседнему каналу при расстройке 25 МГц20 db. Избирательность по зеркальному каналу при расстройке +960 МГц относительно нижней частоты 950 МГц 20 db.
-
Отношение сигнал / шум в канале изображения при Uном на входе (-70 db Вт) при Uвых видео (10,1) 56 db.
-
f зв=950
1750 МГц.
-
Uвых зв5 мВ.
-
f перестройки частоты звукового сопровождения 5
8,5 МГц.
-
Непрерывная работа при сокращении параметров ТУ – не менее 8 часов.
-
Предельные климатические условия:
-
влажность 93 % при Т=25С.
-
Т=-40С.
-
Параметры при воздействии однократных ударов
а=15 д при tU=2 мс 15 ис.
-
Наработка на отказ: не менее 5103 часов.
-
Масса – 6,5 кг.
В данном тюнере спутникового телевидения применяется сенсорное управление с ручной настройкой на соответствующем канале. Перестройка производится с помощью подстроечных резисторов. Все это приводит к ограничению количества запоминаемых программ до восьми. Подача сигналов управления в остальные блоки тюнера осуществляется нажатием соответствующих кнопок на передней панели тюнера. Устройство управления выполнено по аналоговой элементной базе.
Все это приводит к ряду неудобств при технической эксплуатации тюнера данной модели. Большинства недостатков можно избежать при использовании в качестве основного элемента устройства управления процессора, который будет управлять деятельностью всей схемы управления.
Применение процессора в качестве основного элемента управляющей схемы приведет:
-
К увлечению количества принимаемых каналов с 8 до 99 и их запоминанию.
-
К увеличению быстродействия перестройки частоты от fmin до fmax. Скорость перестройки зависит от fтакт процессора.
-
К увеличению точности настройки со строго определенным шагом.
-
К увеличению количества принимаемых сигналов звукового сопровождения.
-
К дополнительным удобствам при эксплуатации тюнера – наличие дистанционного управления, вывод сведений на экран о реальном времени, программирование времени включения тюнера.
-
К уменьшению масса - габаритных размеров.
2.2 Разработка конструкции блока.
Блок является основным элементом при проектировании РЭА. Он объединяет печатные узлы и другие элементы. Разработку конструкции блока можно производить исходя из базовых несущих конструкций. Но в некоторых случаях, например при проектировании бытовой аппаратуры, целесообразно разрабатывать оригинальную несущую конструкцию. Это позволяет повысить коэффициент заполнения объема, уменьшить массу и габаритные размеры изделия.
Каркас блока выполнен из алюминия АД-1 толщиной 1 мм. Кожух блока, из-за требований, предъявляемых к прочностным характеристикам конструкции, выполнен из стального листа марки СТ10 толщиной 1 мм. Передняя панель выполнена также из стального листа марки СТ10 толщиной 1 мм.
Так как стальной кожух не стоек к коррозии, применено покрытие из анилинового красителя черного цвета, что обеспечивает необходимую антикоррозийную стойкость при эксплуатации и хранении.
Для пайки применяют припой ПОС – 61.
Габаритные размеры блока в длину и ширину соответственно: 505 мм и 300 мм.
Данные размеры определяются суммарными габаритными размерами плат и зазорами между ними. Высота определяется высотой трансформатора и шириной платы индикации и составляет 55 мм.
2.3. Выбор и определение типа платы, ее технологии изготовления, класса точности, габаритных размеров, материала, толщины, шага координатной сетки.
-
По конструкции печатные платы с жестким и гибким основанием делятся на типы:
-
односторонние
-
двусторонние
-
многослойные
Для данного изделия необходимо использовать двустороннюю печатную плату с металлизированными монтажными и переходными отверстиями. Несмотря на высокую стоимость, ДПП с металлизированными отверстиями характеризуются высокими коммутационными свойствами, повышенной прочностью соединения вывода навесного элемента с проводящим рисунком платы и позволяет уменьшить габаритные размеры платы за счет плотного монтажа навесных элементов.
Для изготовления печатной платы в соответствии с ОСТ 4.010.022 и исходя из особенностей производства выбираем комбинированный позитивный метод.
-
В соответствии с ГОСТ 2.3751-86 для данного изделия необходимо выбрать четвертый класс точности печатной платы.
-
Габаритные размеры печатных плат должны соответствовать ГОСТ 10317-79. Для ДПП максимальные размеры могут быть 400 х 400 мм. Габаритные размеры данной печатной платы удовлетворяют требованиям данного ГОСТа.
-
В соответствии с требованиями ОСТ 4.077.000 выбираем материал для платы на основании стеклоткани – стеклотекстолит СФ-2-50-1,5 ГОСТ 10316-78. Толщина 1,5 мм.
-
В соответствии с ГОСТ 2.414078 и исходя из особенностей схемы, выбираем шаг координатной сетки 1,25 мм.
-
Способ получения рисунка – фотохимический.
2.4. Конструкторский расчет элементов печатной платы.
-
Шаг координатной сетки – 1,25 мм.
-
Определяем минимальную ширину печатного проводника по постоянному току:
вmin1= , где
Imax=30 мА t=0,02 мм jдоп=75 А/мм2
-
Определяем минимальную ширину проводника исходя из допустимого падения напряжения на нем:
вmin2= , где
Uдоп 12 В0,05=0,6 В l=0,5 м =0,0175
вmin2= =0,022 мм.
-
Номинальное значение диаметров монтажных отверстий:
d=dэ+bdно+Г, dно=0,1 мм, Г=0,3 мм.
а) для микросхем
dэ=0,5 мм d=0,9 мм
б) для резисторов
dэ=0,5 мм d=0,9 мм
в) для диодов и стабилитронов
dэ=0,5 мм d=0,9 мм
г) для транзисторов
dэ=0,5 мм d=0,9 мм
д) для конденсаторов
dэ=0,5 мм d=0,9 мм
е) для разъема
dэ=1 мм d=1,4 мм
-
Рассчитанные значения сводятся к предпочтительному ряду размеров монтажных отверстий:
0,7; 0,9; 1,1; 1,3; 1,5 мм.
Номинальное значение диаметров монтажных отверстий для разъема: d=1,5 мм.
-
Минимальное значение диаметра металлизированного отверстия:
dmin Hпл, где Нпл=1,5 мм – толщина платы; =0,25
dmin 1,50,25=0,5 мм
-
Диаметр контактной площадки:
D=d+dво+2вm+вво+(2d+2p+в2но)1/2
dво=0,5 мм; вm=0,025 мм вво=вно=0,05 мм
р=0,05 мм; d=0,05 мм
dво+2 вm+вво+(2d+2p+в2но)1/2=0,05+0,05+0,05+(32510-4)1/2=0,24
d=0,7 мм D=0,95 мм
d=0,9 мм D=1,15 мм
d=1,5 мм D=1,75 мм
-
Определение номинальной ширины проводника:
в=вMD+вНО, где
вMD=0,15 мм; вНО=0,05 мм
в=0,15+0,05=0,2 мм
-
Расчет зазора между проводниками:
S=SMD+вВО, где
вВО=0,05 мм; SMD=0,15 мм
S=0,15+0,05=0,2 мм
-
Расчет минимального расстояния для прокладки 2-х проводников между отверстиями с контактными площадками диаметрами D1 и D2.
l= +вn+S(n+1)+l , где
n=2; l=0,03 мм
l=1,05+0,4+0,6+0,03=2,1 мм.
2.5. Расчет параметров проводящего рисунка с учетом технологических погрешностей получения защитного рисунка.
-
Минимальный диаметр контактной площадки:
Dmin=D1min+1,5hф+0,03
D1min=2(вм+ +d+p)
dmax1=0,9 мм
D1min=2(0,025+0,45+0,05+0,05)=1,15 мм
Dmin1=1,15+0,6=1,21
dmax2=1,5 мм
Dmin2=1,81 мм
-
Максимальный диаметр контактной площадки:
Dmax=Dmin+(0,02…0,06)
Dmax1=1,21+0,02=1,23 мм
Dmax2=1,81+0,02=1,83 мм
-
Минимальная ширина проводника:
вmin=в1min+1,5hф+0,03, где
в1min=0,15 мм
вmin=0,15+0,6=0,21
-
Максимальная ширина проводника:
вmax= вmin+(0,02…0,06)
вmax=0,23 мм
-
Минимальная ширина линии на фотошаблоне:
вмmin= вmin-(0,02…0,06)
вмmin=0,21-0,02=0,19 мм
-
Максимальная ширина линии на фотошаблоне:
вмmax= вmin+(0,02…0,06)
вмmax=0,21+0,06=0,27 мм
-
Минимальное расстояние между проводником и контактной площадкой:
S1min=L0-[Dmax/2+p+ вmax/2+l]
L0=1,25 мм
S1min=1,25-0,615-0,05-0.115-0,03=0,44 мм
-
Минимальное расстояние между двумя контактными площадками:
S2min=L0-(Dmax+2p)
L0=1,25 мм+0,3 мм=1,55 мм
S2min=1,25-1,23-20,05+0,03=0,20 мм
-
Минимальное расстояние между проводником и контактной площадкой на фотоблоке:
S3min=L0-(Bmax+2l)
L0=1,25 мм
S3min=1,25-0,575-0,05-0,135-0,03=0,46 мм
-
Минимальное расстояние между проводником и контактной площадкой на фотоблоке:
S4min=L0-(Dмmax/2+p+вмmax/2+l)
L0=1,25 мм
S4min=1,25-0,575-0,05-0,135-0,03=0,46 мм
-
Минимальное расстояние между двумя контактными площадками на фотоблоке:
S5min=L0-(Dмmax+2p)
L0=1,55 мм
S5min=1,55-1,25-0,1=0,2 мм
-
Минимальное расстояние между двумя проводниками на фотоблоке:
S6min=L0-(вмmax+2l)
L0=1,25 мм
S6min=1,25-0,27-0,06=0,92 мм
2.6. Расчет проводников по постоянному току.
Наиболее важными электрическими свойствами печатных плат по постоянному току является нагрузочная способность проводников по току и сопротивление изоляции.
Практически сечение проводника рассчитывается по допустимому падению напряжения Uп на проводнике:
-
Uп=
вп=0,23 мм hф=0,02 мм
l=0,5 м =0,0175 I=30 мА
Uп= =57 мВ
Uпзпу=0,40,5 В
-
Расчет сечения печатного проводника сигнальной цепи:
Sc =
=6,610-4 мм
-
Расчет сечения печатного проводника шины питания и земли:
Sпз =
=21,8810-4 мм2
-
Поверхностное сопротивление изоляции:
RS= l3=0,96 мм l=0,5 м
S=51010 Ом
RS= =9,6107 Ом
-
Объемное сопротивление изоляции:
RV= V=5109 Омм
Sп=вп2=4,4110-2 мм2 hпп=1,5 мм
RV= =1,71014 Ом
-
Сопротивление изоляции:
RU= =
=9,6107 Ом
-
RU>103Rвх, где Rвх=
=10 кОм.
2.7. Расчет проводников по переменному току.
-
Падение импульсного напряжения на длине проводника в l cм.
UL=Lпо Lпо=1,8
; I=6 мА; tU=5 нс
UL=1,8 =2,16
-
Максимальная длина проводника:
lmax< =
=185 cм
-
Задержка сигнала при передаче по линии связи:
tз = =
=5; =1; 0=0,33 нс/м
l=0,5 м
tз=0,50,33 =0,37 нс
-
Взаимная индуктивность и емкость двух проводников:
lз впр
C11=0,09(1+)lg(1+2впр/lз+впр2/lз2)=
0,09(1+5)lg(1+2 +(
)2)=0,1пФ/см
С1=С11l=0,350=5 пФ
М11=2(ln -1)=2(ln
-1)=6,86 мГн/см
М1=М11l=6,860,5=3,43 мГн
C21=
= ; f()=2arctg
+
ln(42+1)
= =13,04 f()=5,13
C21= =0,047 пФ/см
С2=С12l=2,35 пФ
М21=2 =10,44 мГн/см
М2=М21l=5,22 мГн
С31=0,17
С31=0,175 =0,72 пФ/см
С3=С31l=36 пФ
С41=0,2
С41=1+ =1,31 пФ/см
С4=С41l=68 пФ
-
Между рядом расположенными проводниками существует электрическая связь через сопротивление изоляции RU, взаимную емкость С и индуктивность М, которая приводит к появлению на пассивной линии связи напряжения перекрестной помехи от активной линии. Надежная работа цифровых электронных схем будет обеспечена, если напряжение помехи не превысит помехоустойчивости логических схем
U=URU+UC+ULЗПУ
В состоянии лог. «1» помеха слабо влияет на срабатывание логического элемента, поэтому рассмотрим случай, когда на входе микросхемы лог. «0». При этом:
Uвх0=0,4 В Uвых0=0,4 В f=5105Гц
Iвх0=0,1 мА Iвых04 мА Е0=2 В
Rвх0=4 кОм Rвых0=100 Ом
U= =
= =
=0,4910-36,2-j269,3=0,13 В<0,4 В
2.8. Оценка вибропрочности и ударопрочности.
-
Оценка собственных частот колебаний платы:
f0=
М=Мп+mрэ=авh+mрэ=2151201,510-6+0,28=0,4 кг
К=К(+ )1/2
К=22,37 =1 ==0 К=22,37
D=
f0= Гц
-
Оценка коэффициента передачи по ускорению:
(х, у)=
а(х, у) и ао – величины виброускорений в точке (х, у) и опорной соответственно:
(х, у)=
= =
=6,3710-3
= =
=0,42 K1(x)=K1(y)=1,35 из графика
(х, у)=1,39
а(х, у)=а0(х, у)=8g1,39=11,13g
Оценка амплитуды виброперемещения.
-
SB(x,y)=0(x,y)
0= =
мм
SB=1,211,39=1,68 мм
-
Определим максимальный прогиб печатной платы:
В=SB(x,y)-0=0,47 мм
Вывод: адоп=15g>a(x,y)=11,13g
0,003в=0,54 мм>B=0,47 мм
Расчет ударопрочности.
-
Частота ударного импульса:
= =10-3 c =3140
-
Коэффициент передачи при ударе:
Ку=2sin =2sin
=0,45
=6,95 – коэффициент расстройки
-
Ударное ускорение:
ау=НуКу=15g0,45=6,72g
-
Ударное перемещение:
мм
Вывод: адоп=35g>ay=6,72g
0,003в=0,54 мм>Zmax=0,15 мм
-
Частным случаем ударного воздействия является удар при падении прибора. Относительная скорость соударения:
V0=Vy+V0T
Vy= H=0,1 м
V0T=VyKCB=1,410,68=20,97 м/с
V0=1,41+0,97=2.38 м/с
Действующее на прибор ускорение:
ап=2V0f0=6,282,3871,9=109g
aдоп=150g>aп=109g
2.9. Расчет теплового режима.
Размеры нагретой зоны:
l31=180 мм; l32=215 мм; l33=15 мм
Размеры блока:
l1=220 мм; l2=255 мм; l3=55 мм
-
Площадь блока.
S=2(l1 l2+( l1+ l2) l3)=2(0,220,255+(0,22+0,255)0,055)=0,16 м2
-
Поверхность нагретой зоны:
SH3=2(l31 l32+( l31+ l32) l33)=2(0,180,215+(0,18+0,215)0,015)=0,09 м2
-
Удельная мощность, рассеиваемая блоком:
q= =93,75 Вт/м2
-
Удельная мощность, рассеиваемая зоной:
qH3= Вт/м2
-
Перегрев блока и нагретой зоны относительно окружающей среды:
Т,С
20
15
10
5
Т1=10С - q
T2=15C - qНЗ
50 100 150 200 250 q,qНЗ Вт/м2
-
Площадь вентиляции:
SBO=S0,2=0,160,2=0,032 м2
-
Коэффициент перфорации:
КПФ=
-
Коэффициент, учитывающий перегрев при наличии вентиляционных отверстий:
Кm=У(КПФ)
K
0,9
0,8
0,7
0,6
0,5
m
Km=0,5
0,1 0,2 0,3 0,4 0,5 КПФ
-
Перегрев поверхности блока с учетом перфорации:
Т=0,93КmТ1=0,930,510=4,65С
-
Перегрев нагретой зоны с учетом перфорации:
ТНЗ=КmТ2=0,515=7,5С
-
Перегрев воздуха в блоке:
ТСП=0,6ТНЗ=0,67,5=4,5С
-
Удельная мощность, рассеиваемая компонентом:
qK= =
=2555,4 Вт/м2
-
Перегрев поверхности компонента:
ТК=ТНЗ(0,75+0,25 )=7,5(0,75+0,25
)=34,4С
-
Перегрев воздуха над компонентом:
ТСК=ТСП(0,75+0,25 )=20,61С
-
Температура блока:
Т=ТОС+Т=25+4,65=29,65С
-
Температура нагретой зоны:
ТНЗ= ТОС+ТНЗ=25+7,5=32,5С
-
Температура воздуха в нагретой зоне:
ТСП= ТОС+ТСП=25+4,5=29,5С
-
Температура компонента:
ТК= ТОС+ТК=25+34,4=59,4С
-
Температура окружающей компонент среды:
ТСК= ТОС+ТСК=25+20,61=45,61С
Тдоп=70С>ТК=59,4С
В данном блоке не нужна принудительная вентиляция, т.к. естественные условия допускают температурный режим.
2.10. Расчет качества.
Расчет качества будем производить по следующим показателям:
-
Назначения.
-
Надежности.
-
Технологичности.
-
Эргономико-эстетическим.
1)
Назначение | Б | Д | gi | mi | gi mi |
Масса, кг Объем, дм3 Мощность, Вт Уровень миниатюризации | 6,5 15,7 50 2 | 5,4 8,3 40 1 | 1,2 1,9 1,25 2 | 0,3 0,3 0,2 0,2 | 0,36 0,57 0,25 0,4 |
Q= =1,58, Q2=qimi