135702 (722535), страница 6
Текст из файла (страница 6)
Основные параметры варикапа: номинальная емкость СН при заданном номинальным напряжением UН (обычно 4 В ), максимальное обратное напря- жение Uобр max и добротность Q.
Для увеличения добротности варикапа используют барьер Шоттки; эти варикапы имеют малое сопротивление потерь, так как в качестве одного из слоев диода используется металл.
Рисунок 2.4 Зависимость емкости варикапа от напряжения.
Основное применение варикапов - электрическая перестройка частоты колебательных контуров. В настоящее время существует несколько разновидностей варикапов, применяемых в различных устройствах непрерывного действия. Это параметрические диоды, предназначенные для усиления и генерации СВЧ-сигналов, и умножительные диоды, предназначенные для умножения частоты в широком диапазоне частот. Иногда в умножительных диодах используется и диффузионная емкость.
3 БИПОЛЯРНЫЕ ТРАНЗИСТОРЫ
3.1 Принцип действия биполярного транзистора. Режимы работы.
3.1.1 Общие сведения
Биполярным транзистором (БТ) называется трехэлектродный полупроводниковый прибор с двумя взаимодействующими p-n переходами, предназначенный для усиления электрических колебаний по току, напряжению или мощности. Слово “биполярный” означает, что физические процессы в БТ определяются движением носителей заряда обоих знаков (электронов и дырок). Взаимодействие переходов обеспечивается тем, что они располагаются достаточно близко - на расстоянии, меньшем диффузионной длины. Два p-n-перехода образуются в результате чередования областей с разным типом электропроводности. В зависимости от порядка чередования различают БТ типа
n-p-n (или со структурой n-p-n) и типа p-n-p (или со структурой p-n-p), условные изображения которых показаны на рисунке 3.1.
| а) | б) |
| Рисунок 3.1 Структуры БТ. | |
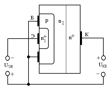
Структура реального транзистора типа n-p-n изображена на рисунке 3.2. В этой структуре существуют два перехода с неодинаковой площадью: площадь левого перехода n1+-p меньше, чем у перехода n2-p. Кроме того, у большинства БТ одна из крайних областей (n1 с меньшей площадью) сечения легирована гораздо сильнее, чем другая крайняя область (n2).
Рисунок 3.2 Структура реального БТ типа n-p-n.
Сильнолегированная область обозначена верхним индексом “+” (n+). Поэтому БТ является асимметричным прибором. Асимметрия отражается и в названиях крайних областей: сильнолегированная область с меньшей площадью (n1+) называется эмиттером, а область n2 - коллектором. Соответственно область (p) называется базовой (или базой). Правая область n+ служит для переход n1+-р называют эмиттерным, а n2-p коллекторным. Средняя снижения сопротивления коллектора. Контакты с областями БТ обозначены на рисунках 3.1 и 3.2 буквами: Э - эмиттер; Б - база; К- коллектор.
Основные свойства БТ определяются процессами в базовой области, которая обеспечивает взаимодействие эмиттерного и коллекторного переходов. Поэтому ширина базовой области должна быть малой (обычно меньше 1 мкм). Если распределение примеси в базе от эмиттера к коллектору однородное (равномерное), то в ней отсутствует электрическое поле и носители совершают в базе только диффузионное движение. В случае неравномерного распределения примеси (неоднородная база) в базе существует “внутреннее” электрическое поле, вызывающее появление дрейфового движения носителей: результирующее движение определяется как диффузией, так и дрейфом. БТ с однородной базой называют бездрейфовыми, а с неоднородной базой - дрейфовыми.
Биполярный транзистор, являющийся трехполюсным прибором, можно использовать в трех схемах включения: с общей базой (ОБ) (рисунок 3.3,а), общим эмиттером (ОЭ) (рисунок 3.3,б), и общим коллектором (ОК) (рисунок 3.3,в). Стрелки на условных изображениях БТ указывают (как и на рисунке 3.1) направление прямого тока эмиттерного перехода. В обозначениях напряжений вторая буква индекса обозначает общий электрод для двух источников питания.
В общем случае возможно четыре варианта полярностей напряжения переходов, определяющих четыре режима работы транзистора. Они получили названия: нормальный активный режим, инверсный активный режим, режим насыщения (или режим двухсторонней инжекции) и режим отсечки.
| а) | б) | в) |
| Рисунок 3.3 Схемы включения БТ. | ||
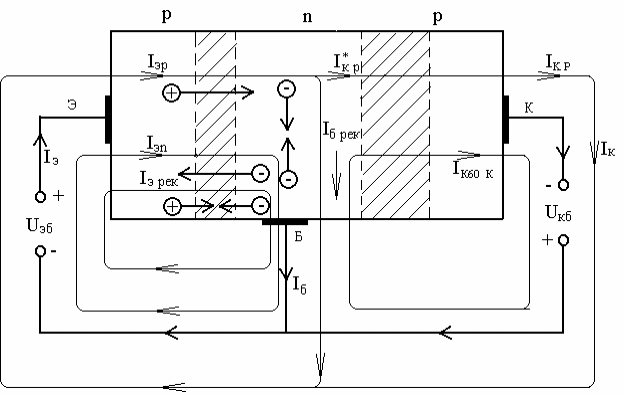
В нормальном активном режиме (НАР) на эмиттерном переходе действует прямое напряжение (напряжение эмиттер - база UЭБ), а на коллекторном переходе - обратное (напряжение коллектор - база UКБ). Этому режиму соответствуют полярности источников питания на рисунке 3.4 и направления токов для p-n-p транзистора. В случае n-p-n транзистора полярности напряжения и направления токов изменяются на противоположные.
Рисунок 3.4 Физические процессы в БТ.
Этот режим работы (НАР) является основным и определяет назначение и название элементов транзистора. Эмиттерный переход осуществляет инжекцию носителей в узкую базовую область, которая обеспечивает практически без потерь перемещение инжектированных носителей до коллекторного перехода. Коллекторный переход не создает потенциального барьера для подошедших носителей, ставших неосновными носителями заряда в базовой области, а, наоборот, ускоряет их и поэтому переводит эти носители в коллекторную область. “Собирательная” способность этого перехода и обусловила название “коллектор”. Коллектор и эмиттер могут поменяться ролями, если на коллекторный переход подать прямое напряжение UКБ, а на эмиттерный -обратное UЭБ. Такой режим работы называется инверсным активным режимом (ИАР). В этом случае транзистор “работает” в обратном направлении: из коллектора идет инжекция дырок, которые проходят через базу и собираются эмиттерным переходом, но при этом его параметры отличаются от первоначальных.
Режим работы, когда напряжения на эмиттерном и коллекторном переходах являются прямыми одновременно, называют режимом двухсторонней инжекции (РДИ) или менее удачно режимом насыщения (РН). В этом случае и эмиттер, и коллектор инжектируют носители заряда в базу навстречу друг другу и одновременно каждый из переходов собирает носители, приходящие к нему от другого перехода.
Наконец, режим, когда на обоих переходах одновременно действуют обратные напряжения, называют режимом отсечки (РО), так как в этом случае через переходы протекают малые обратные токи.
Следует подчеркнуть, что классификация режимов производится по комбинации напряжений переходов, В схеме включения с общей базой (ОБ) они равны напряжениям источников питания UЭБ и UКБ. В схеме включения с общим эмиттером (ОЭ) напряжение на эмиттерном переходе определяется напряжением первого источника (UЭБ = -UБЭ), а напряжение коллекторного перехода зависит от напряжений обоих источников и по общему правилу определения разности потенциалов UКБ = UКЭ + UЭБ. Так как UЭБ = -UБЭ, тo UКБ = UКЭ - UБЭ; при этом напряжение источников питания надо брать со своим знаком: положительным, если к электроду присоединен положительный полюс источника, и отрицательным - в другом случае. В схеме включения с общим коллектором (ОК) напряжение на коллекторном переходе определяется одним источником: UКБ = -UБК. Напряжение на эмиттерном переходе зависит от обоих источников: UЭБ = UЭК + UКБ = UЭК - UБК, при этом правило знаков прежнее.
3.1.2 Физические процессы в бездрейфовом биполярном
транзисторе при работе в активном режиме.
Основные физические процессы в идеализированном БТ удобно рассматривать на примере схемы с общей базой (рисунок 3.4), так как напряжения на переходах совпадают с напряжениями источников питания. Выбор p-n-p транзистора связан с тем, что направление движения инжектируемых из эмиттера носителей (дырок) совпадает с направлением тока.
В нормальном активном режиме (НАР) на эмиттерном переходе действует прямое напряжение UЭБ. Поэтому прямой ток перехода
где Iэ р, Iэ n - инжекционные токи дырок (из эмиттера в базу) и электронов (из базы в эмиттер), а Iэ рек - составляющая тока, вызванная рекомбинацией в переходе тех дырок и электронов, энергия которых недостаточна для преодоления потенциального барьера. Относительный вклад этой составляющей в ток перехода Iэ в (3.1) тем заметнее, чем меньше инжекционные составляющие Iэр и Iэn, определяющие прямой ток в случае идеализированного р-n перехода. Если вклад Iэ рек незначителен, то вместо (3.1) можно записать
Полезным в сумме токов выражения (3.1) является только ток Iэ р, так как он будет участвовать в создании тока коллекторного перехода. “Вредные” составляющие тока эмиттера Iэ n и Iэ рек протекают через вывод базы и являются составляющими тока базы, а не коллектора. Поэтому вредные компоненты Iэ n, Iэ рек должны быть уменьшены.
Эффективность работы эмиттерного перехода учитывается коэффициентом инжекции эмиттера
который показывает, какую долю в полном токе эмиттера составляет полезный компонент. В случае пренебрежения током Iэ рек
Коэффициент инжекции Э "тем выше (ближе к единице), чем меньше отношение Iэ n/ Iэ р. Величина Iэ n/ Iэ р << 1, если концентрация акцепторов в эмиттерной области p-n-p транзистора NАЭ на несколько порядков выше концентрации доноров NДБ в базе (NАЭ >> NДБ). Это условие обычно и выполняется в транзисторах.
Какова же судьба дырок, инжектированных в базу из эмиттера, определяющих полезный ток IЭр? Очевидно, что инжектированные дырки повышают концентрацию дырок в базе около границы с эмиттерным переходом, т.е. вызывают появление градиента концентрации дырок - неосновных носителей базы. Этот градиент обусловливает диффузионное движение дырок через базу к коллекторному переходу. Очевидно, что это движение должно сопровождаться рекомбинацией части потока дырок. Потерю дырок в базе можно учесть введением тока рекомбинации дырок IБ рек, так что ток подходящих к коллекторному переходу дырок
Относительные потери на рекомбинацию в базе учитывают коэффициентом переноса:















