135702 (722535), страница 4
Текст из файла (страница 4)
Подстановка в это выражение результатов логарифмирования соотношений (1.4), (1.7) позволяет получить следующее равенство:
Если обозначить т = kT/q и учесть уравнение (1.10), то можно записать:
Из уравнений (1.16) и (1.17) следует:
При комнатной температуре (Т = 300 К) т 0,026 В.
Таким образом, контактная разность потенциалов зависит от отношения концентраций носителей зарядов одного знака в р- и n-областях полупроводника.
Другим важным параметром p-n перехода является его ширина, обозначаемая = p + n.
Ширину запирающего слоя можно найти, решив уравнения Пуассона для n-области и p-области:
Решения уравнений (1.19) и (1.20) при граничных условиях
имеют вид:
В точке x = 0 оба решения должны давать одинаковые значения и
. Приравняв
и
, можно записать:
Из равенства (1.22) видно, что ширина слоев объемных зарядов в n- и p-областях обратно пропорциональна концентрациям примесей и в несимметричном переходе запирающий слой расширяется в область с меньшей концентрацией примесей.
На основании равенства (1.22) можно записать:
где = n + р.
Приравнивая правые части уравнений (1.21) и учитывая соотношения (1.23), при x = 0 получаем
На основании этого выражения формулу для определения ширины запирающего слоя p-n перехода можно записать в следующем виде:
Из соотношения (1.24) видно, что на ширину запирающего слоя существенное влияние оказывает концентрация примесных атомов. Увеличение концентрации примесных атомов сужает запирающий слой, а уменьшение расширяет его. Это часто используется для придания полупроводниковым приборам требуемых свойств.
1.3.2 Прямое включение p-n перехода
При использовании p-n перехода в полупроводниковых приборах к нему подключается внешнее напряжение. Величина и полярность этого внешнего напряжения определяют электрический ток, проходящий через p-n переход.
Если положительный полюс источника питания подключается к
р-области, а отрицательный полюс - к n-области, то включение p-n перехода называют прямым. При изменении указанной полярности источника питания включение p-n перехода называют обратным.
Прямое включение p-n перехода показано на рис. 1.8. Поскольку сопротивление p-n перехода значительно превышает сопротивление нейтральных p- и n-областей, внешнее напряжение Uпр почти полностью падает на этом переходе.
Прямое напряжение создает в переходе внешнее электрическое поле, направленное навстречу собственному.
Напряженность результирующего поля падает, и уровни Ферми смещаются таким образом, что потенциальный барьер уменьшается до Uк - Uпр. Это сопровождается сужением запирающего слоя, ширина которого может быть найдена из соотношения (1.24) подстановкой вместо Uк величины Uк - Uпр:
В результате снижения потенциального барьера большее количество основных носителей зарядов получает возможность диффузионно переходить в соседнюю область, что сопровождается ростом тока диффузии. Ток дрейфа при этом не изменится, поскольку он зависит от количества неосновных носителей, появляющихся на границах p-n перехода. Это количество зависит только от концентрации примесей в полупроводнике и температуры.
Увеличение диффузионной составляющей тока через p-n переход при неизменной дрейфовой составляющей приводит к нарушению термодинамического равновесия, устанавливаемого выражением (1.15). Через переход будет проходить результирующий ток, определяемый диффузионной составляющей.
Дополнительная диффузия носителей зарядов приводит к тому, что на границе p-n перехода повышаются концентрации дырок в области n-типа до некоторого значения
и электронов в p-области до значения
. Повышение концентраций неосновных носителей в p- и n-областях вследствие влияния внешнего напряжения, приложенного к электронно-дырочному переходу,
Рисунок 1.8 Прямое включение p-n перехода.
получило название инжекции неосновных носителей. Область, из которой происходит инжекция, называют эмиттером, а область, в которую осуществляется инжекция, — базой.
Поскольку при прямом включении p-n перехода потенциальный барьер уменьшается, концентрации неосновных носителей на границах p-n перехода могут быть рассчитаны по формулам (1.18) при замене Uк величиной Uк - Uпр. Тогда:
Из выражений (1.25) и (1.26) следует, что на границах p-n перехода под действием прямого напряжения Uпр происходит увеличение концентраций неосновных носителей.
Неравновесные неосновные носители зарядов диффундируют в глубь полупроводника и нарушают его электронейтральность. Восстановление нейтрального состояния полупроводников происходит за счет поступления носителей зарядов от внешнего источника. Это является причиной возникновения тока во внешней цепи, называемого прямым и обозначаемого Iпр.
Концентрации неосновных носителей в нейтральной области полупроводника зависят от координаты x. Закон их распределения может быть найден путем решения уравнения непрерывности для установившегося состояния, т. е. состояния, при котором концентрация неосновных носителей не изменяется во времени. Этому условию соответствуют уравнения непрерывности, которые при Е = 0 записываются в следующем виде:
где
- диффузионная длина дырок в n-области;
- диффузионная длина электронов в p-области.
Решения уравнений непрерывности (1.27) и (1.28) для нейтральной области полупроводников (начало отсчета координаты совпадает с границами p-n перехода) при очевидных из рис. 1.7 начальных условиях и с учетом соотношений (1.25) и (1.26) имеют вид:
Таким образом, на границе запирающего слоя (x = 0) за счет инжекции концентрация носителей повышается и достигает следующих значений:
Уравнения (1.29) и (1.30) показывают, что в неравновесном состоянии при удалении от p-n перехода концентрации неосновных носителей зарядов вследствие рекомбинации убывают по экспоненциальному закону от значений
и
до
и
.
При x = Lp и x = Ln концентрации неосновных носителей уменьшаются в 2,7 раза. Таким образом, диффузионная длина - это расстояние, на котором концентрация неосновных носителей в неравновесном состоянии уменьшается в е раз.
1.3.3 Обратное включение р-п-перехода
При включении p-n перехода в обратном направлении (рис. 1.9) внешнее обратное напряжение Uобр создает электрическое поле, совпадающее по направлению с собственным, что приводит к росту потенциального барьера на
Рисунок 1.9 Обратное включение p-n перехода.
величину Uобр и увеличению относительного смещения энергетических диаграмм на q(Uk + Uобр). Это сопровождается увеличением ширины запирающего слоя, которая может быть найдена из соотношения (1.24) подстановкой вместо Uk величины Uk + Uобр.
Возрастание потенциального барьера уменьшает диффузионные токи основных носителей (т. е. меньшее их количество преодолеет возросший потенциальный барьер). Для неосновных носителей поле в p-n переходе остается ускоряющим, и поэтому дрейфовый ток, как было показано в п. 1.3.2, не изменится.
Уменьшение диффузионного тока приведет к нарушению условия равновесия, устанавливаемого выражением (1.15). Через переход будет проходить результирующий ток, определяемый в основном током дрейфа неосновных носителей.
Концентрация неосновных носителей у границ p-n перехода вследствие уменьшения диффузионного перемещения основных носителей уменьшится до некоторых значений
и
. По мере удаления от p-n перехода концентрация неосновных носителей будет возрастать до равновесной. Значение концентрации неосновных носителей заряда на любом удалении x от границ p-n перехода можно рассчитать по следующим формулам, полученным при решении уравнения непрерывности для обратного, включения p-n перехода:
1.3.4 Теоретическая вольтамперная характеристика p-n перехода
Вольтамперная характеристика представляет собой график зависимости тока во внешней цепи p-n перехода от значения и полярности напряжения, прикладываемого к нему. Эта зависимость может быть получена экспериментально или рассчитана на основании уравнения вольтамперной характеристики.
При включении p-n перехода в прямом направлении в результате инжекции возникает прямой диффузионный ток.
Уравнения для плотности электронной и дырочной составляющих прямого тока получаются подстановкой соотношений (1.29) и (1.30) в (1.13) и (1.14) и, записываются в следующем виде:
Плотность прямого тока, проходящего через p-n переход, можно определить как сумму jпр = jn диф + jp диф, не изменяющуюся при изменении координаты х. Если считать, что в запирающем слое отсутствуют генерация и рекомбинация носителей зарядов, то плотность прямого тока, определяемая на границах p-n перехода (при x = 0),
Включение p-n перехода в обратном направлении приводит к обеднению приконтактной области неосновными носителями и появлению градиента их концентрации. Градиент концентрации является причиной возникновения диффузионного тока неосновных носителей.
На основании соотношений (1.13), (1.14) и (1.32), (1.33) выражение для расчета плотности обратного тока может быть записано в виде
Объединяя выражения (1.34) и (1.35), можно записать уравнение для плотности тока в общем виде:
Величину js называют плотностью тока насыщения. Умножив правую и левую части выражения (1.36) на площадь П p-n перехода, получим уравнение теоретической вольтамперной характеристики:
где IS- ток насыщения. В это уравнение напряжение U подставляется со знаком "плюс" при включении p-n перехода в прямом направлении и со знаком "минус" при обратном включении.
Уравнение (1.37) позволяет рассчитать теоретическую вольтамперную характеристику тонкого электронно-дырочного перехода, в котором отсутствуют генерация и рекомбинация носителей зарядов.
Теоретическая вольтамперная характеристика p-n перехода, построенная на основании уравнения (1.37), приведена на рис. 1.10. При увеличении
Рисунок 1.10 Теоретическая вольтамперная характеристика p-n перехода.
обратного напряжения ток через p-n переход стремится к предельному значению js, которого достигает при обратном напряжении примерно 0,1...0,2 В.
На основании соотношений (1.2), (1.5), (1.8) и (1.10), считая, что все атомы примесей ионизированы, т. е.
= Na, для области рабочих температур можно записать:
. (1.38)
Из соотношения (1.38) видно, что чем больше ширина запрещенной зоны полупроводника и концентрация примесей доноров и акцепторов, тем меньше ток насыщения, а с увеличением температуры ток насыщения растет по экспоненциальному закону.
Процессы генерации и рекомбинации носителей в запирающем слое оказывают существенное влияние на вид вольтамперной характеристики. В отсутствие внешнего напряжения между процессами генерации и рекомбинации устанавливается равновесие. При приложении к p-n переходу обратного напряжения дырки и электроны, образующиеся в результате генерации, выводятся полем запирающего слоя. Это приводит к возникновению дополнительного тока генерации Iген, совпадающего с обратным током p-n перехода. Можно показать, что при
=
, n = р = 0 и Ln = Lp = L0 справедливо соотношение
где 0 - толщина запирающего слоя.
Из выражения (1.39) видно, что генерационная составляющая обратного тока растет при увеличении ширины запрещенной зоны полупроводника, так как при этом уменьшается значение ni, а также при увеличении концентрации примесей, при которой возрастает
. Например, при одинаковых значениях 0 и L0 для германия ni = 2,51013 см-3 (W = 0,67 эВ) и Iген= 0,1Is, а для кремния ni = 6,81010 см-3 (W = 1,12 эВ) и Iген = 3000IS,.
Таким образом, если в германиевых p-n переходах током генерации можно пренебречь, то в кремниевых p-n переходах он является основной составляющей обратного тока. Поэтому на вольтамперных характеристиках кремниевых p-n переходов нет выраженного участка насыщения.
1.3.5 Реальная вольтамперная характеристика p-n перехода
При выводе уравнения (1.37) не учитывались такие явления, как термогенерация носителей в запирающем слое перехода, поверхностные утечки тока, падение напряжения на сопротивлении нейтральных областей полупроводника, а также явления пробоя при определенных обратных напряжениях. Поэтому экспериментальная вольтамперная характеристика p-n перехода (кривая 2 на рис. 1.11) отличается от теоретической (кривая 1).
При обратном включении p-n перехода отличия обусловлены генерацией носителей зарядов и пробоем p-n перехода. Количество генерируемых носителей пропорционально объему запирающего слоя, который зависит от ширины p-n перехода. Поскольку ширина запирающего слоя пропорциональна
, ток генерации будет расти при увеличении обратного напряжения. Поэтому на реальной характеристике при увеличении обратного напряжения до определенного значения наблюдается небольшой рост обратного тока. Возрастанию обратного тока способствуют также токи утечки.
При некотором обратном напряжении наблюдается резкое возрастание обратного тока. Это явление называют пробоем p-n перехода. Существуют три вида пробоя: туннельный, лавинный и тепловой. Туннельный и лавинный пробои представляют собой разновидности электрического пробоя
Рисунок 1.11 Отличие реальной вольтамперной характеристики p-n перехода
от теоретической.
и связаны с увеличением напряженности электрического поля в переходе. Тепловой пробой определяется перегревом перехода.
Туннельный пробой обусловлен прямым переходом электронов из валентной зоны одного полупроводника в зону проводимости другого, что становится возможным, если напряженность электрического поля в p-n переходе из кремния достигает значения 4105 В/см, а из германия -2105 В/см. Такая большая напряженность электрического поля возможна при высокой концентрации примесей в p- и n-областях, когда толщина p-n перехода становится весьма малой (см. формулу (1.31)). Под действием сильного электрического поля валентные электроны вырываются из связей. При этом образуются парные заряды электрон-дырка, увеличивающие обратный ток через переход. На рис. 1.10 кривая 5 представляет собой обратную ветвь вольт-амперной характеристики перехода, соответствующую туннельному пробою.
В широких p-n переходах, образованных полупроводниками с меньшей концентрацией примесей, вероятность туннельного просачивания электронов уменьшается и более вероятным становится лавинный пробой. Он возникает тогда, когда длина свободного пробега электрона в полупроводнике значительно меньше толщины p-n перехода. Если за время свободного пробега электроны приобретают кинетическую энергию, достаточную для ионизации атомов в p-n переходе, наступает ударная ионизация, сопровождающаяся лавинным размножением носителей зарядов. Образовавшиеся в результате ударной ионизации свободные носители зарядов увеличивают обратный ток перехода. Увеличение обратного тока характеризуется коэффициентом лавинного умножения М:
где UПРОБ - напряжение начала пробоя; m зависит от материала полупроводника. На рис 1.11 лавинному пробою соответствует кривая 4.
Тепловой пробой обусловлен значительным ростом количества носителей зарядов в p-n переходе за счет нарушения теплового режима. Подводимая к p-n переходу мощность Рподв = IобрUобр расходуется на его нагрев.
Выделяющаяся в запирающем слое теплота отводится преимущественно за счет теплопроводности. Отводимая от p-n перехода мощность Ротв пропорциональна разности температур перехода Tпер и окружающей среды Токр:
где Rт - тепловое сопротивление, 0К/Вт, определяющее перепад температур, необходимый для отвода 1 Вт мощности от p-n перехода в окружающую среду.
При плохих условиях отвода теплоты от перехода возможен его разогрев до температуры, при которой происходит тепловая ионизация атомов. Образующиеся при этом носители заряда увеличивают обратный ток, что приводит к дальнейшему разогреву перехода. В результате такого нарастающего процесса p-n переход недопустимо разогревается и возникает тепловой пробой, характеризующийся разрушением кристалла (кривая 3).
Увеличение числа носителей зарядов при нагреве p-n перехода приводит к уменьшению его сопротивления и выделяемого на нем напряжения. Вследствие этого на обратной ветви вольтамперной характеристики при тепловом пробое появляется участок с отрицательным дифференциальным сопротивлением (участок АВ на рис. 1.11).
Отличия реальной характеристики от теоретической на прямой ветви, в основном, обусловлены распределенным (объёмным) сопротивлением электронной и дырочной областей r1 за пределами запирающего слоя (рисунок 1.12).
Если сопротивление запирающего слоя обозначить rд, то кристалл полупроводника с запирающим слоем можно представить в виде последовательного соединения резисторов rд и r1.
При прохождении тока IПР на сопротивлении r1 падает часть напряжения внешнего источника и на запирающем слое действует напряжение UПЕР = UПР – IПРr1. Уравнение вольтамперной характеристики в этом случае может быть записано в следующем неявном виде:
Рисунок 1.12 Упрощенная эквивалентная схема p-n перехода с распределенным сопротивлением полупроводника.
Поскольку UПЕР < UПР реальная характеристика идет ниже теоретической. Когда напряжение на запирающем слое становится равным контактной разности потенциалов, запирающий слой исчезает, и дальнейшее увеличение тока ограничивается распределенным сопротивлением полупроводников p- и n-типа. Таким образом, в точке С при UПР = UК вольтамперная характеристика переходит в прямую линию.
1.3.6 Емкости p-n перехода
Изменение внешнего напряжения dU на p-n переходе приводит к изменению накопленного в нем заряда dQ. Поэтому p-n переход ведет себя подобно конденсатору, емкость которого С = dQ/ dU.
В зависимости от физической природы изменяющегося заряда различают емкости барьерную (зарядную) и диффузионную.
Барьерная (зарядная) емкость определяется изменением нескомпенсированного заряда ионов при изменении ширины запирающего слоя под воздействием внешнего обратного напряжения. Поэтому идеальный электронно-дырочный переход можно рассматривать как плоский конденсатор, емкость которого определяется соотношением
где П, - соответственно площадь и толщина p-n перехода.
Из соотношений (1.41) и (1.31) следует
В общем случае зависимость зарядной емкости от приложенного к p-n переходу обратного напряжения выражается формулой
где C0 — емкость p-n перехода при UОБР = 0; - коэффициент, зависящий от типа p-n перехода (для резких p-n переходов = 1/2, а для плавных = 1/3).
Барьерная емкость увеличивается с ростом NА и NД, а также с уменьшением обратного напряжения. Характер зависимости СБАР = f(UОБР) показан на рис. 1.13,а.
Рассмотрим диффузионную емкость. При увеличении внешнего напряжения, приложенного к p-n переходу в прямом направлении, растет концентрация инжектированных носителей вблизи границ перехода, что приводит к изменению количества заряда, обусловленного неосновными носителями в p- и n-областях. Это можно рассматривать как проявление некоторой емкости. Поскольку она зависит от изменения диффузионной составляющей тока, ее называют диффузионной. Диффузионная емкость представляет собой отношение приращения инжекционного заряда dQинж к вызвавшему его изменению напряжения dUпр, т. е.
. Воспользовавшись уравнением (1.30), можно определить заряд инжектированных носителей, например дырок в n-области:
.
| а) | б) |
Рисунок 1.13 Зависимость барьерной (а) и диффузионной (б) емкостей p-n перехода от напряжения.
Тогда диффузионная емкость, обусловленная изменением общего заряда неравновесных дырок в n-области, определится по формуле
Аналогично для диффузионной емкости, обусловленной инжекцией электронов в p-область,
Рисунок 1.13 Эквивалентная схема p-n перехода.
Общая диффузионная емкость
Зависимость ёмкости от прямого напряжения на p-n переходе показана на рисунке 1.13, б.
Полная емкость p-n перехода определяется суммой зарядной и диффузионной емкостей:
При включении p-n перехода в прямом направлении преобладает диффузионная емкость, а при включении в обратном направлении - зарядная.
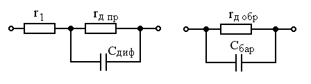
На рис. 1.14 приведена эквивалентная схема p-n перехода по переменному току. Схема содержит дифференциальное сопротивление p-n перехода rД, диффузионную емкость СДИФ, барьерную емкость СБАР и сопротивление объема p- и n-областей r1. На основании уравнения (1.37) можно записать:
Если при прямом включении p-n перехода Uпр >> т, то:
При комнатной температуре
; (1.42)
(в соотношении (1.42) значение тока подставляется в амперах). Сопротивление утечки rУТ учитывает возможность прохождения тока по поверхности кристалла из-за несовершенства его структуры. При прямом включении p-n перехода СБАР << СДИФ, дифференциальное сопротивление rД ПР мало и соизмеримо с r1, поэтому эквивалентная схема принимает вид, показанный на рис. 1.15, а.
| а) | б) |
Рисунок 1.15 Упрощенные эквивалентные схемы p-n перехода.
При обратном смещении rД ОБР >> r1, СБАР >> СДИФ и эквивалентная схема имеет вид, показанный на рис. 1.15, б.
1.4 РАЗНОВИДНОСТИ ЭЛЕКТРИЧЕСКИХ ПЕРЕХОДОВ
1.4.1 Гетеропереходы
Гетеропереход образуется двумя полупроводниками, различающимися шириной запрещенной зоны. Параметры кристаллических решеток полупроводников, составляющих гетеропереход, должны быть близки, что ограничивает выбор материалов. В настоящее время наиболее исследованными являются пары: германий-арсенид галлия, арсенид галлия-мышьяковидный индий, германий-кремний. Различают n-p и p-n гетеропереходы (на первое место ставится буква, обозначающая тип электропроводности полупроводника с более узкой запрещенной зоной). На основе гетеропереходов возможно также создание структур n-n и p-p.
Рисунок 1.16 Упрощенная энергетическая диаграмма p-n гетероперехода в равновесном состоянии.
На рисунке 1.16 приведена упрощенная энергетическая диаграмма n-p перехода между арсенидом галлия р-типа (WP = 1,5 эВ) и германием n-типа (Wn = 0,67 эВ) в состоянии равновесия (U = 0). При контакте полупроводников происходит перераспределение носителей зарядов, приводящее к выравниванию уровней Ферми p- и n-областей и возникновению энергетического барьера для электронов n-области qUkn и. для дырок p-области qUкp, причем Uкn > Uкp.
Рисунок 1.17 Упрощенная энергетическая диаграмма p-n гетероперехода, включенного в прямом состоянии.
В состоянии равновесия ток через n-p переход равен нулю. Поскольку потенциальные барьеры для дырок и электронов различны, при приложении к гетеропереходу прямого напряжения смещения он обеспечит эффективную инжекцию дырок из полупроводника с большей шириной запрещенной зоны (рис. 1.17).
1.4.2 Контакт между полупроводниками одного типа электропроводности
Контакт полупроводников с одним типом электропроводности, но с разной концентрацией примесей обозначают р+-р или п+-п (знаком "плюс" отмечается полупроводник с большей концентрацией примесей). В таких контактах носители из области с большей концентрацией примеси переходят в область с меньшей концентрацией. При этом в области с повышенной концентрацией нарушается компенсация зарядов ионизированных атомов примеси, а в другой области создается избыток основных носителей зарядов. Образование этих зарядов приводит к появлению на переходе собственного электрического поля и контактной разности потенциалов, определяемой следующими соотношениями: для p+-р перехода
В этих переходах не образуется слой с малой концентрацией носителей зарядов, и их сопротивление определяется в основном сопротивлением низкоомной области. Поэтому при прохождении тока непосредственно на контакте падает небольшое напряжение и выпрямительные свойства этих переходов не проявляются. В p+-p и n+-n- переходах отсутствует инжекция неосновных носителей из низкоомной области в высокоомную. Если, например, к переходу n+-n подключен источник тока плюсом к n-области, а минусом к n+-области, то из n+-области в n-область будут переходить электроны, являющиеся в ней основными носителями зарядов. При изменении полярности внешнего напряжения из n+-области в n-область должны инжектироваться дырки, однако их концентрация мала, и этого явления не происходит. Переходы типа p+-p и n+-n возникают при изготовлении омических контактов к полупроводникам.
Рисунок 1.18 Энергетическая диаграмма p-i перехода.
Промежуточное положение между p+-p- или n+-n- и p-n переходом занимают p-i и n-i переходы. Такие переходы образуются между двумя пластинами, одна из которых имеет электронную или дырочную электропроводность, а другая - собственную.
На рис 1.18 показаны энергетическая диаграмма и изменение концентраций на границе двух полупроводников с p- и i-областями. Вследствие разности концентраций носителей зарядов в p- и i-областях происходит инжекция дырок из p-области в i-область и электронов из i-области в p-область. Вследствие малой величины инжекционной составляющей электронного тока потенциальный барьер на границе перехода создается неподвижными отрицательными ионами акцепторов р-области и избыточными дырками i-области, диффундирующими в нее из p-области. Поскольку
>>
, глубина распространения запирающего слоя в i-области значительно больше, чем в р-области.
1.4.3 Контакт металла с полупроводником
Свойства контакта металла с полупроводником зависят от работы выхода электронов из металла (W0м) и из полупроводника (W0n или W0p). Электроны переходят из материала с меньшей работой выхода в материал с большей работой выхода. При контакте металла с электронным полупроводником при выполнении условия W0n < W0p электроны переходят из полупроводника в металл. Если осуществлен контакт металла с дырочным полупроводником и выполняется условие W0м < W0p, будет происходить переход электронов в полупроводник. И в том, и в другом случае произойдет обеднение свободными носителями заряда приконтактной области полупроводника.
Обедненный слой обладает повышенным сопротивлением, которое может изменяться под воздействием внешнего напряжения. Следовательно, такой контакт имеет нелинейную характеристику и является выпрямляющим. Перенос зарядов в этих контактах осуществляется основными носителями, и в них отсутствуют явления инжекции, накопления и рассасывания зарядов. Таким образом, выпрямляющие контакты металл-полупроводник малоинерционны и служат основой создания диодов с барьером Шоттки, обладающих высоким быстродействием и малым временем переключения.
Если при контакте металла с полупроводником выполняется условие W0м < W0м или W0м > W0p, то приконтактный слой полупроводника обогащается основными носителями заряда и его сопротивление становится низким при любой полярности внешнего напряжения. Такой контакт имеет практически линейную характеристику и является невыпрямляющим.
1.4.4 Омические контакты
Омическими называют контакты, сопротивление которых не зависит от величины и направления тока. Другими словами, это контакты, обладающие практически линейной вольт-амперной характеристикой. Омические контакты обеспечивают соединение полупроводника с металлическими токопроводящими элементами полупроводниковых приборов. Кроме линейности вольт-амперной характеристики, эти контакты должны иметь малое сопротивление и обеспечивать отсутствие инжекции носителей из металлов в полупроводник. Эти условия выполняются путем введения между полупроводником рабочей области кристалла и металлом полупроводника с повышенной концентрацией примеси (рис. 1.19). Контакт между полупроводниками с одинаковым типом электропроводности является невыпрямляющим и низкоомным. Металл выбирают так, чтобы обеспечить малую контактную разность потенциалов. Одним из способов получения омических контактов является введение в металл примеси, которой легирован полупроводник. В этом случае при сплавлении металла с полупроводником в контактной области образуется тонкий слой вырожденного полупроводника, что соответствует структуре, изображенной на рис. 1.19.
Рисунок 1.19 Структура омического контакта.
1.4.5 Явления на поверхности полупроводника
В результате взаимодействия полупроводника и окружающей среды на поверхности кристалла образуются различные соединения, отличающиеся по своим свойствам от основного материала. Кроме того, обработка кристалла приводит к дефектам кристаллической решетки на поверхности полупроводника. По этим причинам возникают поверхностные состояния, повышающие вероятность появления свободных электронов или незаполненных ковалентных связей. Энергетические уровни поверхностных состояний могут располагаться в запрещенной энергетической зоне и соответствовать донорным и акцепторным примесям.















