125880 (690733)
Текст из файла
ЗАДАНИЕ НА КУРСОВОЕ ПРОЕКТИРОВАНИЕ
По заданным геометрическим, весовым и эксплуатационным параметрам разработать привод пресс-автомата с плавающим ползуном - одноступенчатый конический редуктор.
С этой целью выполнить синтез рычажного механизма и его кинематический анализ, по результатам которого определить функцию изменения момента движущих сил с учётом коэффициента полезного действия механизма в течение одного технологического цикла. Результаты кинематического и силового анализа отразить на плакатах.
На основе полученной характеристики наружности привода подобрать соответствующий редуктор, найти основные параметры зубчатого зацепления и произвести проверочный расчет последнего на прочность по критериям контактной выносливости и усталости при переменном изгибе.
Спроектировать тихоходный вал редуктора. Исходя из проектировочного расчета на прочность, определить основные параметры шпоночного и шлицевого соединения колеса с валом. Выполнить проверочный расчет последнего на усталостную прочность с учетом конструктивных и технологических факторов, а также формы циклов нормального и касательного напряжений.
Выполнить проверочный расчет выбранных подшипников качения на долговечность. По указанию преподавателя выполнить расчет одной из деталей механизма, подобрать муфту, соединяющую ось кривошипа с тихоходным валом редуктора, и произвести расчет на прочность ее основных элементов.
По результатам проектирования выполнить сборочный чертеж редуктора и рабочий чертеж одной из его деталей.
СОДЕРЖАНИЕ
Расчетно-пояснительной записки к курсовому проекту на тему
“ПРОЕКТИРОВАНИЕ ПРИВОДА ПРЕСС-АВТОМАТА
С ПЛАВАЮЩИМ ПОЛЗУНОМ“
Реферат
Задание на курсовое проектирование
Описание устройства и работы механизма
Кинематический анализ механизма
Синтез плоского рычажного механизма
Определение кинематических передаточных функций
Силовой анализ механизма
Определение момента мст() для преодоления сил статического сопротивления
Определение момента мдин() для преодоления сил динамического сопротивления
Расчет КПД механизма
Расчет движущего момента м()
Выбор редуктора
Определение усилий в зубчатом зацеплении
Расчет тихоходного вала на прочность
Формирование расчетной схемы вала
Расчет вала на статическую прочность
Проектировочный расчет шпоночного соединения
Расчет вала на выносливость
Проверочный расчет зубчатой пары на прочность
Определение ресурса передачи
Расчёт поверхности зуба колеса на прочность по контактным напряжениям
Расчёт зубьев на прочность при переменном изгибе
Заключение
Список использованных источников
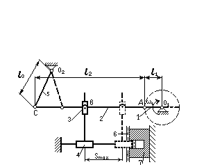
Рисунок 1. Кинематическая схема пресс-автомата:
-
кривошип;
-
шатун;
-
ползун;
-
пуансон;
-
кулиса;
-
лента;
-
матрица.
ОПИСАНИЕ УСТРОЙСТВА И РАБОТЫ МЕХАНИЗМА
Пресс-автомат предназначен для обработки деталей давлением. Технологический цикл механизма начинается в положении 1 (рисунок 1), в этот момент времени пуансон в крайнем левом положении. Совершая вращательное движение по часовой стрелке кривошип 1 приводит в движение через цилиндрический шарнир А шатун 2, который через цилиндрический шарнир С закреплен на, совершающей возвратно-вращательное движение, кулисе 5. Кулиса 5 закреплена на не подвижном цилиндрическом шарнире. Шатун 2 через шарнир В приводит в движение ползун, который движется по эллиптической траектории. Ползун передает усилие на штангу, приводящую в движение пуансон 4, который совершает возвратно-поступательное движение и, входя в матрицу 7, штампует, подаваемую между ними, ленту 6.
В положении n1 когда пуансон прошел 40% от пути, он соприкасается с лентой сила сопротивления равна 0. Далее на интервале [0,4;0,8] Smax сила сопротивления возрастает по линейному закону F=S/0,4-1 после чего скачкообразно приобретает значение нуля, которое остается неизменным до конца максимального перемещения Smax =100 мм. Последний этап необходим для полной продавливаемости ленты. Затем пуансон возвращается в свое первоначальное положение, (механизм работает в режиме холостого хода).
КИНЕМАТИЧЕСКИЙ АНАЛИЗ МЕХАНИЗМА
Траектория движения, перемещения, скорость звеньев и характерных точек являются кинематическими характеристиками механизма. Для решения задачи определения кинематических характеристик можно воспользоваться графоаналитическим методом. Суть данного метода заключается в построении ряда положений звеньев механизма и соответствующих им планов скоростей. После проведенного синтеза, механизм изобразим в двенадцати положениях в масштабе 0,006 м/мм. Каждое положение отличается от предыдущего на угол поворота равный /6 радиан. В каждом из положений определим линейные скорости кинематических пар, центров тяжести весомых звеньев, а также угловые скорости последних. Угловая скорость кривошипа ω1 постоянна и в последующих расчётах для удобства примем её равной единице, т.о. все получаемые скорости будут смасштабированны ω1 в раз.
СИНТЕЗ ПЛОСКОГО РЫЧАЖНОГО МЕХАНИЗМА
Первым этапом проектирования данного механизма является синтез его кинематической схемы (рисунок 3).Выполняя эту операцию, будем учитывать следующие факторы:
-
обеспечение необходимого хода исполнительного звена;
-
проворачиваемость звеньев;
-
обеспечение оптимальных углов давления.
При синтезе кинематической схемы привода пресс-автомата с плавающим ползуном необходимо проделать следующее. Необходимый ход исполнительного звена изображён на рисунке 3 отрезком BB’. Выберем масштаб μL=0,006 м/мм. Затем значение Smax=0,1 м из задания на курсовое проектирование (Таблица 1) поделим на выбранный масштаб и получим.
BB’=0,1/0,006=16,8 мм
На горизонтальной прямой (Рисунок 3) отметим отрезок BB’. Из точки B проведём окружность радиусом l2/2=6*Smax/2*μL=6*0,1/2*0,006=50 мм, затем аналогично проведём окружность из точки B’. При пересечении окружностей и прямой получаем соответственно точки A, C и A’, C’.
Из точек C и C’ проводим две дуги радиусом
l5=2,1*Smax/μL=2,1*0,1/0,006=35 мм.
Точка пересечения дуг определяет положение опоры О2.
Далее требуется определить положение опоры О1 и длину кривошипа l1. Точка А соответствует начальному положению механизма (т.е. крайнему левому), точка А’ соответствует положению кривошипа в тот момент, когда механизм прошёл половину технологического цикла (т.е. крайнему правому положению). Учитывая это обстоятельство, можно найти длину кривошипа
l1=АА’/2=Smax/2*μL=0,1/2*0,006=8,4 мм.
Отложив от точки А по прямой расстояние АА’/2 равное длине кривошипа l1=8,4 мм, получим положение опоры О1.
Окружность радиусом l1=О1А=8,4 мм представляет собой траекторию движения точки А кривошипа втечение всего технологического цикла.
Задав и определив в процессе синтеза размеры и положение звеньев, а также положение опор, мы убеждаемся в выполнении условия проворачиваемости звеньев в кинематической цепи:
l2>lO1O2-l5+l1
Углы между направлением действия силы и векторами скоростей соответствующей ведомой кинематической пары, в нашем случае θс и θс’, в крайних положениях минимальны, следовательно, минимальны потери энергии на трение, максимален коэффициент полезного действия, маловероятно заклинивание механизма.
Таким образом, условия обеспечения необходимого хода исполнительного звена, проворачиваемости звеньев и обеспечения оптимальных углов давления выполнены, механизм работоспособен.
ОПРЕДЕЛЕНИЕ КИНЕМАТИЧЕСКИХ ПЕРЕДАТОЧНЫХ ФУНКЦИЙ
Кинематическими характеристиками являются: перемещение, траектории движения, скорости звеньев и характерных точек механизма. Задачу определения кинематических характеристик решим графо-аналитическим методом, который основан на построении ряда последовательных положений звеньев механизма и соответствующих им планов скоростей.
Механизм привода пресс-автомата с плавающим ползуном в масштабе μL=0,006 м/мм изобразим в двенадцати положениях. Положение механизма задаётся положением кривошипа 1. Каждое последующее положение кривошипа 1 отличается от предыдущего на 30ْ . Первое, крайнее, положение механизма соответствует началу рабочего цикла. В каждом из положений определим линейные скорости кинематических пар, центров тяжести весомых звеньев, а также угловые скорости звеньев. Угловую скорость кривошипа 1 будем считать, в соответствии с исходными данными, постоянной и равной единице, так как необходимые необходимые кинематические передаточные функции представляют собой отношения соответствующих линейных и угловых скоростей к угловой скорости ведущего звена, т.е. мы сразу находим кинематические передаточные функции.
Вектор скорости точки в сложном движении представим в виде суммы двух векторов: вектора скорости точки, принятой за полюс и вектора скорости точки в относительном движении.
В качестве примера рассмотрим построение плана скоростей для третьего положения механизма (Рисунок 5). Сначала выберем масштаб μv=0,0007 (м/с)/мм, затем выберем полюс P3, от которого в выбранном масштабе будем откладывать векторы линейных скоростей.
Определим линейные скорости точек А, В2, В4, С, Е и угловые скорости звеньев: второго звена (шатун 2)ω2 и пятого (кулиса 5) ω5.
Из полюса P3, перпендикулярно отрезку О1А откладываем в выбранном масштабе вектор VА линейной скорости точки А, для этого воспользуемся формулой
lvi =V/μv , (1)
где V – скорость точки (м/с), μv – масштаб вектора скорости ((м/с)/мм).
V=μv*lvi
На плане скоростей вектору VА соответствует вектор а. Величина вектора VА будет одинакова для всех положений механизма и равна:
VА=ω1*l1=1рад*0,05м=0,05 (м/с).
На плане скоростей из полюса P3 отложим вектор а длиной:
а=VА/μv=0,05/0,0007=71,5 мм.
Далее для определения скорости точки С воспользуемся векторным равенством:
VС=VА+VСА , (2)
где VС – абсолютная скорость точки С, вектор, который перпендикулярен кулисе 5, VА– линейная скорость точки А (известная и по величине и по направлению), VСА – вектор скорости точки С, принадлежащей кулисе 5, в относительном вращательном движении шатуна 2 вокруг полюса А.Вектор скорости VСА перпендикулярен отрезку СА. Для построения вектора VС, которому на плане скоростей соответствует вектор с, через конец вектора а проведём прямую, перпендикулярную отрезку АС, на ней будет расположен вектор VСА, которому на плане скоростей соответствует вектор са. Далее из полюса P3 проводим прямую, параллельную вектору скорости точки С (перпендикулярно О2С). Пересечение этих двух прямых задаст оба искомых вектора, модули которых будут равняться:
VС=μv*с=0,0007*67=0,0469 (м/с) , VСА =μv*са=0,0007*43=0,0301 (м/с).
Теперь зная скорость VСА, можно найти угловую скорость звена АС (шатуна 2):
ω2= VСА/l2=0,0301/0,6=0,05 (рад/с).
Зная ω2, найдём скорость точки В2 с помощью выражения
VB2=VА+VB2А , (3)
где VB2 – абсолютная скорость точки В2, VА – линейная скорость точки А, VB2А – скорость точки В2 в относительном движении.
Вектор скорости VB2А перпендикулярен отрезку АС. Так как направление вектора
VB2А перпендикулярно отрезку АС, а его модуль равен
VB2А=ω2*lАВ=0,05*0,3=0,015
(м/с), то необходимо из конца вектора а на плане скоростей отложить отрезок длиной b2a=VB2А/μv=0,015/0,0007=21,4 (мм) (вектору VB2А на плане скоростей соответствует вектор b2a) и соединить его конец с полюсом P3. Полученный вектор b2 является вектором скорости точки В2 - VB2, модуль которого равен:
Характеристики
Тип файла документ
Документы такого типа открываются такими программами, как Microsoft Office Word на компьютерах Windows, Apple Pages на компьютерах Mac, Open Office - бесплатная альтернатива на различных платформах, в том числе Linux. Наиболее простым и современным решением будут Google документы, так как открываются онлайн без скачивания прямо в браузере на любой платформе. Существуют российские качественные аналоги, например от Яндекса.
Будьте внимательны на мобильных устройствах, так как там используются упрощённый функционал даже в официальном приложении от Microsoft, поэтому для просмотра скачивайте PDF-версию. А если нужно редактировать файл, то используйте оригинальный файл.
Файлы такого типа обычно разбиты на страницы, а текст может быть форматированным (жирный, курсив, выбор шрифта, таблицы и т.п.), а также в него можно добавлять изображения. Формат идеально подходит для рефератов, докладов и РПЗ курсовых проектов, которые необходимо распечатать. Кстати перед печатью также сохраняйте файл в PDF, так как принтер может начудить со шрифтами.















