123424 (689471)
Текст из файла
КУРСОВОЙ ПРОЕКТ
на тему:
«Нормирование точности соединений деталей машин»
Содержание
Задание
1. Гладкие сопряжения и калибры
1.1 Гладкие сопряжения
1.2 Калибры
2. Шероховатость, отклонение формы и расположения поверхностей
3. Резьбовые соединения
4. Подшипники качения
5. Шпоночные и шлицевые соединения
6. Размерные цепи
6.1 Составление схемы размерной цепи
6.2 Расчёт подетальной размерной цепи методом максимума и минимума
6.3 Сложение и вычитание размеров и предельных отклонений
6.4 Расчёт подетальной размерной цепи методом максимума-минимума. Проектная задача
6.5 Расчёт подетальной размерной цепи вероятностным методом. Проектная задача
6.6 Замена размеров в размерной цепи
7. Зубчатые передачи
Приложние
Литература
1. Гладкие сопряжения и калибры
1.1 Гладкие сопряжения
Исходные данные для варианта №50:
| Ø67 H7/e8 |
| Ø55 Н8/r6 |
| Ø28 H7/m6 |
| Ø13 D9/h8 |
| Ø38 T7/h7 |
| Ø19 E9/e9 |
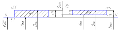
Задана посадка Ø67 H7/e8. Предельное отклонение отверстия Ø67 H7: верхнее ES=30мкм; нижнее EJ=0мкм. Предельное отклонение вала: верхнее es=-66мкм; нижнее ei=-106мкм.
Предельные размеры отверстия и вала:
,
,
,
.
Допуски размеров отверстия и вала:
,
.
Параметры посадки с зазором:
,
,
.
Проверка:
,
Изобразим схему посадки Ø67 H7/e8 на Рисунке 1.1.
Рисунок 1.1
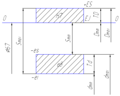
Задана посадка Ø55 H8/r6. Предельное отклонение отверстия Ø55 H8: верхнее ES=46мкм; нижнее EJ=0мкм. Предельное отклонение вала: верхнее es=60мкм; нижнее ei=41мкм.
Предельные размеры отверстия и вала:
,
,
,
.
Допуски размеров отверстия и вала:
,
.
Параметры переходной посадки:
,
,
.
Проверка:
,
Изобразим схему посадки Ø55 H8/r6 на Рисунке 1.2.
Рисунок 1.2
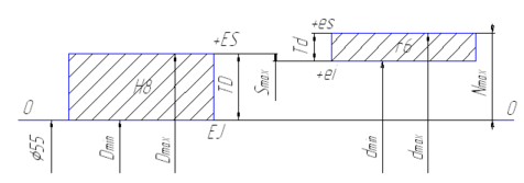
Задана посадка Ø28 H7/m6. Предельное отклонение отверстия Ø28 H7: верхнее ES=21мкм; нижнее EJ=0мкм. Предельное отклонение вала: верхнее es=21мкм; нижнее ei=8мкм.
Предельные размеры отверстия и вала:
,
,
,
.
Допуски размеров отверстия и вала:
,
.
Параметры переходной посадки:
,
,
.
Проверка:
,
Изобразим схему посадки Ø28 H7/m6 на Рисунке 1.3.
Рисунок 1.3
Задана посадка Ø13 D9/h8. Предельное отклонение отверстия Ø13 D9: верхнее ES=93мкм; нижнее EJ=50мкм. Предельное отклонение вала: верхнее es=0мкм; нижнее ei=-27мкм.
Предельные размеры отверстия и вала:
,
,
,
.
Допуски размеров отверстия и вала:
,
.
Параметры переходной посадки:
,
,
.
Проверка:
,
Изобразим схему посадки Ø13 D9/h8 на Рисунке 1.4.
Рисунок 1.4
Задана посадка Ø38 T7/h7. Предельное отклонение отверстия Ø38 T7: верхнее ES=-39мкм; нижнее EJ=-64мкм. Предельное отклонение вала: верхнее es=0мкм; нижнее ei=-25мкм.
Предельные размеры отверстия и вала:
,
,
,
.
Допуски размеров отверстия и вала:
,
.
Параметры переходной посадки:
,
,
.
Проверка:
,
Изобразим схему посадки Ø38 T7/h7 на Рисунке 1.5.
Рисунок 1.5
Задана посадка Ø19 E9/e9. Предельное отклонение отверстия Ø19 E9: верхнее ES=92мкм; нижнее EJ=40мкм. Предельное отклонение вала: верхнее es=-40мкм; нижнее ei=-92мкм.
Предельные размеры отверстия и вала:
,
,
,
.
Допуски размеров отверстия и вала:
,
.
Параметры переходной посадки:
,
,
.
Проверка:
,
Изобразим схему посадки Ø19 E9/e9 на Рисунке 1.6.
Рисунок 1.6
Таблица 1.1 Размера отверстий.
| Обозначение посадки | Поле Допуска отверстия | Предельные отклонения | Предельные размеры | Допуск Отверстия
| |||||
| Верхнее ES,мм | Нижнее EJ,мм | наибольшее
| наименьшее
| ||||||
| Ø67 H7/e8 | Ø67 H7 | 0,030 | 0 | 67,03 | 67 | 0,03 | |||
| Ø55 Н8/r6 | Ø55 Н8 | 0,046 | 0 | 55,046 | 55 | 0,046 | |||
| Ø28 H7/m6 | Ø28 H7 | 0,021 | 0 | 28,021 | 28 | 0,021 | |||
| Ø13 D9/h8 | Ø13 D9 | 0,093 | 0,050 | 13,093 | 13,050 | 0,043 | |||
| Ø38 T7/h7 | Ø38 T7 | -0,039 | -0,064 | 37,961 | 37,936 | 0,025 | |||
| Ø19 E9/e9 | Ø19 E9 | 0,092 | 0,040 | 19,092 | 19,040 | 0,052 | |||
Таблица 2.2 Размера валов.
| Обозначение посадки | Поле Допуска отверстия | Предельные отклонения | Предельные размеры | Допуск Отверстия
| ||||||
| Верхнее es,мм | Нижнее si,мм | наибольшее
| наименьшее
| |||||||
| Ø67 H7/e8 | Ø67 e8 | -0,066 | -0,106 | 66,934 | 66,894 | 0,04 | ||||
| Ø55 Н8/r6 | Ø55 r6 | 0,060 | 0,041 | 55,060 | 55,041 | 0,019 | ||||
| Ø28 H7/m6 | Ø28 m6 | 0,021 | 0,008 | 28,021 | 28,008 | 0,013 | ||||
| Ø13 D9/h8 | Ø13 h8 | 0 | -0,027 | 13 | 12,973 | 0,027 | ||||
| Ø38 T7/h7 | Ø38 h7 | 0 | -0,025 | 38 | 37,975 | 0,025 | ||||
| Ø19 E9/e9 | Ø19 E9 | -0,040 | -0,092 | 18,96 | 18,908 | 0,052 | ||||
Таблица 2.3 Типы и параметры посадок.
| Обозначение посадки | Предельные размеры | Параметры посадок | Группа посадок | Допуск посадки | ||||||||||||||
| отверстия | вала | зазор | натяг | |||||||||||||||
| мм | мм | мм | мм | мм | мм |
| мм | |||||||||||
| Ø67 H7/e8 | 67,03 | 67 | 66,934 | 66,894 | 0,136 | 0,066 | - | - | с зазор. | 0,07 | ||||||||
| Ø55 Н8/r6 | 55,046 | 55 | 55,060 | 55,041 | 0,005 | - | 0,060 | - | перех. | 0,065 | ||||||||
| Ø28 H7/m6 | 28,021 | 28 | 28,021 | 28,008 | 0,013 | - | 0,021 | - | перех. | 0,034 | ||||||||
| Ø13 D9/h8 | 13,093 | 13,050 | 13 | 12,973 | 0,12 | 0,05 | - | - | с зазор. | 0,07 | ||||||||
| Ø38 T7/h7 | 37,961 | 37,936 | 38 | 37,975 | - | - | 0,064 | 0,014 | с натяг. | 0,05 | ||||||||
| Ø19 E9/e9 | 19,092 | 19,040 | 18,96 | 18,908 | 0,184 | 0,08 | - | - | с зазор. | 0,104 | ||||||||
1.2 Калибры
Для контроля деталей сопряжения Ø38 T7/h7разработаем предварительные калибры.
Устанавливаем допуски на изготовление предельных калибров:
Для отверстия допуск на изготовление
,
- сдвиг поля допуска проходной стороны
, координата границы износа -
; сдвиг поля допуска непроходной стороны - 0
; для вала:
,
,
,
.
Характеристики
Тип файла документ
Документы такого типа открываются такими программами, как Microsoft Office Word на компьютерах Windows, Apple Pages на компьютерах Mac, Open Office - бесплатная альтернатива на различных платформах, в том числе Linux. Наиболее простым и современным решением будут Google документы, так как открываются онлайн без скачивания прямо в браузере на любой платформе. Существуют российские качественные аналоги, например от Яндекса.
Будьте внимательны на мобильных устройствах, так как там используются упрощённый функционал даже в официальном приложении от Microsoft, поэтому для просмотра скачивайте PDF-версию. А если нужно редактировать файл, то используйте оригинальный файл.
Файлы такого типа обычно разбиты на страницы, а текст может быть форматированным (жирный, курсив, выбор шрифта, таблицы и т.п.), а также в него можно добавлять изображения. Формат идеально подходит для рефератов, докладов и РПЗ курсовых проектов, которые необходимо распечатать. Кстати перед печатью также сохраняйте файл в PDF, так как принтер может начудить со шрифтами.















