123424 (689471), страница 2
Текст из файла (страница 2)
Исполнительный размер проходной стороны калибра-пробки:
.
Размер на чертеже Ø 37,9415 – 0,004 мм.
Исполнительный размер проходной стороны калибра-пробки:
.
Размер на чертеже Ø 37,963 – 0,004 мм.
Исполнительный размер проходной стороны калибра-скобы:
.
Размер на чертеже Ø 37,9945 + 0,004 мм.
Исполнительный размер непроходной стороны калибра-скобы:
.
Размер на чертеже Ø 37,973 + 0,004 мм.
Исполнительный размер контрольного калибра
.
Размер на чертеже Ø 38,00375 - 0,0015 мм.
Исполнительный размер контрольного калибра
:
.
Размер на чертеже Ø 37,99725 - 0,0015 мм.
Исполнительный размер контрольного калибра
:
.
Размер на чертеже Ø 37,97575 - 0,0015 мм.
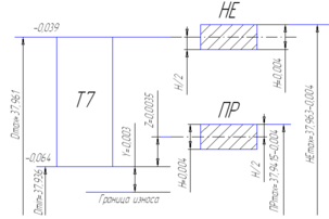
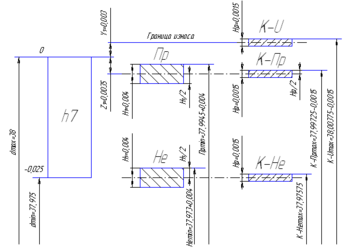
Изображение схемы расположения полей допусков для калибра-скобы показано на Рисунке 1.6, для калибра-пробки показано на Рисунке 1.7.
Шероховатость рабочих поверхностей калибров с допусками размеров 4мкм и высокой геометрической точностью поверхностей.
;
, принимаем
для робки.
, принимаем
для скобы.
Рисунок 1.7
Рисунок 1.8
2. Шероховатость, отклонение формы и расположения поверхностей
Исходные данные:
| I= Ø35к6 | IX=10h9 | |
| II= Ø48n7 | X= Ø72h8 | |
| III= Ø35к6 | XI= Ø62H7 | |
| IV= Ø30r6 | XII= Ø92±0,3 | |
| V= Ø42-0,2 | XIII= Ø10+0,5 | |
| VI= Ø48-0,3 | XIV=12-0,2 | |
| VII=15-0,03 | XV=22h8 | |
| VIII=10h15 | ||
Шероховатости отмеченных поверхностей находим сообразно назначению этих поверхностей и допуску их размера. Так, поверхности Ø35к6, Ø48n8, Ø35K6 согласно полям допусков их размеров являются ответственными поверхностями, образующими с сопрягаемыми поверхностями других деталей определённые посадки. В общем случае выделенные поверхности можно считать поверхностями нормальной геометрической точности, для которых параметр шероховатости
Для поверхности Ø35к6, где
,
,
принимаем из табл.0
.
Для поверхности Ø48n7, где
,
,
принимаем из табл.0
.
Для поверхности Ø30r6, где
,
,
принимаем из табл.0
.
Для поверхности Ø72h8, где
,
,
принимаем из табл.0
.
Для поверхности Ø62H7, где
,
,
принимаем из табл.0
.
Для поверхности Ø10+0,5, где
,
,
принимаем из табл.0
.
К точности обработки, и следовательно, к шероховатости поверхностей Ø42-0,2, Ø48-0,3, Ø95±0,3, Ø10+0,5 не предъявляются столь высокие требования.
Для поверхности Ø42-0,2,
,
принимаем из табл.0
.
Для поверхности Ø48-0,3,
,
принимаем из табл.0
.
Для поверхности Ø92±0,3,
,
принимаем из табл.0
.
Для поверхности Ø10+0,5,
,
принимаем из табл.0
.
Шероховатость поверхностей шпоночного паза принимается обычно в пределах
, причём большее значение соответствует дну паза.
Допуски на отклонение формы и расположения поверхностей также определим приближённым методом. Допуски на отклонение от круглости и цилиндричности поверхностей Ø35к6, Ø48n7, Ø30r6, Ø72h8, Ø62H7можно рассчитать следующим образом:
Для поверхности Ø35к6
(принимаем 4
);
(принимаем 4
);
Для поверхности Ø62H7
(принимаем 8
);
(принимаем 8
);
Для поверхности Ø48n7
(принимаем
);
Для поверхности Ø30r6
(принимаем 3
);
Для поверхности Ø72h8
(принимаем
);
Допуски на радиальное биение поверхностей Ø48n8, Ø30r6 относительно поверхности АБ (поверхности Ø35к6) приближённо могут быть найдены:
Для поверхности Ø48n8
(принимаем допуск, равным 0,03мм)
Для поверхности Ø30r6
(принимаем допуск, равным 0,012мм)
Допуски на радиальное биение поверхности Ø72h8 относительно поверхности А (поверхности Ø62H7) приближённо могут быть найдены следующим образом:
(принимаем 0,04мм)
Допуск на отклонение от ┴ торца поверхности Ø42-0,2 для фиксации подшипника зависит от допуска размера на ширину подшипника. Поэтому
(принимаем 0,008мм),
для поверхности Ø48-0,3
(принимаем 0,016мм),
для поверхности Ø92±0,3
(принимаем 0,016мм),
для поверхности Ø72h8
(принимаем 0,025мм),
Допуск на отклонение от симметричного расположения шпоночного паза:
(принимаем 0,12мм).
Для отверстий допуск равен:
Ø
,
где
мм
Ø
мм (принимаем 0,5мм).
3. Резьбовые соединения
Задано резьбовое соединение:
и отклонения
,
,
,
,
,
.
По условию записи резьбового соединения устанавливаем:
резьба метрическая, номинальный диаметр
; резьба однозаходная, шаг резьбы мелкий и равен 2,5мм, направление навивки – правое; поля допусков на диаметры гайки
и
- 5Н; диаметры
и
болта имеют поля допусков 5g и 6g соответственно; длинна свинчивания, не выходит за пределы нормальной; впадины резьбы выполнены без закруглений.
Определяем по формулам размеры сопрягаемых параметров резьбы:
мм;
мм;
мм.
По справочнику согласно указанным полям допусков устанавливаем предельные отклонения для нормируемых параметров болта и гайки:
На средний диаметр
,
,
,
;
На наружный диаметр
,
,
,
;
На внутренний диаметр
,
,
,
;
Определяем предельные размеры сопрягаемых параметров соответственно гайки и болта:
;
;
,
Так как
не нормируется, то записываем
не менее 52,000
;
;
;
;
;
;
;
;
;
,
Так как
в не нормируется, то записываем
не более 49,294
.
Находим допуски на сопряжённые размеры резьбового соединения:
;
- не нормируемый;
;
;
;
- не нормируемый;
Определяем зазоры по сопряженным поверхностям резьбового соединения:
по среднему диаметру:
;
;
по наружному диаметру:
;
;
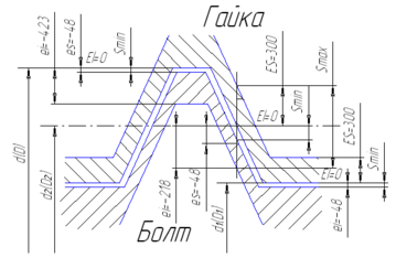
Данные расчётов заносим в Таблицу 3.1, а по их результатам строим схему заданного резьбового соединения (Рисунок 3.1)
Таблица 3.1 Данные расчёта
| Обозначение диаметров резьбового соединения | Номин. р-ры | Гайка | Болт | Допуски размеров | |||||
| Пред-е откл. мм | Предельные д-ры | Пред-е откл. мм | Предельные д-ры | Гайки | Болта | ||||
| max | min | max | min | ||||||
| Наружный d(D) | 52,000 | не норм. | не менее 52,000 | 52,000 |
| 51,952 | 51,577 | не норм. | 0,375 |
|
|
| ||||||||
| Средний d2(D2) | 50,381 |
| 50,681 | 50,381 |
| 50,333 | 50,163 | 0,3 | 0,17 |
|
|
| ||||||||
| Внутренний d1(D1) | 49,294 |
| 49,594 | 49,294 |
| 49,246 | не более 49,294 | 0,3 | не норм. |
|
| не норм. | ||||||||
Рисунок 3.1
Находим компенсационные поправки, обусловленные наличием указанных в задании дополнительных неточностей в шаге и угла профиля болта и гайки:
суммарная погрешность накопленного шага
;
суммарная погрешность правой половины профиля резьбы
;
суммарная погрешность левой половины профиля резьбы
;
суммарная погрешность угла профиля резьбы
;
поправка для расчёта зазоров, вносимая наличием погрешностей в шаге и угле профиля:
.
Поскольку ошибка, вносимая в соединение погрешностями в шаге и угле профиля, не превышает
(
, так как
), то для получения гарантированного зазора в резьбовом соединении с указанными погрешностями изготовления можно считать, что коррекция посадки выполнена правильно.
4. Подшипники качения
Исходные данные: радиальная сила
; внутренний диаметр подшипника
; в соединении вращающимся является вал.
1. Для данного соединения можно применить радиальный подшипник средней серии шестого класса точности, например 207, со следующими параметрами:
,
,
,
.
В рассматриваемом узле вращающимся кольцом является внутреннее, поэтому его посадку на вал производим с натягом, а наружное кольцо устанавливаем в корпус с зазором.
2. Приняв коэффициент k для средней серии подшипника равным 2,3, определим минимальный потребный натяг для внутренней обоймы подшипника:
















